Aquí encontrará todas las piezas y dibujos técnicos disponibles de 'Bosch 0603387060 ( PSB500 )'. Desde aquí podrá pedir todas las piezas deseadas directamente. Para muchas piezas de repuesto, es necesario pasar un pedido al fabricante. Dependiendo de la marca, el plazo de entrega puede variar entre una y cuatro semanas. Toda la información que tenemos está en nuestro sitio web. No podremos aconsejarle sobre lo que necesita hasta que entregue la máquina para su reparación. Tenga en cuenta lo siguiente a la hora de cursar su pedido:
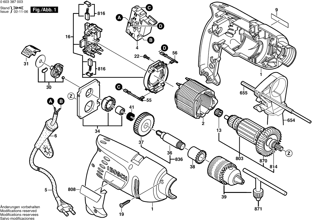
Dibujo técnico de los/las Bosch 0603387060 ( PSB500 )
Lista de las piezas de repuesto de Bosch 0603387060 ( PSB500 )
| Pos. | Descripción | Precio con el IVA excluido | Precio con el IVA incluido | |
| Los precios mostrados incluyen el IVA | ||||
| Sección de la carcasa | ||||
| 1 | 2605104779 | 11.88 | 14.37 | |
| Ya no disponible, sin reemplazo | ||||
| 2 | 2604220601 | |||
| Interruptor NEGRO | ||||
| 4 | 2607200562 | 7.58 | 9.17 | |
| Cable de alimentación | ||||
| 5 | 2604460259 | 11.02 | 13.33 | |
| Ya no disponible, sin reemplazo | ||||
| 6 | 2600707066 | |||
| Placa del fabricante GBH 2000 | ||||
| 9 | 2601117916 | 2.71 | 3.28 | |
| Casquillo de Metal Sinterizado | ||||
| 13 | 2600301068 | 1.32 | 1.60 | |
| Placa del cepillo | ||||
| 16 | 1600A012AZ | 9.47 | 11.46 | |
| Tornillo Torx con cabeza ovalada 4x30 | ||||
| 19 | 2603490022 | 1.00 | 1.21 | |
| Tornillo auto roscante DIN 7981-ST2,2x9,5-C-H | ||||
| 22 | 2910611002 | 1.00 | 1.21 | |
| Ya no disponible, sin reemplazo | ||||
| 30 | 2601901012 | |||
| Interruptor de cambio | ||||
| 31 | 2601990029 | 1.18 | 1.43 | |
| Puente de cojinete | ||||
| 34 | 2605807107 | 8.45 | 10.22 | |
| Husillo de Taladro | ||||
| 36 | 2606135081 | 7.32 | 8.86 | |
| Engranaje Cilíndrico | ||||
| 37 | 2606320081 | 6.54 | 7.91 | |
| Ya no disponible, sin reemplazo | ||||
| 38 | 2600301066 | |||
| Mandril con llave | ||||
| 39 | 1608571080 | 36.62 | 44.31 | |
| Resorte de compresión | ||||
| 41 | 2604616006 | 1.32 | 1.60 | |
| Cable de conexión | ||||
| 55 | 2604448034 | 1.32 | 1.60 | |
| Cable de conexión | ||||
| 56 | 2604448109 | 1.00 | 1.21 | |
| Mango auxiliar M10 | ||||
| 654 | 2602025094 | 6.53 | 7.90 | |
| Tope de profundidad TSF 55 EBQ | ||||
| 655 | 2609005615 | 3.71 | 4.49 | |
| Armazón 230-240V | ||||
| 803 | 2604011314 | 29.75 | 36.00 | |
| Placa de identificación | ||||
| 808 | 2601117917 | 2.71 | 3.28 | |
| RODAMIENTO DE BOLAS OSC 18 | ||||
| 814 | 3130900020 | 5.96 | 7.21 | |
| KIT DE SERVICIO 115V | ||||
| 816 | 2604321925 | 7.32 | 8.86 | |
| Husillo de Taladro | ||||
| 836 | 2606135935 | 12.21 | 14.77 | |
| Ventilador Sunon PMD2412PMB1-A | ||||
| 870 | 2606610097 | 3.04 | 3.68 | |
| Llave de mandril | ||||
| 871 | 2607950007 | 5.96 | 7.21 | |