Aquí encontrará todas las piezas y dibujos técnicos disponibles de 'Bosch 0603338808 ( PSB600RPE )'. Desde aquí podrá pedir todas las piezas deseadas directamente. Para muchas piezas de repuesto, es necesario pasar un pedido al fabricante. Dependiendo de la marca, el plazo de entrega puede variar entre una y cuatro semanas. Toda la información que tenemos está en nuestro sitio web. No podremos aconsejarle sobre lo que necesita hasta que entregue la máquina para su reparación. Tenga en cuenta lo siguiente a la hora de cursar su pedido:
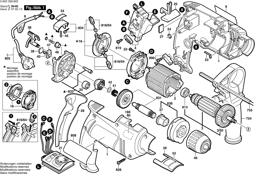
Dibujo técnico de los/las Bosch 0603338808 ( PSB600RPE )
Lista de las piezas de repuesto de Bosch 0603338808 ( PSB600RPE )
| Pos. | Descripción | Precio con el IVA excluido | Precio con el IVA incluido | |
| Los precios mostrados incluyen el IVA | ||||
| Sección del Caso VERDE | ||||
| 1 | 2605104562 | 12.41 | 15.02 | |
| Ya no disponible, sin reemplazo | ||||
| 2 | 2604220594 | |||
| Ya no disponible, sin reemplazo | ||||
| 3 | 2604011154 | |||
| Ventilador Sunon PMD2412PMB1-A | ||||
| 3/50 | 2606610029 | 2.18 | 2.64 | |
| Ya no disponible, sin reemplazo | ||||
| 4 | 2607200501 | |||
| Ya no disponible, sin reemplazo | ||||
| 6 | 2600707066 | |||
| Placa del fabricante GBH 2000 | ||||
| 9 | 2601119311 | 2.71 | 3.28 | |
| Placa del cepillo | ||||
| 16 | 2604337059 | 9.47 | 11.46 | |
| Ya no disponible, sin reemplazo | ||||
| 21 | 2607230050 | |||
| Tornillo auto roscante DIN 7981-ST2,2x9,5-C-H | ||||
| 22 | 2910611002 | 1.00 | 1.21 | |
| Anillo O | ||||
| 24 | 1900210000 | 1.32 | 1.60 | |
| Interruptor | ||||
| 25 | 2602098008 | 1.00 | 1.21 | |
| Elemento De Amortiguación | ||||
| 27 | 2603239024 | 1.00 | 1.21 | |
| Placa de mango | ||||
| 28 | 2608040109 | 3.71 | 4.49 | |
| Insertar SYS-ISC 240 | ||||
| 29 | 2605510160 | 1.18 | 1.43 | |
| Manga de aguja AGC 18 | ||||
| 35 | 2600914019 | 4.58 | 5.54 | |
| Ya no disponible, sin reemplazo | ||||
| 37 | 2600301052 | |||
| Ya no disponible, sin reemplazo | ||||
| 38 | 2601990010 | |||
| Placa de presión ISC 240 completa | ||||
| 39 | 2601074004 | 1.00 | 1.21 | |
| Pelota | ||||
| 40 | 1903230009 | 1.00 | 1.21 | |
| Resorte de compresión | ||||
| 41 | 2604616006 | 1.32 | 1.60 | |
| Arandela de compensación | ||||
| 42 | 2600101047 | 1.32 | 1.60 | |
| Resorte de compresión | ||||
| 45 | 2604610047 | 1.32 | 1.60 | |
| Ya no disponible, sin reemplazo | ||||
| 46 | 2608572173 | |||
| Marco | ||||
| 47 | 2608040120 | 2.18 | 2.64 | |
| Ya no disponible, sin reemplazo | ||||
| 48 | 2600390031 | |||
| Placa de Referencia | ||||
| 52 | 2601119419 | 3.04 | 3.68 | |
| Correa de Contacto | ||||
| 53 | 2601329043 | 2.18 | 2.64 | |
| Placa de Referencia | ||||
| 54 | 2601119602 | 3.04 | 3.68 | |
| No hay información disponible, no se puede pedir | ||||
| 754 | 2602025102 | |||
| No hay información disponible, no se puede pedir | ||||
| 755 | 2603001019 | |||
| Cable de alimentación | ||||
| 805 | 1607000388 | 10.68 | 12.92 | |
| Placa de tipo HK 85 EB 230V | ||||
| 808 | 2601119883 | 2.71 | 3.28 | |
| RODAMIENTO DE BOLAS OSC 18 | ||||
| 813 | 2600905032 | 4.58 | 5.54 | |
| KIT DE SERVICIO 115V | ||||
| 816/04 | 2609160125 | 5.96 | 7.21 | |
| Tornillo de placa | ||||
| 819 | 2910611006 | 1.32 | 1.60 | |
| Tornillo de placa | ||||
| 826 | 2910611020 | 1.32 | 1.60 | |
| Ya no disponible, sin reemplazo | ||||
| 831 | 2606135929 | |||
| Ya no disponible, sin reemplazo | ||||
| 833 | 2605807932 | |||
| Ya no disponible, sin reemplazo | ||||
| 834 | 2603231040 | |||
| Ya no disponible, sin reemplazo | ||||
| 836 | 2605808922 | |||
| Conjunto de sujeción | ||||
| 890 | 2607001305 | 3.71 | 4.49 | |
| Bolt de Embrague | ||||
| 891 | 2603410046 | 1.90 | 2.30 | |