Aquí encontrará todas las piezas y dibujos técnicos disponibles de 'Bosch 0603289003 ( PSS23 )'. Desde aquí podrá pedir todas las piezas deseadas directamente. Para muchas piezas de repuesto, es necesario pasar un pedido al fabricante. Dependiendo de la marca, el plazo de entrega puede variar entre una y cuatro semanas. Toda la información que tenemos está en nuestro sitio web. No podremos aconsejarle sobre lo que necesita hasta que entregue la máquina para su reparación. Tenga en cuenta lo siguiente a la hora de cursar su pedido:
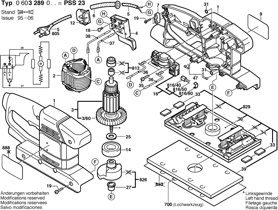
Dibujo técnico de los/las Bosch 0603289003 ( PSS23 )
Lista de las piezas de repuesto de Bosch 0603289003 ( PSS23 )
| Pos. | Descripción | Precio con el IVA excluido | Precio con el IVA incluido | |
| Los precios mostrados incluyen el IVA | ||||
| Sección del Caso VERDE | ||||
| 1 | 2605104338 | 12.41 | 15.02 | |
| Ya no disponible, sin reemplazo | ||||
| 2 | 2604220507 | |||
| Armadura 240V | ||||
| 3 | 2604010751 | 36.85 | 44.59 | |
| Ventilador Sunon PMD2412PMB1-A | ||||
| 3/60 | 2606610055 | 3.71 | 4.49 | |
| Interruptor | ||||
| 4 | 2607200260 | 9.47 | 11.46 | |
| Ya no disponible, sin reemplazo | ||||
| 6 | 2600703007 | |||
| Clip de cable | ||||
| 7 | 2601035004 | 1.90 | 2.30 | |
| Placa del fabricante GBH 2000 | ||||
| 9 | 2601118136 | 1.18 | 1.43 | |
| Ya no disponible, sin reemplazo | ||||
| 12 | 2607329138 | |||
| RODAMIENTO DE BOLAS OSC 18 | ||||
| 14 | 2600905034 | 11.02 | 13.33 | |
| Ya no disponible, sin reemplazo | ||||
| 16 | 2604337118 | |||
| Tornillo de cabeza cilíndrica | ||||
| 18 | 2603410001 | 1.32 | 1.60 | |
| Tornillo Torx con cabeza ovalada 4x30 | ||||
| 19 | 2603490022 | 1.00 | 1.21 | |
| Arandela plana | ||||
| 25 | 2600100041 | 1.32 | 1.60 | |
| Ya no disponible, sin reemplazo | ||||
| 27 | 2600590007 | |||
| Anillo O | ||||
| 31 | 1900210000 | 1.32 | 1.60 | |
| Tira De Goma | ||||
| 33 | 2601006002 | 1.18 | 1.43 | |
| Tornillo Torx con cabeza ovalada 4x30 | ||||
| 35 | 2603490023 | 1.00 | 1.21 | |
| Cable de conexión | ||||
| 36 | 2604448109 | 1.00 | 1.21 | |
| Cable L=103MM BLANCO | ||||
| 37 | 2604448140 | 0.83 | 1.00 | |
| Cable Eléctrico | ||||
| 38 | 1614431010 | 3.04 | 3.68 | |
| Ya no disponible, sin reemplazo | ||||
| 39 | 2602388010 | |||
| Muelle de contacto | ||||
| 47 | 2601329057 | 2.18 | 2.64 | |
| No hay información disponible, no se puede pedir | ||||
| 700 | 2608190016 | |||
| No hay información disponible, no se puede pedir | ||||
| 701 | 2600793009 | |||
| Cable de alimentación | ||||
| 805 | 1607000388 | 10.68 | 12.92 | |
| Ya no disponible, sin reemplazo | ||||
| 813 | 2600917902 | |||
| Ya no disponible, sin reemplazo | ||||
| 816/40 | 2607014001 | |||
| Resorte de compresión | ||||
| 816/50 | 2604610026 | 2.18 | 2.64 | |
| Capucha de trinquete | ||||
| 816/60 | 2601322013 | 1.32 | 1.60 | |
| Capucha de trinquete | ||||
| 816/60 | 2601329051 | 1.32 | 1.60 | |
| Disco excéntrico | ||||
| 826 | 2602210900 | 9.53 | 11.53 | |
| Ya no disponible, sin reemplazo | ||||
| 829 | 2608000910 | |||
| Pegatina | ||||
| 888 | 2601118331 | 1.70 | 2.06 | |