Aquí encontrará todas las piezas y dibujos técnicos disponibles de 'Bosch 0603285508 ( PSS28AE )'. Desde aquí podrá pedir todas las piezas deseadas directamente. Para muchas piezas de repuesto, es necesario pasar un pedido al fabricante. Dependiendo de la marca, el plazo de entrega puede variar entre una y cuatro semanas. Toda la información que tenemos está en nuestro sitio web. No podremos aconsejarle sobre lo que necesita hasta que entregue la máquina para su reparación. Tenga en cuenta lo siguiente a la hora de cursar su pedido:
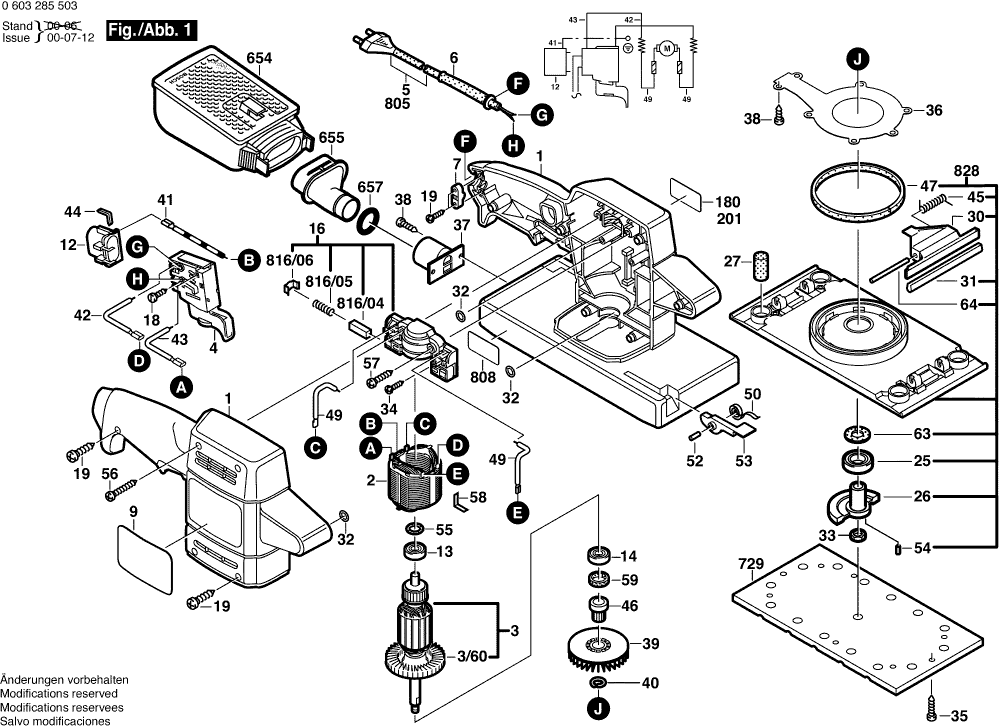
Dibujo técnico de los/las Bosch 0603285508 ( PSS28AE )
Lista de las piezas de repuesto de Bosch 0603285508 ( PSS28AE )
| Pos. | Descripción | Precio con el IVA excluido | Precio con el IVA incluido | |
| Los precios mostrados incluyen el IVA | ||||
| Sección del Caso VERDE | ||||
| 1 | 2605104542 | 36.85 | 44.59 | |
| Campo 220-240V | ||||
| 2 | 2604220476 | 26.84 | 32.48 | |
| Armazón 230-240V | ||||
| 3 | 2604011057 | 49.56 | 59.97 | |
| Ventilador Sunon PMD2412PMB1-A | ||||
| 3/60 | 2606610062 | 2.71 | 3.28 | |
| Interruptor | ||||
| 4 | 2607200222 | 44.82 | 54.23 | |
| Ya no disponible, sin reemplazo | ||||
| 6 | 2600703007 | |||
| Clip de cable | ||||
| 7 | 2601035001 | 1.32 | 1.60 | |
| Placa del fabricante GBH 2000 | ||||
| 9 | 2601117753 | 2.71 | 3.28 | |
| Ya no disponible, sin reemplazo | ||||
| 12 | 2607329114 | |||
| RODAMIENTO DE BOLAS OSC 18 | ||||
| 13 | 1900905044 | 6.53 | 7.90 | |
| RODAMIENTO DE BOLAS OSC 18 | ||||
| 14 | 1900905041 | 11.02 | 13.33 | |
| Ya no disponible, sin reemplazo | ||||
| 16 | 2609992604 | |||
| Tornillo de cabeza cilíndrica | ||||
| 18 | 2603410001 | 1.32 | 1.60 | |
| Tornillo Torx con cabeza ovalada 4x30 | ||||
| 19 | 2603490022 | 1.00 | 1.21 | |
| RODAMIENTO DE BOLAS OSC 18 | ||||
| 25 | 2600905068 | 12.21 | 14.77 | |
| Disco excéntrico | ||||
| 26 | 2600499037 | 13.93 | 16.86 | |
| Ya no disponible, sin reemplazo | ||||
| 27 | 2603100050 | |||
| Palanca de sujeción | ||||
| 30 | 2601923007 | 2.24 | 2.71 | |
| Ya no disponible, sin reemplazo | ||||
| 31 | 2601099030 | |||
| Anillo O | ||||
| 32 | 1900210000 | 1.32 | 1.60 | |
| Ya no disponible, sin reemplazo | ||||
| 33 | 2603300013 | |||
| Tornillo Torx con cabeza ovalada 4x30 | ||||
| 34 | 2603490018 | 1.00 | 1.21 | |
| Tornillo para roscar M6x25 MM | ||||
| 35 | 2603410048 | 1.32 | 1.60 | |
| Placa de cubierta | ||||
| 36 | 2600034004 | 3.31 | 4.01 | |
| Ya no disponible, sin reemplazo | ||||
| 37 | 2605702018 | |||
| Tornillo Torx con cabeza ovalada 4x30 | ||||
| 38 | 2603490020 | 1.00 | 1.21 | |
| Ventilador Sunon PMD2412PMB1-A | ||||
| 39 | 2606610026 | 2.24 | 2.71 | |
| Arandela de bloqueo elastica DIN 127-A6-FST | ||||
| 40 | 2916680033 | 1.18 | 1.43 | |
| Conductor de tierra | ||||
| 41 | 2604448097 | 1.32 | 1.60 | |
| Ya no disponible, sin reemplazo | ||||
| 42 | 2604448045 | |||
| Cable L=249 MM AZUL | ||||
| 43 | 2604448057 | 1.18 | 1.43 | |
| Ya no disponible, sin reemplazo | ||||
| 44 | 2601022000 | |||
| Resorte en espiral | ||||
| 45 | 2604651008 | 1.94 | 2.35 | |
| Espaciadores | ||||
| 46 | 2600320018 | 1.70 | 2.06 | |
| Ya no disponible, sin reemplazo | ||||
| 47 | 2601005014 | |||
| Cable de conexión | ||||
| 49 | 2604448109 | 1.00 | 1.21 | |
| Muelle en espiral AGC 18 | ||||
| 50 | 1604652004 | 2.18 | 2.64 | |
| Pin de separación | ||||
| 52 | 2604681001 | 1.18 | 1.43 | |
| Palanca de Control | ||||
| 53 | 2602010000 | 2.24 | 2.71 | |
| Rodillo Cilíndrico | ||||
| 54 | 2603200022 | 1.18 | 1.43 | |
| Anillo O 65,7x1,78 MM | ||||
| 55 | 2600210042 | 1.70 | 2.06 | |
| Tornillo Torx con cabeza ovalada 4x30 | ||||
| 56 | 2603490024 | 1.32 | 1.60 | |
| Tornillo Torx con cabeza ovalada 4x30 | ||||
| 57 | 2603490023 | 1.00 | 1.21 | |
| Muelle de contacto | ||||
| 58 | 2601329057 | 2.18 | 2.64 | |
| Anillo de sellado | ||||
| 59 | 2600290029 | 2.24 | 2.71 | |
| Anillo de sellado | ||||
| 63 | 2600290028 | 2.24 | 2.71 | |
| Pasador Cilíndrico | ||||
| 64 | 2603201085 | 1.32 | 1.60 | |
| Ya no disponible, sin reemplazo | ||||
| 654 | 2605411121 | |||
| Acoplamiento | ||||
| 655 | 2605702035 | 2.71 | 3.28 | |
| Anillo O | ||||
| 657 | 1610210075 | 2.18 | 2.64 | |
| Placa de Cierre | ||||
| 729 | 2608000107 | 0.83 | 1.00 | |
| Cable de alimentación | ||||
| 805 | 1607000388 | 10.68 | 12.92 | |
| Placa de tipo HK 85 EB 230V | ||||
| 808 | 2601117776 | 2.71 | 3.28 | |
| Ya no disponible, sin reemplazo | ||||
| 816/04 | 2607014001 | |||
| Resorte de compresión | ||||
| 816/05 | 2604610026 | 2.18 | 2.64 | |
| Capucha de trinquete | ||||
| 816/06 | 2601322013 | 1.32 | 1.60 | |
| Placa Oscilante | ||||
| 828 | 2608000916 | 55.25 | 66.85 | |