Aquí encontrará todas las piezas y dibujos técnicos disponibles de 'Bosch 0603230103 ( PST50 )'. Desde aquí podrá pedir todas las piezas deseadas directamente. Para muchas piezas de repuesto, es necesario pasar un pedido al fabricante. Dependiendo de la marca, el plazo de entrega puede variar entre una y cuatro semanas. Toda la información que tenemos está en nuestro sitio web. No podremos aconsejarle sobre lo que necesita hasta que entregue la máquina para su reparación. Tenga en cuenta lo siguiente a la hora de cursar su pedido:
Dibujo técnico de los/las Bosch 0603230103 ( PST50 )
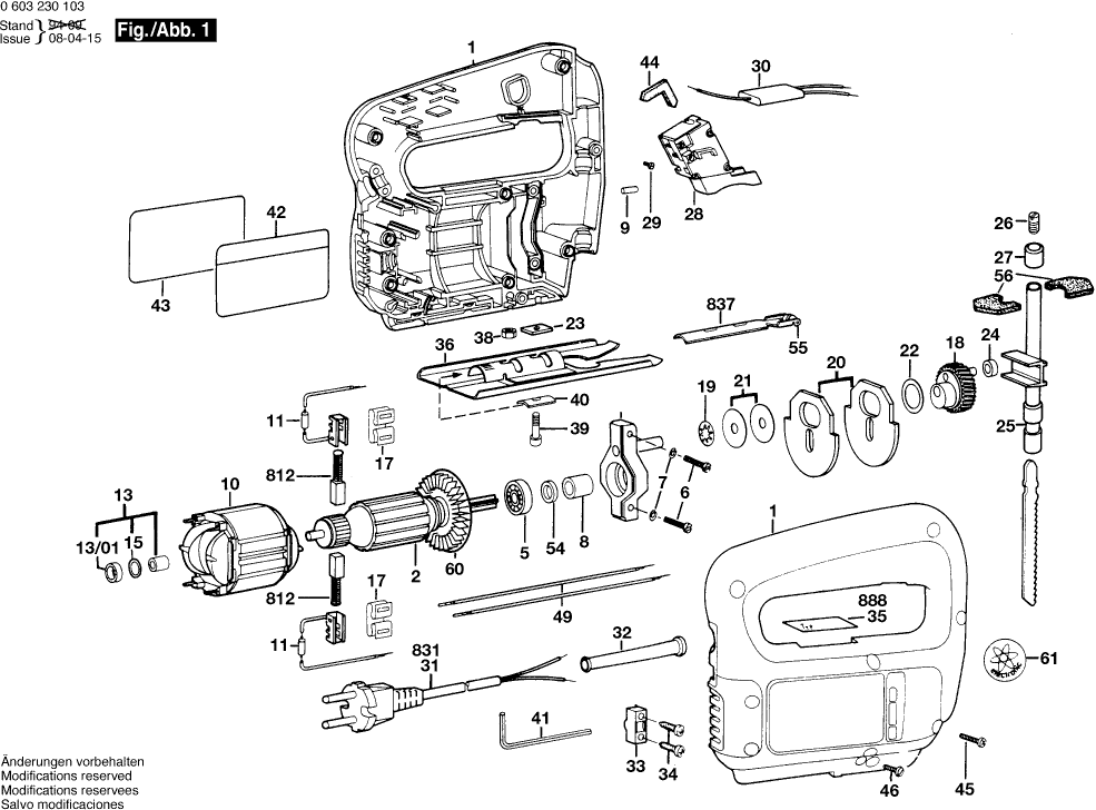
Lista de las piezas de repuesto de Bosch 0603230103 ( PST50 )
| Pos. | Descripción | Precio con el IVA excluido | Precio con el IVA incluido | |
| Los precios mostrados incluyen el IVA | ||||
| Sección de la carcasa AZUL | ||||
| 1 | 2605104149 | 20.42 | 24.71 | |
| Ya no disponible, sin reemplazo | ||||
| 2 | 2604010558 | |||
| Puente de cojinete | ||||
| 3 | 1619P02422 | 11.02 | 13.33 | |
| RODAMIENTO DE BOLAS OSC 18 | ||||
| 5 | 2600905021 | 7.32 | 8.86 | |
| Ya no disponible, sin reemplazo | ||||
| 6 | 2910020128 | |||
| Arandela de resorte | ||||
| 7 | 2916690003 | 1.00 | 1.21 | |
| Manga de Guía | ||||
| 8 | 2600400024 | 2.52 | 3.05 | |
| Rodillo de aguja A 3x9,8G2DIN 5402 | ||||
| 9 | 1903201041 | 1.18 | 1.43 | |
| Perno de cojinete | ||||
| 9 | 2603201020 | 1.00 | 1.21 | |
| Campo 230V | ||||
| 10 | 2604220392 | 22.88 | 27.68 | |
| PORTACEPILLO | ||||
| 11 | 2604449027 | 1.32 | 1.60 | |
| Ya no disponible, sin reemplazo | ||||
| 13 | 1600205023 | |||
| Ya no disponible, sin reemplazo | ||||
| 15 | 1610210014 | |||
| MUELLE DE RETENCIÓN OSC 18 | ||||
| 17 | 1619P09928 | 1.00 | 1.21 | |
| Ya no disponible, sin reemplazo | ||||
| 18 | 2606319073 | |||
| Arandela de Resorte Ø27,5x38,4 MM | ||||
| 19 | 2600150050 | 1.32 | 1.60 | |
| Contrapeso | ||||
| 20 | 1619P02421 | 7.32 | 8.86 | |
| Arandela De Compensación 0,5 MM | ||||
| 21 | 2600102658 | 1.18 | 1.43 | |
| Arandela de compensación 0,2 MM | ||||
| 21 | 2600102656 | 0.83 | 1.00 | |
| Arandela de compensación | ||||
| 22 | 2600101673 | 1.32 | 1.60 | |
| Ya no disponible, sin reemplazo | ||||
| 23 | 2601030006 | |||
| Manga de aguja AGC 18 | ||||
| 24 | 2600917904 | 6.53 | 7.90 | |
| Barra de elevación | ||||
| 25 | 1619P12589 | 20.39 | 24.67 | |
| Tornillo De Sujeción | ||||
| 26 | 2603400000 | 3.71 | 4.49 | |
| Casquillo de Metal Sinterizado | ||||
| 27 | 2600301049 | 1.32 | 1.60 | |
| Interruptor | ||||
| 28 | 2607200260 | 9.47 | 11.46 | |
| Tornillo de cabeza cilíndrica | ||||
| 29 | 2603410001 | 1.32 | 1.60 | |
| Ya no disponible, sin reemplazo | ||||
| 30 | 2607329101 | |||
| OJAL | ||||
| 32 | 1600703016 | 1.00 | 1.21 | |
| Clip de cable | ||||
| 33 | 2601035001 | 1.32 | 1.60 | |
| Tornillo auto roscante DIN 7981-ST3,9x16-C-H | ||||
| 34 | 2910611019 | 2.52 | 3.05 | |
| Placa base | ||||
| 36 | 2601016012 | 7.32 | 8.86 | |
| Tuerca hexagonal | ||||
| 38 | 2603300009 | 0.83 | 1.00 | |
| Ya no disponible, sin reemplazo | ||||
| 39 | 2910141126 | |||
| Perfil de cuentas | ||||
| 40 | 2601032017 | 1.32 | 1.60 | |
| Destornillador Desplazado | ||||
| 41 | 1907950004 | 5.27 | 6.38 | |
| Pegatina LADO SOL | ||||
| 42 | 2601110613 | 0.83 | 1.00 | |
| Pegatina LADO SOMBRA | ||||
| 43 | 2601110143 | 0.83 | 1.00 | |
| Ya no disponible, sin reemplazo | ||||
| 44 | 2601022000 | |||
| Tornillo de placa | ||||
| 45 | 2912401020 | 1.90 | 2.30 | |
| Tornillo para chapa DIN 7981-BZ3,9x9,5-A2 | ||||
| 46 | 2910611417 | 0.83 | 1.00 | |
| Cable de Conexión L = 278 MM AZUL | ||||
| 49 | 2604448012 | 1.18 | 1.43 | |
| Ya no disponible, sin reemplazo | ||||
| 51 | 2607320008 | |||
| Ya no disponible, sin reemplazo | ||||
| 52 | 2604465024 | |||
| Cable Eléctrico | ||||
| 53 | 2604448002 | 0.83 | 1.00 | |
| Ya no disponible, sin reemplazo | ||||
| 54 | 2600103013 | |||
| Fieltro Lubricante | ||||
| 56 | 2601020007 | 1.32 | 1.60 | |
| Ventilador Sunon PMD2412PMB1-A | ||||
| 60 | 2606610047 | 0.83 | 1.00 | |
| Ya no disponible, sin reemplazo | ||||
| 61 | 2601110041 | |||
| KIT DE SERVICIO 115V | ||||
| 812 | 2604321904 | 8.48 | 10.26 | |
| Cable de alimentación | ||||
| 831 | 1607000386 | 17.60 | 21.30 | |
| Soporte de retención | ||||
| 837 | 2608135901 | 9.47 | 11.46 | |
| Placa de identificación | ||||
| 888 | 160111A3H3 | 2.18 | 2.64 | |