Aquí encontrará todas las piezas y dibujos técnicos disponibles de 'Bosch 0603229208 ( PST53A )'. Desde aquí podrá pedir todas las piezas deseadas directamente. Para muchas piezas de repuesto, es necesario pasar un pedido al fabricante. Dependiendo de la marca, el plazo de entrega puede variar entre una y cuatro semanas. Toda la información que tenemos está en nuestro sitio web. No podremos aconsejarle sobre lo que necesita hasta que entregue la máquina para su reparación. Tenga en cuenta lo siguiente a la hora de cursar su pedido:
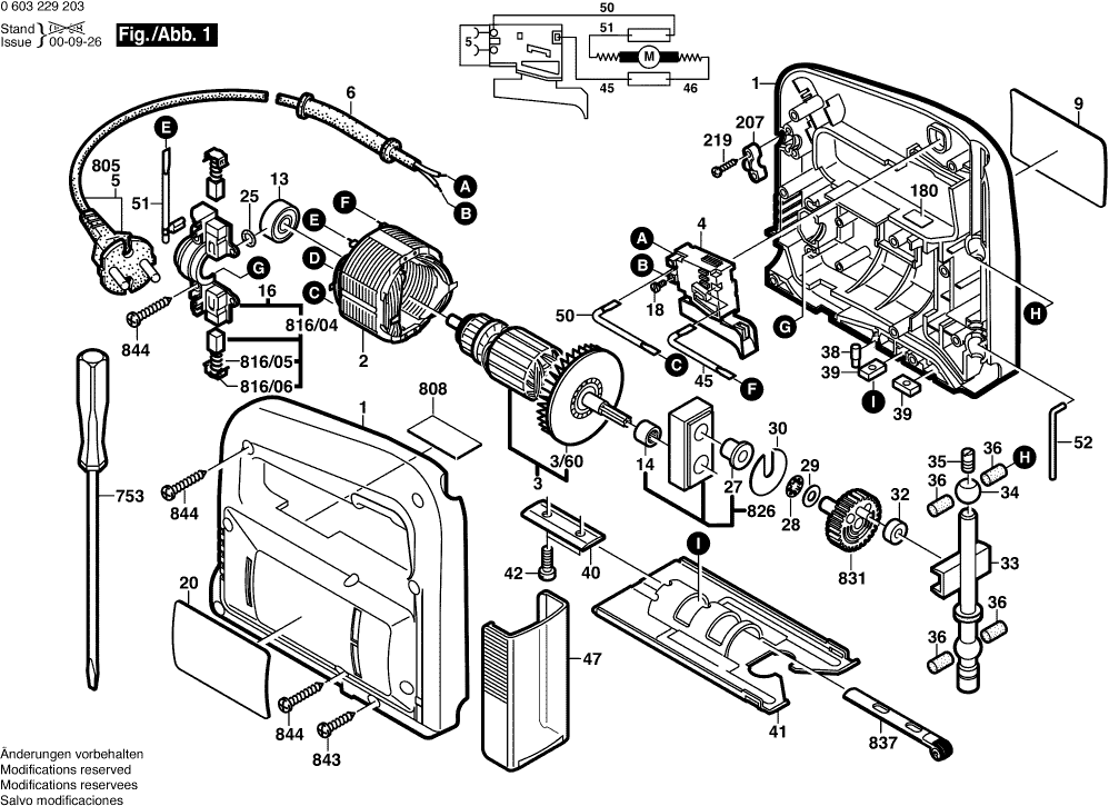
Dibujo técnico de los/las Bosch 0603229208 ( PST53A )
Lista de las piezas de repuesto de Bosch 0603229208 ( PST53A )
| Pos. | Descripción | Precio con el IVA excluido | Precio con el IVA incluido | |
| Los precios mostrados incluyen el IVA | ||||
| Sección del Caso VERDE | ||||
| 1 | 2605104526 | 15.71 | 19.01 | |
| Campo 230-240V | ||||
| 2 | 2604220568 | 12.41 | 15.02 | |
| ARMADURA 230V | ||||
| 3 | 2604011097 | 33.45 | 40.47 | |
| VÁLVULA | ||||
| 3/60 | 1619P11262 | 2.52 | 3.05 | |
| Ya no disponible, sin reemplazo | ||||
| 4 | 2607200365 | |||
| Ya no disponible, sin reemplazo | ||||
| 6 | 2600703007 | |||
| Placa del fabricante GBH 2000 | ||||
| 9 | 2601118893 | 2.71 | 3.28 | |
| RODAMIENTO DE BOLAS OSC 18 | ||||
| 13 | 2600905046 | 9.47 | 11.46 | |
| Manga de aguja AGC 18 | ||||
| 14 | 2600917003 | 2.52 | 3.05 | |
| Ya no disponible, sin reemplazo | ||||
| 16 | 2604337118 | |||
| Tornillo de cabeza cilíndrica | ||||
| 18 | 2603410001 | 1.32 | 1.60 | |
| Placa de referencia LADO SOMBRA | ||||
| 20 | 2601118894 | 2.71 | 3.28 | |
| Anillo O | ||||
| 25 | 1900210000 | 1.32 | 1.60 | |
| Ya no disponible, sin reemplazo | ||||
| 27 | 2600322003 | |||
| Arandela de Resorte Ø27,5x38,4 MM | ||||
| 28 | 2600190040 | 1.18 | 1.43 | |
| Arandela De Compensación 0,5 MM | ||||
| 29 | 2600100505 | 0.83 | 1.00 | |
| Arandela de compensación 0,2 MM | ||||
| 30 | 2600040001 | 1.18 | 1.43 | |
| Ya no disponible, sin reemplazo | ||||
| 32 | 2600301014 | |||
| Barra de elevación | ||||
| 33 | 2600780073 | 15.71 | 19.01 | |
| Ya no disponible, sin reemplazo | ||||
| 34 | 2600302008 | |||
| Tornillo De Sujeción | ||||
| 35 | 2603400000 | 3.71 | 4.49 | |
| Ya no disponible, sin reemplazo | ||||
| 36 | 2603239006 | |||
| Ya no disponible, sin reemplazo | ||||
| 38 | 2603120037 | |||
| Ya no disponible, sin reemplazo | ||||
| 39 | 2601030006 | |||
| Perfil de cuentas | ||||
| 40 | 2601032017 | 1.32 | 1.60 | |
| Placa base | ||||
| 41 | 2601016012 | 7.32 | 8.86 | |
| Tornillo de cabeza cilíndrica DIN 84-AM4x14-5.8 | ||||
| 42 | 2910011124 | 0.83 | 1.00 | |
| Cable de conexión | ||||
| 45 | 2604448118 | 1.32 | 1.60 | |
| Ya no disponible, sin reemplazo | ||||
| 47 | 2605510052 | |||
| Cable De Conexión L=263MM AZUL | ||||
| 50 | 2604448119 | 1.18 | 1.43 | |
| Ya no disponible, sin reemplazo | ||||
| 51 | 2604448123 | |||
| Ya no disponible, sin reemplazo | ||||
| 52 | 2603105051 | |||
| Clip de cable | ||||
| 207 | 2601035001 | 1.32 | 1.60 | |
| Cable de alimentación | ||||
| 805 | 1607000388 | 10.68 | 12.92 | |
| Placa de identificación | ||||
| 808 | 160111A3H3 | 2.18 | 2.64 | |
| Ya no disponible, sin reemplazo | ||||
| 816/04 | 2604321917 | |||
| Resorte de compresión | ||||
| 816/05 | 2604610026 | 2.18 | 2.64 | |
| Capucha de trinquete | ||||
| 816/06 | 2601322013 | 1.32 | 1.60 | |
| Capucha de trinquete | ||||
| 816/06 | 2601329051 | 1.32 | 1.60 | |
| Ya no disponible, sin reemplazo | ||||
| 826 | 2605807918 | |||
| Ya no disponible, sin reemplazo | ||||
| 831 | 2606316900 | |||
| Soporte de retención | ||||
| 837 | 2608135901 | 9.47 | 11.46 | |
| Tornillo de placa | ||||
| 843 | 2910611018 | 1.32 | 1.60 | |
| Tornillo de placa | ||||
| 844 | 2910611020 | 1.32 | 1.60 | |