Aquí encontrará todas las piezas y dibujos técnicos disponibles de 'Bosch 0603379003 ( PST550 )'. Desde aquí podrá pedir todas las piezas deseadas directamente. Para muchas piezas de repuesto, es necesario pasar un pedido al fabricante. Dependiendo de la marca, el plazo de entrega puede variar entre una y cuatro semanas. Toda la información que tenemos está en nuestro sitio web. No podremos aconsejarle sobre lo que necesita hasta que entregue la máquina para su reparación. Tenga en cuenta lo siguiente a la hora de cursar su pedido:
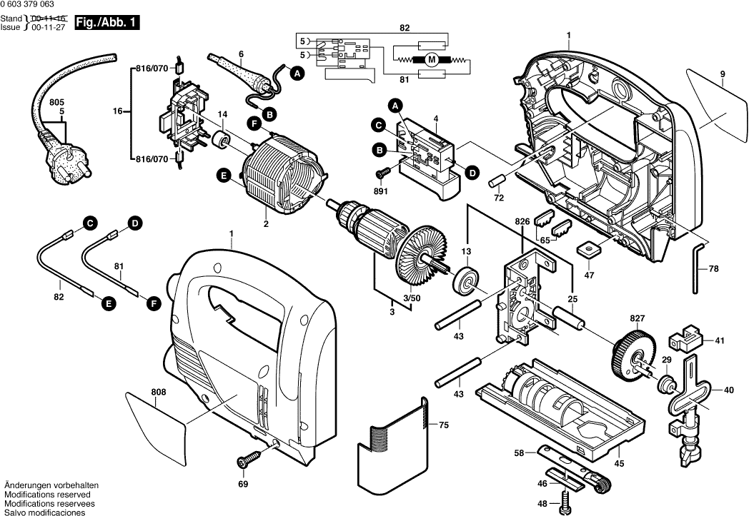
Dibujo técnico de los/las Bosch 0603379003 ( PST550 )
Lista de las piezas de repuesto de Bosch 0603379003 ( PST550 )
| Pos. | Descripción | Precio con el IVA excluido | Precio con el IVA incluido | |
| Los precios mostrados incluyen el IVA | ||||
| Sección de la carcasa | ||||
| 1 | 2605105900 | 36.85 | 44.59 | |
| Ya no disponible, sin reemplazo | ||||
| 2 | 2604220601 | |||
| Armazón 230-240V | ||||
| 3 | 2604011231 | 29.75 | 36.00 | |
| Ventilador Sunon PMD2412PMB1-A | ||||
| 3/50 | 2606610097 | 3.04 | 3.68 | |
| Ya no disponible, sin reemplazo | ||||
| 4 | 2607200523 | |||
| OJAL | ||||
| 6 | 2600703017 | 2.18 | 2.64 | |
| Placa del fabricante GBH 2000 | ||||
| 9 | 2601117899 | 2.18 | 2.64 | |
| RODAMIENTO DE BOLAS OSC 18 | ||||
| 13 | 2600905021 | 7.32 | 8.86 | |
| Manga de aguja AGC 18 | ||||
| 14 | 2600917002 | 3.04 | 3.68 | |
| Placa del cepillo | ||||
| 16 | 1600A012AZ | 9.47 | 11.46 | |
| Perno de cojinete | ||||
| 25 | 2603105083 | 2.52 | 3.05 | |
| Ya no disponible, sin reemplazo | ||||
| 29 | 2605801044 | |||
| Ya no disponible, sin reemplazo | ||||
| 40 | 2600780145 | |||
| COJINETE DE MANGA | ||||
| 41 | 2605801038 | 4.58 | 5.54 | |
| Indicador DF 700 | ||||
| 43 | 2603201089 | 5.27 | 6.38 | |
| Ya no disponible, sin reemplazo | ||||
| 45 | 2601016080 | |||
| Perfil de cuentas | ||||
| 46 | 2601032021 | 2.18 | 2.64 | |
| PLACA DE MONTAJE | ||||
| 47 | 2600040003 | 1.90 | 2.30 | |
| Tornillo de cabeza cilíndrica | ||||
| 48 | 2603413034 | 1.32 | 1.60 | |
| Ya no disponible, sin reemplazo | ||||
| 58 | 2601321063 | |||
| Ya no disponible, sin reemplazo | ||||
| 65 | 2601038111 | |||
| Tornillo Torx con cabeza ovalada 4x30 | ||||
| 69 | 2603490022 | 1.00 | 1.21 | |
| Parachoques de goma | ||||
| 72 | 2603100056 | 1.32 | 1.60 | |
| Ya no disponible, sin reemplazo | ||||
| 75 | 2605510169 | |||
| Pasador | ||||
| 78 | 2603105088 | 1.00 | 1.21 | |
| Cable de Conexión L=243 MM BLANCO | ||||
| 81 | 2604448033 | 1.18 | 1.43 | |
| Cable de conexión | ||||
| 82 | 2604448232 | 1.90 | 2.30 | |
| Cable de alimentación | ||||
| 805 | 1607000386 | 17.60 | 21.30 | |
| Placa de Referencia | ||||
| 808 | 2601117926 | 2.71 | 3.28 | |
| KIT DE SERVICIO 115V | ||||
| 816/070 | 2604321925 | 7.32 | 8.86 | |
| Puente de cojinete | ||||
| 826 | 2605807935 | 18.19 | 22.01 | |
| Ya no disponible, sin reemplazo | ||||
| 827 | 2606320903 | |||
| Bolt de Embrague | ||||
| 891 | 2603410046 | 1.90 | 2.30 | |