Aquí encontrará todas las piezas y dibujos técnicos disponibles de 'Bosch 3603C92020 ( PST600 )'. Desde aquí podrá pedir todas las piezas deseadas directamente. Para muchas piezas de repuesto, es necesario pasar un pedido al fabricante. Dependiendo de la marca, el plazo de entrega puede variar entre una y cuatro semanas. Toda la información que tenemos está en nuestro sitio web. No podremos aconsejarle sobre lo que necesita hasta que entregue la máquina para su reparación. Tenga en cuenta lo siguiente a la hora de cursar su pedido:
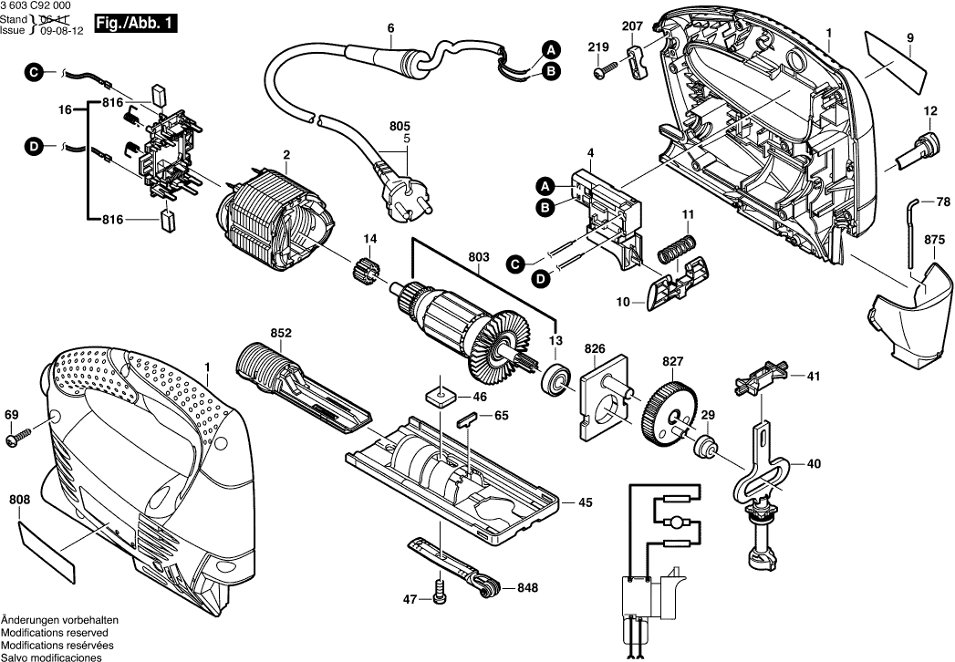
Dibujo técnico de los/las Bosch 3603C92020 ( PST600 )
Lista de las piezas de repuesto de Bosch 3603C92020 ( PST600 )
| Pos. | Descripción | Precio con el IVA excluido | Precio con el IVA incluido | |
| Los precios mostrados incluyen el IVA | ||||
| Sección del Caso VERDE | ||||
| 1 | 2605105055 | 36.85 | 44.59 | |
| Ya no disponible, sin reemplazo | ||||
| 2 | 2604220601 | |||
| Ya no disponible, sin reemplazo | ||||
| 4 | 2607200608 | |||
| OJAL | ||||
| 6 | 2609002019 | 2.18 | 2.64 | |
| Placa del fabricante GBH 2000 | ||||
| 9 | 2609000690 | 2.18 | 2.64 | |
| Palanca de Bloqueo | ||||
| 10 | 2609000290 | 1.94 | 2.35 | |
| Resorte de compresión | ||||
| 11 | 2609000421 | 1.18 | 1.43 | |
| Válvula de perilla giratoria ROJO | ||||
| 12 | 2602026132 | 1.70 | 2.06 | |
| RODAMIENTO DE BOLAS OSC 18 | ||||
| 13 | 3130900020 | 5.96 | 7.21 | |
| Casquillo de Metal Sinterizado | ||||
| 14 | 2600301068 | 1.32 | 1.60 | |
| Ya no disponible, sin reemplazo | ||||
| 16 | 2604337102 | |||
| Ya no disponible, sin reemplazo | ||||
| 29 | 2605801044 | |||
| Ya no disponible, sin reemplazo | ||||
| 40 | 2600780148 | |||
| Cojinete de guía | ||||
| 41 | 2605801053 | 3.04 | 3.68 | |
| Ya no disponible, sin reemplazo | ||||
| 45 | 2601016088 | |||
| PLACA DE MONTAJE | ||||
| 46 | 2600040003 | 1.90 | 2.30 | |
| Tornillo de cabeza cilíndrica | ||||
| 47 | 2603413034 | 1.32 | 1.60 | |
| Guía crosshd. MFK 700/B | ||||
| 65 | 2601030166 | 1.32 | 1.60 | |
| Tornillo Torx con cabeza ovalada 4x30 | ||||
| 69 | 2603490022 | 1.00 | 1.21 | |
| Pasador | ||||
| 78 | 2603105088 | 1.00 | 1.21 | |
| Clip de cable | ||||
| 207 | 2601035001 | 1.32 | 1.60 | |
| Tornillo Torx con cabeza ovalada 4x30 | ||||
| 219 | 2603490022 | 1.00 | 1.21 | |
| Armazón | ||||
| 803 | 2609000359 | 37.50 | 45.38 | |
| Cable de alimentación | ||||
| 805 | 1607000386 | 17.60 | 21.30 | |
| Ya no disponible, sin reemplazo | ||||
| 808 | 2609000689 | |||
| KIT DE SERVICIO 115V | ||||
| 816 | 2610391290 | 7.32 | 8.86 | |
| Puente de cojinete | ||||
| 826 | 2609000346 | 6.53 | 7.90 | |
| Rueda dentada excéntrica | ||||
| 827 | 2609002094 | 12.41 | 15.02 | |
| Ya no disponible, sin reemplazo | ||||
| 848 | 2601321072 | |||
| Depósito de Hojas de Sierra | ||||
| 852 | 2608040231 | 5.27 | 6.38 | |
| Ya no disponible, sin reemplazo | ||||
| 875 | 2605510219 | |||