Aquí encontrará todas las piezas y dibujos técnicos disponibles de 'Bosch 0603303703 ( PST800PAC )'. Desde aquí podrá pedir todas las piezas deseadas directamente. Para muchas piezas de repuesto, es necesario pasar un pedido al fabricante. Dependiendo de la marca, el plazo de entrega puede variar entre una y cuatro semanas. Toda la información que tenemos está en nuestro sitio web. No podremos aconsejarle sobre lo que necesita hasta que entregue la máquina para su reparación. Tenga en cuenta lo siguiente a la hora de cursar su pedido:
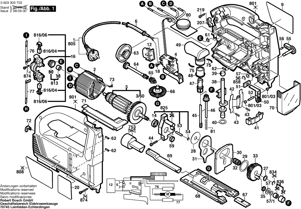
Dibujo técnico de los/las Bosch 0603303703 ( PST800PAC )
Lista de las piezas de repuesto de Bosch 0603303703 ( PST800PAC )
| Pos. | Descripción | Precio con el IVA excluido | Precio con el IVA incluido | |
| Los precios mostrados incluyen el IVA | ||||
| Campo 230V | ||||
| 2 | 2604220447 | 20.42 | 24.71 | |
| ARMADURA 230V | ||||
| 3 | 2604010895 | 36.85 | 44.59 | |
| Ventilador Sunon PMD2412PMB1-A | ||||
| 3/60 | 2606610050 | 3.31 | 4.01 | |
| Ya no disponible, sin reemplazo | ||||
| 4 | 2607200303 | |||
| Ya no disponible, sin reemplazo | ||||
| 6 | 2600703007 | |||
| Placa del fabricante LADO SOL | ||||
| 9 | 2601118352 | 1.70 | 2.06 | |
| Ya no disponible, sin reemplazo | ||||
| 12 | 2607329138 | |||
| RODAMIENTO DE BOLAS OSC 18 | ||||
| 14 | 2600905021 | 7.32 | 8.86 | |
| Ya no disponible, sin reemplazo | ||||
| 16 | 2605807060 | |||
| Tornillo de cabeza cilíndrica | ||||
| 18 | 2603410001 | 1.32 | 1.60 | |
| Arandela de compensación | ||||
| 27 | 2600101047 | 1.32 | 1.60 | |
| Arandela de compensación | ||||
| 28 | 2600101048 | 1.32 | 1.60 | |
| Arandela De Compensación 0,5 MM | ||||
| 29 | 2600102614 | 0.83 | 1.00 | |
| Contrapeso 5,5 MM | ||||
| 30 | 2601098025 | 4.70 | 5.69 | |
| Palanca de horquilla | ||||
| 31 | 2601923009 | 3.31 | 4.01 | |
| Ensamble de rodillos de aguja | ||||
| 32 | 2600913007 | 5.83 | 7.05 | |
| Rueda Dentada Excéntrica Z=39 | ||||
| 33 | 2606320049 | 20.42 | 24.71 | |
| Anillo Intermedio | ||||
| 35 | 2600200035 | 1.18 | 1.43 | |
| Ya no disponible, sin reemplazo | ||||
| 38 | 2600780060 | |||
| Casquillo de Metal Sinterizado | ||||
| 39 | 2600302009 | 1.94 | 2.35 | |
| Arandela de compensación | ||||
| 40 | 2600101612 | 1.32 | 1.60 | |
| PLACA DE SOPORTE | ||||
| 41 | 2602316011 | 1.18 | 1.43 | |
| Ya no disponible, sin reemplazo | ||||
| 42 | 2601322014 | |||
| Resorte de compresión | ||||
| 43 | 2604613000 | 1.32 | 1.60 | |
| Tornillo de cabeza ovalada DIN 7985-M4x18-8.8-H | ||||
| 44 | 2910950128 | 0.83 | 1.00 | |
| Ya no disponible, sin reemplazo | ||||
| 45 | 2603490004 | |||
| Ya no disponible, sin reemplazo | ||||
| 46 | 2606491012 | |||
| Ya no disponible, sin reemplazo | ||||
| 47 | 2606491010 | |||
| Ya no disponible, sin reemplazo | ||||
| 48 | 2600451002 | |||
| Ya no disponible, sin reemplazo | ||||
| 49 | 2608040073 | |||
| Ya no disponible, sin reemplazo | ||||
| 50 | 2601321049 | |||
| Placa de sellado | ||||
| 51 | 2601015057 | 2.52 | 3.05 | |
| Pasador Cilíndrico | ||||
| 52 | 2609002725 | 1.00 | 1.21 | |
| Pasador Recto DIN 6325-4m6x20 | ||||
| 53 | 2917530099 | 0.83 | 1.00 | |
| Arandela de compensación | ||||
| 54 | 2600100510 | 2.18 | 2.64 | |
| Interruptor de Cambio 230V NEGRO | ||||
| 55 | 2602026055 | 2.71 | 3.28 | |
| Capucha de trinquete | ||||
| 56 | 2600590006 | 1.32 | 1.60 | |
| Arandela de compensación | ||||
| 57 | 2600100568 | 1.32 | 1.60 | |
| Arandela de compensación | ||||
| 57 | 2600100607 | 1.32 | 1.60 | |
| Arandela de compensación | ||||
| 57 | 2600100572 | 1.18 | 1.43 | |
| Anillo de bloqueo | ||||
| 59 | 2600400030 | 1.18 | 1.43 | |
| Ya no disponible, sin reemplazo | ||||
| 61 | 2600210036 | |||
| Perno de cojinete | ||||
| 62 | 2603201020 | 1.00 | 1.21 | |
| Manija rotatoria | ||||
| 63 | 2608040074 | 2.24 | 2.71 | |
| Ya no disponible, sin reemplazo | ||||
| 64 | 2606491013 | |||
| Ya no disponible, sin reemplazo | ||||
| 65 | 2606333029 | |||
| Ya no disponible, sin reemplazo | ||||
| 66 | 2606333028 | |||
| Ya no disponible, sin reemplazo | ||||
| 67 | 2602317028 | |||
| Ya no disponible, sin reemplazo | ||||
| 68 | 2601016073 | |||
| Ya no disponible, sin reemplazo | ||||
| 69 | 2605730037 | |||
| Tapa de cobertura STM 1800 | ||||
| 70 | 2605510149 | 1.94 | 2.35 | |
| Parte insertada | ||||
| 71 | 2608040075 | 1.70 | 2.06 | |
| Tapa de sellado | ||||
| 72 | 2608040077 | 1.18 | 1.43 | |
| Muelle de contacto | ||||
| 73 | 2601329047 | 1.18 | 1.43 | |
| Ya no disponible, sin reemplazo | ||||
| 75 | 2603100055 | |||
| Cable De Conexión L=50 MM BLANCO | ||||
| 76 | 2604448190 | 2.71 | 3.28 | |
| Ya no disponible, sin reemplazo | ||||
| 77 | 2604448123 | |||
| Regulador de velocidad 230-240V | ||||
| 80 | 2607230024 | 26.84 | 32.48 | |
| Resorte de compresión | ||||
| 81 | 2604610040 | 1.32 | 1.60 | |
| Ya no disponible, sin reemplazo | ||||
| 753 | 2600499032 | |||
| Sección del Caso VERDE | ||||
| 801 | 2605104854 | 36.85 | 44.59 | |
| Ya no disponible, sin reemplazo | ||||
| 801/03 | 2600506008 | |||
| Ya no disponible, sin reemplazo | ||||
| 805 | 1607000389 | |||
| Placa de tipo HK 85 EB 230V | ||||
| 808 | 2601119260 | 2.71 | 3.28 | |
| Manga de aguja AGC 18 | ||||
| 813 | 2600917901 | 5.83 | 7.05 | |
| KIT DE SERVICIO 115V | ||||
| 816/04 | 2604321905 | 9.47 | 11.46 | |
| Capucha de trinquete | ||||
| 816/06 | 2601329051 | 1.32 | 1.60 | |
| Capucha de trinquete | ||||
| 816/06 | 2601322013 | 1.32 | 1.60 | |
| Puente de cojinete | ||||
| 825 | 2605807925 | 11.88 | 14.37 | |
| Anillo de bloqueo | ||||
| 834 | 2916080909 | 1.00 | 1.21 | |
| Manga de aguja AGC 18 | ||||
| 836 | 2600917900 | 7.32 | 8.86 | |
| Ya no disponible, sin reemplazo | ||||
| 858 | 2916080008 | |||
| Tornillo de placa | ||||
| 874 | 2910611020 | 1.32 | 1.60 | |