Aquí encontrará todas las piezas y dibujos técnicos disponibles de 'Bosch 0603345903 ( PWS13-125CE )'. Desde aquí podrá pedir todas las piezas deseadas directamente. Para muchas piezas de repuesto, es necesario pasar un pedido al fabricante. Dependiendo de la marca, el plazo de entrega puede variar entre una y cuatro semanas. Toda la información que tenemos está en nuestro sitio web. No podremos aconsejarle sobre lo que necesita hasta que entregue la máquina para su reparación. Tenga en cuenta lo siguiente a la hora de cursar su pedido:
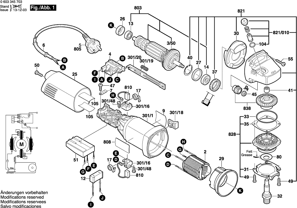
Dibujo técnico de los/las Bosch 0603345903 ( PWS13-125CE )
Lista de las piezas de repuesto de Bosch 0603345903 ( PWS13-125CE )
| Pos. | Descripción | Precio con el IVA excluido | Precio con el IVA incluido | |
| Los precios mostrados incluyen el IVA | ||||
| Campo 230V | ||||
| 2 | 1607000F0S | 33.33 | 40.33 | |
| Campo 230V | ||||
| 2 | 160422054U | 25.28 | 30.59 | |
| Ventilador Sunon PMD2412PMB1-A | ||||
| 3/50 | 1606610132 | 1.90 | 2.30 | |
| Interruptor | ||||
| 4 | 1607200137 | 10.68 | 12.92 | |
| OJAL | ||||
| 6 | 2600703011 | 2.52 | 3.05 | |
| OJAL | ||||
| 6 | 2600703012 | 2.52 | 3.05 | |
| OJAL | ||||
| 6 | 2600703013 | 2.18 | 2.64 | |
| Abrazadera de sujeción | ||||
| 7 | 1601302017 | 1.00 | 1.21 | |
| Placa del fabricante GBH 2000 | ||||
| 9 | 1601118530 | 1.90 | 2.30 | |
| Filtro de interferencias TURBO II R1 ET-BG | ||||
| 12 | 1607328042 | 5.96 | 7.21 | |
| RODAMIENTO DE BOLAS OSC 18 | ||||
| 13 | 2600905032 | 4.58 | 5.54 | |
| RODAMIENTO DE BOLAS OSC 18 | ||||
| 14 | 1600905032 | 5.27 | 6.38 | |
| Muelle en espiral AGC 18 | ||||
| 17 | 1604652013 | 1.32 | 1.60 | |
| Cubierta de la carcasa VERDE | ||||
| 25 | 1600508018 | 5.33 | 6.45 | |
| Anillo Intermedio | ||||
| 26 | 1600502023 | 1.90 | 2.30 | |
| Anillo de goma 10 MM ANCHO | ||||
| 27 | 1600206025 | 1.90 | 2.30 | |
| Anillo deflector de aire | ||||
| 29 | 1600591025 | 2.18 | 2.64 | |
| Anillo deflector de aire | ||||
| 30 | 1600591014 | 2.18 | 2.64 | |
| Ya no disponible, sin reemplazo | ||||
| 31 | 1601290007 | |||
| Husillo de rectificado | ||||
| 32 | 1607000D6A | 6.53 | 7.90 | |
| Anillo O | ||||
| 33 | 3600210124 | 2.52 | 3.05 | |
| Arandela de compensación | ||||
| 35 | 1600136013 | 2.18 | 2.64 | |
| Arandela de compensación | ||||
| 35 | 1600136014 | 2.18 | 2.64 | |
| Arandela de compensación | ||||
| 35 | 1600136015 | 2.18 | 2.64 | |
| Sello de labio del eje rotatorio | ||||
| 37 | 1600290016 | 2.18 | 2.64 | |
| Anillo de bloqueo | ||||
| 40 | 1600119011 | 1.90 | 2.30 | |
| Manga de aguja AGC 18 | ||||
| 41 | 1600910018 | 4.58 | 5.54 | |
| Tuerca hexagonal | ||||
| 45 | 1603300016 | 1.32 | 1.60 | |
| Tornillo de placa | ||||
| 47 | 2912401018 | 1.00 | 1.21 | |
| Tornillo para roscar M6x25 MM | ||||
| 49 | 1603435026 | 1.90 | 2.30 | |
| Tornillo de placa | ||||
| 50 | 2912401420 | 1.00 | 1.21 | |
| Ya no disponible, sin reemplazo | ||||
| 51 | 1607233110 | |||
| Tornillo de engrase AW 10 3x25 | ||||
| 55 | 1603415005 | 0.83 | 1.00 | |
| Disco de cobertura | ||||
| 80 | 1619P09390 | 1.90 | 2.30 | |
| Anillo O | ||||
| 104 | 1600210044 | 1.00 | 1.21 | |
| Placa aislante | ||||
| 105 | 1601008005 | 4.58 | 5.54 | |
| Carcasa del motor | ||||
| 301/1 | 1605108209 | 9.47 | 11.46 | |
| PORTACEPILLO | ||||
| 301/16 | 1601323023 | 3.04 | 3.68 | |
| Capucha de trinquete | ||||
| 301/18 | F016F05700 | 1.00 | 1.21 | |
| Resorte de compresión | ||||
| 301/19 | 1604611026 | 1.00 | 1.21 | |
| Deslizador de ajuste | ||||
| 301/20 | 1602319011 | 1.32 | 1.60 | |
| Tornillo de placa | ||||
| 301/48 | 2912401005 | 1.00 | 1.21 | |
| Anillo O | ||||
| 650/50/20 | 1600210039 | 1.90 | 2.30 | |
| Ya no disponible, sin reemplazo | ||||
| 700 | 2607001188 | |||
| No hay información disponible, no se puede pedir | ||||
| 700/10 | 2605510101 | |||
| Ya no disponible, sin reemplazo | ||||
| 700/20 | 1608135004 | |||
| Tornillo de cabeza redonda DIN 603-M 5x16 | ||||
| 700/20/30 | 2910281158 | 1.18 | 1.43 | |
| Tuerca de mariposa M 5 DIN 315-G-5 | ||||
| 700/20/40 | 2915191105 | 2.71 | 3.28 | |
| Resorte de compresión | ||||
| 700/20/50 | 1604643004 | 1.94 | 2.35 | |
| Cubierta Protectora | ||||
| 750/10 | 1600A025XP | 8.48 | 10.26 | |
| No hay información disponible, no se puede pedir | ||||
| 750/20 | 1603340040 | |||
| No hay información disponible, no se puede pedir | ||||
| 750/30 | 1607950043 | |||
| No hay información disponible, no se puede pedir | ||||
| 750/50 | 1605703099 | |||
| No hay información disponible, no se puede pedir | ||||
| 751 | 2605510101 | |||
| SNELSPANMOER | ||||
| 752 | 1603340027 | 45.52 | 55.08 | |
| Brida de bloqueo rápido | ||||
| 752 | 1600A016PP | 41.30 | 49.97 | |
| Ya no disponible, sin reemplazo | ||||
| 753 | 1605438100 | |||
| Ya no disponible, sin reemplazo | ||||
| 767 | 2605510107 | |||
| Ya no disponible, sin reemplazo | ||||
| 767/703 | 2605730036 | |||
| Armazón | ||||
| 803 | 1604010650 | 91.33 | 110.51 | |
| Cable de alimentación | ||||
| 805 | 1607000386 | 17.60 | 21.30 | |
| Placa de identificación | ||||
| 808 | 160111A3H3 | 2.18 | 2.64 | |
| KIT DE SERVICIO 115V | ||||
| 810 | 1607014176 | 11.02 | 13.33 | |
| Caja de engranajes | ||||
| 821 | 1605806451 | 37.50 | 45.38 | |
| Botón | ||||
| 821/010 | 1607000253 | 1.90 | 2.30 | |
| Cubierta del cojinete RTS 400 REQ | ||||
| 828 | 1605805079 | 15.61 | 18.89 | |
| Unidad de Engranajes | ||||
| 838 | 1607000D4Y | 13.90 | 16.82 | |