Aquí encontrará todas las piezas y dibujos técnicos disponibles de 'Bosch 0603257903 ( PWS1600 )'. Desde aquí podrá pedir todas las piezas deseadas directamente. Para muchas piezas de repuesto, es necesario pasar un pedido al fabricante. Dependiendo de la marca, el plazo de entrega puede variar entre una y cuatro semanas. Toda la información que tenemos está en nuestro sitio web. No podremos aconsejarle sobre lo que necesita hasta que entregue la máquina para su reparación. Tenga en cuenta lo siguiente a la hora de cursar su pedido:
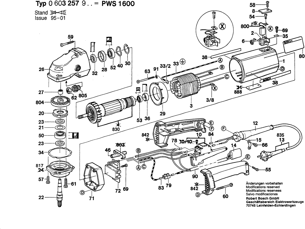
Dibujo técnico de los/las Bosch 0603257903 ( PWS1600 )
Lista de las piezas de repuesto de Bosch 0603257903 ( PWS1600 )
| Pos. | Descripción | Precio con el IVA excluido | Precio con el IVA incluido | |
| Los precios mostrados incluyen el IVA | ||||
| Ya no disponible, sin reemplazo | ||||
| 1 | 1605108121 | |||
| PORTACEPILLO | ||||
| 2 | 1604336008 | 17.60 | 21.30 | |
| Campo 220V | ||||
| 3 | 1604220215 | 49.56 | 59.97 | |
| Terminal de cable | ||||
| 3/8 | 1901350003 | 1.00 | 1.21 | |
| Muelle en espiral AGC 18 | ||||
| 6 | 1604652015 | 2.52 | 3.05 | |
| Ya no disponible, sin reemplazo | ||||
| 8 | 1605500109 | |||
| Ya no disponible, sin reemplazo | ||||
| 10 | 1607200084 | |||
| OJAL | ||||
| 12 | 3600703011 | 2.52 | 3.05 | |
| Filtro de interferencias TURBO II R1 ET-BG | ||||
| 14 | 1607328034 | 3.71 | 4.49 | |
| Abrazadera de sujeción | ||||
| 15 | 1601302014 | 2.18 | 2.64 | |
| Cubierta del cojinete RTS 400 REQ | ||||
| 20 | 1605808054 | 2.24 | 2.71 | |
| Disco de cobertura | ||||
| 21 | 1600102012 | 1.18 | 1.43 | |
| Ya no disponible, sin reemplazo | ||||
| 22 | 1603523090 | |||
| Disco de sellado | ||||
| 23 | 1600108055 | 1.00 | 1.21 | |
| Caja de engranajes | ||||
| 26 | 1605806403 | 23.75 | 28.74 | |
| Manga de aguja AGC 18 | ||||
| 27 | 2600910001 | 3.71 | 4.49 | |
| Anillo de goma 7 MM ANCHO | ||||
| 28 | 1600206020 | 1.32 | 1.60 | |
| Anillo deflector de aire | ||||
| 29 | 1600502017 | 1.18 | 1.43 | |
| Anillo de bloqueo | ||||
| 30 | 2916660017 | 3.71 | 4.49 | |
| Sello de labio del eje rotatorio | ||||
| 32 | 1600290013 | 2.18 | 2.64 | |
| Lámina compensadora 0,1 MM DE ESPESOR | ||||
| 34 | 1600190004 | 1.18 | 1.43 | |
| Arandela de compensación 0,2 MM DE ESPESOR | ||||
| 34 | 1600190005 | 0.83 | 1.00 | |
| Arandela De Pestaña | ||||
| 35 | 1601030022 | 1.32 | 1.60 | |
| Anillo de goma | ||||
| 36 | 1600206015 | 1.90 | 2.30 | |
| Placa del fabricante GBH 2000 | ||||
| 38 | 1601110003 | 1.18 | 1.43 | |
| Arandela de Resorte Ø27,5x38,4 MM | ||||
| 40 | 1600150007 | 1.32 | 1.60 | |
| Ya no disponible, sin reemplazo | ||||
| 50 | 1900905227 | |||
| Rodamiento de bolas en ranura 10x35x11 | ||||
| 52 | 1600905025 | 9.53 | 11.53 | |
| Rodamiento de bolas en ranura 10x26x8 | ||||
| 53 | 1900900407 | 26.84 | 32.48 | |
| RODAMIENTO DE BOLAS OSC 18 | ||||
| 53 | 1600900029 | 6.54 | 7.91 | |
| Tornillo de cabeza cilíndrica | ||||
| 54 | 2910021118 | 1.00 | 1.21 | |
| Tornillo de placa | ||||
| 55 | 2910211021 | 1.32 | 1.60 | |
| Ya no disponible, sin reemplazo | ||||
| 57 | 2910011157 | |||
| Tornillo para Chapa DIN 7971-B 3,9x19 | ||||
| 58 | 2910211220 | 1.18 | 1.43 | |
| Tornillo de placa | ||||
| 59 | 1613435009 | 1.32 | 1.60 | |
| Tornillo de placa | ||||
| 60 | 1613435009 | 1.32 | 1.60 | |
| Tornillo de cabeza cilíndrica | ||||
| 61 | 2910011162 | 1.00 | 1.21 | |
| Tuerca hexagonal | ||||
| 62 | 1603300018 | 0.83 | 1.00 | |
| Tornillo autotapón B4,8x90 MM | ||||
| 63 | 1603435006 | 1.18 | 1.43 | |
| Tornillo de placa | ||||
| 69 | 2910211011 | 1.00 | 1.21 | |
| Brida Intermedia | ||||
| 71 | 1605700020 | 4.70 | 5.69 | |
| Resistor de hilo | ||||
| 72 | 1604503007 | 23.75 | 28.74 | |
| Codo final | ||||
| 78 | 1600452001 | 1.18 | 1.43 | |
| Placa de Referencia | ||||
| 80 | 1601110180 | 0.83 | 1.00 | |
| Codo final | ||||
| 84 | 1900452003 | 2.18 | 2.64 | |
| Mango auxiliar M10 | ||||
| 650/10 | 160202509Z | 13.90 | 16.82 | |
| Mango auxiliar M10 | ||||
| 650/10 | 16020250A1 | 12.21 | 14.77 | |
| Ya no disponible, sin reemplazo | ||||
| 650/20 | 2607950511 | |||
| Llave de cara de tipo pin | ||||
| 650/30 | F000632033 | 2.18 | 2.64 | |
| Brida de sujeción | ||||
| 650/40 | 2600501006 | 15.61 | 18.89 | |
| Tuerca redonda | ||||
| 650/50 | 2603345004 | 5.96 | 7.21 | |
| Destornillador Desplazado | ||||
| 650/60 | 1907950007 | 4.58 | 5.54 | |
| Ya no disponible, sin reemplazo | ||||
| 652 | 2605510083 | |||
| Ya no disponible, sin reemplazo | ||||
| 652/20 | 2910141240 | |||
| KIT DE SERVICIO 115V | ||||
| 800 | 1607014103 | 12.21 | 14.77 | |
| Engranaje de corona Z=59 | ||||
| 804 | 1606333200 | 49.56 | 59.97 | |
| Engranaje Cónico Z=14, Ø 10 MM | ||||
| 805 | 1606333218 | 18.19 | 22.01 | |
| Ensamble de piezas de servicio | ||||
| 817 | 1607000229 | 12.41 | 15.02 | |
| Armazón 220V | ||||
| 830 | 1604011130 | 148.65 | 179.87 | |
| Cable de alimentación | ||||
| 835 | 1607000228 | 22.88 | 27.68 | |
| Ya no disponible, sin reemplazo | ||||
| 842 | 1607000186 | |||
| Placa de identificación | ||||
| 888 | 160111A3H3 | 2.18 | 2.64 | |