Aquí encontrará todas las piezas y dibujos técnicos disponibles de 'Bosch 0603249160 ( PWS20-230 )'. Desde aquí podrá pedir todas las piezas deseadas directamente. Para muchas piezas de repuesto, es necesario pasar un pedido al fabricante. Dependiendo de la marca, el plazo de entrega puede variar entre una y cuatro semanas. Toda la información que tenemos está en nuestro sitio web. No podremos aconsejarle sobre lo que necesita hasta que entregue la máquina para su reparación. Tenga en cuenta lo siguiente a la hora de cursar su pedido:
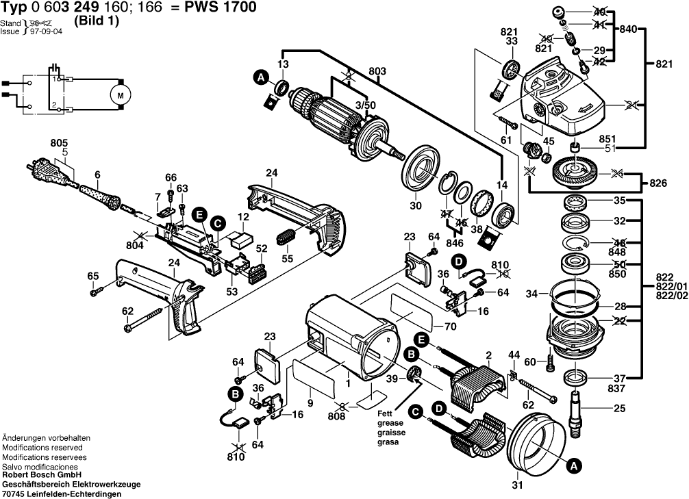
Dibujo técnico de los/las Bosch 0603249160 ( PWS20-230 )
Lista de las piezas de repuesto de Bosch 0603249160 ( PWS20-230 )
| Pos. | Descripción | Precio con el IVA excluido | Precio con el IVA incluido | |
| Los precios mostrados incluyen el IVA | ||||
| Caja del Motor VERDE | ||||
| 1 | 1605108146 | 13.93 | 16.86 | |
| Campo 230V | ||||
| 2 | 1604220380 | 33.33 | 40.33 | |
| Ventilador Sunon PMD2412PMB1-A | ||||
| 3/50 | 1606610127 | 2.52 | 3.05 | |
| OJAL | ||||
| 6 | 1600703023 | 2.18 | 2.64 | |
| Abrazadera de sujeción | ||||
| 7 | 1601302018 | 1.32 | 1.60 | |
| Placa del fabricante GBH 2000 | ||||
| 9 | 1601118566 | 2.71 | 3.28 | |
| Filtro de interferencias TURBO II R1 ET-BG | ||||
| 12 | 1607328035 | 3.71 | 4.49 | |
| RODAMIENTO DE BOLAS OSC 18 | ||||
| 13 | 1600905011 | 5.27 | 6.38 | |
| Rodamiento de bolas en ranura 10x35x11 | ||||
| 14 | 1600905025 | 9.53 | 11.53 | |
| PORTACEPILLO | ||||
| 16 | 1604336021 | 2.52 | 3.05 | |
| Tapa de sellado VERDE | ||||
| 23 | 1605500151 | 1.18 | 1.43 | |
| Manija VERDE | ||||
| 24 | 1605132118 | 7.58 | 9.17 | |
| Husillo de rectificado | ||||
| 25 | 1603523100 | 12.21 | 14.77 | |
| Anillo O | ||||
| 28 | 1600210033 | 1.32 | 1.60 | |
| Anillo O | ||||
| 29 | 1600210034 | 1.32 | 1.60 | |
| Anillo deflector de aire | ||||
| 30 | 1600591010 | 1.90 | 2.30 | |
| Anillo deflector de aire | ||||
| 31 | 1600591011 | 1.32 | 1.60 | |
| Anillo de bloqueo | ||||
| 32 | 1600290019 | 1.32 | 1.60 | |
| Sello de labio del eje rotatorio | ||||
| 33 | 1600290013 | 2.18 | 2.64 | |
| Sello de labio del eje rotatorio | ||||
| 33 | 1600290064 | 1.90 | 2.30 | |
| Arandela de compensación | ||||
| 34 | 1600190021 | 2.18 | 2.64 | |
| Arandela de compensación | ||||
| 34 | 1600190022 | 1.32 | 1.60 | |
| Arandela de compensación | ||||
| 34 | 1600190020 | 1.32 | 1.60 | |
| Arandela de fieltro D 20/14 2mm | ||||
| 35 | 1600205034 | 1.32 | 1.60 | |
| Muelle en espiral AGC 18 | ||||
| 36 | 1604652015 | 2.52 | 3.05 | |
| Anillo de sellado | ||||
| 37 | 1600290036 | 1.90 | 2.30 | |
| Anillo de goma 7 MM ANCHO | ||||
| 38 | 1600206020 | 1.32 | 1.60 | |
| Anillo de goma 10 MM ANCHO | ||||
| 39 | 1600206030 | 1.32 | 1.60 | |
| Ángulo de retención TURBO II | ||||
| 44 | 1601334008 | 2.18 | 2.64 | |
| Tuerca hexagonal | ||||
| 45 | 1603300019 | 1.32 | 1.60 | |
| COJINETE DE MANGA | ||||
| 51 | 1600200031 | 2.52 | 3.05 | |
| Enrutamiento de cables | ||||
| 52 | 1602388027 | 2.18 | 2.64 | |
| Caja del Enchufe | ||||
| 53 | 1605190038 | 1.32 | 1.60 | |
| Estante de almacenamiento VERDE | ||||
| 55 | 1602388028 | 1.18 | 1.43 | |
| Tornillo para roscar M6x25 MM | ||||
| 60 | 1603435023 | 1.90 | 2.30 | |
| Tornillo de placa | ||||
| 61 | 2912401038 | 1.00 | 1.21 | |
| Tornillo de placa | ||||
| 62 | 1603435024 | 1.32 | 1.60 | |
| Tornillo de cabeza cilíndrica | ||||
| 63 | 1603410014 | 1.32 | 1.60 | |
| Tornillo para chapa B4,8x107,5 MM | ||||
| 64 | 1603435042 | 1.32 | 1.60 | |
| Tornillo de placa | ||||
| 65 | 2912401020 | 1.90 | 2.30 | |
| Tornillo de placa | ||||
| 66 | 2910211019 | 1.00 | 1.21 | |
| Ya no disponible, sin reemplazo | ||||
| 70 | 1601110984 | |||
| Anillo O | ||||
| 650/30/20 | 1600210039 | 1.90 | 2.30 | |
| Juego de piezas Ø230 MM | ||||
| 700 | 1607000251 | 0.83 | 1.00 | |
| Ya no disponible, sin reemplazo | ||||
| 700/10 | 1605510223 | |||
| Ya no disponible, sin reemplazo | ||||
| 700/20 | 1608135003 | |||
| Tornillo de Cabeza Redonda DIN 603-M 8x25 | ||||
| 700/20/30 | 2910281244 | 1.18 | 1.43 | |
| BOTÓN | ||||
| 700/20/40 | 2915191007 | 3.04 | 3.68 | |
| Arandela plana | ||||
| 700/20/50 | 2600100041 | 1.32 | 1.60 | |
| Resorte de compresión | ||||
| 700/20/60 | 1604643003 | 5.96 | 7.21 | |
| Ya no disponible, sin reemplazo | ||||
| 701 | 1608135003 | |||
| No hay información disponible, no se puede pedir | ||||
| 702 | 1605510180 | |||
| No hay información disponible, no se puede pedir | ||||
| 703 | 1607000247 | |||
| Tornillo hexagonal | ||||
| 703/20 | 2603450007 | 5.27 | 6.38 | |
| Ya no disponible, sin reemplazo | ||||
| 704 | 1605510181 | |||
| Ya no disponible, sin reemplazo | ||||
| 730 | 1608601007 | |||
| No hay información disponible, no se puede pedir | ||||
| 730/20 | 1603345004 | |||
| Arandela plana | ||||
| 730/30 | 2916011022 | 1.32 | 1.60 | |
| No hay información disponible, no se puede pedir | ||||
| 740 | 1601329013 | |||
| No hay información disponible, no se puede pedir | ||||
| 750/10 | 2602025075 | |||
| No hay información disponible, no se puede pedir | ||||
| 750/20 | 1607950048 | |||
| No hay información disponible, no se puede pedir | ||||
| 750/30 | 1605703099 | |||
| No hay información disponible, no se puede pedir | ||||
| 750/40 | 1603340040 | |||
| Ya no disponible, sin reemplazo | ||||
| 751/5 | 1605510223 | |||
| SNELSPANMOER | ||||
| 752 | 1603340027 | 45.52 | 55.08 | |
| Brida de bloqueo rápido | ||||
| 752 | 1600A016PP | 41.30 | 49.97 | |
| No hay información disponible, no se puede pedir | ||||
| 763 | 1600793007 | |||
| No hay información disponible, no se puede pedir | ||||
| 764 | 1607950004 | |||
| Armazón | ||||
| 803 | 1604011252 | 61.93 | 74.94 | |
| Interruptor | ||||
| 804 | 1607200103 | 26.62 | 32.21 | |
| Cable de alimentación | ||||
| 805 | 1607000228 | 22.88 | 27.68 | |
| Placa de identificación | ||||
| 808 | 160111A3H3 | 2.18 | 2.64 | |
| KIT DE SERVICIO 115V | ||||
| 810 | 1607014171 | 12.21 | 14.77 | |
| Ya no disponible, sin reemplazo | ||||
| 821 | 1607000930 | |||
| Ya no disponible, sin reemplazo | ||||
| 822 | 1607000985 | |||
| Ya no disponible, sin reemplazo | ||||
| 822/01 | 1607000932 | |||
| Cubierta del cojinete RTS 400 REQ | ||||
| 822/02 | 1607000922 | 26.62 | 32.21 | |
| Ensamble de piezas de servicio | ||||
| 826 | 1600A005BH | 45.52 | 55.08 | |
| Anillo de sellado | ||||
| 837 | 1600290020 | 1.32 | 1.60 | |
| Botón | ||||
| 840 | 1607000206 | 9.47 | 11.46 | |
| Arandela de retención 1,8 MM DE ESPESOR | ||||
| 846 | 1607000C3E | 10.68 | 12.92 | |
| Anillo de bloqueo | ||||
| 848 | 1600119010 | 1.32 | 1.60 | |
| RODAMIENTO DE BOLAS OSC 18 | ||||
| 850 | 3600905134 | 9.47 | 11.46 | |
| Manga de aguja AGC 18 | ||||
| 851 | 2600910001 | 3.71 | 4.49 | |