Aquí encontrará todas las piezas y dibujos técnicos disponibles de 'Bosch 0603400108 ( PWS550 )'. Desde aquí podrá pedir todas las piezas deseadas directamente. Para muchas piezas de repuesto, es necesario pasar un pedido al fabricante. Dependiendo de la marca, el plazo de entrega puede variar entre una y cuatro semanas. Toda la información que tenemos está en nuestro sitio web. No podremos aconsejarle sobre lo que necesita hasta que entregue la máquina para su reparación. Tenga en cuenta lo siguiente a la hora de cursar su pedido:
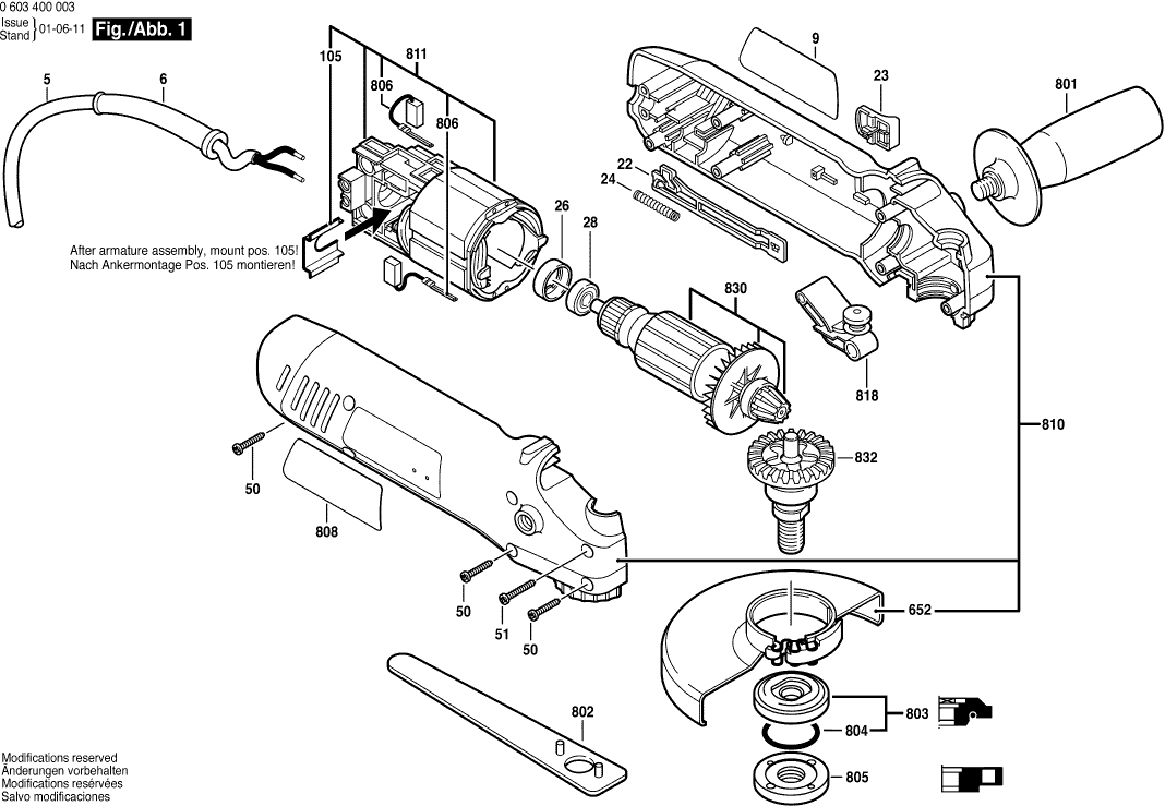
Dibujo técnico de los/las Bosch 0603400108 ( PWS550 )
Lista de las piezas de repuesto de Bosch 0603400108 ( PWS550 )
| Pos. | Descripción | Precio con el IVA excluido | Precio con el IVA incluido | |
| Los precios mostrados incluyen el IVA | ||||
| Cable de alimentación | ||||
| 5 | 1607000387 | 9.47 | 11.46 | |
| OJAL | ||||
| 6 | 2600703012 | 2.52 | 3.05 | |
| Placa del fabricante GBH 2000 | ||||
| 9 | 1601118E65 | 2.71 | 3.28 | |
| Ya no disponible, sin reemplazo | ||||
| 22 | 1602319014 | |||
| Manija Del Interruptor | ||||
| 23 | 1602026077 | 1.32 | 1.60 | |
| Resorte de compresión | ||||
| 24 | 1604611026 | 1.00 | 1.21 | |
| Casquillo de goma | ||||
| 26 | 1600502020 | 2.18 | 2.64 | |
| Ya no disponible, sin reemplazo | ||||
| 28 | 1600905021 | |||
| Tornillo Torx con cabeza ovalada 4x30 | ||||
| 50 | 1619P00105 | 1.32 | 1.60 | |
| TORNILLO M4X35 | ||||
| 51 | 1619P00106 | 1.00 | 1.21 | |
| Placa Intermedia | ||||
| 105 | 1600591034 | 1.94 | 2.35 | |
| Guarda Protectora | ||||
| 652 | 2609000390 | 11.02 | 13.33 | |
| Cubierta Protectora | ||||
| 801 | 1600A025XP | 8.48 | 10.26 | |
| Llave de cara de tipo pin | ||||
| 802 | 1619P08927 | 3.71 | 4.49 | |
| Brida de sujeción | ||||
| 803 | 2605703014 | 4.58 | 5.54 | |
| Anillo O | ||||
| 804 | 1600210039 | 1.90 | 2.30 | |
| Tuerca redonda | ||||
| 805 | 1603345043 | 7.32 | 8.86 | |
| Ya no disponible, sin reemplazo | ||||
| 806 | 1607000994 | |||
| Placa de identificación | ||||
| 808 | 1619P00520 | 2.71 | 3.28 | |
| Conjunto de carcasa TID 18 ET-BG | ||||
| 810 | 1607000371 | 20.42 | 24.71 | |
| Campo 230V | ||||
| 811 | 1607000723 | 30.08 | 36.40 | |
| Ya no disponible, sin reemplazo | ||||
| 818 | 1607000993 | |||
| Ya no disponible, sin reemplazo | ||||
| 830 | 1607000990 | |||
| Ya no disponible, sin reemplazo | ||||
| 832 | 1607000992 | |||