Aquí encontrará todas las piezas y dibujos técnicos disponibles de 'Bosch 3600H81601 ( ROTAK34LI(ERGOFLRX) )'. Desde aquí podrá pedir todas las piezas deseadas directamente. Para muchas piezas de repuesto, es necesario pasar un pedido al fabricante. Dependiendo de la marca, el plazo de entrega puede variar entre una y cuatro semanas. Toda la información que tenemos está en nuestro sitio web. No podremos aconsejarle sobre lo que necesita hasta que entregue la máquina para su reparación. Tenga en cuenta lo siguiente a la hora de cursar su pedido:
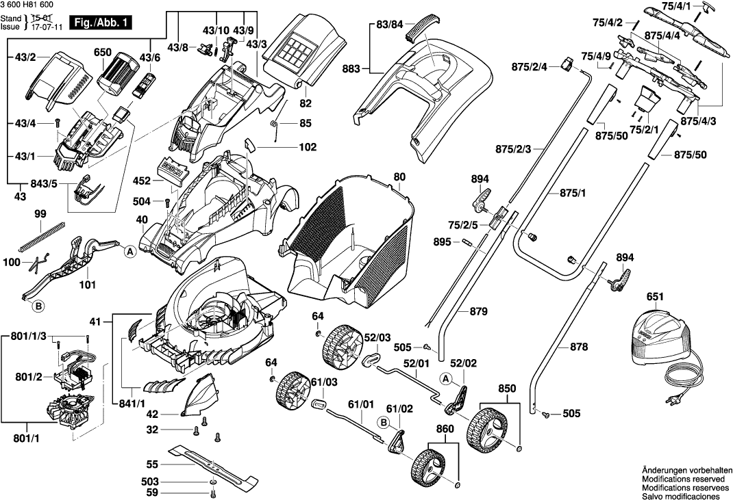
Dibujo técnico de los/las Bosch 3600H81601 ( ROTAK34LI(ERGOFLRX) )
Lista de las piezas de repuesto de Bosch 3600H81601 ( ROTAK34LI(ERGOFLRX) )
| Pos. | Descripción | Precio con el IVA excluido | Precio con el IVA incluido | |
| Los precios mostrados incluyen el IVA | ||||
| TORNILLO M4X35 | ||||
| 32 | F016L66162 | 1.00 | 1.21 | |
| Cubierta del cortacésped | ||||
| 40 | F016L66158 | 33.33 | 40.33 | |
| Caja de carcasa DUO 110 - Conjunto | ||||
| 41 | F016L66002 | 30.08 | 36.40 | |
| Panel de Cubierta | ||||
| 42 | F016L66038 | 2.18 | 2.64 | |
| Capó del motor | ||||
| 43 | F016L66461 | 81.47 | 98.58 | |
| Bandeja de batería | ||||
| 43/1 | F016L66460 | 26.62 | 32.21 | |
| Ya no disponible, sin reemplazo | ||||
| 43/10 | F016L66108 | |||
| Ya no disponible, sin reemplazo | ||||
| 43/2 | F016L66663 | |||
| Capó del motor | ||||
| 43/3 | F016L66779 | 15.71 | 19.01 | |
| No hay información disponible, no se puede pedir | ||||
| 43/4 | F016T49429 | |||
| Ya no disponible, sin reemplazo | ||||
| 43/6 | F016L66669 | |||
| Palanca de Liberación | ||||
| 43/8 | F016L66107 | 2.18 | 2.64 | |
| Bloqueo KS 60 E | ||||
| 43/9 | F016L65988 | 1.00 | 1.21 | |
| Ya no disponible, sin reemplazo | ||||
| 52/01 | F016L66465 | |||
| Ya no disponible, sin reemplazo | ||||
| 52/02 | F016L90582 | |||
| Ya no disponible, sin reemplazo | ||||
| 52/03 | F016L90583 | |||
| Ya no disponible, sin reemplazo | ||||
| 55 | F016L66004 | |||
| Tornillo | ||||
| 59 | F016L66141 | 2.18 | 2.64 | |
| BARRA TOMMY | ||||
| 61/01 | F016L66464 | 3.04 | 3.68 | |
| Palanca KA 65 | ||||
| 61/02 | F016L90581 | 5.96 | 7.21 | |
| Espaciador | ||||
| 61/03 | F016L90585 | 1.32 | 1.60 | |
| Capucha de trinquete | ||||
| 64 | F016F05700 | 1.00 | 1.21 | |
| Caja del Conector | ||||
| 75/2/1 | F016L67218 | 4.58 | 5.54 | |
| Guía de cable | ||||
| 75/2/5 | F016104213 | 7.32 | 8.86 | |
| Botón | ||||
| 75/4/1 | F016L67150 | 1.00 | 1.21 | |
| Muelle | ||||
| 75/4/2 | F016L67151 | 1.00 | 1.21 | |
| Fondo de caja del colector | ||||
| 80 | F016L65674 | 41.30 | 49.97 | |
| Solapa De Protección | ||||
| 82 | F016L66137 | 9.47 | 11.46 | |
| Manija TSC 55 | ||||
| 83/84 | F016F05683 | 1.00 | 1.21 | |
| Ya no disponible, sin reemplazo | ||||
| 85 | F016L66165 | |||
| Muelle | ||||
| 99 | F016L59327 | 2.52 | 3.05 | |
| Muelle | ||||
| 100 | F016L65790 | 1.00 | 1.21 | |
| Ya no disponible, sin reemplazo | ||||
| 101 | F016L67260 | |||
| Rodillo de pista de tipo perno | ||||
| 102 | F016L66111 | 2.52 | 3.05 | |
| Logotipo de la compañía | ||||
| 452 | F016L66285 | 2.18 | 2.64 | |
| Arandela de Resorte Ø27,5x38,4 MM | ||||
| 503 | F016L66173 | 1.32 | 1.60 | |
| Ya no disponible, sin reemplazo | ||||
| 505 | F016L65803 | |||
| Paquete de Batería GBA 36V 4,0Ah H-C | ||||
| 650 | 1607A350R2 | 262.05 | 317.08 | |
| Cargador UK | ||||
| 651 | 2607226457 | 166.62 | 201.61 | |
| Motor de corriente continua | ||||
| 801/1 | F016104031 | 234.56 | 283.82 | |
| TORNILLO M4X35 | ||||
| 801/1/3 | F016L66662 | 1.00 | 1.21 | |
| Tornillo de cabeza plana | ||||
| 801/1/3 | F016L69251 | 1.00 | 1.21 | |
| Ensamblaje de Placa Impresa | ||||
| 801/2 | F016104888 | 102.63 | 124.18 | |
| Cubierta | ||||
| 841/1 | F016104315 | 5.96 | 7.21 | |
| Ya no disponible, sin reemplazo | ||||
| 843/5 | F016104244 | |||
| Ya no disponible, sin reemplazo | ||||
| 850 | F016103992 | |||
| Ya no disponible, sin reemplazo | ||||
| 860 | F016103994 | |||
| Manija TSC 55 | ||||
| 875/1 | F016L90608 | 13.90 | 16.82 | |
| Cable de conexión MX 1200/2 E EF | ||||
| 875/2/3 | F016104165 | 10.68 | 12.92 | |
| Kit de interruptor | ||||
| 875/2/4 | F016104163 | 12.21 | 14.77 | |
| Conjunto de carcasa TID 18 ET-BG | ||||
| 875/4/3 | F016104159 | 17.60 | 21.30 | |
| Ya no disponible, sin reemplazo | ||||
| 875/4/4 | F016104160 | |||
| MANGUITO EXCÉNTRICO | ||||
| 875/50 | F016104161 | 5.27 | 6.38 | |
| Ya no disponible, sin reemplazo | ||||
| 878 | F016L67209 | |||
| Ya no disponible, sin reemplazo | ||||
| 879 | F016L67210 | |||
| CUBIERTA | ||||
| 883 | F016103608 | 26.62 | 32.21 | |
| Palanca de sujeción | ||||
| 894 | F016L67530 | 9.47 | 11.46 | |
| Clip de cable | ||||
| 895 | F016L66895 | 1.00 | 1.21 | |