Aquí encontrará todas las piezas y dibujos técnicos disponibles de 'Bosch 0611210503 ( UBH2/20RLE )'. Desde aquí podrá pedir todas las piezas deseadas directamente. Para muchas piezas de repuesto, es necesario pasar un pedido al fabricante. Dependiendo de la marca, el plazo de entrega puede variar entre una y cuatro semanas. Toda la información que tenemos está en nuestro sitio web. No podremos aconsejarle sobre lo que necesita hasta que entregue la máquina para su reparación. Tenga en cuenta lo siguiente a la hora de cursar su pedido:
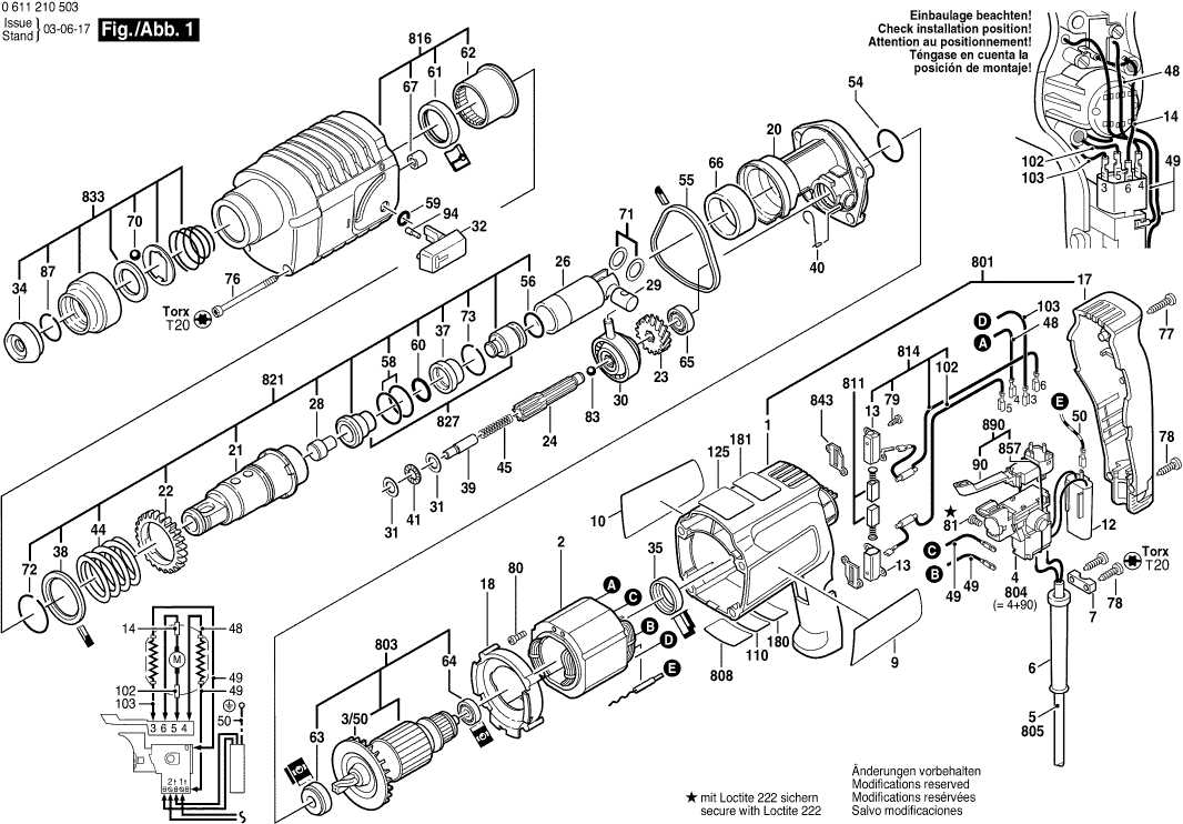
Dibujo técnico de los/las Bosch 0611210503 ( UBH2/20RLE )
Lista de las piezas de repuesto de Bosch 0611210503 ( UBH2/20RLE )
| Pos. | Descripción | Precio con el IVA excluido | Precio con el IVA incluido | |
| Los precios mostrados incluyen el IVA | ||||
| Campo 230V | ||||
| 2 | 2604220429 | 22.88 | 27.68 | |
| Ventilador Sunon PMD2412PMB1-A | ||||
| 3/50 | 1616610072 | 1.90 | 2.30 | |
| Ya no disponible, sin reemplazo | ||||
| 4 | 2607200209 | |||
| OJAL | ||||
| 6 | 2600703011 | 2.52 | 3.05 | |
| Clip de cable | ||||
| 7 | 1611035005 | 1.90 | 2.30 | |
| Placa del fabricante GBH 2000 | ||||
| 9 | 1611110416 | 2.24 | 2.71 | |
| Placa de Referencia | ||||
| 10 | 1611110417 | 1.70 | 2.06 | |
| Filtro de interferencias TURBO II R1 ET-BG | ||||
| 12 | 2607329096 | 6.53 | 7.90 | |
| Ya no disponible, sin reemplazo | ||||
| 17 | 1615132031 | |||
| Anillo deflector de aire | ||||
| 18 | 1610522008 | 1.00 | 1.21 | |
| Brida Intermedia | ||||
| 20 | 1615700037 | 41.30 | 49.97 | |
| Manga de trinquete | ||||
| 21 | 1616490058 | 234.56 | 283.82 | |
| Engranaje Cilíndrico | ||||
| 22 | 1616320007 | 6.53 | 7.90 | |
| Ya no disponible, sin reemplazo | ||||
| 23 | 1616320006 | |||
| Eje Dentado | ||||
| 24 | 1613060010 | 55.56 | 67.23 | |
| Pistón del martillo | ||||
| 26 | 1618700052 | 11.02 | 13.33 | |
| Pasador de golpe | ||||
| 28 | 1613124026 | 2.52 | 3.05 | |
| Pasador del pistón | ||||
| 29 | 1613105012 | 3.04 | 3.68 | |
| Rodamiento de Transmisión En Dibujo Pos.830 | ||||
| 30 | 1615819005 | 30.08 | 36.40 | |
| Disco de soporte | ||||
| 31 | 1610100003 | 1.32 | 1.60 | |
| Manija de Abrazadera | ||||
| 32 | 1612026023 | 2.18 | 2.64 | |
| Tapa protectora | ||||
| 34 | 1610508008 | 1.90 | 2.30 | |
| Anillo de goma 10 MM ANCHO | ||||
| 35 | 1610206021 | 1.32 | 1.60 | |
| Casquillo de amortiguación | ||||
| 37 | 1610390011 | 3.04 | 3.68 | |
| Disco de soporte | ||||
| 38 | 1610102022 | 1.90 | 2.30 | |
| Pasador Cilíndrico | ||||
| 39 | 1613100013 | 1.90 | 2.30 | |
| MUELLE DE RETENCIÓN OSC 18 | ||||
| 40 | 1614690001 | 1.00 | 1.21 | |
| Ensamblaje de jaula de rodillos | ||||
| 41 | 1610920003 | 3.71 | 4.49 | |
| Resorte de compresión | ||||
| 44 | 1614633001 | 1.90 | 2.30 | |
| Resorte de compresión | ||||
| 45 | 1614614001 | 1.00 | 1.21 | |
| Cable de conexión L=90 MM BLANCO | ||||
| 48 | 1614431023 | 1.70 | 2.06 | |
| Cable Eléctrico | ||||
| 49 | 2604448005 | 1.32 | 1.60 | |
| Cable Eléctrico | ||||
| 50 | 2604448003 | 1.70 | 2.06 | |
| Anillo O | ||||
| 54 | 1610210068 | 1.32 | 1.60 | |
| Anillo de sellado | ||||
| 55 | 1610206023 | 2.52 | 3.05 | |
| Anillo O | ||||
| 56 | 1610210070 | 2.18 | 2.64 | |
| Anillo O | ||||
| 58 | 1610210058 | 2.18 | 2.64 | |
| Anillo O | ||||
| 59 | 1610210069 | 1.00 | 1.21 | |
| Anillo O | ||||
| 60 | 1610210073 | 1.90 | 2.30 | |
| Sello de labio del eje rotatorio | ||||
| 61 | 1610283017 | 6.53 | 7.90 | |
| COJINETE DE MANGA | ||||
| 62 | 1610202026 | 4.58 | 5.54 | |
| RODAMIENTO DE BOLAS OSC 18 | ||||
| 63 | 1610905048 | 7.32 | 8.86 | |
| RODAMIENTO DE BOLAS OSC 18 | ||||
| 64 | 2600905032 | 4.58 | 5.54 | |
| Ya no disponible, sin reemplazo | ||||
| 65 | 1900900228 | |||
| Manga de aguja AGC 18 | ||||
| 66 | 1610910063 | 5.27 | 6.38 | |
| Ya no disponible, sin reemplazo | ||||
| 67 | 1610910064 | |||
| Ensamblaje de jaula de rodillos | ||||
| 68 | 1610920004 | 1.90 | 2.30 | |
| Ya no disponible, sin reemplazo | ||||
| 69 | 1610102618 | |||
| Pelota | ||||
| 70 | 1903230013 | 1.90 | 2.30 | |
| Arandela de ajuste 0,4 MM DE ESPESOR | ||||
| 71 | 1610101011 | 1.32 | 1.60 | |
| Anillo de retención | ||||
| 72 | 2916540018 | 3.04 | 3.68 | |
| Anillo de retención | ||||
| 73 | 1614601009 | 1.00 | 1.21 | |
| Tornillo de placa | ||||
| 76 | 1613435009 | 1.32 | 1.60 | |
| Tornillo de placa | ||||
| 77 | 2910211021 | 1.32 | 1.60 | |
| Tornillo de placa | ||||
| 78 | 1603435050 | 1.32 | 1.60 | |
| Tornillo de placa | ||||
| 79 | 2910211005 | 1.00 | 1.21 | |
| Bolt de Embrague | ||||
| 80 | 2603435015 | 1.90 | 2.30 | |
| Tornillo de cabeza cilíndrica | ||||
| 81 | 2603410001 | 1.32 | 1.60 | |
| Pelota | ||||
| 83 | 1903230309 | 1.32 | 1.60 | |
| Anillo de retención | ||||
| 87 | 160460102S | 1.00 | 1.21 | |
| Interruptor | ||||
| 90 | 1617200042 | 13.90 | 16.82 | |
| Perno de bloqueo HKC 55 | ||||
| 94 | 1613120017 | 1.32 | 1.60 | |
| Filtro de interferencias TURBO II R1 ET-BG | ||||
| 102 | 2604465097 | 5.27 | 6.38 | |
| Cable de conexión | ||||
| 103 | 1614448017 | 1.90 | 2.30 | |
| Mango auxiliar M10 | ||||
| 120 | 1612025019 | 5.96 | 7.21 | |
| Abrazadera de Soporte | ||||
| 121 | 1618040048 | 7.32 | 8.86 | |
| Tornillo de cabeza de martillo M8x40 MM | ||||
| 122 | 1613490002 | 3.71 | 4.49 | |
| ANILLO DE SUJECIÓN D38X1,75 | ||||
| 123 | 1611316006 | 2.18 | 2.64 | |
| ANILLO DE SUJECIÓN D38X1,75 | ||||
| 123/1 | 1611316003 | 2.18 | 2.64 | |
| Pasador Cilíndrico | ||||
| 124 | 1613100012 | 2.18 | 2.64 | |
| Placa del fabricante INSTRUCCIONES DE TRABAJO | ||||
| 125 | 1611110345 | 2.24 | 2.71 | |
| Ya no disponible, sin reemplazo | ||||
| 691 | 1615438366 | |||
| No hay información disponible, no se puede pedir | ||||
| 700 | 1617000132 | |||
| Tornillo avellanado VN-HK 85 M5x10 | ||||
| 700/20 | 2603421226 | 1.32 | 1.60 | |
| No hay información disponible, no se puede pedir | ||||
| 701 | 1608571062 | |||
| No hay información disponible, no se puede pedir | ||||
| 701/7 | 1607950044 | |||
| Ya no disponible, sin reemplazo | ||||
| 711 | 1617000133 | |||
| Anillo de retención | ||||
| 711/10/2 | 2604601004 | 1.32 | 1.60 | |
| Ya no disponible, sin reemplazo | ||||
| 711/20 | 1608521004 | |||
| Ya no disponible, sin reemplazo | ||||
| 711/30 | 2607000248 | |||
| Ya no disponible, sin reemplazo | ||||
| 711/40 | 1608511020 | |||
| Mango auxiliar M10 | ||||
| 720 | 2602025070 | 12.21 | 14.77 | |
| Juego de piezas | ||||
| 720/8 | 1617000925 | 13.90 | 16.82 | |
| Ya no disponible, sin reemplazo | ||||
| 751 | 1613001010 | |||
| Ya no disponible, sin reemplazo | ||||
| 801 | 1615108045 | |||
| Ya no disponible, sin reemplazo | ||||
| 803 | 1614010039 | |||
| Ya no disponible, sin reemplazo | ||||
| 804 | 1617000915 | |||
| Cable de alimentación | ||||
| 805 | 1607000227 | 22.88 | 27.68 | |
| Placa de identificación | ||||
| 808 | 160111A3H5 | 2.18 | 2.64 | |
| CEPILLO 12X8 M. RESORTE U-CONTACTO | ||||
| 811 | 1617014114 | 8.48 | 10.26 | |
| Juego de piezas | ||||
| 814 | 1617000136 | 15.61 | 18.89 | |
| Caja de engranajes | ||||
| 816 | 1615806077 | 45.52 | 55.08 | |
| Ya no disponible, sin reemplazo | ||||
| 817 | 1615132031 | |||
| Manga de trinquete | ||||
| 821 | 1617000931 | 304.15 | 368.02 | |
| Golpeador | ||||
| 827 | 1617000338 | 26.62 | 32.21 | |
| Funda Protectora | ||||
| 833 | 1617000163 | 6.53 | 7.90 | |
| Ya no disponible, sin reemplazo | ||||
| 843 | 2601015047 | |||
| Anillo O | ||||
| 857 | 1610210084 | 1.32 | 1.60 | |
| Manga de aguja AGC 18 | ||||
| 866 | 1610910063 | 5.27 | 6.38 | |
| Juego de Modificación 110-240V | ||||
| 890 | 1617000134 | 91.56 | 110.79 | |