Aquí encontrará todas las piezas y dibujos técnicos disponibles de 'Bosch 0601300014 ( USW(J)77 )'. Desde aquí podrá pedir todas las piezas deseadas directamente. Para muchas piezas de repuesto, es necesario pasar un pedido al fabricante. Dependiendo de la marca, el plazo de entrega puede variar entre una y cuatro semanas. Toda la información que tenemos está en nuestro sitio web. No podremos aconsejarle sobre lo que necesita hasta que entregue la máquina para su reparación. Tenga en cuenta lo siguiente a la hora de cursar su pedido:
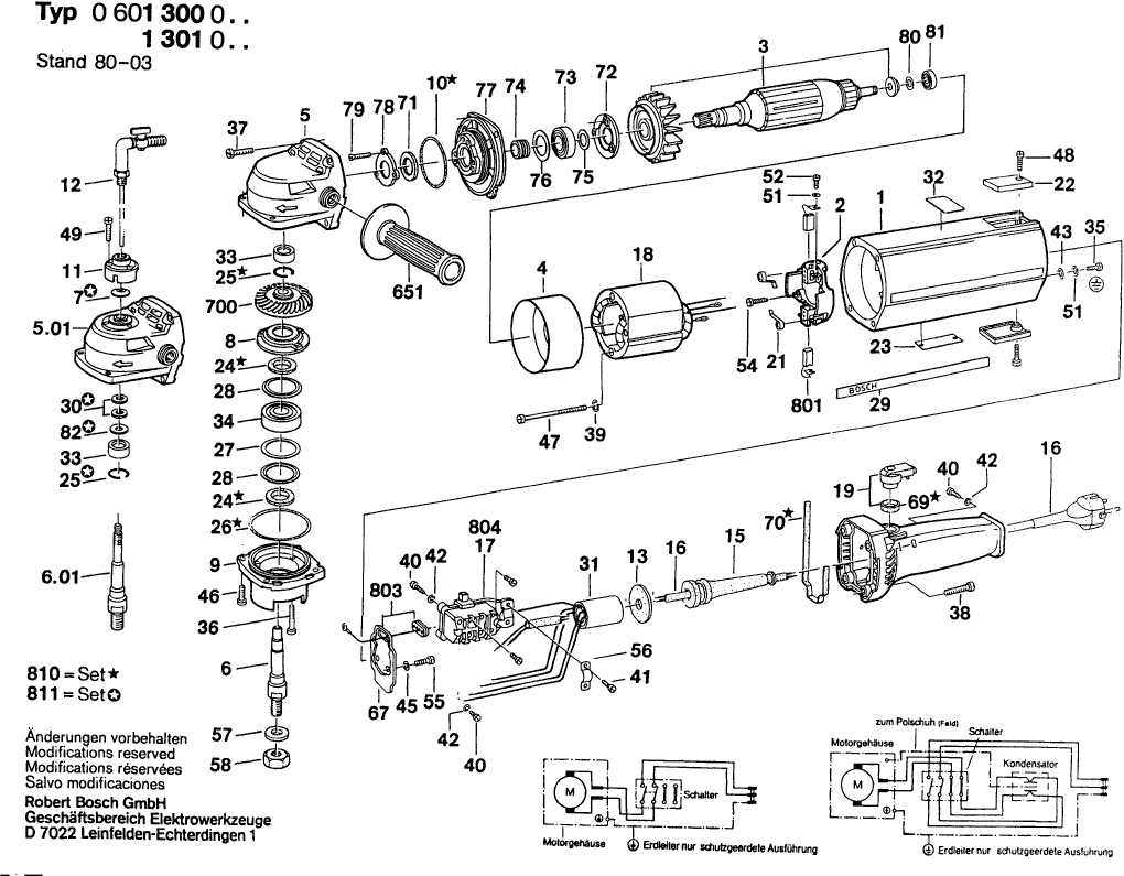
Dibujo técnico de los/las Bosch 0601300014 ( USW(J)77 )
Lista de las piezas de repuesto de Bosch 0601300014 ( USW(J)77 )
| Pos. | Descripción | Precio con el IVA excluido | Precio con el IVA incluido | |
| Los precios mostrados incluyen el IVA | ||||
| Ya no disponible, sin reemplazo | ||||
| 1 | 1605108042 | |||
| PORTACEPILLO | ||||
| 2 | 1604336006 | 15.71 | 19.01 | |
| Ya no disponible, sin reemplazo | ||||
| 3 | 1604010037 | |||
| Anillo deflector de aire | ||||
| 4 | 1600209002 | 4.58 | 5.54 | |
| Caja de engranajes | ||||
| 5 | 3605806104 | 130.32 | 157.69 | |
| Husillo de rectificado | ||||
| 6 | 1603523032 | 37.50 | 45.38 | |
| No hay información disponible, no se puede pedir | ||||
| 6/01 | 1603523091 | |||
| Arandela cóncava | ||||
| 7 | 1600109002 | 1.18 | 1.43 | |
| Arandela de resorte | ||||
| 8 | 1600521013 | 7.58 | 9.17 | |
| Cubierta del cojinete RTS 400 REQ | ||||
| 9 | 3607030375 | 210.30 | 254.46 | |
| Anillo O | ||||
| 10 | 1900210146 | 3.71 | 4.49 | |
| Brida de Conexión | ||||
| 11 | 1600328012 | 0.83 | 1.00 | |
| Grifo de cierre | ||||
| 12 | 1607415002 | 44.82 | 54.23 | |
| Disco de sellado | ||||
| 13 | 1600113002 | 1.32 | 1.60 | |
| Manija TSC 55 | ||||
| 14 | 3605132048 | 67.98 | 82.26 | |
| OJAL | ||||
| 15 | 3600703011 | 2.52 | 3.05 | |
| Cable de alimentación | ||||
| 16 | 1607000228 | 22.88 | 27.68 | |
| Ya no disponible, sin reemplazo | ||||
| 17 | 1607000034 | |||
| Ya no disponible, sin reemplazo | ||||
| 18 | 1604220032 | |||
| Palanca de Control | ||||
| 19 | 1602026030 | 8.48 | 10.26 | |
| Muelle en espiral AGC 18 | ||||
| 21 | 1604652015 | 2.52 | 3.05 | |
| Tapa de sellado AZUL | ||||
| 22 | 3605500057 | 0.83 | 1.00 | |
| Placa de identificación | ||||
| 23 | 160111A3H3 | 2.18 | 2.64 | |
| Disco de sellado | ||||
| 24 | 1600108048 | 1.32 | 1.60 | |
| Anillo de retención | ||||
| 25 | 2916620011 | 1.32 | 1.60 | |
| Anillo O | ||||
| 26 | 1600210005 | 2.52 | 3.05 | |
| Lámina compensadora 0,1 MM DE ESPESOR | ||||
| 27 | 1600102639 | 1.70 | 2.06 | |
| Lámina compensadora 0,15 MM DE ESPESOR | ||||
| 27 | 1600102640 | 1.70 | 2.06 | |
| Arandela de compensación | ||||
| 27 | 1600102638 | 1.18 | 1.43 | |
| Anillo de bloqueo | ||||
| 28 | 2916660021 | 3.71 | 4.49 | |
| Placa del fabricante GBH 2000 | ||||
| 29 | 1601110003 | 1.18 | 1.43 | |
| Ya no disponible, sin reemplazo | ||||
| 31 | 1607329005 | |||
| Manga de aguja AGC 18 | ||||
| 33 | 2600910001 | 3.71 | 4.49 | |
| RODAMIENTO DE BOLAS OSC 18 | ||||
| 34 | 1900900352 | 26.62 | 32.21 | |
| Tornillo de cabeza cilíndrica | ||||
| 35 | 2910110116 | 1.00 | 1.21 | |
| Tornillo de cabeza cilíndrica DIN 84-AM5x25-5.8 | ||||
| 36 | 2910011164 | 0.83 | 1.00 | |
| Tornillo de cabeza cilíndrica AM 5x18 DIN 84-5.8 | ||||
| 37 | 2910011160 | 0.83 | 1.00 | |
| Tornillo de cabeza cilíndrica DIN 84-AM5x28-8.8 | ||||
| 38 | 2910021165 | 0.83 | 1.00 | |
| Arandela de resorte | ||||
| 39 | 2916690004 | 1.32 | 1.60 | |
| Tornillo de cabeza cilíndrica | ||||
| 40 | 2910021050 | 1.00 | 1.21 | |
| Tornillo de cabeza cilíndrica DIN 84-AM4x12-5.8 | ||||
| 41 | 2910011122 | 0.83 | 1.00 | |
| Arandela de resorte A 3 DIN 137-ST | ||||
| 42 | 2916060003 | 0.83 | 1.00 | |
| Arandela plana A 4,3 DIN 125-ST | ||||
| 43 | 2916010410 | 0.83 | 1.00 | |
| Arandela plana | ||||
| 45 | 2916011006 | 1.32 | 1.60 | |
| Ya no disponible, sin reemplazo | ||||
| 46 | 2910011157 | |||
| Tornillo de cabeza cilíndrica | ||||
| 47 | 1603410008 | 0.83 | 1.00 | |
| Tornillo de cabeza cilíndrica | ||||
| 48 | 2910021125 | 1.00 | 1.21 | |
| Tornillo de cabeza cilíndrica | ||||
| 49 | 2910021130 | 1.00 | 1.21 | |
| Arandela de Resorte DIN 137-A4 | ||||
| 51 | 1600150006 | 5.33 | 6.45 | |
| Tornillo de cabeza cilíndrica | ||||
| 52 | 2910011120 | 1.00 | 1.21 | |
| Tornillo de placa | ||||
| 54 | 2910211019 | 1.00 | 1.21 | |
| Tornillo para Chapa DIN 7971-BZ2,9x6,5 | ||||
| 55 | 2910211004 | 1.18 | 1.43 | |
| Abrazadera de sujeción | ||||
| 56 | 1601302013 | 1.32 | 1.60 | |
| Anillo O | ||||
| 57 | 1000202026 | 0.83 | 1.00 | |
| Tuerca Hexagonal DIN 934-M 14-6G | ||||
| 58 | 2915011012 | 3.31 | 4.01 | |
| Arandela de fieltro D 20/14 2mm | ||||
| 69 | 1600205008 | 1.32 | 1.60 | |
| Cordón de Sellado | ||||
| 70 | 1601014000 | 2.52 | 3.05 | |
| Disco de fieltro | ||||
| 71 | 1600108018 | 2.18 | 2.64 | |
| Cubierta del cojinete RTS 400 REQ | ||||
| 72 | 1600501019 | 22.88 | 27.68 | |
| No hay información disponible, no se puede pedir | ||||
| 73 | 1600900020 | |||
| Anillo Roscado | ||||
| 74 | 1603344030 | 61.93 | 74.94 | |
| Arandela de compensación | ||||
| 75 | 1600101641 | 3.04 | 3.68 | |
| Arandela de compensación | ||||
| 76 | 1600101650 | 2.18 | 2.64 | |
| Arandela de compensación | ||||
| 76 | 1600101648 | 1.32 | 1.60 | |
| Cubierta del cojinete RTS 400 REQ | ||||
| 77 | 3605820064 | 75.38 | 91.21 | |
| Disco de cobertura | ||||
| 78 | 1600501024 | 13.90 | 16.82 | |
| Tornillo de cabeza avellanada DIN 63-AM4x20-8.8 | ||||
| 79 | 2910511130 | 0.83 | 1.00 | |
| Arandela de compensación 0,10 MM DE ESPESOR | ||||
| 80 | 1420100023 | 1.18 | 1.43 | |
| RODAMIENTO DE BOLAS OSC 18 | ||||
| 81 | 1900905018 | 15.61 | 18.89 | |
| No hay información disponible, no se puede pedir | ||||
| 651 | 1602025030 | |||
| Engranaje Cónico | ||||
| 700 | 1606333082 | 126.98 | 153.65 | |
| Ya no disponible, sin reemplazo | ||||
| 801 | 1607014102 | |||
| Placa de sellado | ||||
| 803 | 1602388007 | 10.68 | 12.92 | |
| No hay información disponible, no se puede pedir | ||||
| 810 | 1607000058 | |||
| No hay información disponible, no se puede pedir | ||||
| 811 | 1607000044 | |||