Aquí encontrará todas las piezas y dibujos técnicos disponibles de 'Fein 71109300028 ( ASW12-16 )'. Desde aquí podrá pedir todas las piezas deseadas directamente. Para muchas piezas de repuesto, es necesario pasar un pedido al fabricante. Dependiendo de la marca, el plazo de entrega puede variar entre una y cuatro semanas. Toda la información que tenemos está en nuestro sitio web. No podremos aconsejarle sobre lo que necesita hasta que entregue la máquina para su reparación. Tenga en cuenta lo siguiente a la hora de cursar su pedido:
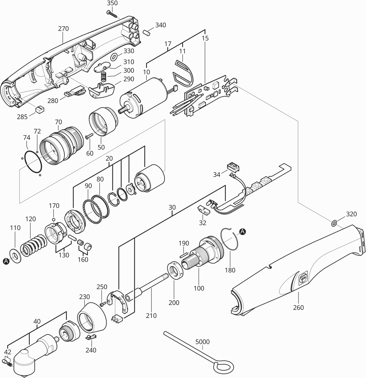
Dibujo técnico de los/las Fein 71109300028 ( ASW12-16 )
Lista de las piezas de repuesto de Fein 71109300028 ( ASW12-16 )
| Pos. | Descripción | Precio con el IVA excluido | Precio con el IVA incluido | |
| Los precios mostrados incluyen el IVA | ||||
| MOTOR | ||||
| 10 | 54199011024 | 204.16 | 247.03 | |
| TIRA | ||||
| 11 | 32432077002 | 5.99 | 7.25 | |
| Electrónica | ||||
| 15 | 30762350997 | 301.14 | 364.38 | |
| MOTOR | ||||
| 17 | 54199010025 | 491.26 | 594.42 | |
| Engranaje planetario | ||||
| 20 | 30109157017 | 505.30 | 611.41 | |
| Foliegeleider | ||||
| 30 | 30762351996 | 158.40 | 191.66 | |
| Soporte | ||||
| 32 | 30240250006 | 4.10 | 4.96 | |
| Soporte | ||||
| 34 | 30240251005 | 4.73 | 5.72 | |
| Ya no disponible, sin reemplazo | ||||
| 40 | 31206126015 | |||
| PASADOR | ||||
| 42 | 30217340015 | 27.12 | 32.82 | |
| Brida OS 400 EQ | ||||
| 50 | 32436066003 | 65.08 | 78.75 | |
| TORNILLO M4X35 | ||||
| 60 | 43069006031 | 1.04 | 1.26 | |
| CARCASA | ||||
| 70 | 31207253005 | 103.36 | 125.07 | |
| Pelota | ||||
| 72 | 41708013003 | 1.04 | 1.26 | |
| Anillo de sellado redondo | ||||
| 74 | 40612088002 | 2.09 | 2.53 | |
| Arandela | ||||
| 80 | 31710033008 | 22.97 | 27.79 | |
| Pelota | ||||
| 90 | 41708013003 | 1.04 | 1.26 | |
| Manga | ||||
| 100 | 30109156004 | 162.05 | 196.08 | |
| TIRA | ||||
| 110 | 32408392004 | 12.63 | 15.28 | |
| Muelle en espiral AGC 18 | ||||
| 120 | 30901355008 | 7.66 | 9.27 | |
| Anillo de embrague | ||||
| 130 | 30103047017 | 89.32 | 108.08 | |
| Caja de engranajes | ||||
| 160 | 30501343010 | 52.32 | 63.31 | |
| Pelota | ||||
| 170 | 41708017002 | 1.04 | 1.26 | |
| Anillo de retención | ||||
| 180 | 42615144000 | 4.94 | 5.98 | |
| Rodillo de agujas | ||||
| 190 | 41709043001 | 1.04 | 1.26 | |
| Tuerca | ||||
| 200 | 32009072000 | 31.26 | 37.82 | |
| BARRA TOMMY | ||||
| 210 | 33406292006 | 89.32 | 108.08 | |
| Tapa | ||||
| 230 | 30219052004 | 5.57 | 6.74 | |
| CUBIERTA | ||||
| 240 | 32424024000 | 4.32 | 5.23 | |
| Brida OS 400 EQ | ||||
| 250 | 32436069009 | 44.66 | 54.04 | |
| TORNILLO M4X35 | ||||
| 250 | 43035142975 | 1.04 | 1.26 | |
| Carcasa del motor | ||||
| 260 | 31912061018 | 37.00 | 44.77 | |
| Carcasa del motor | ||||
| 270 | 31912060019 | 37.00 | 44.77 | |
| Botón giratorio ABB OHYS2AJ | ||||
| 280 | 32805232000 | 4.73 | 5.72 | |
| GLANDULA | ||||
| 285 | 30220066000 | 22.65 | 27.41 | |
| Botón giratorio ABB OHYS2AJ | ||||
| 290 | 32805183000 | 3.48 | 4.21 | |
| Resorte de compresión | ||||
| 300 | 30901357005 | 1.67 | 2.02 | |
| TIRA | ||||
| 310 | 32805182006 | 2.51 | 3.04 | |
| Sello | ||||
| 320 | 40612123000 | 1.04 | 1.26 | |
| Anillo de sellado redondo | ||||
| 330 | 40612074004 | 1.67 | 2.02 | |
| Insertar SYS-ISC 240 | ||||
| 340 | 31415061003 | 1.04 | 1.26 | |
| TORNILLO M4X35 | ||||
| 350 | 43072015000 | 1.04 | 1.26 | |
| No hay información disponible, no se puede pedir | ||||
| 5000 | 62913004000 | |||
| Spiraalveer | ||||
| 5031 | 30901360009 | 11.16 | 13.50 | |
| Bout | ||||
| 5032 | 30217340006 | 13.75 | 16.64 | |