Aquí encontrará todas las piezas y dibujos técnicos disponibles de 'Fein 72302600233 ( BLS2.5 )'. Desde aquí podrá pedir todas las piezas deseadas directamente. Para muchas piezas de repuesto, es necesario pasar un pedido al fabricante. Dependiendo de la marca, el plazo de entrega puede variar entre una y cuatro semanas. Toda la información que tenemos está en nuestro sitio web. No podremos aconsejarle sobre lo que necesita hasta que entregue la máquina para su reparación. Tenga en cuenta lo siguiente a la hora de cursar su pedido:
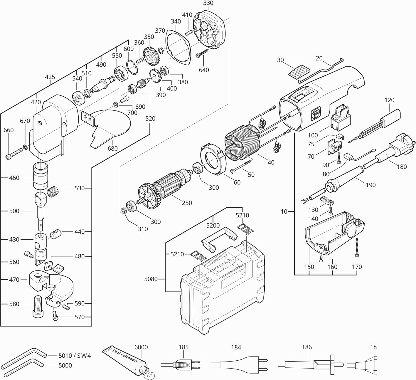
Dibujo técnico de los/las Fein 72302600233 ( BLS2.5 )
Lista de las piezas de repuesto de Fein 72302600233 ( BLS2.5 )
| Pos. | Descripción | Precio con el IVA excluido | Precio con el IVA incluido | |
| Los precios mostrados incluyen el IVA | ||||
| Carcasa del motor MSXE636-II | ||||
| 10 | 31901109024 | 37.00 | 44.77 | |
| Varilla de cambio | ||||
| 20 | 32816051001 | 7.10 | 8.59 | |
| Interruptor deslizante | ||||
| 30 | 32805152009 | 2.71 | 3.28 | |
| CAMPO 230V | ||||
| 40 | 51272004235 | 63.80 | 77.20 | |
| TORNILLO M4X35 | ||||
| 50 | 43070014000 | 1.04 | 1.26 | |
| Anillo deflector de aire | ||||
| 60 | 31428114008 | 2.71 | 3.28 | |
| Soporte de Cepillo de Carbono | ||||
| 70 | 30712087015 | 6.19 | 7.49 | |
| Conector | ||||
| 75 | 30717193000 | 1.04 | 1.26 | |
| CEPILLO 12X8 M. RESORTE U-CONTACTO | ||||
| 80 | 30711129009 | 6.19 | 7.49 | |
| TORNILLO M4X35 | ||||
| 90 | 43070015004 | 1.04 | 1.26 | |
| Interruptor de 2 polos | ||||
| 100 | 30701060000 | 19.46 | 23.55 | |
| CONDENSATOR MSXE | ||||
| 120 | 30722178020 | 14.02 | 16.96 | |
| Tornillo de empaquetado ATEX | ||||
| 130 | 32431026009 | 1.04 | 1.26 | |
| TORNILLO M4X35 | ||||
| 140 | 43070001006 | 1.04 | 1.26 | |
| CUBIERTA | ||||
| 150 | 32427108016 | 12.51 | 15.14 | |
| TORNILLO M4X35 | ||||
| 160 | 43070036005 | 1.04 | 1.26 | |
| TORNILLO M4X35 | ||||
| 170 | 43070016007 | 1.04 | 1.26 | |
| CABLE W.CONNECT 230V EU | ||||
| 180 | 30707373014 | 15.95 | 19.30 | |
| Manguera protectora | ||||
| 190 | 31413164009 | 2.51 | 3.04 | |
| ARMADURA 230V | ||||
| 250 | 53272005231 | 159.50 | 193.00 | |
| RODAMIENTO DE BOLAS OSC 18 | ||||
| 300 | 41701001172 | 8.21 | 9.93 | |
| Arandela | ||||
| 310 | 32612125000 | 2.29 | 2.77 | |
| Rodamiento intermedio | ||||
| 330 | 31506353007 | 89.32 | 108.08 | |
| Sello LEX 3 | ||||
| 340 | 30610033000 | 2.09 | 2.53 | |
| Rueda dentada | ||||
| 350 | 33657105002 | 70.18 | 84.92 | |
| Chaveta de Woodruff G12s2/g13sd | ||||
| 360 | 40221003006 | 1.25 | 1.51 | |
| Anillo de bloqueo | ||||
| 370 | 42616034007 | 1.04 | 1.26 | |
| RODAMIENTO DE BOLAS OSC 18 | ||||
| 380 | 41701202018 | 5.77 | 6.98 | |
| Rueda dentada | ||||
| 390 | 33757014007 | 53.59 | 64.84 | |
| ENGANCHE | ||||
| 400 | 33657167003 | 38.92 | 47.09 | |
| Pasador cilíndrico endurecido | ||||
| 410 | 40242006007 | 1.04 | 1.26 | |
| CARCASA | ||||
| 420 | 31308076009 | 179.92 | 217.70 | |
| CABEZA DE MÁQUINA | ||||
| 425 | 31308076018 | 833.23 | 1008.21 | |
| Embolo | ||||
| 430 | 31308077003 | 236.06 | 285.63 | |
| Pasador | ||||
| 440 | 31308078001 | 80.39 | 97.27 | |
| MANGUITO ROSCADO | ||||
| 460 | 31308079005 | 65.08 | 78.75 | |
| Mesa de corte | ||||
| 470 | 30109138008 | 372.59 | 450.83 | |
| No hay información disponible, no se puede pedir | ||||
| 480 | 63601101009 | |||
| Eje Excéntrico | ||||
| 490 | 33405027006 | 202.88 | 245.48 | |
| Varilla de Conexión | ||||
| 500 | 31308080007 | 116.12 | 140.51 | |
| Arandela | ||||
| 510 | 32601225003 | 9.89 | 11.97 | |
| RODAMIENTO DE BOLAS OSC 18 | ||||
| 520 | 41701202018 | 5.77 | 6.98 | |
| Jaula de agujas | ||||
| 530 | 41715032003 | 20.10 | 24.32 | |
| RODAMIENTO DE BOLAS OSC 18 | ||||
| 540 | 41701006028 | 11.35 | 13.73 | |
| RODAMIENTO DE BOLAS OSC 18 | ||||
| 550 | 41701007038 | 8.90 | 10.77 | |
| Tornillo de cabeza cilíndrica | ||||
| 560 | 43035013058 | 1.04 | 1.26 | |
| Tornillo de cabeza cilíndrica | ||||
| 570 | 43035014056 | 1.04 | 1.26 | |
| TORNILLO M4X35 | ||||
| 580 | 43013042127 | 10.58 | 12.80 | |
| Tornillo prisionero DIN 915-M6x8-45H | ||||
| 590 | 43045044051 | 1.04 | 1.26 | |
| Anillo de bloqueo | ||||
| 600 | 42616001005 | 1.04 | 1.26 | |
| TORNILLO M4X35 | ||||
| 640 | 43070026006 | 1.04 | 1.26 | |
| Tornillo de cabeza cilíndrica | ||||
| 660 | 43033015052 | 1.04 | 1.26 | |
| Anillo de sellado | ||||
| 670 | 40611001002 | 1.88 | 2.27 | |
| Parachoques | ||||
| 680 | 30229159001 | 36.37 | 44.01 | |
| Tornillo de cabeza cilíndrica | ||||
| 690 | 43035013058 | 1.04 | 1.26 | |
| Arandela de resorte | ||||
| 700 | 42445002053 | 1.67 | 2.02 | |
| No hay información disponible, no se puede pedir | ||||
| 5000 | 62907015008 | |||
| Stiftsleutel | ||||
| 5010 | 62907023005 | 2.82 | 3.41 | |
| No hay información disponible, no se puede pedir | ||||
| 5080 | 33901118010 | |||
| Mango | ||||
| 5200 | 32119122000 | 7.66 | 9.27 | |
| Abrazadera de alambre para maletín metálico | ||||
| 5210 | 30232050000 | 8.63 | 10.44 | |
| Ya no disponible, sin reemplazo | ||||
| 6000 | 32160003083 | |||
| Veiligheidsvoorschrift | ||||
| 9020 | 34130054061 | 1.86 | 2.25 | |