Aquí encontrará todas las piezas y dibujos técnicos disponibles de 'Fein 72303100230 ( BSS1.6E )'. Desde aquí podrá pedir todas las piezas deseadas directamente. Para muchas piezas de repuesto, es necesario pasar un pedido al fabricante. Dependiendo de la marca, el plazo de entrega puede variar entre una y cuatro semanas. Toda la información que tenemos está en nuestro sitio web. No podremos aconsejarle sobre lo que necesita hasta que entregue la máquina para su reparación. Tenga en cuenta lo siguiente a la hora de cursar su pedido:
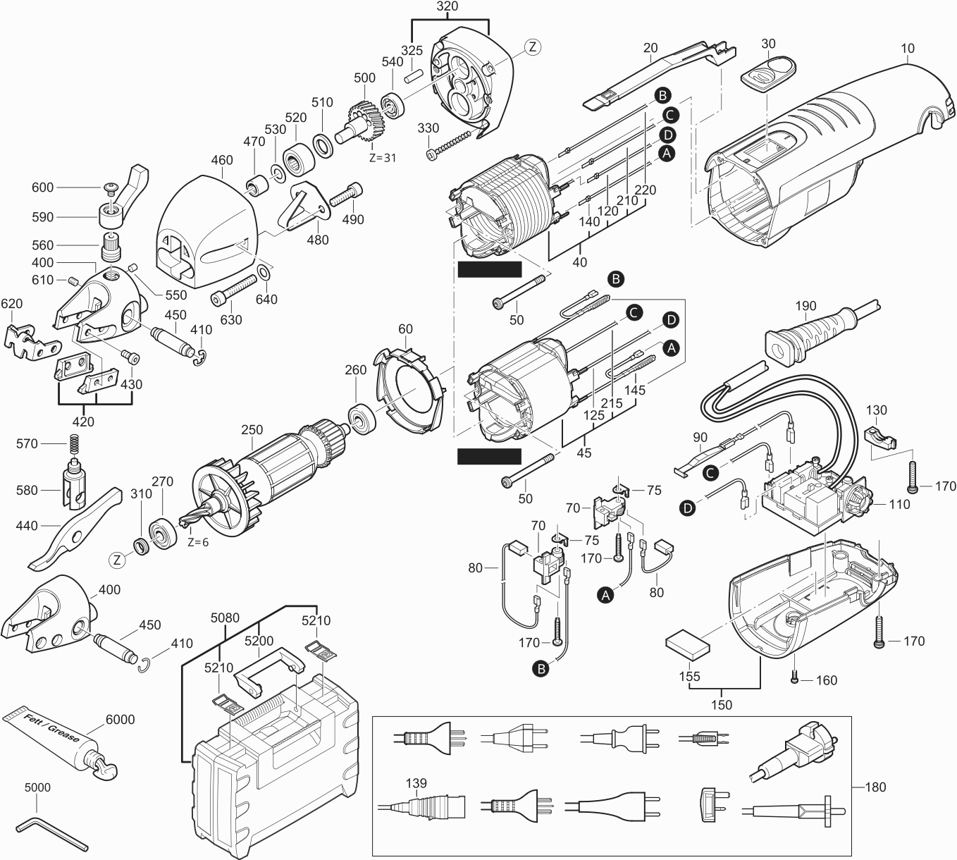
Dibujo técnico de los/las Fein 72303100230 ( BSS1.6E )
Lista de las piezas de repuesto de Fein 72303100230 ( BSS1.6E )
| Pos. | Descripción | Precio con el IVA excluido | Precio con el IVA incluido | |
| Los precios mostrados incluyen el IVA | ||||
| Carcasa del motor | ||||
| 10 | 31901172000 | 37.00 | 44.77 | |
| Varilla de cambio | ||||
| 20 | 32816066000 | 7.66 | 9.27 | |
| Interruptor OSC 18 | ||||
| 30 | 32805226000 | 2.93 | 3.55 | |
| CAMPO 230V | ||||
| 40 | 51278004230 | 50.40 | 60.98 | |
| CAMPO 230V | ||||
| 45 | 51278004230 | 50.40 | 60.98 | |
| TORNILLO M4X35 | ||||
| 50 | 43074005000 | 1.04 | 1.26 | |
| Anillo deflector de aire | ||||
| 60 | 31428161000 | 4.10 | 4.96 | |
| Soporte de Cepillo de Carbono | ||||
| 70 | 30712087015 | 6.19 | 7.49 | |
| Conector | ||||
| 75 | 30717193000 | 1.04 | 1.26 | |
| CEPILLO 12X8 M. RESORTE U-CONTACTO | ||||
| 80 | 30711156000 | 6.19 | 7.49 | |
| Muelle de contacto | ||||
| 90 | 32803019010 | 5.15 | 6.23 | |
| Electrónica 100-230V,50/60Hz | ||||
| 110 | 30762412990 | 65.08 | 78.75 | |
| Cable de conexión MX 1200/2 E EF | ||||
| 120 | 30719642010 | 1.25 | 1.51 | |
| Cable de conexión MX 1200/2 E EF | ||||
| 125 | 30719642010 | 1.25 | 1.51 | |
| Tornillo de empaquetado ATEX | ||||
| 130 | 32431045000 | 1.04 | 1.26 | |
| Smoorklep | ||||
| 145 | 30764178000 | 9.00 | 10.89 | |
| CUBIERTA | ||||
| 150 | 32427127000 | 7.24 | 8.76 | |
| Soporte de parada | ||||
| 155 | 31415099000 | 1.04 | 1.26 | |
| TORNILLO M4X35 | ||||
| 160 | 43074003000 | 1.04 | 1.26 | |
| TORNILLO M4X35 | ||||
| 170 | 43074002000 | 1.04 | 1.26 | |
| CABLE W.CONNECT 230V EU | ||||
| 180 | 30707373014 | 15.95 | 19.30 | |
| Pasacables | ||||
| 190 | 31413251000 | 2.29 | 2.77 | |
| Cable de conexión MX 1200/2 E EF | ||||
| 210 | 30719644010 | 1.25 | 1.51 | |
| Cable de conexión MX 1200/2 E EF | ||||
| 215 | 30719644010 | 1.25 | 1.51 | |
| ARMADURA 230V | ||||
| 250 | 53278004230 | 99.53 | 120.43 | |
| RODAMIENTO DE BOLAS OSC 18 | ||||
| 260 | 41701001032 | 9.05 | 10.95 | |
| MANGUITO | ||||
| 270 | 41701007266 | 9.05 | 10.95 | |
| Arandela | ||||
| 310 | 32612125000 | 2.29 | 2.77 | |
| Brida OS 400 EQ | ||||
| 320 | 31506394010 | 75.28 | 91.09 | |
| Pasador cilíndrico endurecido | ||||
| 325 | 40242006007 | 1.04 | 1.26 | |
| Tornillo 35X30MM | ||||
| 330 | 43074004000 | 1.04 | 1.26 | |
| CABEZA DE MÁQUINA | ||||
| 400 | 31308155007 | 223.30 | 270.19 | |
| Anillo de resorte | ||||
| 410 | 42615142008 | 1.04 | 1.26 | |
| No hay información disponible, no se puede pedir | ||||
| 420 | 31308153014 | |||
| TORNILLO M4X35 | ||||
| 430 | 43033089048 | 1.04 | 1.26 | |
| No hay información disponible, no se puede pedir | ||||
| 440 | 31308150009 | |||
| Tornillo | ||||
| 450 | 31308156000 | 13.40 | 16.21 | |
| CARCASA | ||||
| 460 | 31308154003 | 116.12 | 140.51 | |
| Casquillo de aguja | ||||
| 470 | 41705006006 | 4.52 | 5.47 | |
| Muelle | ||||
| 480 | 31308157004 | 14.36 | 17.38 | |
| Tornillo de cabeza cilíndrica | ||||
| 490 | 43035019059 | 1.04 | 1.26 | |
| Eje Excéntrico | ||||
| 500 | 31308158011 | 108.46 | 131.24 | |
| Calces de Ajuste | ||||
| 510 | 32408385001 | 1.04 | 1.26 | |
| Rodillo de Soporte | ||||
| 520 | 41724003002 | 55.51 | 67.17 | |
| Cuña | ||||
| 530 | 32408386004 | 1.04 | 1.26 | |
| RODAMIENTO DE BOLAS OSC 18 | ||||
| 540 | 41701202018 | 5.77 | 6.98 | |
| TORNILLO M4X35 | ||||
| 630 | 43035016053 | 1.04 | 1.26 | |
| Arandela de resorte | ||||
| 640 | 42445002053 | 1.67 | 2.02 | |
| Chip RFID | ||||
| 2500 | 32217517000 | 1.25 | 1.51 | |
| No hay información disponible, no se puede pedir | ||||
| 5000 | 62907015008 | |||
| No hay información disponible, no se puede pedir | ||||
| 5080 | 33901118010 | |||
| Mango | ||||
| 5200 | 32119122000 | 7.66 | 9.27 | |
| Abrazadera de alambre para maletín metálico | ||||
| 5210 | 30232050000 | 8.63 | 10.44 | |
| Ya no disponible, sin reemplazo | ||||
| 6000 | 32160003083 | |||
| Veiligheidsvoorschrift | ||||
| 9020 | 34130054061 | 1.86 | 2.25 | |