Aquí encontrará todas las piezas y dibujos técnicos disponibles de 'Fein 72294200230 ( FMM350Q )'. Desde aquí podrá pedir todas las piezas deseadas directamente. Para muchas piezas de repuesto, es necesario pasar un pedido al fabricante. Dependiendo de la marca, el plazo de entrega puede variar entre una y cuatro semanas. Toda la información que tenemos está en nuestro sitio web. No podremos aconsejarle sobre lo que necesita hasta que entregue la máquina para su reparación. Tenga en cuenta lo siguiente a la hora de cursar su pedido:
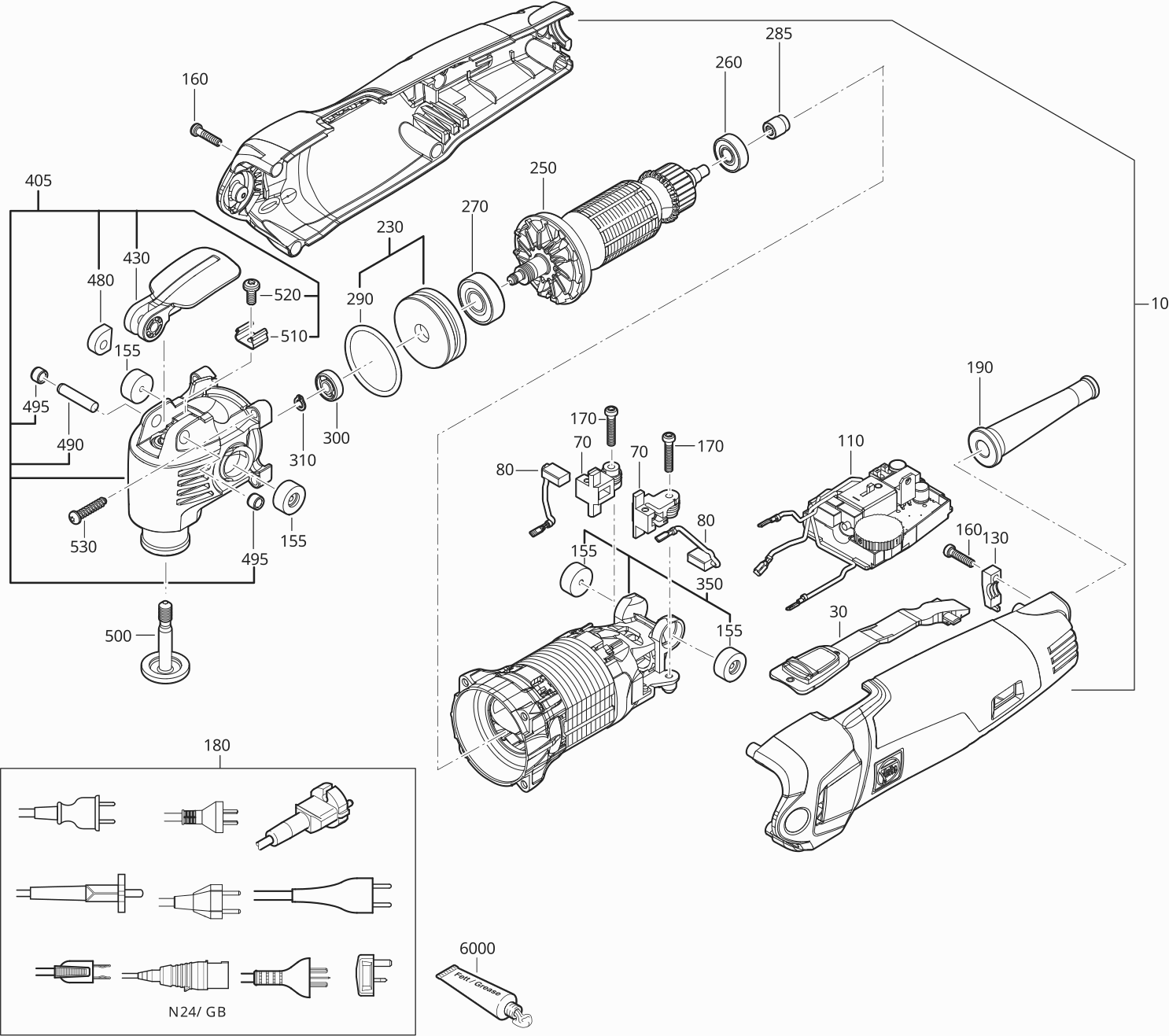
Dibujo técnico de los/las Fein 72294200230 ( FMM350Q )
Lista de las piezas de repuesto de Fein 72294200230 ( FMM350Q )
| Pos. | Descripción | Precio con el IVA excluido | Precio con el IVA incluido | |
| Los precios mostrados incluyen el IVA | ||||
| Carcasa del motor | ||||
| 10 | 31901173000 | 36.37 | 44.01 | |
| Ya no disponible, sin reemplazo | ||||
| 30 | 32805311000 | |||
| Soporte de Cepillo de Carbono | ||||
| 70 | 30712087015 | 6.19 | 7.49 | |
| CEPILLO 12X8 M. RESORTE U-CONTACTO | ||||
| 80 | 30711157000 | 6.61 | 8.00 | |
| Ya no disponible, sin reemplazo | ||||
| 110 | 30762453990 | |||
| Tornillo de empaquetado ATEX | ||||
| 130 | 32431045000 | 1.04 | 1.26 | |
| Amortiguador de vibraciones | ||||
| 155 | 31415110000 | 2.51 | 3.04 | |
| TORNILLO M4X35 | ||||
| 160 | 43074010000 | 1.04 | 1.26 | |
| TORNILLO M4X35 | ||||
| 170 | 43074002000 | 1.04 | 1.26 | |
| Cable completo. | ||||
| 180 | 30707343017 | 12.63 | 15.28 | |
| Pasacables WS14 | ||||
| 190 | 31413233000 | 2.71 | 3.28 | |
| MANGUITO ROSCADO | ||||
| 230 | 31603053010 | 10.58 | 12.80 | |
| Armazón | ||||
| 250 | 53278005230 | 62.52 | 75.65 | |
| RODAMIENTO DE BOLAS OSC 18 | ||||
| 260 | 41701001032 | 9.05 | 10.95 | |
| RODAMIENTO DE BOLAS OSC 18 | ||||
| 270 | 41701007038 | 8.90 | 10.77 | |
| Anillo magnético | ||||
| 285 | 32172014010 | 7.66 | 9.27 | |
| Sello LEX 3 | ||||
| 290 | 40612167000 | 1.04 | 1.26 | |
| MANGUITO | ||||
| 300 | 41701000020 | 10.86 | 13.14 | |
| Arandela | ||||
| 310 | 42616046003 | 1.04 | 1.26 | |
| CAMPO | ||||
| 350 | 52278046230 | 52.32 | 63.31 | |
| Cabeza de la máquina Quick In | ||||
| 405 | 31508287010 | 131.43 | 159.03 | |
| Palanca KA 65 | ||||
| 430 | 32805309000 | 12.51 | 15.14 | |
| Leva LEX 3 125/3 | ||||
| 480 | 32636042000 | 3.34 | 4.04 | |
| Pasador cilíndrico | ||||
| 490 | 40242064000 | 1.04 | 1.26 | |
| MANGUITO ROSCADO | ||||
| 495 | 30507220000 | 2.51 | 3.04 | |
| Unidad de sujeción | ||||
| 500 | 30240271000 | 17.86 | 21.61 | |
| MUELLE DE RETENCIÓN OSC 18 | ||||
| 510 | 30907067000 | 1.88 | 2.27 | |
| TORNILLO CON AMPLIACIÓN | ||||
| 520 | 43064023045 | 0.90 | 1.09 | |
| Tornillo TORX20 4.0X18 | ||||
| 530 | 43074008000 | 1.04 | 1.26 | |
| Chip RFID | ||||
| 2500 | 32217517000 | 1.25 | 1.51 | |
| No hay información disponible, no se puede pedir | ||||
| 5000 | 33901131980 | |||
| Campana extractora | ||||
| 5010 | 33218136000 | 6.19 | 7.49 | |
| Arandela de fieltro D 20/14 2mm | ||||
| 5020 | 30601106007 | 2.29 | 2.77 | |
| Adaptador CMS-OF | ||||
| 5030 | 30605112000 | 4.52 | 5.47 | |
| Tubo de succión | ||||
| 5040 | 33218137010 | 15.95 | 19.30 | |
| Mango | ||||
| 5200 | 32119122000 | 7.66 | 9.27 | |
| Abrazadera de alambre para maletín metálico | ||||
| 5210 | 30232050000 | 8.63 | 10.44 | |
| Insertar en EPP | ||||
| 5300 | 33904488000 | 16.91 | 20.46 | |
| No hay información disponible, no se puede pedir | ||||
| 5450 | 63806136220 | |||
| No hay información disponible, no se puede pedir | ||||
| 5500 | 92602102000 | |||
| Ya no disponible, sin reemplazo | ||||
| 6000 | 32160003014 | |||
| Gebruiksaanwijzing FMM350Q | ||||
| 9000 | 34101191060 | 0.64 | 0.77 | |
| Veiligheidsvoorschrift | ||||
| 9020 | 34130054061 | 1.86 | 2.25 | |