Aquí encontrará todas las piezas y dibujos técnicos disponibles de 'Fein 72204500223 ( MSF680D )'. Desde aquí podrá pedir todas las piezas deseadas directamente. Para muchas piezas de repuesto, es necesario pasar un pedido al fabricante. Dependiendo de la marca, el plazo de entrega puede variar entre una y cuatro semanas. Toda la información que tenemos está en nuestro sitio web. No podremos aconsejarle sobre lo que necesita hasta que entregue la máquina para su reparación. Tenga en cuenta lo siguiente a la hora de cursar su pedido:
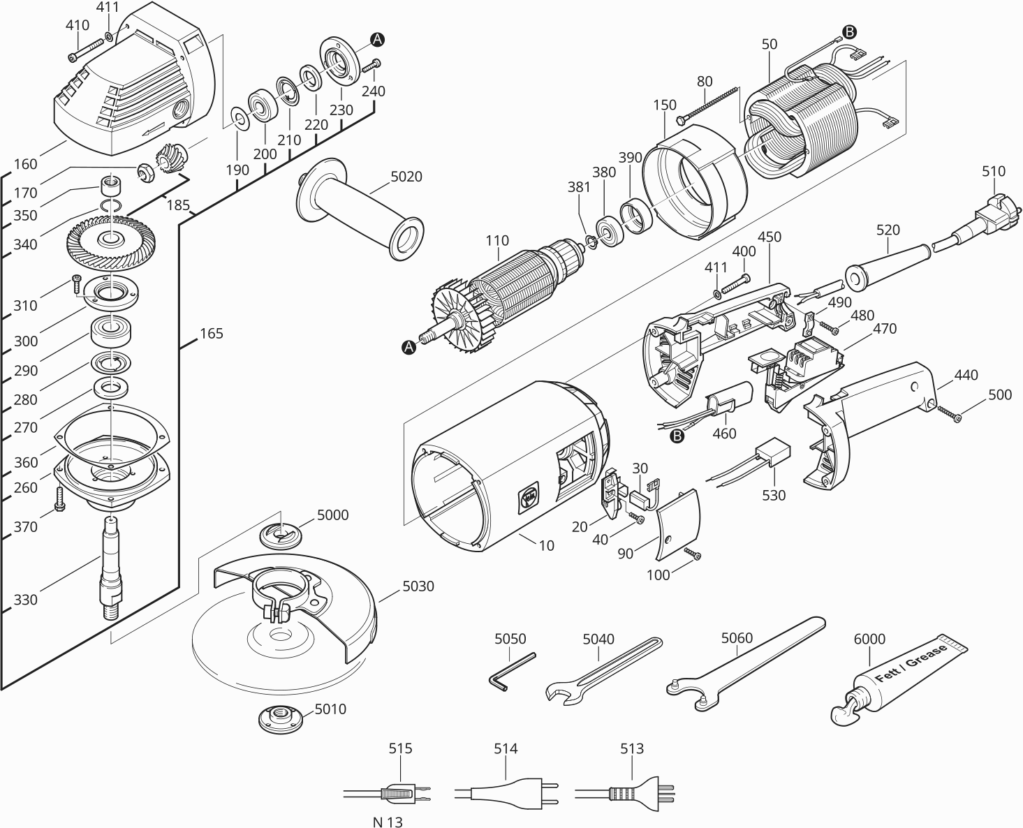
Dibujo técnico de los/las Fein 72204500223 ( MSF680D )
Lista de las piezas de repuesto de Fein 72204500223 ( MSF680D )
| Pos. | Descripción | Precio con el IVA excluido | Precio con el IVA incluido | |
| Los precios mostrados incluyen el IVA | ||||
| Ya no disponible, sin reemplazo | ||||
| 10 | 31903156012 | |||
| Soporte de cepillo | ||||
| 20 | 30712076012 | 10.86 | 13.14 | |
| CEPILLO 12X8 M. RESORTE U-CONTACTO | ||||
| 30 | 30711096007 | 12.51 | 15.14 | |
| Tornillo para chapa | ||||
| 40 | 43046001002 | 1.04 | 1.26 | |
| CAMPO 220V | ||||
| 50 | 51256001221 | 127.60 | 154.40 | |
| TORNILLO M4X35 | ||||
| 80 | 43046035008 | 0.90 | 1.09 | |
| CUBIERTA | ||||
| 90 | 32427066000 | 5.15 | 6.23 | |
| Tornillo para chapa | ||||
| 100 | 43046020001 | 1.04 | 1.26 | |
| Ya no disponible, sin reemplazo | ||||
| 110 | 53256001223 | |||
| Anillo de guía de aire | ||||
| 150 | 31428042004 | 4.32 | 5.23 | |
| No hay información disponible, no se puede pedir | ||||
| 160 | 31206087005 | |||
| No hay información disponible, no se puede pedir | ||||
| 165 | 31206087014 | |||
| Ya no disponible, sin reemplazo | ||||
| 170 | 42004039001 | |||
| No hay información disponible, no se puede pedir | ||||
| 185 | 33809165013 | |||
| Ya no disponible, sin reemplazo | ||||
| 190 | 32408293002 | |||
| RODAMIENTO DE BOLAS OSC 18 | ||||
| 200 | 41701213096 | 16.27 | 19.69 | |
| Placa de cubierta | ||||
| 210 | 32411058001 | 1.67 | 2.02 | |
| Anillo de fieltro | ||||
| 220 | 30601050002 | 1.04 | 1.26 | |
| PLACA DE PARADA | ||||
| 230 | 32416082005 | 12.51 | 15.14 | |
| Ya no disponible, sin reemplazo | ||||
| 240 | 43064003047 | |||
| Ya no disponible, sin reemplazo | ||||
| 260 | 32419089009 | |||
| Ya no disponible, sin reemplazo | ||||
| 270 | 30601098001 | |||
| Ya no disponible, sin reemplazo | ||||
| 280 | 32411074000 | |||
| RODAMIENTO DE BOLAS OSC 18 | ||||
| 290 | 41701224024 | 10.58 | 12.80 | |
| Ya no disponible, sin reemplazo | ||||
| 300 | 32416078007 | |||
| Ya no disponible, sin reemplazo | ||||
| 310 | 43064003047 | |||
| Ya no disponible, sin reemplazo | ||||
| 330 | 33406161000 | |||
| Ya no disponible, sin reemplazo | ||||
| 340 | 42615108003 | |||
| RODAMIENTO DE AGUJAS | ||||
| 350 | 41706030007 | 22.97 | 27.79 | |
| Ya no disponible, sin reemplazo | ||||
| 360 | 32624104024 | |||
| Ya no disponible, sin reemplazo | ||||
| 370 | 43064015054 | |||
| RODAMIENTO DE BOLAS OSC 18 | ||||
| 380 | 41701210021 | 6.19 | 7.49 | |
| Anillo dentado | ||||
| 381 | 42628001006 | 1.04 | 1.26 | |
| Casquillo de goma | ||||
| 390 | 30507174003 | 3.97 | 4.80 | |
| Tornillo de cabeza cilíndrica | ||||
| 400 | 43033015052 | 1.04 | 1.26 | |
| Tornillo de cabeza cilíndrica | ||||
| 410 | 43033017059 | 1.04 | 1.26 | |
| Arandela de seguridad M5 | ||||
| 411 | 42443004057 | 1.04 | 1.26 | |
| Ya no disponible, sin reemplazo | ||||
| 440 | 31204186000 | |||
| Ya no disponible, sin reemplazo | ||||
| 450 | 31204185000 | |||
| Ya no disponible, sin reemplazo | ||||
| 460 | 30722134011 | |||
| Interruptor de 2 polos | ||||
| 470 | 30701117009 | 45.30 | 54.81 | |
| Tornillo para chapa | ||||
| 480 | 43046016003 | 1.04 | 1.26 | |
| Tornillo de empaquetado ATEX | ||||
| 490 | 32431021007 | 1.04 | 1.26 | |
| Tornillo para chapa | ||||
| 500 | 43046021000 | 1.04 | 1.26 | |
| CABLE CON ENCHUFE | ||||
| 510 | 30707387012 | 16.27 | 19.69 | |
| Manguera protectora | ||||
| 520 | 31413094007 | 2.93 | 3.55 | |
| Sello | ||||
| 912 | 40612000007 | 1.04 | 1.26 | |
| Brida de la amoladora interna sin tracción | ||||
| 5000 | 63801182010 | 12.25 | 14.82 | |
| No hay información disponible, no se puede pedir | ||||
| 5010 | 63802052000 | |||
| No hay información disponible, no se puede pedir | ||||
| 5020 | 32119117015 | |||
| Ya no disponible, sin reemplazo | ||||
| 5030 | 31810070016 | |||
| No hay información disponible, no se puede pedir | ||||
| 5040 | 62903011005 | |||
| No hay información disponible, no se puede pedir | ||||
| 5050 | 62907004005 | |||
| No hay información disponible, no se puede pedir | ||||
| 5060 | 62910022002 | |||
| Ya no disponible, sin reemplazo | ||||
| 6000 | 32160003135 | |||