Aquí encontrará todas las piezas y dibujos técnicos disponibles de 'Fein 72322500248 ( RSS638-6 )'. Desde aquí podrá pedir todas las piezas deseadas directamente. Para muchas piezas de repuesto, es necesario pasar un pedido al fabricante. Dependiendo de la marca, el plazo de entrega puede variar entre una y cuatro semanas. Toda la información que tenemos está en nuestro sitio web. No podremos aconsejarle sobre lo que necesita hasta que entregue la máquina para su reparación. Tenga en cuenta lo siguiente a la hora de cursar su pedido:
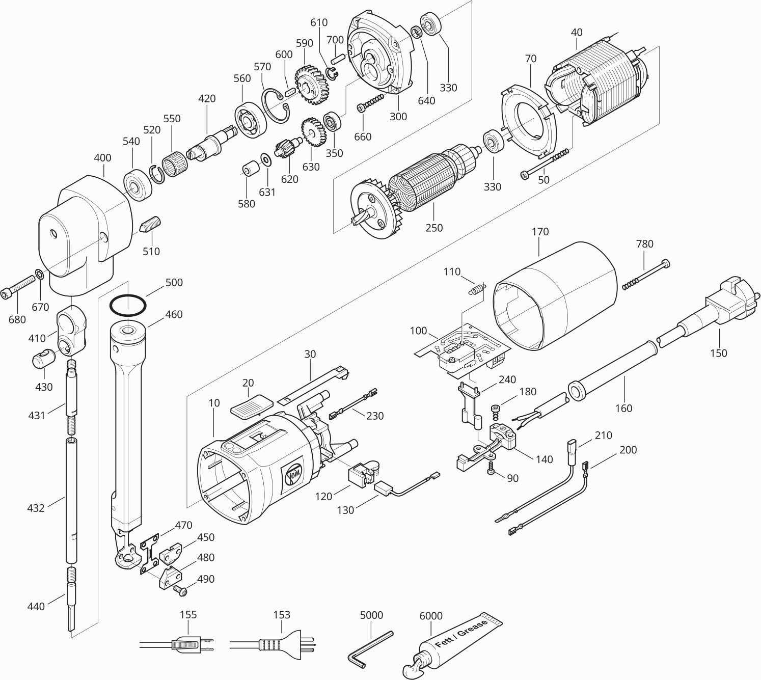
Dibujo técnico de los/las Fein 72322500248 ( RSS638-6 )
Lista de las piezas de repuesto de Fein 72322500248 ( RSS638-6 )
| Pos. | Descripción | Precio con el IVA excluido | Precio con el IVA incluido | |
| Los precios mostrados incluyen el IVA | ||||
| Carcasa del motor | ||||
| 10 | 31901103008 | 63.16 | 76.42 | |
| Deslizador del interruptor | ||||
| 20 | 32805128003 | 3.13 | 3.79 | |
| Varilla de control | ||||
| 30 | 32816040003 | 2.71 | 3.28 | |
| No hay información disponible, no se puede pedir | ||||
| 40 | 51270003240 | |||
| TORNILLO M4X35 | ||||
| 50 | 43070004001 | 1.04 | 1.26 | |
| Anillo deflector de aire | ||||
| 70 | 31428075007 | 4.10 | 4.96 | |
| TORNILLO M4X35 | ||||
| 90 | 43046019009 | 1.04 | 1.26 | |
| Impresión de interruptor | ||||
| 100 | 30762136008 | 77.84 | 94.19 | |
| Resorte de tiro | ||||
| 110 | 30902040004 | 2.93 | 3.55 | |
| Soporte de Cepillo de Carbono | ||||
| 120 | 30712086011 | 7.66 | 9.27 | |
| Escobilla de Carbono | ||||
| 130 | 30711127007 | 15.63 | 18.91 | |
| Soporte de parada | ||||
| 140 | 32431036008 | 3.68 | 4.45 | |
| No hay información disponible, no se puede pedir | ||||
| 150 | 30707174010 | |||
| Manguera protectora | ||||
| 160 | 31413007007 | 2.51 | 3.04 | |
| CUBIERTA | ||||
| 170 | 31201072020 | 10.58 | 12.80 | |
| TORNILLO M4X35 | ||||
| 180 | 43070001006 | 1.04 | 1.26 | |
| Ya no disponible, sin reemplazo | ||||
| 200 | 30719339016 | |||
| Cable de conexión MX 1200/2 E EF | ||||
| 210 | 30719340018 | 2.09 | 2.53 | |
| Cable de conexión MX 1200/2 E EF | ||||
| 230 | 30719448017 | 2.36 | 2.86 | |
| CONEXIÓN | ||||
| 240 | 31428086009 | 3.90 | 4.72 | |
| No hay información disponible, no se puede pedir | ||||
| 250 | 53270003242 | |||
| Ya no disponible, sin reemplazo | ||||
| 300 | 31506333009 | |||
| RODAMIENTO DE BOLAS OSC 18 | ||||
| 330 | 41701001172 | 8.21 | 9.93 | |
| RODAMIENTO DE BOLAS OSC 18 | ||||
| 350 | 41701202018 | 5.77 | 6.98 | |
| Ya no disponible, sin reemplazo | ||||
| 400 | 31309062002 | |||
| Ya no disponible, sin reemplazo | ||||
| 410 | 31309063006 | |||
| Ya no disponible, sin reemplazo | ||||
| 420 | 31309064004 | |||
| Pasador | ||||
| 430 | 31308078001 | 80.39 | 97.27 | |
| Ya no disponible, sin reemplazo | ||||
| 431 | 31309117009 | |||
| Ya no disponible, sin reemplazo | ||||
| 432 | 31309118007 | |||
| No hay información disponible, no se puede pedir | ||||
| 440 | 31309119001 | |||
| Guía de punzón | ||||
| 450 | 31309120003 | 136.53 | 165.20 | |
| No hay información disponible, no se puede pedir | ||||
| 460 | 31309127017 | |||
| No hay información disponible, no se puede pedir | ||||
| 470 | 31309121002 | |||
| Ya no disponible, sin reemplazo | ||||
| 480 | 31309122005 | |||
| TORNILLO M4X35 | ||||
| 490 | 31309123009 | 1.25 | 1.51 | |
| Ya no disponible, sin reemplazo | ||||
| 500 | 31309126004 | |||
| Ya no disponible, sin reemplazo | ||||
| 510 | 31309041001 | |||
| Anillo de resorte | ||||
| 520 | 42615104004 | 1.04 | 1.26 | |
| MANGUITO | ||||
| 540 | 41701207055 | 13.72 | 16.60 | |
| RODAMIENTO DE AGUJAS | ||||
| 550 | 41715043006 | 21.05 | 25.47 | |
| RODAMIENTO DE BOLAS OSC 18 | ||||
| 560 | 41701210021 | 6.19 | 7.49 | |
| Anillo de bloqueo | ||||
| 570 | 42616002008 | 1.04 | 1.26 | |
| RODAMIENTO DE AGUJAS | ||||
| 580 | 41706034001 | 32.54 | 39.37 | |
| Ya no disponible, sin reemplazo | ||||
| 590 | 33657151008 | |||
| Chaveta de Woodruff G12s2/g13sd | ||||
| 600 | 40221003006 | 1.25 | 1.51 | |
| Anillo de bloqueo | ||||
| 610 | 42616034007 | 1.04 | 1.26 | |
| Ya no disponible, sin reemplazo | ||||
| 620 | 33757072009 | |||
| No hay información disponible, no se puede pedir | ||||
| 630 | 33657150009 | |||
| Disco | ||||
| 631 | 32408185009 | 2.71 | 3.28 | |
| Arandela de sellado | ||||
| 640 | 32612056001 | 2.36 | 2.86 | |
| TORNILLO M4X35 | ||||
| 660 | 43070010006 | 1.04 | 1.26 | |
| Arandela de seguridad M5 | ||||
| 670 | 42443004057 | 1.04 | 1.26 | |
| Tornillo de cabeza cilíndrica | ||||
| 680 | 43035019059 | 1.04 | 1.26 | |
| Pasador de Cilindro | ||||
| 700 | 40201036006 | 1.04 | 1.26 | |
| TORNILLO M4X35 | ||||
| 780 | 43070004001 | 1.04 | 1.26 | |
| No hay información disponible, no se puede pedir | ||||
| 5000 | 62907010000 | |||
| Ya no disponible, sin reemplazo | ||||
| 6000 | 32160003014 | |||
| Veiligheidsvoorschrift | ||||
| 9020 | 34130054061 | 1.86 | 2.25 | |