Aquí encontrará todas las piezas y dibujos técnicos disponibles de 'Fein 72212700230 ( WSG25-230 )'. Desde aquí podrá pedir todas las piezas deseadas directamente. Para muchas piezas de repuesto, es necesario pasar un pedido al fabricante. Dependiendo de la marca, el plazo de entrega puede variar entre una y cuatro semanas. Toda la información que tenemos está en nuestro sitio web. No podremos aconsejarle sobre lo que necesita hasta que entregue la máquina para su reparación. Tenga en cuenta lo siguiente a la hora de cursar su pedido:
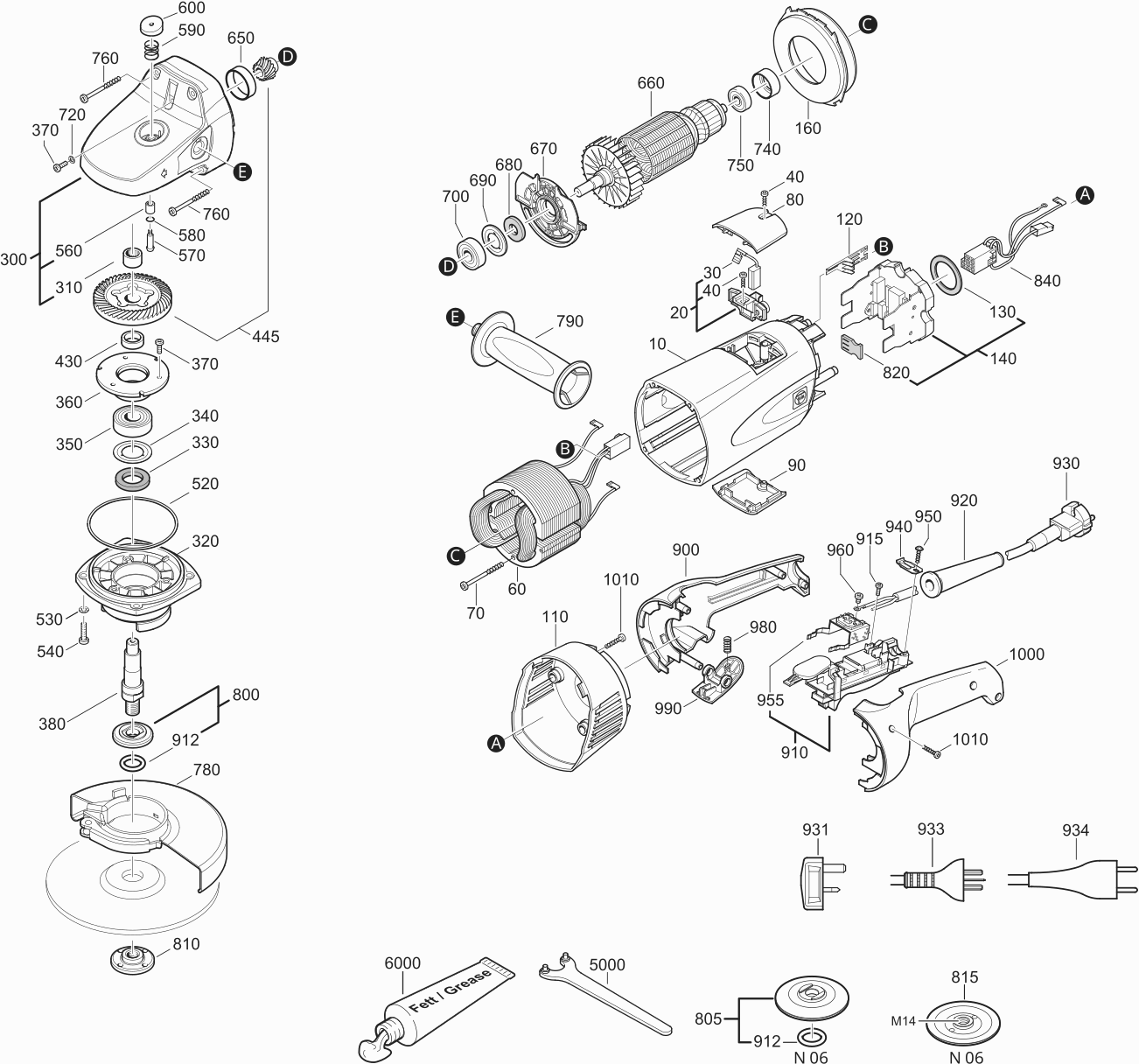
Dibujo técnico de los/las Fein 72212700230 ( WSG25-230 )
Lista de las piezas de repuesto de Fein 72212700230 ( WSG25-230 )
| Pos. | Descripción | Precio con el IVA excluido | Precio con el IVA incluido | |
| Los precios mostrados incluyen el IVA | ||||
| Carcasa del motor | ||||
| 10 | 31903210002 | 48.49 | 58.67 | |
| Portacepillos 220-230V, 50/60Hz | ||||
| 20 | 30712090019 | 18.50 | 22.38 | |
| CEPILLO 12X8 M. RESORTE U-CONTACTO | ||||
| 30 | 30711137006 | 11.35 | 13.73 | |
| TORNILLO M4X35 | ||||
| 40 | 43070027000 | 1.04 | 1.26 | |
| CAMPO 230V | ||||
| 60 | 51275005230 | 127.60 | 154.40 | |
| TORNILLO M4X35 | ||||
| 70 | 43072001009 | 1.04 | 1.26 | |
| Cubierta Superior | ||||
| 80 | 32427113009 | 5.15 | 6.23 | |
| Cubierta inferior | ||||
| 90 | 32427115001 | 7.10 | 8.59 | |
| Casa de enfriamiento | ||||
| 110 | 31207242002 | 16.59 | 20.07 | |
| ENCHUFE MALE | ||||
| 120 | 31428132004 | 1.25 | 1.51 | |
| Soporte de parada | ||||
| 130 | 31415092003 | 1.04 | 1.26 | |
| Electronica TID 18 ET-BG | ||||
| 140 | 30762609990 | 142.91 | 172.92 | |
| Anillo deflector de aire | ||||
| 160 | 31428133008 | 6.19 | 7.49 | |
| Caja de engranajes WSG25-180 | ||||
| 300 | 31206134030 | 121.22 | 146.68 | |
| RODAMIENTO DE AGUJAS | ||||
| 310 | 41706030007 | 22.97 | 27.79 | |
| Placa de apoyo KA-UG | ||||
| 320 | 32419138000 | 33.81 | 40.91 | |
| Arandela de fieltro D 20/14 2mm | ||||
| 330 | 30601110005 | 1.88 | 2.27 | |
| Disco de cobertura | ||||
| 340 | 32411084009 | 2.09 | 2.53 | |
| RODAMIENTO DE BOLAS OSC 18 | ||||
| 350 | 41701224024 | 10.58 | 12.80 | |
| Ya no disponible, sin reemplazo | ||||
| 360 | 32416105008 | |||
| Tornillo de lente | ||||
| 370 | 43064002043 | 1.04 | 1.26 | |
| BARRA TOMMY | ||||
| 380 | 33406289002 | 35.09 | 42.46 | |
| Arandela | ||||
| 430 | 32601273006 | 4.10 | 4.96 | |
| Conjunto de engranajes | ||||
| 445 | 33809233010 | 67.63 | 81.83 | |
| Disco | ||||
| 520 | 32624118022 | 2.51 | 3.04 | |
| Arandela de seguridad M5 | ||||
| 530 | 42443004057 | 1.04 | 1.26 | |
| TORNILLO M4X35 | ||||
| 540 | 43064009054 | 1.04 | 1.26 | |
| MANGUITO ROSCADO | ||||
| 560 | 30507230009 | 3.68 | 4.45 | |
| Pasador de bloqueo | ||||
| 570 | 30217335005 | 6.61 | 8.00 | |
| Anillo de sellado | ||||
| 580 | 40612137008 | 1.04 | 1.26 | |
| Muelle espiral | ||||
| 590 | 30901354004 | 2.09 | 2.53 | |
| Botón pulsador | ||||
| 600 | 32805180004 | 2.51 | 3.04 | |
| Casquillo de goma | ||||
| 650 | 30507169007 | 2.51 | 3.04 | |
| ARMADURA 230V | ||||
| 660 | 53275001231 | 172.26 | 208.43 | |
| Placa de apoyo KA-UG | ||||
| 670 | 32416103006 | 9.74 | 11.79 | |
| Anillo de fieltro | ||||
| 680 | 30601050002 | 1.04 | 1.26 | |
| Disco de sellado | ||||
| 690 | 32411083001 | 1.25 | 1.51 | |
| RODAMIENTO DE BOLAS OSC 18 | ||||
| 700 | 41701213096 | 16.27 | 19.69 | |
| Arandela de seguridad M4 | ||||
| 720 | 42443003043 | 1.04 | 1.26 | |
| Casquillo de goma | ||||
| 740 | 30507168003 | 2.51 | 3.04 | |
| RODAMIENTO DE BOLAS OSC 18 | ||||
| 750 | 41701207033 | 8.50 | 10.28 | |
| Perno M8X60 | ||||
| 760 | 43070029002 | 1.04 | 1.26 | |
| No hay información disponible, no se puede pedir | ||||
| 780 | 31810246020 | |||
| No hay información disponible, no se puede pedir | ||||
| 790 | 32119032002 | |||
| Brida de la amoladora interna sin tracción | ||||
| 800 | 63801182010 | 12.25 | 14.82 | |
| No hay información disponible, no se puede pedir | ||||
| 810 | 63802052000 | |||
| Tapa | ||||
| 820 | 31415089009 | 1.04 | 1.26 | |
| Cable de conexión MX 1200/2 E EF | ||||
| 840 | 30719613012 | 11.56 | 13.99 | |
| MANIJA INFERIOR | ||||
| 900 | 31204167000 | 11.10 | 13.43 | |
| Interruptor | ||||
| 910 | 30701278010 | 67.63 | 81.83 | |
| Sello | ||||
| 912 | 40612000007 | 1.04 | 1.26 | |
| Tornillo de lente | ||||
| 915 | 43041001994 | 1.04 | 1.26 | |
| Manguera protectora | ||||
| 920 | 31413094007 | 2.93 | 3.55 | |
| CABLE CON ENCHUFE | ||||
| 930 | 30707387012 | 16.27 | 19.69 | |
| Alivio de tensión | ||||
| 940 | 32431042008 | 1.04 | 1.26 | |
| TORNILLO M4X35 | ||||
| 950 | 43070035002 | 1.04 | 1.26 | |
| Pieza de conexión | ||||
| 955 | 30717203014 | 18.50 | 22.38 | |
| Tornillo de lente | ||||
| 960 | 43041016042 | 1.04 | 1.26 | |
| Muelle | ||||
| 980 | 30901343007 | 1.04 | 1.26 | |
| Botón de interruptor | ||||
| 990 | 32816057007 | 2.93 | 3.55 | |
| MANIJA SUPERIOR | ||||
| 1000 | 31204168008 | 11.10 | 13.43 | |
| TORNILLO M4X35 | ||||
| 1010 | 43070031003 | 1.04 | 1.26 | |
| Chip RFID | ||||
| 2500 | 32217517000 | 1.25 | 1.51 | |
| No hay información disponible, no se puede pedir | ||||
| 5000 | 62910022002 | |||
| Ya no disponible, sin reemplazo | ||||
| 6000 | 32160003014 | |||
| Veiligheidsvoorschrift | ||||
| 9020 | 34130054061 | 1.86 | 2.25 | |