Aquí encontrará todas las piezas y dibujos técnicos disponibles de 'Festool 583172 ( AFZUIGARM )'. Desde aquí podrá pedir todas las piezas deseadas directamente. Para muchas piezas de repuesto, es necesario pasar un pedido al fabricante. Dependiendo de la marca, el plazo de entrega puede variar entre una y cuatro semanas. Toda la información que tenemos está en nuestro sitio web. No podremos aconsejarle sobre lo que necesita hasta que entregue la máquina para su reparación. Tenga en cuenta lo siguiente a la hora de cursar su pedido:
Debido a una reorganización dentro de Festool, los pedidos de Festool no se entregarán hasta la segunda mitad de enero de 2026.
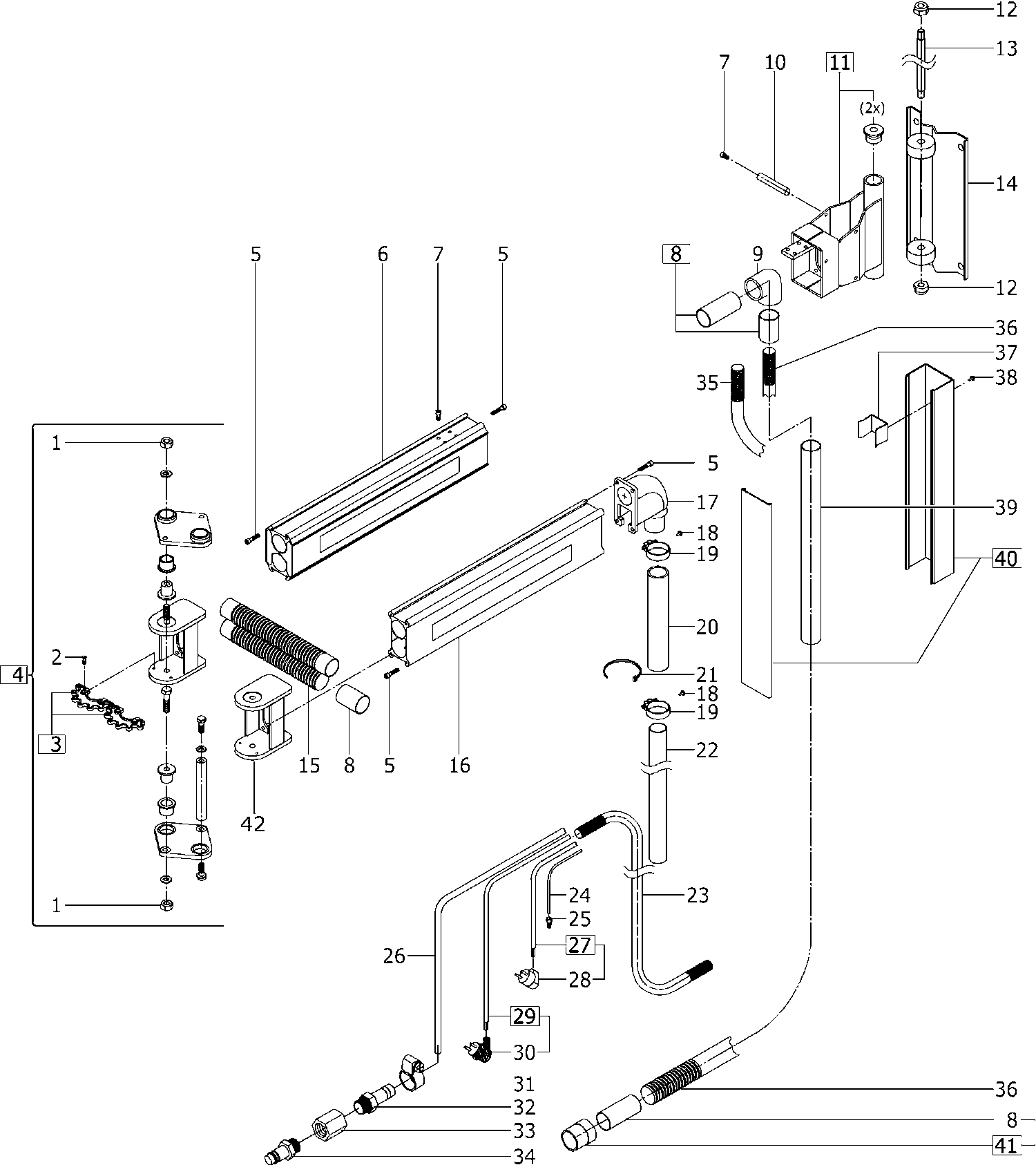
Dibujo técnico de los/las Festool 583172 ( AFZUIGARM )
Lista de las piezas de repuesto de Festool 583172 ( AFZUIGARM )
| Pos. | Descripción | Precio con el IVA excluido | Precio con el IVA incluido | |
| Los precios mostrados incluyen el IVA | ||||
| Tuerca hexagonal M14 | ||||
| 1 | 400588 | 3.89 | 4.71 | |
| Tornillo avellanado M6 x 16 | ||||
| 2 | 400990 | 1.39 | 1.68 | |
| ENGANCHE | ||||
| 3 | 496322 | 86.15 | 104.24 | |
| No hay información disponible, no se puede pedir | ||||
| 4 | xxx | |||
| Tornillo de cabeza cilíndrica M8 x 35 | ||||
| 5 | 200695 | 1.39 | 1.68 | |
| No hay información disponible, no se puede pedir | ||||
| 6 | xxx | |||
| Tornillo de cabeza cilíndrica M8 x 20 | ||||
| 7 | 400153 | 6.41 | 7.76 | |
| Tubo Ø 50 x 100 mm | ||||
| 8 | 445461 | 12.83 | 15.52 | |
| Accesorio | ||||
| 9 | 445460 | 31.82 | 38.50 | |
| Tornillo | ||||
| 10 | 445446 | 35.33 | 42.75 | |
| Brida OS 400 EQ | ||||
| 11 | 488452 | 339.89 | 411.27 | |
| No hay información disponible, no se puede pedir | ||||
| 12 | 200738 | |||
| BARRA TOMMY | ||||
| 13 | 495835 | 70.91 | 85.80 | |
| Consola Asa 5000 / 6000 | ||||
| 14 | 495837 | 302.26 | 365.73 | |
| Manguera Ø 50 x 0,3 m | ||||
| 15 | 445463 | 26.14 | 31.63 | |
| Brazo Asa 2500 / 5000 | ||||
| 16 | 445452 | 422.65 | 511.41 | |
| Brida OS 400 EQ | ||||
| 17 | 445450 | 290.64 | 351.67 | |
| Remache ciego | ||||
| 18 | 445469 | 7.85 | 9.50 | |
| ABRAZADERA DE CABLE | ||||
| 19 | 445467 | 22.26 | 26.93 | |
| Manguera Asa 2500 / 5000 | ||||
| 20 | 445466 | 59.17 | 71.60 | |
| Brida para cables | ||||
| 21 | 446862 | 6.73 | 8.14 | |
| Tubo CS 50 EBG | ||||
| 22 | 445468 | 70.18 | 84.92 | |
| Manguera 1650 mm | ||||
| 23 | 449907 | 29.40 | 35.57 | |
| No hay información disponible, no se puede pedir | ||||
| 24 | 449824 | |||
| No hay información disponible, no se puede pedir | ||||
| 25 | 2150 | |||
| Manguera de aire comprimido Asa 2500 / 5000 | ||||
| 26 | 495749 | 89.06 | 107.76 | |
| No hay información disponible, no se puede pedir | ||||
| 27 | xxx | |||
| No hay información disponible, no se puede pedir | ||||
| 28 | xxx | |||
| No hay información disponible, no se puede pedir | ||||
| 29 | xxx | |||
| No hay información disponible, no se puede pedir | ||||
| 30 | xxx | |||
| ABRAZADERA DE CABLE | ||||
| 31 | 9274 | 3.77 | 4.56 | |
| No hay información disponible, no se puede pedir | ||||
| 32 | xxx | |||
| Casquillo | ||||
| 33 | 200477 | 29.04 | 35.14 | |
| No hay información disponible, no se puede pedir | ||||
| 34 | xxx | |||
| No hay información disponible, no se puede pedir | ||||
| 35 | 449908 | |||
| Manguera Ø 50 x 1 m | ||||
| 36 | 445459 | 51.79 | 62.67 | |
| Abrazadera de tubo | ||||
| 37 | 445456 | 37.39 | 45.24 | |
| REMACHE | ||||
| 38 | 400152 | 5.47 | 6.62 | |
| Tubo Ø 50 X 2000 mm | ||||
| 39 | 445472 | 117.13 | 141.73 | |
| Canal de instalación L=2000 mm | ||||
| 40 | 445473 | 139.88 | 169.25 | |
| Acoplamiento | ||||
| 41 | 489397 | 37.27 | 45.10 | |
| No hay información disponible, no se puede pedir | ||||
| 42 | 445441 | |||