Aquí encontrará todas las piezas y dibujos técnicos disponibles de 'Festool 486756 ( AT65EB230V )'. Desde aquí podrá pedir todas las piezas deseadas directamente. Para muchas piezas de repuesto, es necesario pasar un pedido al fabricante. Dependiendo de la marca, el plazo de entrega puede variar entre una y cuatro semanas. Toda la información que tenemos está en nuestro sitio web. No podremos aconsejarle sobre lo que necesita hasta que entregue la máquina para su reparación. Tenga en cuenta lo siguiente a la hora de cursar su pedido:
Debido a una reorganización dentro de Festool, los pedidos de Festool no se entregarán hasta la segunda mitad de enero de 2026.
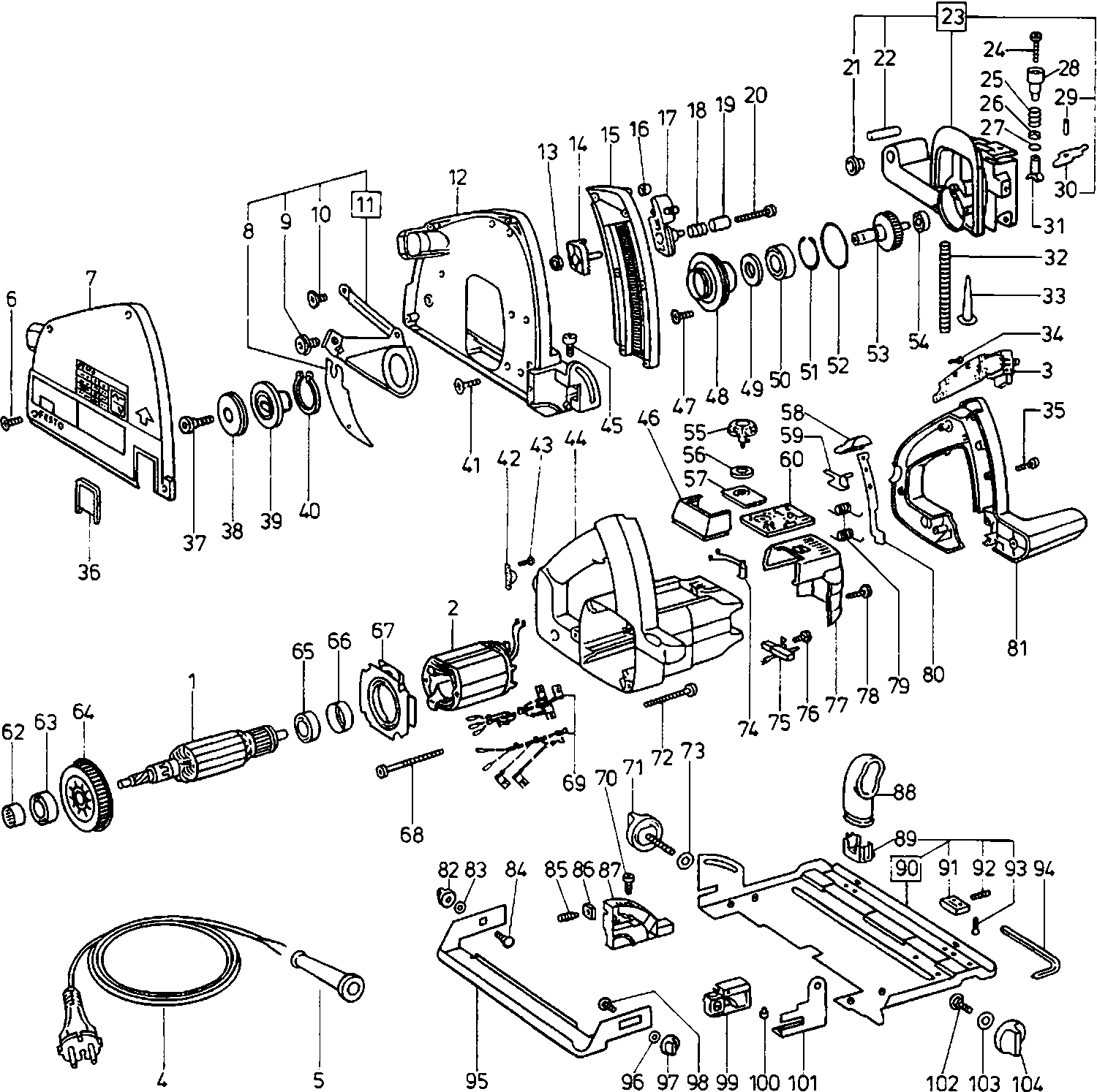
Dibujo técnico de los/las Festool 486756 ( AT65EB230V )
Lista de las piezas de repuesto de Festool 486756 ( AT65EB230V )
| Pos. | Descripción | Precio con el IVA excluido | Precio con el IVA incluido | |
| Los precios mostrados incluyen el IVA | ||||
| No hay información disponible, no se puede pedir | ||||
| 1 | 489530 | |||
| No hay información disponible, no se puede pedir | ||||
| 2 | xxx | |||
| Módulo de freno | ||||
| 3 | 489831 | 83.49 | 101.02 | |
| Cable Eu | ||||
| 4 | 457408 | 28.07 | 33.96 | |
| Manguera de protección de cable | ||||
| 5 | 432436 | 1.39 | 1.68 | |
| Tornillo avellanado M4 x 10 | ||||
| 6 | 228736 | 1.39 | 1.68 | |
| No hay información disponible, no se puede pedir | ||||
| 7 | xxx | |||
| No hay información disponible, no se puede pedir | ||||
| 8 | xxx | |||
| No hay información disponible, no se puede pedir | ||||
| 9 | xxx | |||
| No hay información disponible, no se puede pedir | ||||
| 10 | xxx | |||
| No hay información disponible, no se puede pedir | ||||
| 11 | 485488 | |||
| No hay información disponible, no se puede pedir | ||||
| 12 | xxx | |||
| Tuerca hexagonal M5 | ||||
| 13 | 200717 | 1.39 | 1.68 | |
| No hay información disponible, no se puede pedir | ||||
| 14 | xxx | |||
| No hay información disponible, no se puede pedir | ||||
| 15 | xxx | |||
| No hay información disponible, no se puede pedir | ||||
| 16 | xxx | |||
| Tope de profundidad TSF 55 EBQ | ||||
| 17 | 445503 | 2.18 | 2.64 | |
| Resorte de compresión | ||||
| 18 | 201134 | 1.39 | 1.68 | |
| Ya no disponible, sin reemplazo | ||||
| 19 | 439956 | |||
| Tornillo de cabeza ovalada M5 x 40 | ||||
| 20 | 203740 | 1.39 | 1.68 | |
| Casquillo de brida KS 60 E | ||||
| 21 | 439331 | 2.30 | 2.78 | |
| No hay información disponible, no se puede pedir | ||||
| 22 | 443877 | |||
| No hay información disponible, no se puede pedir | ||||
| 23 | 485486 | |||
| Tornillo con cabeza ovalada M4 x 40 | ||||
| 24 | 228591 | 1.39 | 1.68 | |
| Resorte de compresión | ||||
| 25 | 201134 | 1.39 | 1.68 | |
| Arandela de apoyo S 12,1x21x1 DIN 988 | ||||
| 26 | 444142 | 1.39 | 1.68 | |
| Anillo O | ||||
| 27 | 444234 | 1.39 | 1.68 | |
| BOTÓN | ||||
| 28 | 440441 | 3.24 | 3.92 | |
| Pasador DIN 7346-5x12-ST | ||||
| 29 | 228692 | 1.39 | 1.68 | |
| No hay información disponible, no se puede pedir | ||||
| 30 | xxx | |||
| Tornillo | ||||
| 31 | 444114 | 8.98 | 10.87 | |
| No hay información disponible, no se puede pedir | ||||
| 32 | xxx | |||
| No hay información disponible, no se puede pedir | ||||
| 33 | xxx | |||
| Tornillo de cabeza ovalada M3 x 6,5 | ||||
| 34 | 228718 | 1.39 | 1.68 | |
| Tornillo de cabeza ovalada PT-4,0x25-KT15 | ||||
| 35 | 228580 | 1.39 | 1.68 | |
| Ventana CXS LED | ||||
| 36 | 438943 | 3.89 | 4.71 | |
| Tornillo cilíndrico M8 x 15 | ||||
| 37 | 443318 | 5.68 | 6.87 | |
| No hay información disponible, no se puede pedir | ||||
| 38 | 486688 | |||
| Ya no disponible, sin reemplazo | ||||
| 39 | 486687 | |||
| No hay información disponible, no se puede pedir | ||||
| 40 | xxx | |||
| Tornillo avellanado 4,0 x 10 mm | ||||
| 41 | 219102 | 1.39 | 1.68 | |
| Abrazadera de cable KS 60 E | ||||
| 42 | 439288 | 1.39 | 1.68 | |
| Tornillo de cabeza ovalada PT-3,5x16-KT15 | ||||
| 43 | 228663 | 1.39 | 1.68 | |
| Ya no disponible, sin reemplazo | ||||
| 44 | 446283 | |||
| Tornillo de cabeza cilíndrica M5 x 16 | ||||
| 45 | 228617 | 1.39 | 1.68 | |
| Cubierta TURBO II | ||||
| 46 | 438607 | 4.09 | 4.95 | |
| Tornillo avellanado M4 x 10 | ||||
| 47 | 228736 | 1.39 | 1.68 | |
| No hay información disponible, no se puede pedir | ||||
| 48 | xxx | |||
| Resorte de disco KS 60 E | ||||
| 49 | 444235 | 1.58 | 1.91 | |
| RODAMIENTO DE BOLAS OSC 18 | ||||
| 50 | 789595 | 9.24 | 11.18 | |
| No hay información disponible, no se puede pedir | ||||
| 51 | xxx | |||
| Anillo O | ||||
| 52 | 442413 | 1.39 | 1.68 | |
| Eje del engranaje KS 60 E | ||||
| 53 | 441035 | 55.90 | 67.64 | |
| RODAMIENTO DE BOLAS OSC 18 | ||||
| 54 | 228715 | 4.42 | 5.35 | |
| Rueda de ajuste KS 60 | ||||
| 55 | 440991 | 4.88 | 5.90 | |
| Anillo de sellado | ||||
| 56 | 438509 | 1.45 | 1.75 | |
| Ventana CXS LED | ||||
| 57 | 438198 | 2.45 | 2.96 | |
| BOTÓN | ||||
| 58 | 434341 | 2.77 | 3.35 | |
| Cubierta ATF 55 EB | ||||
| 59 | 451680 | 1.39 | 1.68 | |
| No hay información disponible, no se puede pedir | ||||
| 60 | xxx | |||
| Manga de aguja AGC 18 | ||||
| 62 | 469074 | 4.09 | 4.95 | |
| RODAMIENTO DE BOLAS OSC 18 | ||||
| 63 | 228798 | 5.68 | 6.87 | |
| Ventilador Sunon PMD2412PMB1-A | ||||
| 64 | 445205 | 10.30 | 12.46 | |
| RODAMIENTO DE BOLAS OSC 18 | ||||
| 65 | 228559 | 4.30 | 5.20 | |
| Anillo del eje | ||||
| 66 | 438613 | 1.39 | 1.68 | |
| Disco guía de aire HK 85 | ||||
| 67 | 457657 | 2.04 | 2.47 | |
| Tornillo de Lente 4,0 x 70 mm | ||||
| 68 | 442415 | 1.39 | 1.68 | |
| No hay información disponible, no se puede pedir | ||||
| 69 | 487128 | |||
| Tornillo cabeza ovalada M4x10 DIN 7985 | ||||
| 70 | 228733 | 1.39 | 1.68 | |
| Perilla rotativa D34 M6/8T azul | ||||
| 71 | 482098 | 2.04 | 2.47 | |
| Tornillo de cilindro | ||||
| 72 | 203780 | 1.66 | 2.01 | |
| Disco DIN 125-B-6,4-140 HV | ||||
| 73 | 228546 | 1.39 | 1.68 | |
| Carrete de hilo | ||||
| 74 | 486744 | 14.88 | 18.00 | |
| Portacepillos con carbono (par) 230V | ||||
| 75 | 488915 | 17.54 | 21.22 | |
| Tornillo con cabeza ovalada 3,5 x 8 mm | ||||
| 76 | 219047 | 1.39 | 1.68 | |
| Tapa | ||||
| 77 | 439824 | 9.17 | 11.10 | |
| Tornillo de cabeza ovalada PT-4,0x25-KT15 | ||||
| 78 | 228580 | 1.39 | 1.68 | |
| Resorte de torsión TSF 55 | ||||
| 79 | 439973 | 1.72 | 2.08 | |
| Palanca KA 65 | ||||
| 80 | 439890 | 3.10 | 3.75 | |
| CUBIERTA | ||||
| 81 | 440102 | 21.18 | 25.63 | |
| Perilla giratoria M6 | ||||
| 82 | 440712 | 2.51 | 3.04 | |
| Disco | ||||
| 83 | 402935 | 1.39 | 1.68 | |
| Tornillo de cabeza plana M6 x 12 | ||||
| 84 | 228592 | 1.39 | 1.68 | |
| Tornillo de presión DIN 915-M4x12-45H-TUF | ||||
| 85 | 203387 | 4.56 | 5.52 | |
| Tuerca cuadrada M4 | ||||
| 86 | 773030 | 1.39 | 1.68 | |
| Segmento giratorio | ||||
| 87 | 442067 | 5.62 | 6.80 | |
| Deflector de virutas | ||||
| 88 | 439696 | 7.99 | 9.67 | |
| Parte de Ajuste | ||||
| 89 | 442809 | 1.45 | 1.75 | |
| TIRA | ||||
| 90 | 486636 | 94.26 | 114.05 | |
| Parte de Ajuste | ||||
| 91 | 443971 | 1.39 | 1.68 | |
| Perno roscado M6 x 12 | ||||
| 92 | 442597 | 1.39 | 1.68 | |
| Tornillo avellanado 4,0 x 10 mm | ||||
| 93 | 400014 | 1.39 | 1.68 | |
| Llave de Casquillo Hexagonal | ||||
| 94 | 439274 | 3.77 | 4.56 | |
| Mesa de extensión KS 60 E | ||||
| 95 | 441841 | 17.91 | 21.67 | |
| Disco | ||||
| 96 | 402935 | 1.39 | 1.68 | |
| Perilla giratoria M6 | ||||
| 97 | 440712 | 2.51 | 3.04 | |
| Tornillo de cabeza plana M6 x 12 | ||||
| 98 | 228592 | 1.39 | 1.68 | |
| Segmento giratorio | ||||
| 99 | 442066 | 6.00 | 7.26 | |
| No hay información disponible, no se puede pedir | ||||
| 100 | xxx | |||
| VÁLVULA | ||||
| 101 | 442284 | 8.32 | 10.07 | |
| Tornillo de cabeza plana | ||||
| 102 | 444362 | 1.39 | 1.68 | |
| Disco DIN 125-B-6,4-140 HV | ||||
| 103 | 228546 | 1.39 | 1.68 | |
| Perilla rotativa D34 M6/8T azul | ||||
| 104 | 440713 | 2.71 | 3.28 | |