Aquí encontrará todas las piezas y dibujos técnicos disponibles de 'Festool 485785 ( ATF55 )'. Desde aquí podrá pedir todas las piezas deseadas directamente. Para muchas piezas de repuesto, es necesario pasar un pedido al fabricante. Dependiendo de la marca, el plazo de entrega puede variar entre una y cuatro semanas. Toda la información que tenemos está en nuestro sitio web. No podremos aconsejarle sobre lo que necesita hasta que entregue la máquina para su reparación. Tenga en cuenta lo siguiente a la hora de cursar su pedido:
Debido a una reorganización dentro de Festool, los pedidos de Festool no se entregarán hasta la segunda mitad de enero de 2026.
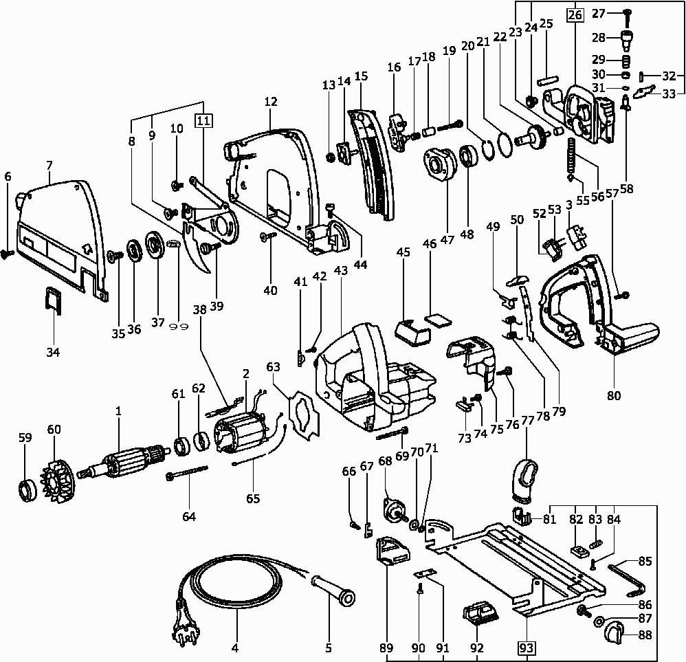
Dibujo técnico de los/las Festool 485785 ( ATF55 )
Lista de las piezas de repuesto de Festool 485785 ( ATF55 )
| Pos. | Descripción | Precio con el IVA excluido | Precio con el IVA incluido | |
| Los precios mostrados incluyen el IVA | ||||
| Inducido 230v | ||||
| 1 | 493219 | 157.18 | 190.19 | |
| VELDPAKKET AP 55 | ||||
| 2 | 493220 | 78.17 | 94.59 | |
| Interruptor 230 V | ||||
| 3 | 490844 | 18.15 | 21.96 | |
| Cable Eu | ||||
| 4 | 457410 | 24.32 | 29.43 | |
| Manguera de protección de cable | ||||
| 5 | 432436 | 1.39 | 1.68 | |
| Tornillo avellanado M4 x 10 | ||||
| 6 | 228736 | 1.39 | 1.68 | |
| CUBIERTA | ||||
| 7 | 703602 | 61.47 | 74.38 | |
| Ya no disponible, sin reemplazo | ||||
| 8 | 439860 | |||
| No hay información disponible, no se puede pedir | ||||
| 9 | xxx | |||
| No hay información disponible, no se puede pedir | ||||
| 10 | xxx | |||
| No hay información disponible, no se puede pedir | ||||
| 11 | xxx | |||
| CUBIERTA PROTECTORA | ||||
| 12 | 447207 | 55.06 | 66.62 | |
| Tuerca hexagonal M5 | ||||
| 13 | 200717 | 1.39 | 1.68 | |
| No hay información disponible, no se puede pedir | ||||
| 14 | xxx | |||
| Segmento DF 700 | ||||
| 15 | 440495 | 8.38 | 10.14 | |
| Tope de profundidad TSF 55 EBQ | ||||
| 16 | 445503 | 2.18 | 2.64 | |
| Resorte de compresión | ||||
| 17 | 201134 | 1.39 | 1.68 | |
| Ya no disponible, sin reemplazo | ||||
| 18 | 439956 | |||
| Tornillo de cabeza ovalada M5 x 40 | ||||
| 19 | 203740 | 1.39 | 1.68 | |
| Anillo de bloqueo | ||||
| 20 | 401246 | 1.39 | 1.68 | |
| Anillo O | ||||
| 21 | 440457 | 1.39 | 1.68 | |
| Ya no disponible, sin reemplazo | ||||
| 22 | 443336 | |||
| Cojinete de cilindro | ||||
| 23 | 439042 | 2.38 | 2.88 | |
| Casquillo de brida KS 60 E | ||||
| 24 | 439331 | 2.30 | 2.78 | |
| Pasador cilíndrico 2,5 M 6X34 | ||||
| 25 | 439972 | 3.17 | 3.84 | |
| No hay información disponible, no se puede pedir | ||||
| 26 | xxx | |||
| Tornillo con cabeza ovalada M4 x 40 | ||||
| 27 | 228591 | 1.39 | 1.68 | |
| BOTÓN | ||||
| 28 | 440441 | 3.24 | 3.92 | |
| Resorte de compresión | ||||
| 29 | 201134 | 1.39 | 1.68 | |
| Arandela de apoyo S 12,1x21x1 DIN 988 | ||||
| 30 | 444142 | 1.39 | 1.68 | |
| Anillo O | ||||
| 31 | 444234 | 1.39 | 1.68 | |
| Pasador DIN 7346-5x12-ST | ||||
| 32 | 228692 | 1.39 | 1.68 | |
| Desviación | ||||
| 33 | 439889 | 11.02 | 13.33 | |
| Ventana CXS LED | ||||
| 34 | 438943 | 3.89 | 4.71 | |
| Tornillo avellanado | ||||
| 35 | 439269 | 1.85 | 2.24 | |
| Brida de contra VN-HK 85 | ||||
| 36 | 440089 | 5.74 | 6.95 | |
| Brida 11,5 mm | ||||
| 37 | 455953 | 11.54 | 13.96 | |
| Abrazadera en U | ||||
| 38 | 443331 | 1.51 | 1.83 | |
| No hay información disponible, no se puede pedir | ||||
| 39 | xxx | |||
| Tornillo avellanado 4,0 x 10 mm | ||||
| 40 | 400014 | 1.39 | 1.68 | |
| Abrazadera de cable KS 60 E | ||||
| 41 | 439288 | 1.39 | 1.68 | |
| Tornillo de cabeza ovalada PT-3,5x16-KT15 | ||||
| 42 | 228663 | 1.39 | 1.68 | |
| Marco del motor AG 125-14 DE | ||||
| 43 | 446282 | 16.82 | 20.35 | |
| Tornillo de cabeza cilíndrica M5 x 16 | ||||
| 44 | 228617 | 1.39 | 1.68 | |
| Cubierta TURBO II | ||||
| 45 | 438607 | 4.09 | 4.95 | |
| No hay información disponible, no se puede pedir | ||||
| 46 | xxx | |||
| MANGUITO ROSCADO | ||||
| 47 | 440228 | 26.50 | 32.06 | |
| RODAMIENTO DE BOLAS OSC 18 | ||||
| 48 | 228659 | 8.11 | 9.81 | |
| Cubierta ATF 55 EB | ||||
| 49 | 451680 | 1.39 | 1.68 | |
| BOTÓN | ||||
| 50 | 434341 | 2.77 | 3.35 | |
| CONDENSADOR | ||||
| 52 | 492778 | 18.15 | 21.96 | |
| CORREA | ||||
| 53 | 434716 | 1.39 | 1.68 | |
| Tornillo | ||||
| 55 | 440554 | 1.45 | 1.75 | |
| Resorte de compresión | ||||
| 56 | 440209 | 3.36 | 4.07 | |
| Tornillo de cabeza ovalada PT-4,0x25-KT15 | ||||
| 57 | 228580 | 1.39 | 1.68 | |
| Tornillo | ||||
| 58 | 444114 | 8.98 | 10.87 | |
| RODAMIENTO DE BOLAS OSC 18 | ||||
| 59 | 228798 | 5.68 | 6.87 | |
| Ventilador Sunon PMD2412PMB1-A | ||||
| 60 | 715024 | 2.11 | 2.55 | |
| RODAMIENTO DE BOLAS OSC 18 | ||||
| 61 | 228559 | 4.30 | 5.20 | |
| Anillo del eje | ||||
| 62 | 438613 | 1.39 | 1.68 | |
| Disco guía de aire HK 85 | ||||
| 63 | 457606 | 11.42 | 13.82 | |
| Tornillo de cabeza ovalada PT-4,0x60-KT15 | ||||
| 64 | 228708 | 1.39 | 1.68 | |
| Cable flexible KL | ||||
| 65 | 434951 | 3.70 | 4.48 | |
| Tornillo avellanado M4 x 10 | ||||
| 66 | 228727 | 1.39 | 1.68 | |
| Indicador DF 700 | ||||
| 67 | 439275 | 2.04 | 2.47 | |
| Perilla giratoria M6 | ||||
| 68 | 486202 | 2.57 | 3.11 | |
| Tornillo de cilindro | ||||
| 69 | 203780 | 1.66 | 2.01 | |
| Disco DIN 125-B-6,4-140 HV | ||||
| 70 | 228546 | 1.39 | 1.68 | |
| Portacepillos con carbono (par) 230V | ||||
| 73 | 488915 | 17.54 | 21.22 | |
| Tornillo con cabeza ovalada 3,5 x 8 mm | ||||
| 74 | 219047 | 1.39 | 1.68 | |
| Tapa | ||||
| 75 | 439824 | 9.17 | 11.10 | |
| Tornillo de cabeza ovalada PT-4,0x25-KT15 | ||||
| 76 | 228580 | 1.39 | 1.68 | |
| Deflector de virutas | ||||
| 77 | 439696 | 7.99 | 9.67 | |
| Resorte de torsión TSF 55 | ||||
| 78 | 439973 | 1.72 | 2.08 | |
| Palanca KA 65 | ||||
| 79 | 439890 | 3.10 | 3.75 | |
| CUBIERTA | ||||
| 80 | 440102 | 21.18 | 25.63 | |
| Parte de Ajuste | ||||
| 81 | 442809 | 1.45 | 1.75 | |
| Parte de Ajuste | ||||
| 82 | 443971 | 1.39 | 1.68 | |
| Perno roscado M6 x 12 | ||||
| 83 | 442597 | 1.39 | 1.68 | |
| Tornillo avellanado 4,0 x 10 mm | ||||
| 84 | 400014 | 1.39 | 1.68 | |
| Llave de Casquillo Hexagonal | ||||
| 85 | 439236 | 3.70 | 4.48 | |
| Tornillo de cabeza plana M6 x 12 | ||||
| 86 | 228592 | 1.39 | 1.68 | |
| Disco DIN 125-B-6,4-140 HV | ||||
| 87 | 228546 | 1.39 | 1.68 | |
| Perilla rotativa D34 M6/8T azul | ||||
| 88 | 440713 | 2.71 | 3.28 | |
| Segmento giratorio | ||||
| 89 | 438855 | 2.30 | 2.78 | |
| Tornillo avellanado M4 x 10 | ||||
| 90 | 228727 | 1.39 | 1.68 | |
| Lista de roscas | ||||
| 91 | 439789 | 1.85 | 2.24 | |
| Segmento giratorio | ||||
| 92 | 438856 | 1.92 | 2.32 | |
| TIRA | ||||
| 93 | 484685 | 50.34 | 60.91 | |
| No hay información disponible, no se puede pedir | ||||
| 99 | xxx | |||