Aquí encontrará todas las piezas y dibujos técnicos disponibles de 'Festool 490592 ( CDD12FX )'. Desde aquí podrá pedir todas las piezas deseadas directamente. Para muchas piezas de repuesto, es necesario pasar un pedido al fabricante. Dependiendo de la marca, el plazo de entrega puede variar entre una y cuatro semanas. Toda la información que tenemos está en nuestro sitio web. No podremos aconsejarle sobre lo que necesita hasta que entregue la máquina para su reparación. Tenga en cuenta lo siguiente a la hora de cursar su pedido:
Debido a una reorganización dentro de Festool, los pedidos de Festool no se entregarán hasta la segunda mitad de enero de 2026.
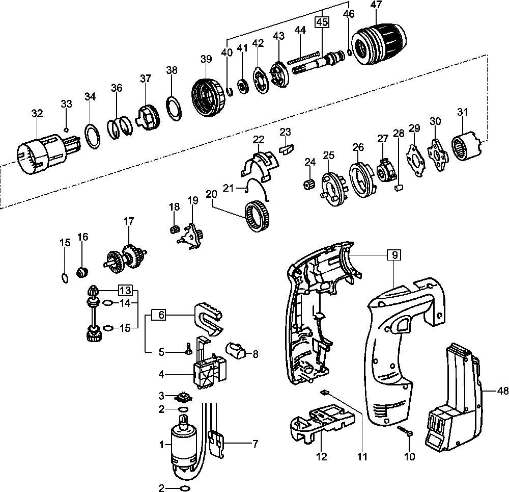
Dibujo técnico de los/las Festool 490592 ( CDD12FX )
Lista de las piezas de repuesto de Festool 490592 ( CDD12FX )
| Pos. | Descripción | Precio con el IVA excluido | Precio con el IVA incluido | |
| Los precios mostrados incluyen el IVA | ||||
| Motor 12v | ||||
| 1 | 487726 | 95.11 | 115.08 | |
| No hay información disponible, no se puede pedir | ||||
| 2 | xxx | |||
| No hay información disponible, no se puede pedir | ||||
| 3 | xxx | |||
| Interruptor 12v | ||||
| 4 | 451583 | 56.75 | 68.67 | |
| No hay información disponible, no se puede pedir | ||||
| 5 | xxx | |||
| No hay información disponible, no se puede pedir | ||||
| 6 | xxx | |||
| TIRA | ||||
| 7 | 487541 | 23.23 | 28.11 | |
| No hay información disponible, no se puede pedir | ||||
| 8 | xxx | |||
| No hay información disponible, no se puede pedir | ||||
| 9 | xxx | |||
| Tornillo de cabeza de lente 3.5 x 22 mm | ||||
| 10 | 400174 | 1.39 | 1.68 | |
| No hay información disponible, no se puede pedir | ||||
| 11 | xxx | |||
| Depósito de bits para Cdd | ||||
| 12 | 444905 | 3.89 | 4.71 | |
| No hay información disponible, no se puede pedir | ||||
| 13 | xxx | |||
| No hay información disponible, no se puede pedir | ||||
| 14 | xxx | |||
| No hay información disponible, no se puede pedir | ||||
| 15 | xxx | |||
| No hay información disponible, no se puede pedir | ||||
| 16 | xxx | |||
| No hay información disponible, no se puede pedir | ||||
| 17 | xxx | |||
| No hay información disponible, no se puede pedir | ||||
| 18 | xxx | |||
| No hay información disponible, no se puede pedir | ||||
| 19 | xxx | |||
| No hay información disponible, no se puede pedir | ||||
| 20 | xxx | |||
| No hay información disponible, no se puede pedir | ||||
| 21 | xxx | |||
| No hay información disponible, no se puede pedir | ||||
| 22 | xxx | |||
| No hay información disponible, no se puede pedir | ||||
| 23 | xxx | |||
| No hay información disponible, no se puede pedir | ||||
| 24 | xxx | |||
| No hay información disponible, no se puede pedir | ||||
| 25 | xxx | |||
| No hay información disponible, no se puede pedir | ||||
| 26 | xxx | |||
| No hay información disponible, no se puede pedir | ||||
| 27 | xxx | |||
| No hay información disponible, no se puede pedir | ||||
| 28 | xxx | |||
| No hay información disponible, no se puede pedir | ||||
| 29 | xxx | |||
| No hay información disponible, no se puede pedir | ||||
| 30 | xxx | |||
| No hay información disponible, no se puede pedir | ||||
| 31 | xxx | |||
| No hay información disponible, no se puede pedir | ||||
| 32 | xxx | |||
| Pelota | ||||
| 33 | 200863 | 1.39 | 1.68 | |
| No hay información disponible, no se puede pedir | ||||
| 34 | xxx | |||
| No hay información disponible, no se puede pedir | ||||
| 36 | xxx | |||
| No hay información disponible, no se puede pedir | ||||
| 37 | xxx | |||
| No hay información disponible, no se puede pedir | ||||
| 38 | xxx | |||
| No hay información disponible, no se puede pedir | ||||
| 39 | 451612 | |||
| No hay información disponible, no se puede pedir | ||||
| 40 | xxx | |||
| RODAMIENTO DE AGUJAS | ||||
| 41 | 494930 | 23.23 | 28.11 | |
| No hay información disponible, no se puede pedir | ||||
| 42 | xxx | |||
| No hay información disponible, no se puede pedir | ||||
| 43 | xxx | |||
| No hay información disponible, no se puede pedir | ||||
| 44 | xxx | |||
| No hay información disponible, no se puede pedir | ||||
| 45 | 490778 | |||
| Anillo de bloqueo | ||||
| 46 | 446416 | 1.39 | 1.68 | |
| SNELSPANBOORKOP KC 13-1/2-K-FFP | ||||
| 47 | 769067 | 60.00 | 72.60 | |
| No hay información disponible, no se puede pedir | ||||
| 48 | 489728 | |||