Aquí encontrará todas las piezas y dibujos técnicos disponibles de 'Festool 454704 ( CT22E )'. Desde aquí podrá pedir todas las piezas deseadas directamente. Para muchas piezas de repuesto, es necesario pasar un pedido al fabricante. Dependiendo de la marca, el plazo de entrega puede variar entre una y cuatro semanas. Toda la información que tenemos está en nuestro sitio web. No podremos aconsejarle sobre lo que necesita hasta que entregue la máquina para su reparación. Tenga en cuenta lo siguiente a la hora de cursar su pedido:
Debido a una reorganización dentro de Festool, los pedidos de Festool no se entregarán hasta la segunda mitad de enero de 2026.
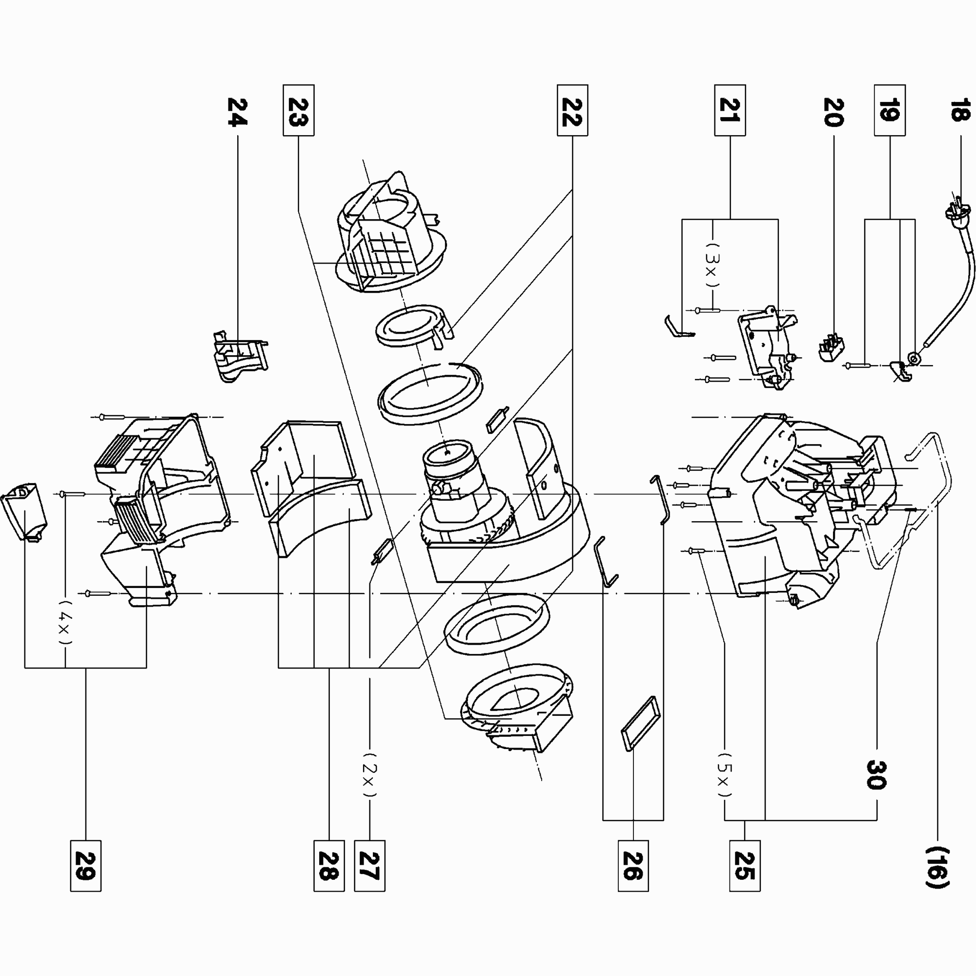
Dibujo técnico de los/las Festool 454704 ( CT22E )
Lista de las piezas de repuesto de Festool 454704 ( CT22E )
| Pos. | Descripción | Precio con el IVA excluido | Precio con el IVA incluido | |
| Los precios mostrados incluyen el IVA | ||||
| No hay información disponible, no se puede pedir | ||||
| 1 | xxx | |||
| Cubierta TURBO II | ||||
| 3 | 200504 | 12.83 | 15.52 | |
| Interruptor 230 V | ||||
| 4 | 452862 | 19.60 | 23.72 | |
| Electronica 230 V | ||||
| 5 | 456773 | 133.22 | 161.20 | |
| No hay información disponible, no se puede pedir | ||||
| 6 | 452866 | |||
| Cubierta de la carcasa | ||||
| 7 | 452869 | 85.91 | 103.95 | |
| No hay información disponible, no se puede pedir | ||||
| 8 | xxx | |||
| Ya no disponible, sin reemplazo | ||||
| 9 | 452854 | |||
| Tapa | ||||
| 10 | 454966 | 134.19 | 162.37 | |
| ABRAZADERA DE CABLE | ||||
| 11 | 452858 | 14.64 | 17.71 | |
| No hay información disponible, no se puede pedir | ||||
| 12 | xxx | |||
| Manija TSC 55 | ||||
| 13 | 452864 | 11.79 | 14.27 | |
| Horquilla LHS 225 EQ | ||||
| 14 | 452021 | 8.78 | 10.62 | |
| Ya no disponible, sin reemplazo | ||||
| 15 | 452870 | |||
| Conjunto de embalaje CT MIDI I ET-BG | ||||
| 16 | 454750 | 28.31 | 34.26 | |
| Portafiltro | ||||
| 17 | 452960 | 50.58 | 61.20 | |
| No hay información disponible, no se puede pedir | ||||
| 19 | xxx | |||
| ABRAZADERA DE CABLE | ||||
| 20 | 452099 | 6.94 | 8.40 | |
| Ya no disponible, sin reemplazo | ||||
| 21 | 452872 | |||
| Unidad de accionamiento 230-240v | ||||
| 22 | 454737 | 200.86 | 243.04 | |
| No hay información disponible, no se puede pedir | ||||
| 23 | 452873 | |||
| PLACA ANGULAR | ||||
| 24 | 452091 | 2.83 | 3.42 | |
| Ya no disponible, sin reemplazo | ||||
| 25 | 454746 | |||
| No hay información disponible, no se puede pedir | ||||
| 26 | 454748 | |||
| Cepillo Desmontable (par) 230v | ||||
| 27 | 452876 | 43.92 | 53.14 | |
| Alfombrilla aislante | ||||
| 28 | 454747 | 18.76 | 22.70 | |
| Tapa | ||||
| 29 | 454749 | 79.38 | 96.05 | |
| Resistencia PTC DF 700 90 C | ||||
| 30 | 452149 | 6.79 | 8.22 | |
| Perno de cojinete | ||||
| 31 | 452016 | 1.39 | 1.68 | |
| Contenedor KA 65 | ||||
| 101 | 452848 | 166.74 | 201.76 | |
| No hay información disponible, no se puede pedir | ||||
| 102 | 452846 | |||
| MANGUITO | ||||
| 103 | 452847 | 15.37 | 18.60 | |
| Piso | ||||
| 104 | 452003 | 16.94 | 20.50 | |
| No hay información disponible, no se puede pedir | ||||
| 105 | 452004 | |||
| No hay información disponible, no se puede pedir | ||||
| 106 | 452949 | |||
| Varilla de acoplamiento DF 700 | ||||
| 107 | 452853 | 17.91 | 21.67 | |
| RODILLO | ||||
| 108 | 452840 | 18.76 | 22.70 | |
| Gancho de cable | ||||
| 109 | 452837 | 19.00 | 22.99 | |
| No hay información disponible, no se puede pedir | ||||
| 110 | xxx | |||
| Soporte | ||||
| 111 | 452841 | 152.58 | 184.62 | |
| Ya no disponible, sin reemplazo | ||||
| 112 | 454743 | |||
| PIEZA POLAR | ||||
| 113 | 452951 | 43.56 | 52.71 | |
| Ya no disponible, sin reemplazo | ||||
| 114 | 452965 | |||
| Ya no disponible, sin reemplazo | ||||
| 115 | 452009 | |||