Aquí encontrará todas las piezas y dibujos técnicos disponibles de 'Festool 488777 ( ET2E-C )'. Desde aquí podrá pedir todas las piezas deseadas directamente. Para muchas piezas de repuesto, es necesario pasar un pedido al fabricante. Dependiendo de la marca, el plazo de entrega puede variar entre una y cuatro semanas. Toda la información que tenemos está en nuestro sitio web. No podremos aconsejarle sobre lo que necesita hasta que entregue la máquina para su reparación. Tenga en cuenta lo siguiente a la hora de cursar su pedido:
Debido a una reorganización dentro de Festool, los pedidos de Festool no se entregarán hasta la segunda mitad de enero de 2026.
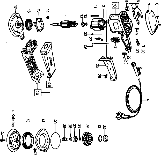
Dibujo técnico de los/las Festool 488777 ( ET2E-C )
Lista de las piezas de repuesto de Festool 488777 ( ET2E-C )
| Pos. | Descripción | Precio con el IVA excluido | Precio con el IVA incluido | |
| Los precios mostrados incluyen el IVA | ||||
| Inducido 230v | ||||
| 1 | 493135 | 128.62 | 155.63 | |
| Ya no disponible, sin reemplazo | ||||
| 2 | 493137 | |||
| Interruptor de montaje | ||||
| 3 | 486317 | 15.00 | 18.15 | |
| Cable Eu | ||||
| 4 | 457600 | 24.32 | 29.43 | |
| No hay información disponible, no se puede pedir | ||||
| 5 | xxx | |||
| Tornillo con cabeza ovalada 3,5 x 10 mm | ||||
| 6 | 219031 | 7.32 | 8.86 | |
| Tapa | ||||
| 7 | 488661 | 11.78 | 14.25 | |
| Electrónica reguladora 230 V | ||||
| 8 | 486686 | 61.47 | 74.38 | |
| No hay información disponible, no se puede pedir | ||||
| 9 | xxx | |||
| Marco del motor AG 125-14 DE | ||||
| 10 | 487834 | 37.51 | 45.39 | |
| Tornillo de cabeza ovalada 4,0 x 40 mm | ||||
| 11 | 219080 | 1.39 | 1.68 | |
| ARANDELA 14x21,8x0,3 L+MN 1100 | ||||
| 12 | 203777 | 1.39 | 1.68 | |
| Rodamiento de bolas de ranura 608 D1 MC3 E U152 J2 | ||||
| 13 | 10775821 | 5.09 | 6.16 | |
| Tuerca hexagonal M4 | ||||
| 14 | 200715 | 1.39 | 1.68 | |
| Disco guía de aire HK 85 | ||||
| 15 | 443109 | 2.57 | 3.11 | |
| Ventilador Sunon PMD2412PMB1-A | ||||
| 16 | 436451 | 2.18 | 2.64 | |
| No hay información disponible, no se puede pedir | ||||
| 17 | xxx | |||
| Tornillo de cabeza ovalada M4x20-TAPTITE-T15 | ||||
| 19 | 228569 | 1.39 | 1.68 | |
| Tornillo con cabeza ovalada 3,5 x 10 mm | ||||
| 20 | 219031 | 7.32 | 8.86 | |
| Carboncillo (par) 220-230v | ||||
| 21 | 489018 | 10.75 | 13.01 | |
| Abrazadera de cable KS 60 E | ||||
| 22 | 439288 | 1.39 | 1.68 | |
| Tornillo de cabeza ovalada PT-3,5x16-KT15 | ||||
| 23 | 228663 | 1.39 | 1.68 | |
| CUBIERTA | ||||
| 25 | 451402 | 6.26 | 7.57 | |
| Tornillo de cabeza ovalada PT-4,0x20-KT15 | ||||
| 26 | 228567 | 1.39 | 1.68 | |
| Abrazadera en U | ||||
| 27 | 443331 | 1.51 | 1.83 | |
| No hay información disponible, no se puede pedir | ||||
| 28 | 440585 | |||
| No hay información disponible, no se puede pedir | ||||
| 29 | 443878 | |||
| RODAMIENTO DE BOLAS OSC 18 | ||||
| 32 | 228659 | 8.11 | 9.81 | |
| Anillo de bloqueo | ||||
| 33 | 401246 | 1.39 | 1.68 | |
| No hay información disponible, no se puede pedir | ||||
| 35 | 488856 | |||
| Anillo de bloqueo | ||||
| 36 | 200619 | 1.39 | 1.68 | |
| RODAMIENTO DE BOLAS OSC 18 | ||||
| 37 | 400048 | 7.58 | 9.17 | |
| Disco | ||||
| 38 | 443660 | 1.39 | 1.68 | |
| Perno de cojinete | ||||
| 39 | 720438 | 26.38 | 31.92 | |
| No hay información disponible, no se puede pedir | ||||
| 40 | xxx | |||
| Cubierta TURBO II | ||||
| 41 | 442925 | 9.90 | 11.98 | |
| Tornillo de cabeza ovalada M4x12-TAPTITE-T15 | ||||
| 42 | 228509 | 1.39 | 1.68 | |
| Manga | ||||
| 43 | 701156 | 7.39 | 8.94 | |
| Tornillo de cilindro | ||||
| 44 | 401165 | 1.39 | 1.68 | |
| TURBOFILTER-SET TFS II-ET/RS | ||||
| 45 | 487780 | 25.00 | 30.25 | |
| TURBOFILTER TF II-ET/RS/5X | ||||
| 46 | 487779 | 8.00 | 9.68 | |