Aquí encontrará todas las piezas y dibujos técnicos disponibles de 'Festool 488024 ( HL850EB )'. Desde aquí podrá pedir todas las piezas deseadas directamente. Para muchas piezas de repuesto, es necesario pasar un pedido al fabricante. Dependiendo de la marca, el plazo de entrega puede variar entre una y cuatro semanas. Toda la información que tenemos está en nuestro sitio web. No podremos aconsejarle sobre lo que necesita hasta que entregue la máquina para su reparación. Tenga en cuenta lo siguiente a la hora de cursar su pedido:
Debido a una reorganización dentro de Festool, los pedidos de Festool no se entregarán hasta la segunda mitad de enero de 2026.
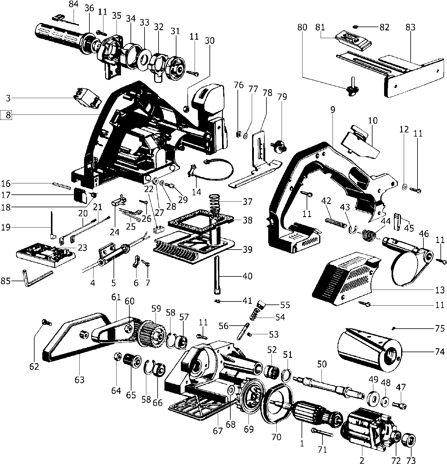
Dibujo técnico de los/las Festool 488024 ( HL850EB )
Lista de las piezas de repuesto de Festool 488024 ( HL850EB )
| Pos. | Descripción | Precio con el IVA excluido | Precio con el IVA incluido | |
| Los precios mostrados incluyen el IVA | ||||
| Inducido 230v | ||||
| 1 | 492300 | 149.80 | 181.26 | |
| Paquete de campo 230v | ||||
| 2 | 492302 | 87.24 | 105.56 | |
| Interruptor de freno | ||||
| 3 | 450576 | 15.97 | 19.32 | |
| Cable Eu | ||||
| 4 | 457600 | 24.32 | 29.43 | |
| Funda de cable | ||||
| 5 | 437024 | 2.57 | 3.11 | |
| Abrazadera de cable KS 60 E | ||||
| 6 | 439288 | 1.39 | 1.68 | |
| Tornillo de cabeza ovalada PT-3,5x16-KT15 | ||||
| 7 | 228663 | 1.39 | 1.68 | |
| Marco del motor AG 125-14 DE | ||||
| 8 | 485889 | 139.15 | 168.37 | |
| CUBIERTA | ||||
| 9 | 715176 | 14.40 | 17.42 | |
| Tecla basculante | ||||
| 10 | 715039 | 3.10 | 3.75 | |
| Tornillo de cabeza ovalada PT-4,0x20-KT15 | ||||
| 11 | 228567 | 1.39 | 1.68 | |
| Arandela de resorte | ||||
| 12 | 200762 | 1.39 | 1.68 | |
| Tapa del motor KS 60 E | ||||
| 13 | 455589 | 4.42 | 5.35 | |
| Carrete de hilo | ||||
| 14 | 612012 | 14.40 | 17.42 | |
| Pasador cilíndrico 2,5 M 6X34 | ||||
| 16 | 228651 | 1.39 | 1.68 | |
| PLACA ANGULAR | ||||
| 17 | 715030 | 1.39 | 1.68 | |
| Resorte de torsión TSF 55 | ||||
| 18 | 715033 | 1.39 | 1.68 | |
| Cable flexible KL | ||||
| 19 | 449242 | 2.77 | 3.35 | |
| Cable flexible KL | ||||
| 20 | 449241 | 2.30 | 2.78 | |
| Cable flexible KL | ||||
| 21 | 449240 | 2.83 | 3.42 | |
| Bloque de Terminal | ||||
| 22 | 410377 | 1.39 | 1.68 | |
| Electrónica HL 850 EB 230V ET-BG | ||||
| 23 | 205136 | 103.21 | 124.88 | |
| Portacepillos con carbono (par) 230V | ||||
| 24 | 488915 | 17.54 | 21.22 | |
| Abrazadera en U | ||||
| 25 | 449243 | 5.47 | 6.62 | |
| Tornillo con cabeza ovalada 3,5 x 10 mm | ||||
| 26 | 219031 | 7.32 | 8.86 | |
| Arandela | ||||
| 27 | 715166 | 4.30 | 5.20 | |
| Disco DIN 125-B-5,3-140 HV | ||||
| 28 | 200577 | 1.39 | 1.68 | |
| Tornillo de cabeza ovalada M6x50 DIN 7985-4.8 | ||||
| 29 | 476787 | 1.39 | 1.68 | |
| Tuerca hexagonal DIN 934-M6-10 | ||||
| 30 | 228689 | 1.39 | 1.68 | |
| Leva LEX 3 125/3 | ||||
| 31 | 715053 | 6.79 | 8.22 | |
| Pieza de cabeza OSC 18 ET-BG | ||||
| 32 | 715055 | 11.69 | 14.14 | |
| Disco | ||||
| 33 | 715037 | 2.30 | 2.78 | |
| ANILLO DE SUJECIÓN D38X1,75 | ||||
| 34 | 715054 | 2.90 | 3.51 | |
| CUBIERTA | ||||
| 35 | 715051 | 2.71 | 3.28 | |
| Manija TSC 55 | ||||
| 36 | 715052 | 10.03 | 12.14 | |
| Resorte de compresión | ||||
| 37 | 715029 | 1.66 | 2.01 | |
| Placa de sellado | ||||
| 38 | 715022 | 4.03 | 4.88 | |
| Mesa de ajuste | ||||
| 39 | 487656 | 43.56 | 52.71 | |
| Tornillo de cilindro | ||||
| 40 | 400040 | 1.39 | 1.68 | |
| Anillo Dentado | ||||
| 41 | 213646 | 1.39 | 1.68 | |
| Resorte de compresión | ||||
| 42 | 715038 | 1.39 | 1.68 | |
| Anillo de media luna | ||||
| 43 | 228656 | 1.39 | 1.68 | |
| Resorte de torsión TSF 55 | ||||
| 44 | 715020 | 4.09 | 4.95 | |
| Depresor HK 85 | ||||
| 45 | 715049 | 1.39 | 1.68 | |
| Tapa | ||||
| 46 | 715048 | 4.94 | 5.98 | |
| Tornillo de cabeza cilíndrica M6 x 16 | ||||
| 47 | 200685 | 1.39 | 1.68 | |
| Disco | ||||
| 48 | 402935 | 1.39 | 1.68 | |
| Brida de sujeción VN-HK 85 | ||||
| 49 | 715036 | 1.98 | 2.40 | |
| Eje del avión | ||||
| 50 | 715015 | 34.36 | 41.58 | |
| Anillo de bloqueo | ||||
| 51 | 202930 | 1.39 | 1.68 | |
| RODAMIENTO DE AGUJAS | ||||
| 52 | 788849 | 26.02 | 31.48 | |
| Anillo de media luna | ||||
| 53 | 229597 | 1.39 | 1.68 | |
| Resorte de compresión | ||||
| 54 | 715027 | 1.39 | 1.68 | |
| Tapa | ||||
| 55 | 715050 | 1.39 | 1.68 | |
| Tornillo | ||||
| 56 | 715021 | 4.49 | 5.43 | |
| RODAMIENTO DE BOLAS OSC 18 | ||||
| 57 | 400583 | 6.79 | 8.22 | |
| Anillo de bloqueo | ||||
| 58 | 209608 | 1.92 | 2.32 | |
| Arandela dentada DIN 6797-A-3,2 | ||||
| 59 | 715034 | 14.76 | 17.86 | |
| Tuerca hexagonal DIN 934-M6-10 | ||||
| 60 | 228689 | 1.39 | 1.68 | |
| Correa Dentada Z=75 | ||||
| 61 | 714043 | 12.58 | 15.22 | |
| Tornillo de cabeza ovalada M6x50 DIN 7985-4.8 | ||||
| 62 | 476787 | 1.39 | 1.68 | |
| CUBIERTA DE LA CAJA DE ENGRANAJES | ||||
| 63 | 455585 | 5.88 | 7.11 | |
| Tuerca hexagonal M6 | ||||
| 64 | 772997 | 1.39 | 1.68 | |
| Arandela dentada DIN 6797-A-3,2 | ||||
| 65 | 715035 | 5.21 | 6.30 | |
| RODAMIENTO DE BOLAS OSC 18 | ||||
| 66 | 789575 | 6.34 | 7.67 | |
| Brida de cojinete HKC 55 | ||||
| 67 | 487655 | 115.43 | 139.67 | |
| Anillo de calibración LEX 3 | ||||
| 68 | 782510 | 1.39 | 1.68 | |
| Ventilador Sunon PMD2412PMB1-A | ||||
| 69 | 715024 | 2.11 | 2.55 | |
| Disco guía de aire HK 85 | ||||
| 70 | 715017 | 1.45 | 1.75 | |
| Tornillo de cabeza ovalada PT-4,0x50-KT15 | ||||
| 71 | 228707 | 1.39 | 1.68 | |
| RODAMIENTO DE BOLAS OSC 18 | ||||
| 72 | 228559 | 4.30 | 5.20 | |
| Anillo del eje | ||||
| 73 | 438613 | 1.39 | 1.68 | |
| BEITELROL STAND HK 82 SD | ||||
| 74 | 484520 | 131.00 | 158.51 | |
| Tornillo prisionero DIN 915-M4x8-45H | ||||
| 75 | 715102 | 1.39 | 1.68 | |
| Tuerca cuadrada DIN 557-M6-05 | ||||
| 76 | 228566 | 1.39 | 1.68 | |
| Anillo O | ||||
| 77 | 200052 | 1.39 | 1.68 | |
| Tope de ranura | ||||
| 78 | 715040 | 8.71 | 10.54 | |
| Perilla rotativa D34 M6/8T azul | ||||
| 79 | 436195 | 1.58 | 1.91 | |
| Perilla giratoria M6 X 28 | ||||
| 80 | 436420 | 1.85 | 2.24 | |
| Pieza de deslizamiento FSK 670 | ||||
| 81 | 715156 | 9.24 | 11.18 | |
| Anillo O | ||||
| 82 | 200052 | 1.39 | 1.68 | |
| Tope límite DF500 | ||||
| 83 | 715056 | 23.47 | 28.40 | |
| Llave de Casquillo Hexagonal | ||||
| 84 | 439803 | 5.35 | 6.47 | |
| Destornillador SW 5 DIN911 | ||||
| 85 | 202752 | 1.39 | 1.68 | |