Aquí encontrará todas las piezas y dibujos técnicos disponibles de 'Festool 486977 ( OF2000E )'. Desde aquí podrá pedir todas las piezas deseadas directamente. Para muchas piezas de repuesto, es necesario pasar un pedido al fabricante. Dependiendo de la marca, el plazo de entrega puede variar entre una y cuatro semanas. Toda la información que tenemos está en nuestro sitio web. No podremos aconsejarle sobre lo que necesita hasta que entregue la máquina para su reparación. Tenga en cuenta lo siguiente a la hora de cursar su pedido:
Debido a una reorganización dentro de Festool, los pedidos de Festool no se entregarán hasta la segunda mitad de enero de 2026.
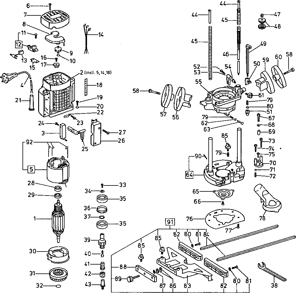
Dibujo técnico de los/las Festool 486977 ( OF2000E )
Lista de las piezas de repuesto de Festool 486977 ( OF2000E )
| Pos. | Descripción | Precio con el IVA excluido | Precio con el IVA incluido | |
| Los precios mostrados incluyen el IVA | ||||
| No hay información disponible, no se puede pedir | ||||
| 1 | xxx | |||
| No hay información disponible, no se puede pedir | ||||
| 2 | xxx | |||
| No hay información disponible, no se puede pedir | ||||
| 3 | 444709 | |||
| Cable Eu | ||||
| 4 | 457603 | 24.80 | 30.01 | |
| No hay información disponible, no se puede pedir | ||||
| 5 | xxx | |||
| No hay información disponible, no se puede pedir | ||||
| 6 | xxx | |||
| Tapa del motor KS 60 E | ||||
| 7 | 444723 | 45.62 | 55.20 | |
| Ya no disponible, sin reemplazo | ||||
| 8 | 487384 | |||
| Anillo O | ||||
| 10 | 200911 | 5.74 | 6.95 | |
| No hay información disponible, no se puede pedir | ||||
| 11 | xxx | |||
| PORTACEPILLO | ||||
| 12 | 491664 | 37.99 | 45.97 | |
| Ya no disponible, sin reemplazo | ||||
| 13 | 489342 | |||
| No hay información disponible, no se puede pedir | ||||
| 14 | xxx | |||
| No hay información disponible, no se puede pedir | ||||
| 15 | xxx | |||
| No hay información disponible, no se puede pedir | ||||
| 16 | xxx | |||
| Soporte de tacómetro | ||||
| 17 | 444739 | 44.16 | 53.43 | |
| No hay información disponible, no se puede pedir | ||||
| 18 | xxx | |||
| No hay información disponible, no se puede pedir | ||||
| 19 | xxx | |||
| No hay información disponible, no se puede pedir | ||||
| 20 | xxx | |||
| No hay información disponible, no se puede pedir | ||||
| 21 | xxx | |||
| No hay información disponible, no se puede pedir | ||||
| 22 | xxx | |||
| Tornillo para chapa de cabeza bombeada 3,9 x 13 mm | ||||
| 23 | 203796 | 1.39 | 1.68 | |
| No hay información disponible, no se puede pedir | ||||
| 24 | xxx | |||
| No hay información disponible, no se puede pedir | ||||
| 25 | xxx | |||
| No hay información disponible, no se puede pedir | ||||
| 26 | xxx | |||
| No hay información disponible, no se puede pedir | ||||
| 27 | xxx | |||
| RODAMIENTO DE BOLAS OSC 18 | ||||
| 28 | 401550 | 9.37 | 11.34 | |
| No hay información disponible, no se puede pedir | ||||
| 29 | xxx | |||
| No hay información disponible, no se puede pedir | ||||
| 30 | xxx | |||
| Ventilador Sunon PMD2412PMB1-A | ||||
| 31 | 486880 | 6.14 | 7.43 | |
| No hay información disponible, no se puede pedir | ||||
| 32 | xxx | |||
| No hay información disponible, no se puede pedir | ||||
| 33 | xxx | |||
| Disco | ||||
| 34 | 403100 | 1.39 | 1.68 | |
| RODAMIENTO DE BOLAS OSC 18 | ||||
| 35 | 400467 | 19.48 | 23.57 | |
| No hay información disponible, no se puede pedir | ||||
| 36 | xxx | |||
| Anillo de bloqueo | ||||
| 37 | 200352 | 1.39 | 1.68 | |
| Llave fija Sw 22 (<-2008) | ||||
| 38 | 401745 | 8.58 | 10.38 | |
| No hay información disponible, no se puede pedir | ||||
| 39 | xxx | |||
| Tornillo de cabeza cilíndrica M6 x 16 | ||||
| 40 | 228664 | 1.39 | 1.68 | |
| SPANTANG SZ-D 8,0/OF1400-OF2200 | ||||
| 41 | 494460 | 55.00 | 66.55 | |
| No hay información disponible, no se puede pedir | ||||
| 42 | --- | |||
| No hay información disponible, no se puede pedir | ||||
| 43 | 487160 | |||
| No hay información disponible, no se puede pedir | ||||
| 44 | xxx | |||
| No hay información disponible, no se puede pedir | ||||
| 45 | xxx | |||
| No hay información disponible, no se puede pedir | ||||
| 46 | xxx | |||
| Tuerca de sombrerete M8 | ||||
| 47 | 400103 | 1.39 | 1.68 | |
| No hay información disponible, no se puede pedir | ||||
| 48 | xxx | |||
| Tope de profundidad TSF 55 EBQ | ||||
| 49 | 487165 | 61.23 | 74.09 | |
| No hay información disponible, no se puede pedir | ||||
| 50 | xxx | |||
| Ajuste de Profundidad | ||||
| 51 | 444381 | 21.54 | 26.06 | |
| Tornillo Avellanado M5 x 12 | ||||
| 52 | 400090 | 1.39 | 1.68 | |
| Palanca KA 65 | ||||
| 53 | 438944 | 1.51 | 1.83 | |
| No hay información disponible, no se puede pedir | ||||
| 54 | xxx | |||
| No hay información disponible, no se puede pedir | ||||
| 55 | 486938 | |||
| Manija TSC 55 | ||||
| 56 | 444726 | 15.85 | 19.18 | |
| CUBIERTA | ||||
| 57 | 444727 | 12.70 | 15.37 | |
| Tornillo de cabeza cilíndrica DIN 912-M6x40-8.8 | ||||
| 58 | 400080 | 1.39 | 1.68 | |
| Manija TSC 55 | ||||
| 59 | 444724 | 15.85 | 19.18 | |
| No hay información disponible, no se puede pedir | ||||
| 60 | xxx | |||
| Perilla giratoria M6 | ||||
| 61 | 438320 | 8.90 | 10.77 | |
| Disco | ||||
| 62 | 400106 | 3.89 | 4.71 | |
| No hay información disponible, no se puede pedir | ||||
| 63 | xxx | |||
| No hay información disponible, no se puede pedir | ||||
| 64 | xxx | |||
| No hay información disponible, no se puede pedir | ||||
| 65 | --- | |||
| No hay información disponible, no se puede pedir | ||||
| 66 | xxx | |||
| Tornillo de cabeza cilíndrica DIN 912-M6x25-10.9 | ||||
| 67 | 400859 | 1.39 | 1.68 | |
| Disco DIN 125-B-6,4-140 HV | ||||
| 68 | 200578 | 1.39 | 1.68 | |
| Casquillo LEX 3 | ||||
| 69 | 436300 | 1.78 | 2.15 | |
| Tope límite DF500 | ||||
| 70 | 436520 | 13.43 | 16.25 | |
| Pelota | ||||
| 71 | 783305 | 1.39 | 1.68 | |
| Resorte de compresión | ||||
| 72 | 436528 | 2.04 | 2.47 | |
| Tornillo de cabeza plana M5x2,5 DIN923 5.8 | ||||
| 73 | 436813 | 2.04 | 2.47 | |
| Tornillo de cabeza plana M5x2,5 DIN923 5.8 | ||||
| 74 | 436812 | 1.85 | 2.24 | |
| Tornillo de cabeza plana M5 x 20 | ||||
| 75 | 436811 | 1.58 | 1.91 | |
| Ya no disponible, sin reemplazo | ||||
| 76 | 444748 | |||
| Tornillo avellanado M4 x 8 | ||||
| 77 | 770273 | 1.39 | 1.68 | |
| Ya no disponible, sin reemplazo | ||||
| 78 | 444376 | |||
| Resorte de compresión | ||||
| 79 | 444754 | 1.39 | 1.68 | |
| Disco | ||||
| 80 | 217149 | 1.39 | 1.68 | |
| Tornillo de cabeza cilíndrica M6 x 16 | ||||
| 81 | 770443 | 1.39 | 1.68 | |
| Suelas de guía | ||||
| 82 | 444719 | 42.83 | 51.82 | |
| No hay información disponible, no se puede pedir | ||||
| 83 | xxx | |||
| No hay información disponible, no se puede pedir | ||||
| 84 | 444745 | |||
| Perilla rotativa D34 M6/8T azul | ||||
| 85 | 444633 | 2.04 | 2.47 | |
| Tuerca hexagonal DIN 439-M6 | ||||
| 86 | 200601 | 1.39 | 1.68 | |
| No hay información disponible, no se puede pedir | ||||
| 87 | xxx | |||
| No hay información disponible, no se puede pedir | ||||
| 88 | xxx | |||
| Ya no disponible, sin reemplazo | ||||
| 89 | 484791 | |||