Aquí encontrará todas las piezas y dibujos técnicos disponibles de 'Festool 10011272 ( PL245E )'. Desde aquí podrá pedir todas las piezas deseadas directamente. Para muchas piezas de repuesto, es necesario pasar un pedido al fabricante. Dependiendo de la marca, el plazo de entrega puede variar entre una y cuatro semanas. Toda la información que tenemos está en nuestro sitio web. No podremos aconsejarle sobre lo que necesita hasta que entregue la máquina para su reparación. Tenga en cuenta lo siguiente a la hora de cursar su pedido:
Debido a una reorganización dentro de Festool, los pedidos de Festool no se entregarán hasta la segunda mitad de enero de 2026.
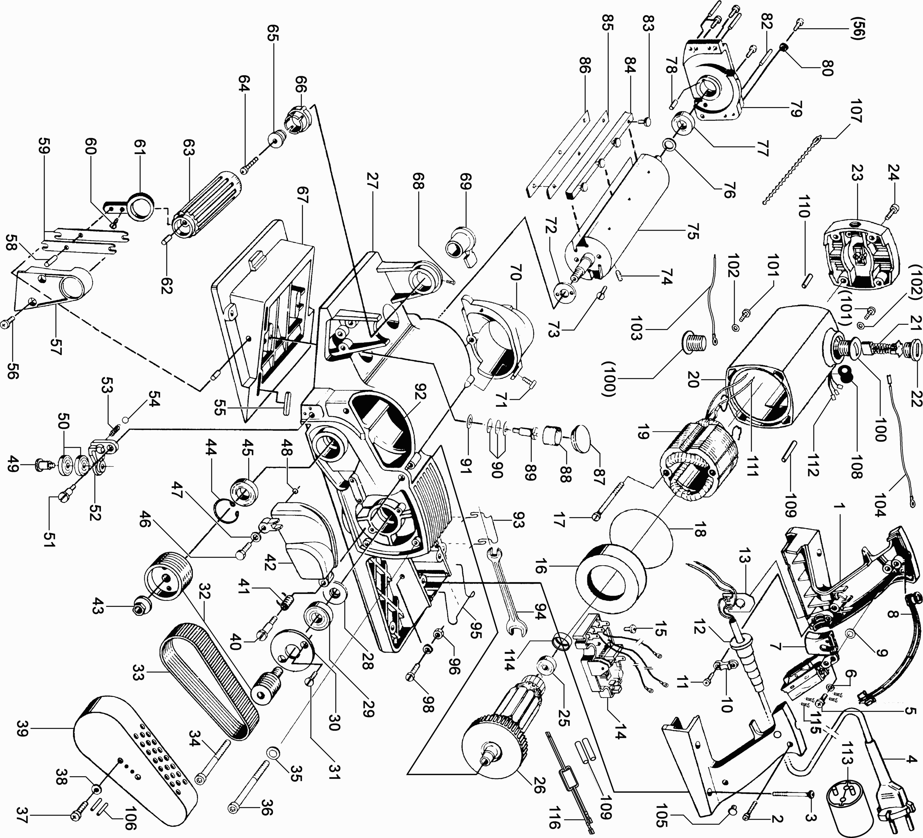
Dibujo técnico de los/las Festool 10011272 ( PL245E )
Lista de las piezas de repuesto de Festool 10011272 ( PL245E )
| Pos. | Descripción | Precio con el IVA excluido | Precio con el IVA incluido | |
| Los precios mostrados incluyen el IVA | ||||
| Manija TSC 55 | ||||
| 1 | 779668 | 22.26 | 26.93 | |
| Tornillo 4,0 x 25 mm | ||||
| 2 | 614772 | 1.39 | 1.68 | |
| Tornillo M4 x 40 | ||||
| 3 | 634765 | 1.39 | 1.68 | |
| Cable de alimentación 3x1,0 H07 RN-F EU | ||||
| 4 | 729035 | 89.66 | 108.49 | |
| Tornillo de lente 4 x 12 mm | ||||
| 5 | 430145 | 1.39 | 1.68 | |
| Arandela dentada DIN 6797-A-3,2 | ||||
| 6 | 761541 | 1.39 | 1.68 | |
| Interruptor | ||||
| 7 | 779768 | 34.73 | 42.02 | |
| Display LED TXS | ||||
| 8 | 717053 | 18.27 | 22.11 | |
| Disco | ||||
| 9 | 418269 | 1.39 | 1.68 | |
| ABRAZADERA DE CABLE | ||||
| 10 | 761618 | 1.39 | 1.68 | |
| Tornillo 4 x 16 mm | ||||
| 11 | 625697 | 1.39 | 1.68 | |
| Protector de cable 11 /11.5 | ||||
| 12 | 326135 | 1.98 | 2.40 | |
| ABRAZADERA DE CABLE | ||||
| 13 | 779648 | 27.47 | 33.24 | |
| Electrónica | ||||
| 14 | 779652 | 185.13 | 224.01 | |
| Tornillo de cilindro | ||||
| 15 | 761435 | 1.39 | 1.68 | |
| Disco guía de aire HK 85 | ||||
| 16 | 732001 | 5.54 | 6.70 | |
| Tornillo cilíndrico M5 x 86,5 | ||||
| 17 | 666297 | 4.62 | 5.59 | |
| Anillo de localización | ||||
| 18 | 841458 | 37.87 | 45.82 | |
| No hay información disponible, no se puede pedir | ||||
| 19 | 732010 | |||
| Marco del motor AG 125-14 DE | ||||
| 20 | 633293 | 115.31 | 139.53 | |
| KIT DE SERVICIO 115V | ||||
| 21 | 627021 | 45.25 | 54.75 | |
| Portacepillos Tapa Plana | ||||
| 22 | 298522 | 3.70 | 4.48 | |
| Tapa | ||||
| 23 | 633109 | 8.98 | 10.87 | |
| TORNILLO M4X35 | ||||
| 24 | 623155 | 1.39 | 1.68 | |
| MANGUITO | ||||
| 25 | 721310 | 7.66 | 9.27 | |
| Inducido 230 V | ||||
| 26 | 732018 | 349.57 | 422.98 | |
| Placa base KS 60 | ||||
| 27 | 648844 | 758.67 | 917.99 | |
| Anillo de sellado | ||||
| 28 | 298468 | 7.52 | 9.10 | |
| MANGUITO | ||||
| 29 | 614869 | 10.75 | 13.01 | |
| Cubierta del cojinete RTS 400 REQ | ||||
| 30 | 459954 | 8.98 | 10.87 | |
| Tornillo avellanado M5 x 16 | ||||
| 31 | 414417 | 1.39 | 1.68 | |
| TRANSMISIÓN POR CORREA | ||||
| 32 | 722421 | 54.45 | 65.88 | |
| Múltiple V-correas | ||||
| 33 | 728829 | 62.44 | 75.55 | |
| Tornillo de cilindro | ||||
| 34 | 761446 | 1.39 | 1.68 | |
| Arandela dentada DIN 6797-A-3,2 | ||||
| 35 | 761542 | 1.39 | 1.68 | |
| Tornillo M5 x 60 | ||||
| 36 | 614461 | 1.39 | 1.68 | |
| Tornillo de cabeza plana M5 X 12 | ||||
| 37 | 430137 | 1.39 | 1.68 | |
| Disco DIN 125-B-5,3-140 HV | ||||
| 38 | 761515 | 1.39 | 1.68 | |
| CUBIERTA DE LA CAJA DE ENGRANAJES | ||||
| 39 | 728608 | 58.32 | 70.57 | |
| Tornillo de cabeza plana | ||||
| 40 | 433527 | 10.82 | 13.09 | |
| Resorte de torsión TSF 55 | ||||
| 41 | 729817 | 2.77 | 3.35 | |
| Cubierta de la carcasa | ||||
| 42 | 729558 | 8.05 | 9.74 | |
| Perno de cabeza hexagonal sc DIN933 M5x12 8.8 A3F | ||||
| 43 | 430781 | 2.83 | 3.42 | |
| Anillo de bloqueo | ||||
| 44 | 614792 | 1.39 | 1.68 | |
| MANGUITO | ||||
| 45 | 615496 | 8.52 | 10.31 | |
| Tornillo Hexagonal M5 x 16 | ||||
| 46 | 412872 | 1.39 | 1.68 | |
| Disco DIN 125-B-5,3-140 HV | ||||
| 47 | 761515 | 1.39 | 1.68 | |
| Anillo O | ||||
| 48 | 761588 | 1.39 | 1.68 | |
| Tornillo de cabeza plana | ||||
| 49 | 433411 | 4.62 | 5.59 | |
| MANGUITO | ||||
| 50 | 614955 | 7.39 | 8.94 | |
| Tornillo de cabeza plana | ||||
| 51 | 426857 | 3.62 | 4.38 | |
| Palanca KA 65 | ||||
| 52 | 648832 | 66.91 | 80.96 | |
| Resorte de compresión | ||||
| 53 | 761291 | 3.56 | 4.31 | |
| Bola 6-40 CSN 02 3680 | ||||
| 54 | 614487 | 1.32 | 1.60 | |
| Clavija 34,8x11,5x4 | ||||
| 55 | 761576 | 1.98 | 2.40 | |
| Tornillo de cabeza cilíndrica M5 x 16 | ||||
| 56 | 228643 | 1.39 | 1.68 | |
| Cubierta de la carcasa | ||||
| 57 | 728470 | 4.42 | 5.35 | |
| Pasador cilíndrico 2,5 M 6X34 | ||||
| 58 | 413526 | 1.39 | 1.68 | |
| Palanca KA 65 | ||||
| 59 | 728543 | 20.81 | 25.18 | |
| Tornillo avellanado M5 x 6 | ||||
| 60 | 414611 | 1.39 | 1.68 | |
| VÁLVULA | ||||
| 61 | 718238 | 48.04 | 58.13 | |
| Pasador cilíndrico 2,5 M 6X34 | ||||
| 62 | 416002 | 1.39 | 1.68 | |
| Soporte de motor TSC 55 | ||||
| 63 | 728497 | 13.92 | 16.84 | |
| Tornillo con cabeza lente 4 x 20 mm | ||||
| 64 | 431710 | 1.39 | 1.68 | |
| Casquillo de brida KS 60 E | ||||
| 65 | 717002 | 9.77 | 11.82 | |
| Soporte de motor TSC 55 | ||||
| 66 | 728462 | 3.83 | 4.63 | |
| Deslizar * | ||||
| 67 | 648834 | 168.67 | 204.09 | |
| Clavo ranurado | ||||
| 68 | 459947 | 1.39 | 1.68 | |
| ABRAZADERA DE CABLE | ||||
| 69 | 10013575 | 11.28 | 13.65 | |
| Transportador de virutas | ||||
| 70 | 728594 | 8.90 | 10.77 | |
| Tornillo M5 x 10 | ||||
| 71 | 614459 | 1.39 | 1.68 | |
| Disco Axial | ||||
| 72 | 728950 | 5.28 | 6.39 | |
| Tornillo avellanado M4 x 10 | ||||
| 73 | 426695 | 1.39 | 1.68 | |
| Perno roscado M5 x 10 | ||||
| 74 | 433543 | 1.39 | 1.68 | |
| Cabeza de cuchillo | ||||
| 75 | 841455 | 295.12 | 357.10 | |
| Arandela de apoyo S 12,1x21x1 DIN 988 | ||||
| 76 | 431451 | 1.39 | 1.68 | |
| RODAMIENTO DE BOLAS OSC 18 | ||||
| 77 | 401576 | 7.52 | 9.10 | |
| Tapón H03 Kiba DF700 | ||||
| 78 | 729841 | 1.85 | 2.24 | |
| Cubierta del cojinete RTS 400 REQ | ||||
| 79 | 763235 | 45.01 | 54.46 | |
| Arandela dentada DIN 6797-A-3,2 | ||||
| 80 | 761542 | 1.39 | 1.68 | |
| Pasador cilíndrico 2,5 M 6X34 | ||||
| 82 | 412538 | 1.39 | 1.68 | |
| SCHROEF EDH 82 | ||||
| 83 | 622581 | 3.70 | 4.48 | |
| Rodillo de presión | ||||
| 84 | 733316 | 46.10 | 55.78 | |
| No hay información disponible, no se puede pedir | ||||
| 85 | --- | |||
| Carril TSF 55 EBQ | ||||
| 86 | 733317 | 35.94 | 43.49 | |
| Tapón de goma | ||||
| 87 | 729868 | 4.30 | 5.20 | |
| Tapón H03 Kiba DF700 | ||||
| 88 | 730329 | 1.39 | 1.68 | |
| Tornillo de cabeza plana | ||||
| 89 | 426857 | 3.62 | 4.38 | |
| Resorte de disco KS 60 E | ||||
| 90 | 832605 | 1.39 | 1.68 | |
| Disco | ||||
| 91 | 761527 | 1.39 | 1.68 | |
| Anillo O | ||||
| 92 | 618731 | 1.39 | 1.68 | |
| Muelle | ||||
| 93 | 729833 | 12.95 | 15.67 | |
| Llave de extremo abierto | ||||
| 94 | 761390 | 5.09 | 6.16 | |
| Arco ISC 240 Wire | ||||
| 95 | 729825 | 9.17 | 11.10 | |
| Tuerca M4 | ||||
| 96 | 614467 | 1.39 | 1.68 | |
| Tornillo de cilindro | ||||
| 98 | 761434 | 1.39 | 1.68 | |
| PORTACEPILLO | ||||
| 100 | 840734 | 44.29 | 53.59 | |
| TORNILLO M4X35 | ||||
| 101 | 832723 | 1.39 | 1.68 | |
| Arandela de cierre | ||||
| 102 | 832722 | 1.39 | 1.68 | |
| Cable trenzado | ||||
| 103 | 623815 | 9.77 | 11.82 | |
| Cable trenzado | ||||
| 104 | 623816 | 10.22 | 12.37 | |
| Tapa de bloqueo | ||||
| 105 | 841481 | 1.39 | 1.68 | |
| Pasador de apriete en espiral | ||||
| 106 | 428035 | 1.39 | 1.68 | |
| Banda | ||||
| 107 | 626761 | 1.39 | 1.68 | |
| Casquillo DRC 12 | ||||
| 108 | 841918 | 1.72 | 2.08 | |
| Tubo de aislamiento | ||||
| 109 | 841917 | 1.39 | 1.68 | |
| Brida para cables | ||||
| 110 | 637654 | 1.58 | 1.91 | |
| Brida para cables | ||||
| 111 | 637654 | 1.58 | 1.91 | |
| Abrazadera en U | ||||
| 112 | 841932 | 1.72 | 2.08 | |
| Arandela | ||||
| 114 | 761263 | 8.98 | 10.87 | |
| TORNILLO M4X35 | ||||
| 115 | 767036 | 1.39 | 1.68 | |