Aquí encontrará todas las piezas y dibujos técnicos disponibles de 'Festool 483450 ( PS1E220V )'. Desde aquí podrá pedir todas las piezas deseadas directamente. Para muchas piezas de repuesto, es necesario pasar un pedido al fabricante. Dependiendo de la marca, el plazo de entrega puede variar entre una y cuatro semanas. Toda la información que tenemos está en nuestro sitio web. No podremos aconsejarle sobre lo que necesita hasta que entregue la máquina para su reparación. Tenga en cuenta lo siguiente a la hora de cursar su pedido:
Debido a una reorganización dentro de Festool, los pedidos de Festool no se entregarán hasta la segunda mitad de enero de 2026.
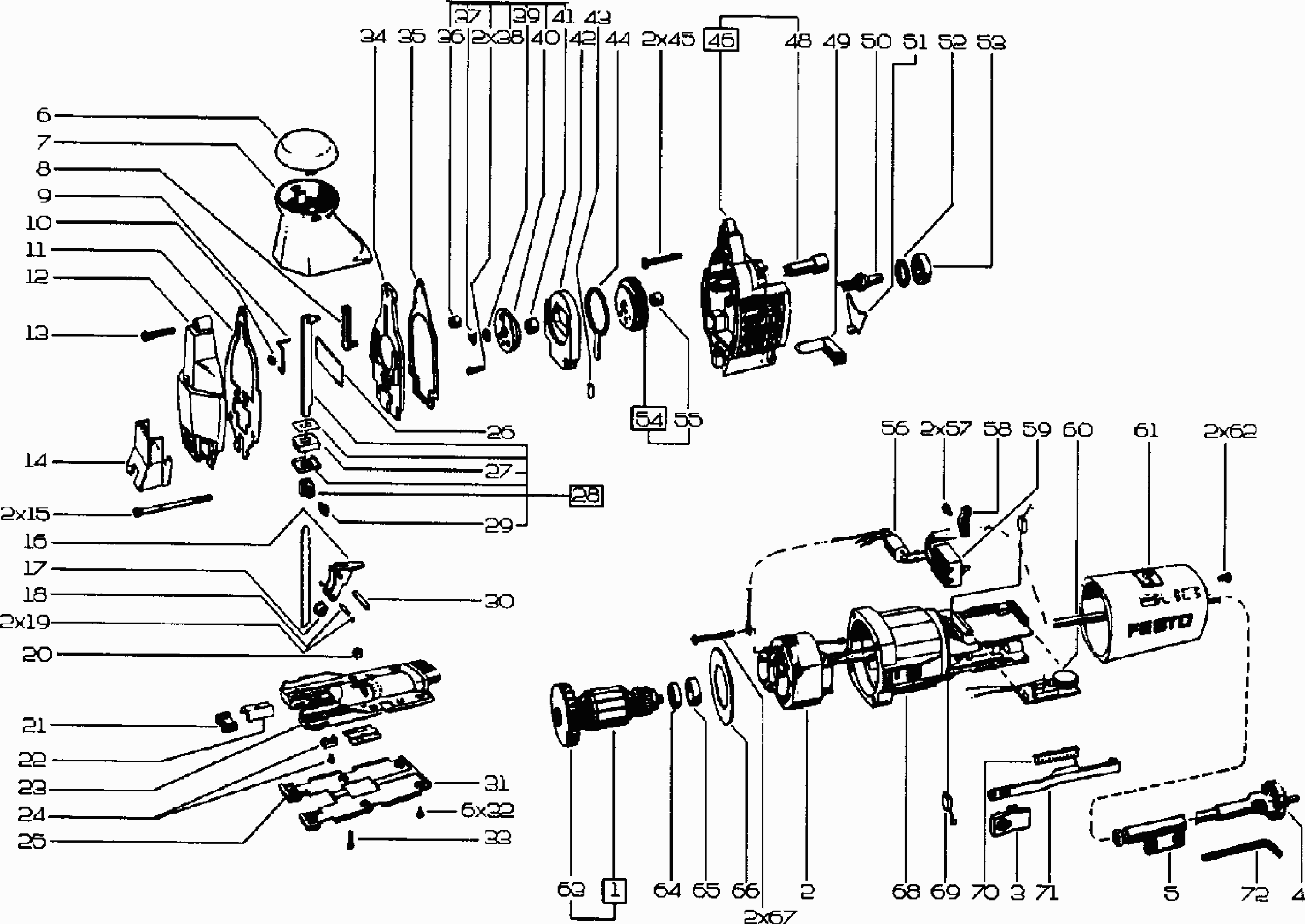
Dibujo técnico de los/las Festool 483450 ( PS1E220V )
Lista de las piezas de repuesto de Festool 483450 ( PS1E220V )
| Pos. | Descripción | Precio con el IVA excluido | Precio con el IVA incluido | |
| Los precios mostrados incluyen el IVA | ||||
| No hay información disponible, no se puede pedir | ||||
| 1 | xxx | |||
| No hay información disponible, no se puede pedir | ||||
| 2 | xxx | |||
| No hay información disponible, no se puede pedir | ||||
| 3 | xxx | |||
| Cable 220v | ||||
| 4 | 440240 | 24.32 | 29.43 | |
| Funda de cable | ||||
| 5 | 437024 | 2.57 | 3.11 | |
| No hay información disponible, no se puede pedir | ||||
| 6 | xxx | |||
| No hay información disponible, no se puede pedir | ||||
| 7 | xxx | |||
| No hay información disponible, no se puede pedir | ||||
| 8 | xxx | |||
| No hay información disponible, no se puede pedir | ||||
| 9 | xxx | |||
| No hay información disponible, no se puede pedir | ||||
| 10 | xxx | |||
| No hay información disponible, no se puede pedir | ||||
| 11 | xxx | |||
| No hay información disponible, no se puede pedir | ||||
| 12 | xxx | |||
| Tornillo de cabeza ovalada DIN 7985-M4x30-8.8 | ||||
| 13 | 203760 | 1.39 | 1.68 | |
| No hay información disponible, no se puede pedir | ||||
| 14 | xxx | |||
| No hay información disponible, no se puede pedir | ||||
| 15 | xxx | |||
| No hay información disponible, no se puede pedir | ||||
| 16 | xxx | |||
| No hay información disponible, no se puede pedir | ||||
| 17 | xxx | |||
| BARRA TOMMY | ||||
| 18 | 443883 | 2.45 | 2.96 | |
| Anillo de bloqueo | ||||
| 19 | 200614 | 1.39 | 1.68 | |
| Tuerca cuadrada DIN 557-M5-05 | ||||
| 20 | 228520 | 1.39 | 1.68 | |
| No hay información disponible, no se puede pedir | ||||
| 21 | 483372 | |||
| No hay información disponible, no se puede pedir | ||||
| 22 | xxx | |||
| No hay información disponible, no se puede pedir | ||||
| 23 | xxx | |||
| No hay información disponible, no se puede pedir | ||||
| 24 | xxx | |||
| Fondo | ||||
| 25 | 437031 | 12.46 | 15.08 | |
| No hay información disponible, no se puede pedir | ||||
| 26 | xxx | |||
| No hay información disponible, no se puede pedir | ||||
| 27 | xxx | |||
| No hay información disponible, no se puede pedir | ||||
| 28 | xxx | |||
| Tornillo de cabeza cilíndrica M5 x 8 | ||||
| 29 | 204482 | 1.39 | 1.68 | |
| Pasador cilíndrico 2,5 M 6X34 | ||||
| 30 | 228519 | 1.39 | 1.68 | |
| No hay información disponible, no se puede pedir | ||||
| 31 | xxx | |||
| No hay información disponible, no se puede pedir | ||||
| 32 | xxx | |||
| Tornillo de cabeza cilíndrica M5 x 16 | ||||
| 33 | 200671 | 1.39 | 1.68 | |
| No hay información disponible, no se puede pedir | ||||
| 34 | xxx | |||
| No hay información disponible, no se puede pedir | ||||
| 35 | xxx | |||
| No hay información disponible, no se puede pedir | ||||
| 36 | xxx | |||
| Disco | ||||
| 37 | 228518 | 1.39 | 1.68 | |
| Tornillo de cabeza cilíndrica DIN 912-M4x16-8.8 | ||||
| 38 | 200664 | 1.39 | 1.68 | |
| No hay información disponible, no se puede pedir | ||||
| 39 | xxx | |||
| No hay información disponible, no se puede pedir | ||||
| 40 | xxx | |||
| No hay información disponible, no se puede pedir | ||||
| 41 | xxx | |||
| No hay información disponible, no se puede pedir | ||||
| 42 | xxx | |||
| No hay información disponible, no se puede pedir | ||||
| 43 | xxx | |||
| No hay información disponible, no se puede pedir | ||||
| 44 | xxx | |||
| Tornillo de cabeza ovalada 4,0 x 40 mm | ||||
| 45 | 219080 | 1.39 | 1.68 | |
| No hay información disponible, no se puede pedir | ||||
| 46 | xxx | |||
| No hay información disponible, no se puede pedir | ||||
| 48 | xxx | |||
| No hay información disponible, no se puede pedir | ||||
| 49 | xxx | |||
| No hay información disponible, no se puede pedir | ||||
| 50 | xxx | |||
| Segmento de chapa | ||||
| 51 | 443437 | 10.43 | 12.62 | |
| No hay información disponible, no se puede pedir | ||||
| 52 | xxx | |||
| RODAMIENTO DE BOLAS OSC 18 | ||||
| 53 | 789575 | 6.34 | 7.67 | |
| No hay información disponible, no se puede pedir | ||||
| 54 | xxx | |||
| No hay información disponible, no se puede pedir | ||||
| 55 | xxx | |||
| Ya no disponible, sin reemplazo | ||||
| 56 | 412010 | |||
| Tornillo de cabeza ovalada 4,0 x 12 mm | ||||
| 57 | 219071 | 1.39 | 1.68 | |
| ABRAZADERA DE CABLE | ||||
| 58 | 411871 | 7.73 | 9.35 | |
| Interruptor 220v | ||||
| 59 | 412006 | 17.18 | 20.79 | |
| No hay información disponible, no se puede pedir | ||||
| 60 | xxx | |||
| No hay información disponible, no se puede pedir | ||||
| 61 | xxx | |||
| Tornillo de cabeza ovalada 4,0 x 12 mm | ||||
| 62 | 219071 | 1.39 | 1.68 | |
| No hay información disponible, no se puede pedir | ||||
| 63 | 411694 | |||
| RODAMIENTO DE BOLAS OSC 18 | ||||
| 64 | 401518 | 8.58 | 10.38 | |
| Anillo del eje | ||||
| 65 | 462385 | 4.09 | 4.95 | |
| Guía de aire | ||||
| 66 | 411705 | 13.19 | 15.96 | |
| Tornillo de cabeza ovalada 4,0 x 40 mm | ||||
| 67 | 219080 | 1.39 | 1.68 | |
| No hay información disponible, no se puede pedir | ||||
| 68 | xxx | |||
| No hay información disponible, no se puede pedir | ||||
| 69 | 484694 | |||
| No hay información disponible, no se puede pedir | ||||
| 70 | xxx | |||
| No hay información disponible, no se puede pedir | ||||
| 71 | xxx | |||
| Destornillador SW 4 DIN 911 | ||||
| 72 | 202751 | 1.39 | 1.68 | |