Aquí encontrará todas las piezas y dibujos técnicos disponibles de 'Festool 205264 ( PSBC420EBKR )'. Desde aquí podrá pedir todas las piezas deseadas directamente. Para muchas piezas de repuesto, es necesario pasar un pedido al fabricante. Dependiendo de la marca, el plazo de entrega puede variar entre una y cuatro semanas. Toda la información que tenemos está en nuestro sitio web. No podremos aconsejarle sobre lo que necesita hasta que entregue la máquina para su reparación. Tenga en cuenta lo siguiente a la hora de cursar su pedido:
Debido a una reorganización dentro de Festool, los pedidos de Festool no se entregarán hasta la segunda mitad de enero de 2026.
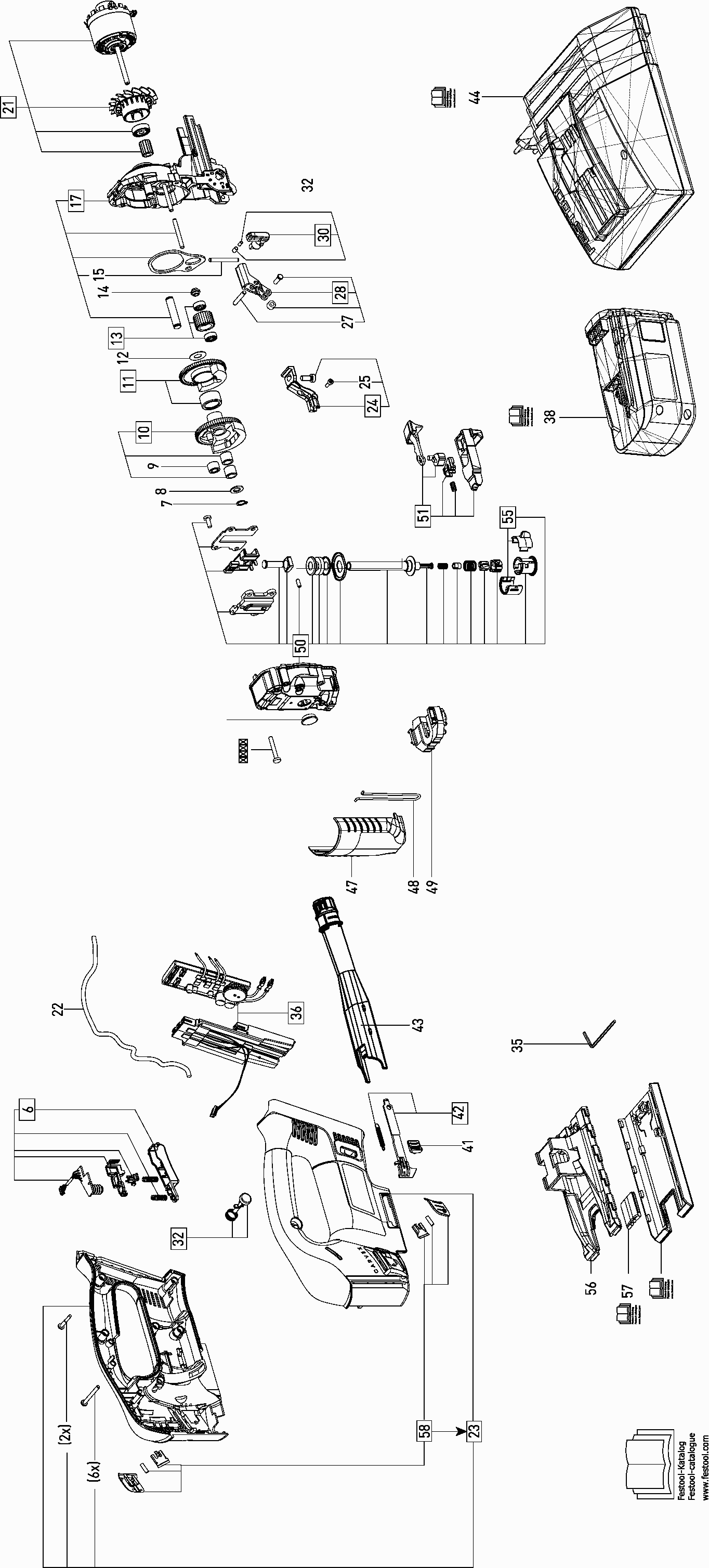
Dibujo técnico de los/las Festool 205264 ( PSBC420EBKR )
Lista de las piezas de repuesto de Festool 205264 ( PSBC420EBKR )
| Pos. | Descripción | Precio con el IVA excluido | Precio con el IVA incluido | |
| Los precios mostrados incluyen el IVA | ||||
| Electronica PSBC 420 | ||||
| 6 | 205352 | 17.91 | 21.67 | |
| Anillo de bloqueo | ||||
| 7 | 200617 | 1.39 | 1.68 | |
| Arandela de apoyo S 12,1x21x1 DIN 988 | ||||
| 8 | 400009 | 1.39 | 1.68 | |
| Rodamiento PS 400 | ||||
| 9 | 10184323 | 14.88 | 18.00 | |
| Rueda de manejo NEU | ||||
| 10 | 497573 | 45.01 | 54.46 | |
| Unidad de equilibrio C. ISC 240 ET-BG | ||||
| 11 | 497571 | 42.35 | 51.24 | |
| Disco | ||||
| 12 | 457043 | 1.39 | 1.68 | |
| Engranaje intermedio ISC 240 ET-BG | ||||
| 13 | 497607 | 32.19 | 38.95 | |
| MANGUITO ROSCADO | ||||
| 14 | 478209 | 4.42 | 5.35 | |
| Pasador cilíndrico 2,5 M 6X34 | ||||
| 15 | 475546 | 1.39 | 1.68 | |
| Caja de engranajes ISC 240 ET-BG | ||||
| 17 | 499654 | 65.94 | 79.79 | |
| MOTOR | ||||
| 21 | 497587 | 175.69 | 212.58 | |
| Cable de arrastre PS 420 7xAWG30 | ||||
| 22 | 10210062 | 13.43 | 16.25 | |
| Caja de carcasa DUO 110 - Conjunto | ||||
| 23 | 499721 | 70.30 | 85.06 | |
| Soporte | ||||
| 24 | 499657 | 43.92 | 53.14 | |
| Tornillo cilíndrico M3x8 DIN 912-8.8 | ||||
| 25 | 400678 | 1.98 | 2.40 | |
| Pasador | ||||
| 27 | 400670 | 1.39 | 1.68 | |
| Portarrollos | ||||
| 28 | 499661 | 37.39 | 45.24 | |
| Palanca de control de péndulo | ||||
| 30 | 497575 | 25.17 | 30.46 | |
| Botón pulsador | ||||
| 32 | 499713 | 21.05 | 25.47 | |
| Destornillador SW 5 DIN911 | ||||
| 35 | 400609 | 1.39 | 1.68 | |
| Electrónica PSC 420 | ||||
| 36 | 205268 | 126.20 | 152.70 | |
| No hay información disponible, no se puede pedir | ||||
| 38 | 200181 | |||
| Deslizador de interruptor | ||||
| 41 | 475607 | 1.39 | 1.68 | |
| Deslizar * | ||||
| 42 | 499658 | 19.24 | 23.28 | |
| Conexión del extractor LHS 225 EQ | ||||
| 43 | 10027687 | 4.15 | 5.02 | |
| No hay información disponible, no se puede pedir | ||||
| 44 | 499335 | |||
| Protección Contra Polvo y Virutas | ||||
| 47 | 477081 | 4.36 | 5.28 | |
| Arco ISC 240 Wire | ||||
| 48 | 477100 | 1.85 | 2.24 | |
| Electrónica | ||||
| 49 | 205289 | 43.20 | 52.27 | |
| CUBIERTA DE LA CAJA DE ENGRANAJES | ||||
| 50 | 499659 | 117.73 | 142.45 | |
| Pieza de mango | ||||
| 51 | 499660 | 46.10 | 55.78 | |
| MANGUITO DE SUJECIÓN 3X10 | ||||
| 55 | 497578 | 15.12 | 18.30 | |
| Base DF 700 | ||||
| 56 | 10029367 | 16.09 | 19.47 | |
| SPLINTERBESCHER SP-PS 5 ST. | ||||
| 57 | 490120 | 7.00 | 8.47 | |
| Interruptor | ||||
| 58 | 499756 | 20.09 | 24.31 | |