Aquí encontrará todas las piezas y dibujos técnicos disponibles de 'Festool 490040 ( RAP180.03E )'. Desde aquí podrá pedir todas las piezas deseadas directamente. Para muchas piezas de repuesto, es necesario pasar un pedido al fabricante. Dependiendo de la marca, el plazo de entrega puede variar entre una y cuatro semanas. Toda la información que tenemos está en nuestro sitio web. No podremos aconsejarle sobre lo que necesita hasta que entregue la máquina para su reparación. Tenga en cuenta lo siguiente a la hora de cursar su pedido:
Debido a una reorganización dentro de Festool, los pedidos de Festool no se entregarán hasta la segunda mitad de enero de 2026.
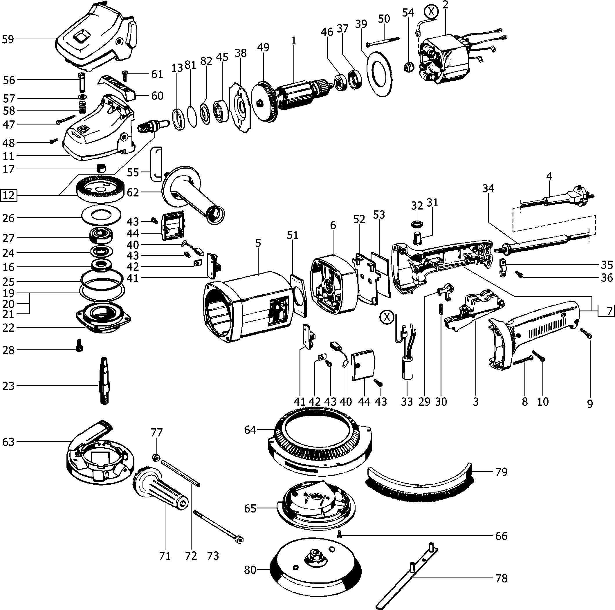
Dibujo técnico de los/las Festool 490040 ( RAP180.03E )
Lista de las piezas de repuesto de Festool 490040 ( RAP180.03E )
| Pos. | Descripción | Precio con el IVA excluido | Precio con el IVA incluido | |
| Los precios mostrados incluyen el IVA | ||||
| Inducido 230 V | ||||
| 1 | 440676 | 128.62 | 155.63 | |
| Imán de campo 230 V | ||||
| 2 | 447519 | 94.74 | 114.64 | |
| Interruptor 230 V | ||||
| 3 | 437616 | 64.13 | 77.60 | |
| Cable Eu | ||||
| 4 | 457410 | 24.32 | 29.43 | |
| Marco del motor AG 125-14 DE | ||||
| 5 | 458226 | 110.59 | 133.81 | |
| Electronica 230 V | ||||
| 6 | 486775 | 130.80 | 158.27 | |
| Manija TSC 55 | ||||
| 7 | 437611 | 82.88 | 100.28 | |
| Tornillo de cabeza ovalada PT-5,0x70-KT15 | ||||
| 8 | 228714 | 2.18 | 2.64 | |
| Tornillo de cabeza de lente 4,0 x 25 mm | ||||
| 9 | 437613 | 2.11 | 2.55 | |
| Tornillo de lente 4,0 x 30 mm | ||||
| 10 | 412005 | 1.39 | 1.68 | |
| Caja de engranajes ISC 240 ET-BG | ||||
| 11 | 459116 | 175.81 | 212.73 | |
| Transmisión de engranaje | ||||
| 12 | 493569 | 157.18 | 190.19 | |
| Manga de Empaque | ||||
| 13 | 459115 | 25.77 | 31.18 | |
| Anillo de sellado | ||||
| 16 | 411762 | 5.74 | 6.95 | |
| Almacenamiento de sinterización | ||||
| 17 | 437615 | 14.88 | 18.00 | |
| Anillo de llenado 0,25 mm | ||||
| 19 | 474442 | 6.73 | 8.14 | |
| Anillo de relleno 0,2 mm | ||||
| 20 | 411846 | 5.09 | 6.16 | |
| Anillo de distancia 0,3 mm | ||||
| 21 | 411847 | 5.41 | 6.55 | |
| No hay información disponible, no se puede pedir | ||||
| 22 | 411758 | |||
| Eje del engranaje KS 60 E | ||||
| 23 | 411759 | 86.88 | 105.12 | |
| Arandela | ||||
| 24 | 411742 | 9.24 | 11.18 | |
| Anillo O Anillo ó 68 X 2 | ||||
| 25 | 411752 | 4.09 | 4.95 | |
| Resorte de disco KS 60 E | ||||
| 26 | 411761 | 15.61 | 18.89 | |
| RODAMIENTO DE BOLAS OSC 18 | ||||
| 27 | 401612 | 36.66 | 44.36 | |
| Tornillo de cabeza cilíndrica M5 x 16 | ||||
| 28 | 200671 | 1.39 | 1.68 | |
| Gancho de interruptor | ||||
| 29 | 437617 | 9.43 | 11.41 | |
| Resorte de compresión | ||||
| 30 | 437618 | 2.30 | 2.78 | |
| Botón AGC 18 | ||||
| 31 | 437619 | 8.78 | 10.62 | |
| Arandela de fieltro D 20/14 2mm | ||||
| 32 | 437620 | 2.11 | 2.55 | |
| CONDENSADOR | ||||
| 33 | 440660 | 19.96 | 24.15 | |
| Manguera de protección de cable | ||||
| 34 | 411745 | 13.79 | 16.69 | |
| ABRAZADERA DE CABLE | ||||
| 35 | 411747 | 4.42 | 5.35 | |
| Tornillo de cabeza ovalada 4,0 x 12 mm | ||||
| 36 | 219071 | 1.39 | 1.68 | |
| Anillo del eje | ||||
| 37 | 462385 | 4.09 | 4.95 | |
| Cubierta del cojinete RTS 400 REQ | ||||
| 38 | 437622 | 20.93 | 25.33 | |
| Guía de aire | ||||
| 39 | 411756 | 12.46 | 15.08 | |
| Cepillo de carbón (par) 230v | ||||
| 40 | 485202 | 38.12 | 46.13 | |
| Portacepillos 230 V | ||||
| 41 | 437610 | 17.54 | 21.22 | |
| VÁLVULA | ||||
| 42 | 437624 | 4.42 | 5.35 | |
| Tornillo de cabeza ovalada 4,0 x 12 mm | ||||
| 43 | 219071 | 1.39 | 1.68 | |
| Cubierta del portacarbono (par) | ||||
| 44 | 462218 | 11.35 | 13.73 | |
| RODAMIENTO DE BOLAS OSC 18 | ||||
| 45 | 789575 | 6.34 | 7.67 | |
| RODAMIENTO DE BOLAS OSC 18 | ||||
| 46 | 401518 | 8.58 | 10.38 | |
| Tornillo de Cabeza Redonda 5,0 x 35 mm | ||||
| 47 | 437626 | 2.11 | 2.55 | |
| Tornillo de cabeza ovalada M4 x 8 | ||||
| 48 | 203806 | 1.39 | 1.68 | |
| Ala | ||||
| 49 | 437627 | 14.04 | 16.99 | |
| Tornillo de Cabeza Redonda 4,0 x 55 mm | ||||
| 50 | 437628 | 1.45 | 1.75 | |
| Placa de sellado | ||||
| 51 | 437629 | 6.60 | 7.99 | |
| TIRA | ||||
| 52 | 440655 | 6.60 | 7.99 | |
| Placa de sellado | ||||
| 53 | 440656 | 4.49 | 5.43 | |
| Anillo magnético | ||||
| 54 | 441386 | 23.11 | 27.96 | |
| Deflector de aire | ||||
| 55 | 442102 | 4.36 | 5.28 | |
| Botón pulsador | ||||
| 56 | 486703 | 25.29 | 30.60 | |
| Anillo O | ||||
| 57 | 443249 | 2.11 | 2.55 | |
| Resorte de compresión | ||||
| 58 | 443247 | 2.11 | 2.55 | |
| Tapa | ||||
| 59 | 444211 | 53.97 | 65.30 | |
| Lista de reposo | ||||
| 60 | 486706 | 20.21 | 24.45 | |
| Tornillo cilíndrico M4 X 12 | ||||
| 61 | 774303 | 1.39 | 1.68 | |
| HANDLE ZG-RO | ||||
| 62 | 487865 | 8.00 | 9.68 | |
| Caja de carcasa DUO 110 - Conjunto | ||||
| 63 | 441308 | 77.68 | 93.99 | |
| Anillo dentado | ||||
| 64 | 441309 | 25.53 | 30.89 | |
| CUBIERTA | ||||
| 65 | 441311 | 14.88 | 18.00 | |
| Tornillo de cabeza avellanada M3 x 10 | ||||
| 66 | 228697 | 1.39 | 1.68 | |
| Palanca de bloqueo | ||||
| 67 | 485169 | 40.78 | 49.34 | |
| Muelle de pierna TS 55 REBQ | ||||
| 70 | 441325 | 4.03 | 4.88 | |
| Manija TSC 55 | ||||
| 71 | 441282 | 15.00 | 18.15 | |
| Tubo CS 50 EBG | ||||
| 72 | 441278 | 16.70 | 20.21 | |
| Tornillo de cilindro | ||||
| 73 | 441279 | 14.16 | 17.13 | |
| No hay información disponible, no se puede pedir | ||||
| 74 | xxx | |||
| Tuerca hexagonal DIN 439-M8 | ||||
| 77 | 200602 | 1.39 | 1.68 | |
| Llave de agujero final | ||||
| 78 | 441682 | 19.12 | 23.14 | |
| Cepillo para Ras | ||||
| 79 | 485274 | 52.39 | 63.39 | |
| STEUNSCHIJF ST-D180/0-M14/2F | ||||
| 80 | 485296 | 45.00 | 54.45 | |
| STEUNSCHIJF ST-STF-D180/0-M14 W | ||||
| 80 | 485253 | 45.00 | 54.45 | |
| Anillo O | ||||
| 81 | 469941 | 3.83 | 4.63 | |
| Sello De Copa | ||||
| 82 | 469942 | 17.30 | 20.93 | |