Aquí encontrará todas las piezas y dibujos técnicos disponibles de 'Festool 486714 ( RS3E-STF230V )'. Desde aquí podrá pedir todas las piezas deseadas directamente. Para muchas piezas de repuesto, es necesario pasar un pedido al fabricante. Dependiendo de la marca, el plazo de entrega puede variar entre una y cuatro semanas. Toda la información que tenemos está en nuestro sitio web. No podremos aconsejarle sobre lo que necesita hasta que entregue la máquina para su reparación. Tenga en cuenta lo siguiente a la hora de cursar su pedido:
Debido a una reorganización dentro de Festool, los pedidos de Festool no se entregarán hasta la segunda mitad de enero de 2026.
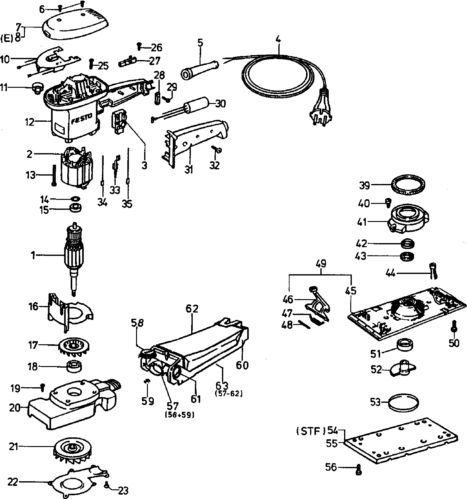
Dibujo técnico de los/las Festool 486714 ( RS3E-STF230V )
Lista de las piezas de repuesto de Festool 486714 ( RS3E-STF230V )
| Pos. | Descripción | Precio con el IVA excluido | Precio con el IVA incluido | |
| Los precios mostrados incluyen el IVA | ||||
| Inducido 230v | ||||
| 1 | 493160 | 124.75 | 150.95 | |
| Imán de campo 230 V | ||||
| 2 | 493161 | 46.22 | 55.93 | |
| Interruptor de montaje | ||||
| 3 | 486317 | 15.00 | 18.15 | |
| Cable Eu | ||||
| 4 | 457600 | 24.32 | 29.43 | |
| Manguera de protección de cable | ||||
| 5 | 432436 | 1.39 | 1.68 | |
| Tornillo con cabeza ovalada 3,5 x 10 mm | ||||
| 6 | 219031 | 7.32 | 8.86 | |
| Tapa | ||||
| 8 | 488661 | 11.78 | 14.25 | |
| Electrónica reguladora 230 V | ||||
| 10 | 486686 | 61.47 | 74.38 | |
| No hay información disponible, no se puede pedir | ||||
| 11 | xxx | |||
| Marco del motor AG 125-14 DE | ||||
| 12 | 487834 | 37.51 | 45.39 | |
| Tornillo de cabeza ovalada PT-4,0x50-KT15 | ||||
| 13 | 228707 | 1.39 | 1.68 | |
| ARANDELA 14x21,8x0,3 L+MN 1100 | ||||
| 14 | 203777 | 1.39 | 1.68 | |
| Rodamiento de bolas de ranura 608 D1 MC3 E U152 J2 | ||||
| 15 | 10775821 | 5.09 | 6.16 | |
| Disco guía de aire HK 85 | ||||
| 16 | 434430 | 2.11 | 2.55 | |
| Ventilador Sunon PMD2412PMB1-A | ||||
| 17 | 441731 | 3.56 | 4.31 | |
| RODAMIENTO DE BOLAS OSC 18 | ||||
| 18 | 401601 | 8.05 | 9.74 | |
| Tornillo avellanado M4x10-DIN 966-4.8 | ||||
| 19 | 228572 | 1.39 | 1.68 | |
| Cubierta del cojinete RTS 400 REQ | ||||
| 20 | 442217 | 49.00 | 59.29 | |
| No hay información disponible, no se puede pedir | ||||
| 21 | xxx | |||
| TIRA | ||||
| 22 | 438717 | 4.03 | 4.88 | |
| Tornillo de cabeza ovalada M4x8-TAPTITE-T15 | ||||
| 23 | 228570 | 9.17 | 11.10 | |
| Tornillo de cabeza ovalada M4x20-TAPTITE-T15 | ||||
| 25 | 228569 | 1.39 | 1.68 | |
| Tornillo con cabeza ovalada 3,5 x 10 mm | ||||
| 26 | 219031 | 7.32 | 8.86 | |
| Carboncillo (par) 220-230v | ||||
| 27 | 489018 | 10.75 | 13.01 | |
| Abrazadera de cable KS 60 E | ||||
| 28 | 439288 | 1.39 | 1.68 | |
| Tornillo de cabeza ovalada PT-3,5x16-KT15 | ||||
| 29 | 228663 | 1.39 | 1.68 | |
| CONDENSADOR | ||||
| 30 | 436753 | 11.55 | 13.98 | |
| CUBIERTA | ||||
| 31 | 451402 | 6.26 | 7.57 | |
| Tornillo de cabeza ovalada PT-4,0x20-KT15 | ||||
| 32 | 228567 | 1.39 | 1.68 | |
| Abrazadera en U | ||||
| 33 | 443331 | 1.51 | 1.83 | |
| No hay información disponible, no se puede pedir | ||||
| 34 | 440585 | |||
| No hay información disponible, no se puede pedir | ||||
| 35 | 443878 | |||
| Anillo de sellado | ||||
| 39 | 434525 | 6.67 | 8.07 | |
| Tornillo con cabeza ovalada M4 x 10 | ||||
| 40 | 228586 | 1.39 | 1.68 | |
| Campana de extracción | ||||
| 41 | 438293 | 2.64 | 3.19 | |
| Ya no disponible, sin reemplazo | ||||
| 42 | 438173 | |||
| No hay información disponible, no se puede pedir | ||||
| 43 | xxx | |||
| PIE DE GOMA | ||||
| 44 | 483723 | 7.20 | 8.71 | |
| Placa CS 50 EB | ||||
| 45 | 486259 | 117.37 | 142.02 | |
| Placa CS 50 EB | ||||
| 45 | 462119 | 51.42 | 62.22 | |
| ABRAZADERA DE CABLE | ||||
| 46 | 482039 | 31.22 | 37.78 | |
| Resorte de torsión TSF 55 | ||||
| 47 | 434588 | 2.30 | 2.78 | |
| Pasador | ||||
| 48 | 434528 | 1.92 | 2.32 | |
| Placa CS 50 EB | ||||
| 49 | 486259 | 117.37 | 142.02 | |
| Tornillo con cabeza ovalada DIN 7985-M4x8-8.8-T15 | ||||
| 50 | 228735 | 1.39 | 1.68 | |
| RODAMIENTO DE BOLAS OSC 18 | ||||
| 51 | 228756 | 9.50 | 11.50 | |
| Leva LEX 3 125/3 | ||||
| 52 | 451089 | 26.50 | 32.06 | |
| Tapa | ||||
| 53 | 435290 | 1.78 | 2.15 | |
| STICK-FIX SCHUU SSH-STF 93X175/8 | ||||
| 54 | 483905 | 29.00 | 35.09 | |
| Ya no disponible, sin reemplazo | ||||
| 55 | 489630 | |||
| Tornillo cabeza ovalada M4x10 DIN 7985 | ||||
| 56 | 228733 | 1.39 | 1.68 | |
| Adaptador de filtro CT EC/B22 R1 ET-BG | ||||
| 57 | 486759 | 15.97 | 19.32 | |
| Botón giratorio M4 | ||||
| 58 | 486767 | 1.39 | 1.68 | |
| Tuerca hexagonal M4 | ||||
| 59 | 200715 | 1.39 | 1.68 | |
| TURBOFILTER-SET TFS II-ET/RS | ||||
| 60 | 487780 | 25.00 | 30.25 | |
| Tornillo de brida TSF 55 | ||||
| 61 | 444327 | 1.39 | 1.68 | |
| TURBOFILTER TF II-ET/RS/5X | ||||
| 62 | 487779 | 8.00 | 9.68 | |
| TURBOFILTER-SET TFS II-ET/RS | ||||
| 63 | 487780 | 25.00 | 30.25 | |