Aquí encontrará todas las piezas y dibujos técnicos disponibles de 'Festool 583081 ( SR201E-AS )'. Desde aquí podrá pedir todas las piezas deseadas directamente. Para muchas piezas de repuesto, es necesario pasar un pedido al fabricante. Dependiendo de la marca, el plazo de entrega puede variar entre una y cuatro semanas. Toda la información que tenemos está en nuestro sitio web. No podremos aconsejarle sobre lo que necesita hasta que entregue la máquina para su reparación. Tenga en cuenta lo siguiente a la hora de cursar su pedido:
Debido a una reorganización dentro de Festool, los pedidos de Festool no se entregarán hasta la segunda mitad de enero de 2026.
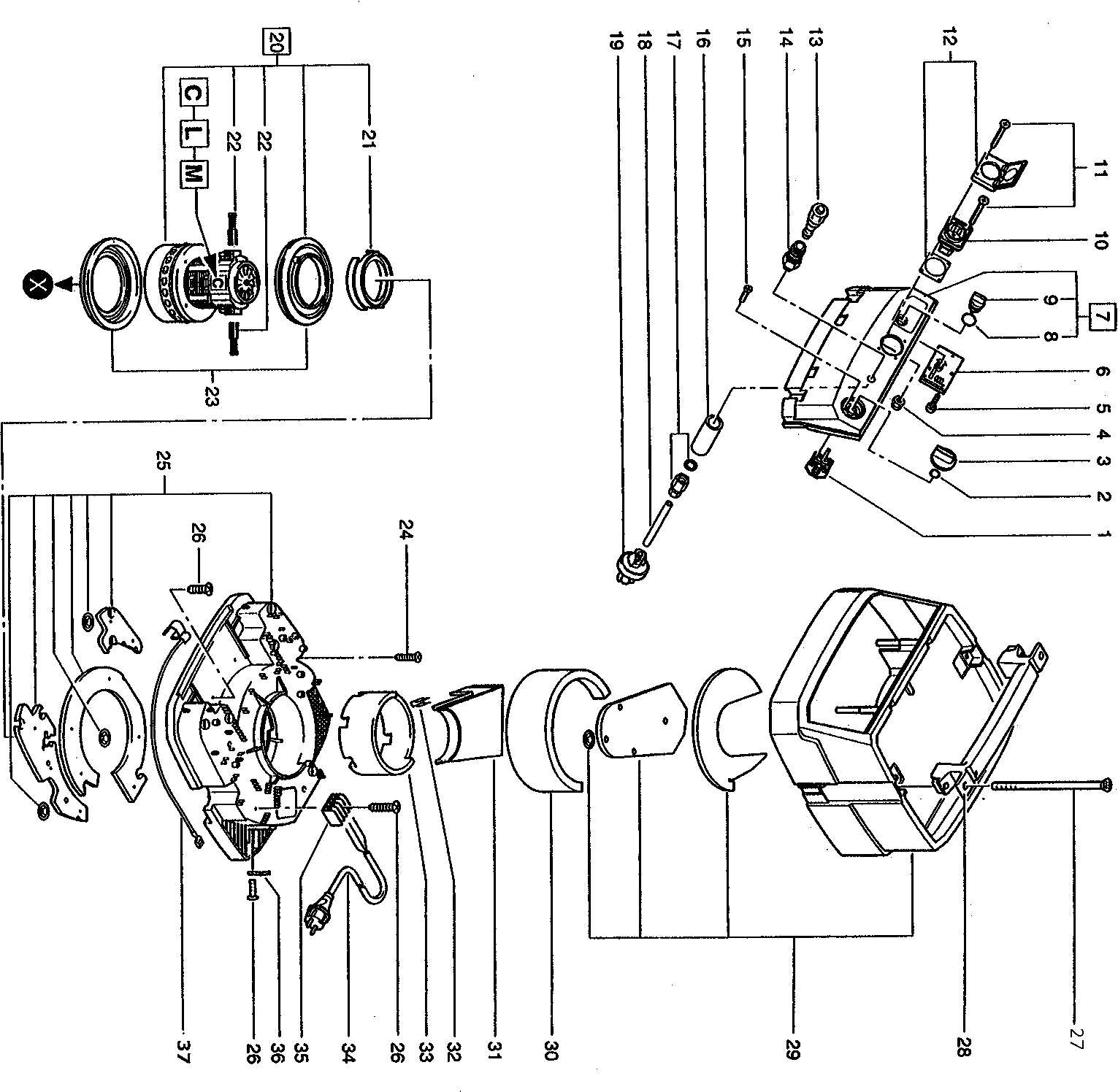
Dibujo técnico de los/las Festool 583081 ( SR201E-AS )
Lista de las piezas de repuesto de Festool 583081 ( SR201E-AS )
| Pos. | Descripción | Precio con el IVA excluido | Precio con el IVA incluido | |
| Los precios mostrados incluyen el IVA | ||||
| No hay información disponible, no se puede pedir | ||||
| 1 | xxx | |||
| Anillo O | ||||
| 2 | 625308 | 9.43 | 11.41 | |
| Ya no disponible, sin reemplazo | ||||
| 3 | 445234 | |||
| No hay información disponible, no se puede pedir | ||||
| 5 | xxx | |||
| No hay información disponible, no se puede pedir | ||||
| 6 | xxx | |||
| No hay información disponible, no se puede pedir | ||||
| 7 | xxx | |||
| No hay información disponible, no se puede pedir | ||||
| 8 | 222037 | |||
| Ya no disponible, sin reemplazo | ||||
| 9 | 445241 | |||
| Enchufe Eu | ||||
| 10 | 445235 | 43.44 | 52.56 | |
| No hay información disponible, no se puede pedir | ||||
| 11 | xxx | |||
| Cubierta TURBO II | ||||
| 12 | 200504 | 12.83 | 15.52 | |
| No hay información disponible, no se puede pedir | ||||
| 13 | xxx | |||
| No hay información disponible, no se puede pedir | ||||
| 14 | xxx | |||
| Tornillo avellanado M4 x 12 | ||||
| 15 | 228555 | 1.39 | 1.68 | |
| No hay información disponible, no se puede pedir | ||||
| 16 | xxx | |||
| No hay información disponible, no se puede pedir | ||||
| 17 | xxx | |||
| Manguera | ||||
| 18 | 626534 | 11.92 | 14.42 | |
| Interruptor de Presión | ||||
| 19 | 436877 | 52.39 | 63.39 | |
| Motor 230 V | ||||
| 20 | 490755 | 288.71 | 349.34 | |
| No hay información disponible, no se puede pedir | ||||
| 21 | 490668 | |||
| CEPILLO 12X8 M. RESORTE U-CONTACTO | ||||
| 22 | 625316 | 52.64 | 63.69 | |
| Cepillo Desmontable (par) 230v | ||||
| 22 | 452876 | 43.92 | 53.14 | |
| No hay información disponible, no se puede pedir | ||||
| 23 | 490668 | |||
| No hay información disponible, no se puede pedir | ||||
| 24 | 412054 | |||
| TIRA | ||||
| 25 | 487119 | 186.82 | 226.05 | |
| No hay información disponible, no se puede pedir | ||||
| 26 | 412094 | |||
| Tornillo avellanado plano | ||||
| 27 | 445248 | 3.77 | 4.56 | |
| No hay información disponible, no se puede pedir | ||||
| 28 | xxx | |||
| No hay información disponible, no se puede pedir | ||||
| 29 | xxx | |||
| No hay información disponible, no se puede pedir | ||||
| 30 | xxx | |||
| No hay información disponible, no se puede pedir | ||||
| 31 | xxx | |||
| No hay información disponible, no se puede pedir | ||||
| 32 | xxx | |||
| No hay información disponible, no se puede pedir | ||||
| 33 | xxx | |||
| Cable 7,5 m Eu | ||||
| 34 | 452078 | 70.42 | 85.21 | |
| No hay información disponible, no se puede pedir | ||||
| 35 | xxx | |||
| No hay información disponible, no se puede pedir | ||||
| 36 | xxx | |||
| No hay información disponible, no se puede pedir | ||||
| 37 | xxx | |||
| No hay información disponible, no se puede pedir | ||||
| 101 | xxx | |||
| No hay información disponible, no se puede pedir | ||||
| 102 | xxx | |||
| No hay información disponible, no se puede pedir | ||||
| 103 | xxx | |||
| No hay información disponible, no se puede pedir | ||||
| 104 | 412054 | |||
| No hay información disponible, no se puede pedir | ||||
| 105 | xxx | |||
| No hay información disponible, no se puede pedir | ||||
| 106 | xxx | |||
| No hay información disponible, no se puede pedir | ||||
| 107 | xxx | |||
| No hay información disponible, no se puede pedir | ||||
| 108 | 485808 | |||
| Ya no disponible, sin reemplazo | ||||
| 109 | 412092 | |||
| ACOPLAMIENTO EN T | ||||
| 110 | 4951 | 46.10 | 55.78 | |
| No hay información disponible, no se puede pedir | ||||
| 111 | xxx | |||
| No hay información disponible, no se puede pedir | ||||
| 112 | 10014024 | |||
| Cono | ||||
| 113 | 439584 | 52.27 | 63.25 | |
| No hay información disponible, no se puede pedir | ||||
| 115 | 500677 | |||
| No hay información disponible, no se puede pedir | ||||
| 116 | 202346 | |||
| No hay información disponible, no se puede pedir | ||||
| 118 | xxx | |||
| No hay información disponible, no se puede pedir | ||||
| 119 | 412039 | |||
| No hay información disponible, no se puede pedir | ||||
| 120 | xxx | |||
| No hay información disponible, no se puede pedir | ||||
| 121 | xxx | |||
| No hay información disponible, no se puede pedir | ||||
| 122 | 487070 | |||
| No hay información disponible, no se puede pedir | ||||
| 123 | xxx | |||
| Disco DIN 125-A-4,3-140 HV | ||||
| 124 | 200576 | 1.39 | 1.68 | |
| Ya no disponible, sin reemplazo | ||||
| 125 | 438702 | |||
| No hay información disponible, no se puede pedir | ||||
| 126 | xxx | |||
| Ya no disponible, sin reemplazo | ||||
| 127 | 445211 | |||
| Tapa de plástico CT MINI ET-BG | ||||
| 128 | 445210 | 7.46 | 9.03 | |
| Ya no disponible, sin reemplazo | ||||
| 129 | 445209 | |||
| Rueda guía | ||||
| 130 | 625333 | 19.24 | 23.28 | |
| No hay información disponible, no se puede pedir | ||||
| 131 | xxx | |||
| No hay información disponible, no se puede pedir | ||||
| 132 | xxx | |||