Aquí encontrará todas las piezas y dibujos técnicos disponibles de 'Hikoki A25EB'. Desde aquí podrá pedir todas las piezas deseadas directamente. Para muchas piezas de repuesto, es necesario pasar un pedido al fabricante. Dependiendo de la marca, el plazo de entrega puede variar entre una y cuatro semanas. Toda la información que tenemos está en nuestro sitio web. No podremos aconsejarle sobre lo que necesita hasta que entregue la máquina para su reparación. Tenga en cuenta lo siguiente a la hora de cursar su pedido:
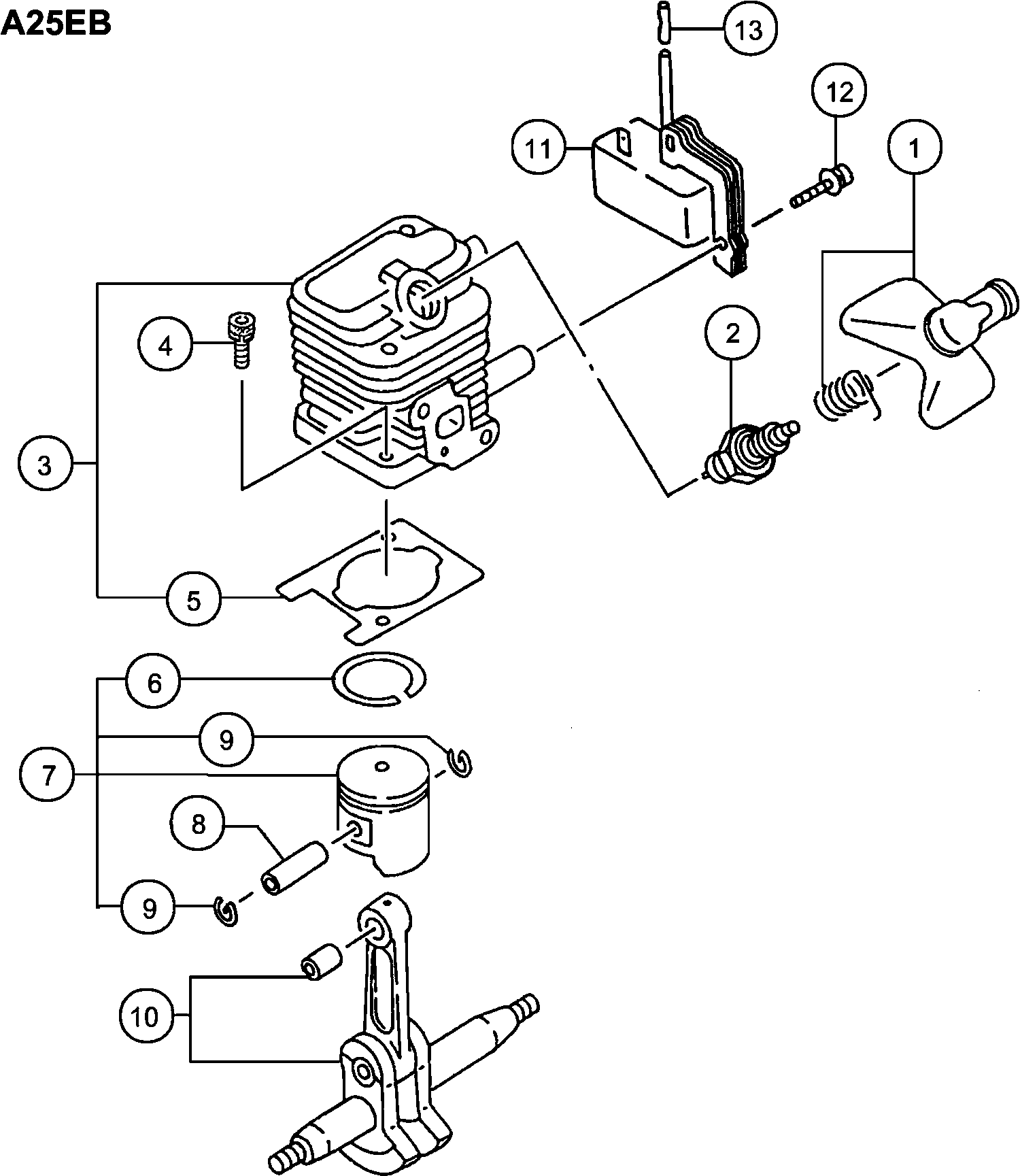
Dibujo técnico de los/las Hikoki A25EB
Lista de las piezas de repuesto de Hikoki A25EB
| Pos. | Descripción | Precio con el IVA excluido | Precio con el IVA incluido | |
| Los precios mostrados incluyen el IVA | ||||
| Ensamble tapa de bujía (antiguo 157-06500-91) | ||||
| 1 | 6687476 | 4.45 | 5.38 | |
| No hay información disponible, no se puede pedir | ||||
| 2 | 6699320 | |||
| Conjunto de cilindros (antiguo 001-0650a-90) | ||||
| 3 | 6685480 | 40.24 | 48.69 | |
| No hay información disponible, no se puede pedir | ||||
| 4 | 6684668 | |||
| Junta de cilindro (antiguo 017-06500-20) | ||||
| 5 | 6685744 | 1.15 | 1.39 | |
| Anillo de pistón (antiguo 041-00601-21/ 6686117) | ||||
| 6 | 6686118 | 4.45 | 5.38 | |
| Conjunto de pistones (antiguo 030-0650a-90) | ||||
| 7 | 6685892 | 20.11 | 24.34 | |
| Pasador del pistón | ||||
| 8 | 6696944 | 3.33 | 4.02 | |
| Circlip de pasador de pistón (antiguo 039-01620-20 | ||||
| 9 | 6686028 | 1.15 | 1.39 | |
| Cigüeñal comp. (antiguo 046-0650a-80) | ||||
| 10 | 6686206 | 80.31 | 97.18 | |
| Bobina | ||||
| 11 | 6695939 | 38.26 | 46.30 | |
| Tornillo de alta tensión 4x18ws (antiguo 994-16040 | ||||
| 12 | 6695407 | 1.15 | 1.39 | |
| Tubo aislante 50l (antiguo 250-06500-20) | ||||
| 13 | 6684597 | 2.15 | 2.60 | |
| Ensamblaje de caja de cigüeñal (antiguo 072-0650a- | ||||
| 21 | 6686576 | 40.24 | 48.69 | |
| Junta de caja del cigüeñal (antigua 090-06500-20) | ||||
| 22 | 6686720 | 1.15 | 1.39 | |
| Sello de aceite | ||||
| 23 | 6684607 | 4.29 | 5.19 | |
| Rodamiento de bolas 6001 C3 | ||||
| 24 | 6684608 | 3.80 | 4.60 | |
| Calzo de eje de engranaje 0.20 (antiguo 330-00200- | ||||
| 25 | 6684604 | 2.15 | 2.60 | |
| Calzo de eje de engranaje 0.30 (antiguo 330-00200- | ||||
| 25 | 6684605 | 2.15 | 2.60 | |
| Goma Antivibración | ||||
| 26 | 6691822 | 1.15 | 1.39 | |
| Perno de cabeza hueca hexagonal M5x30 S (antiguo 9 | ||||
| 27 | 6684786 | 2.15 | 2.60 | |
| Roto Magneto Comp. | ||||
| 28 | 6687389 | 26.16 | 31.66 | |
| Arandela M8 (antiguo 992-01080-011) | ||||
| 29 | 6684611 | 2.15 | 2.60 | |
| Arandela | ||||
| 30 | 6684971 | 1.04 | 1.26 | |
| Tuerca M8 (antiguo 991-01080-011/327325/332299/726 | ||||
| 31 | 6684612 | 2.15 | 2.60 | |
| Junta de tubería de admisión (antiguo 403-06500-20 | ||||
| 41 | 6689891 | 1.15 | 1.39 | |
| Set de Aislante de Carburador, de repuesto | ||||
| 42 | 6689966 | 6.93 | 8.38 | |
| Ya no disponible, sin reemplazo | ||||
| 43 | 6696988 | |||
| Junta de carburador (antiguo 402-06500-20) | ||||
| 44 | 6689839 | 1.15 | 1.39 | |
| Anillo en O P-15 | ||||
| 45 | 6698966 | 1.04 | 1.26 | |
| Cuerpo de limpiador completo (antiguo 423-06500-81 | ||||
| 46 | 6690119 | 4.45 | 5.38 | |
| Collar 7.5 (antiguo 470-06500-20) | ||||
| 47 | 6690804 | 1.15 | 1.39 | |
| Válvula de estrangulamiento (antiguo 528-06500-20) | ||||
| 48 | 6691272 | 2.31 | 2.80 | |
| No hay información disponible, no se puede pedir | ||||
| 49 | 6684658 | |||
| Placa de verificación de soplado (antiguo 476-0170 | ||||
| 50 | 6690843 | 1.15 | 1.39 | |
| Arandela (antiguo 992-10050-012) | ||||
| 51 | 6684662 | 2.15 | 2.60 | |
| Tornillo M5x60 (antiguo 990-11050-602) | ||||
| 52 | 6684660 | 2.15 | 2.60 | |
| Esponja de limpieza | ||||
| 53 | 6690364 | 1.15 | 1.39 | |
| Cubierta del filtro de aire | ||||
| 54 | 6690415 | 5.28 | 6.38 | |
| Tornillo especial (antiguo 380-0637c-20) | ||||
| 55 | 6689737 | 1.15 | 1.39 | |
| Juego de carburador | ||||
| 56 | 6690483 | 54.30 | 65.70 | |
| Tubo protector (antiguo 223-06500-90) | ||||
| 57 | 6685247 | 2.31 | 2.80 | |
| Clip D6 (antiguo 680-00070-20) | ||||
| 58 | 6685198 | 1.15 | 1.39 | |
| No hay información disponible, no se puede pedir | ||||
| 59 | 6684620 | |||
| Tanque de combustible, blanco (antiguo 591-0650d-2 | ||||
| 60 | 6691569 | 9.40 | 11.37 | |
| Collar 5.8 (antiguo 659-00801-20) | ||||
| 61 | 6692244 | 1.15 | 1.39 | |
| Perno de agujero hexagonal 5x18ps (antiguo 994-630 | ||||
| 62 | 6695505 | 1.15 | 1.39 | |
| Tapa del tanque D Ass'y, negra (antiguo 595-06516- | ||||
| 63 | 6691763 | 7.59 | 9.18 | |
| No hay información disponible, no se puede pedir | ||||
| 64 | 6684625 | |||
| Protector de silenciador (antiguo 738-0650a-20) | ||||
| 71 | 6692796 | 6.28 | 7.59 | |
| Junta del silenciador (antiguo 737-06500-20) | ||||
| 72 | 6692744 | 1.15 | 1.39 | |
| Escudo térmico | ||||
| 73 | 6687252 | 2.31 | 2.80 | |
| Conjunto de silenciador (antiguo 704-0650b-90) | ||||
| 76 | 6692478 | 15.28 | 18.48 | |
| Arandela | ||||
| 77 | 6684661 | 2.15 | 2.60 | |
| Perno de Cabeza de Casquillo Hexagonal M5x50 (viej | ||||
| 78 | 6685114 | 1.15 | 1.39 | |
| Junta especial del silenciador (antiguo 751-04200- | ||||
| 79 | 6692883 | 1.15 | 1.39 | |
| Juego de Tubo de escape (viejo 721-0650c-90) Nuevo | ||||
| 80 | 6692663 | 4.79 | 5.79 | |
| Tornillo 4x8/s (antiguo 994-14040-081) | ||||
| 81 | 6695325 | 1.15 | 1.39 | |
| Tornillo autotaladrante D4.5x16 (antiguo 990-72045 | ||||
| 82 | 6684636 | 2.15 | 2.60 | |
| Tornillo 4x12ps (antiguo 994-25040-128) | ||||
| 83 | 6695441 | 1.15 | 1.39 | |
| Carcasa del ventilador | ||||
| 84 | 6687012 | 16.79 | 20.31 | |
| Resorte de retroceso (antiguo 780-06097-20/6697591 | ||||
| 85 | 6684675 | 11.55 | 13.98 | |
| Bobina de cuerda de arranque (antiguo 774-06097-20 | ||||
| 86 | 6693066 | 3.30 | 3.99 | |
| Tornillo de ajuste (antiguo 839-02010-20/6693638) | ||||
| 87 | 6693633 | 1.15 | 1.39 | |
| Ensamblaje de polea de arranque (antiguo 798-06500 | ||||
| 88 | 6693405 | 4.45 | 5.38 | |
| Pasacables (antiguo 203-0604a-20) | ||||
| 89 | 6688050 | 1.15 | 1.39 | |
| Cuerda de arranque (antiguo 783-06097-20/6693174) | ||||
| 90 | 6693168 | 2.31 | 2.80 | |
| Manija de inicio | ||||
| 91 | 6693237 | 1.15 | 1.39 | |
| Tornillo 4x16/ps (antiguo 994-15040-162) | ||||
| 92 | 6695374 | 1.15 | 1.39 | |
| Muelle de trinquete de arranque (antiguo 790-06097 | ||||
| 93 | 6684684 | 4.29 | 5.19 | |
| Trinquete de arranque (antiguo 788-06500-20) | ||||
| 94 | 6693319 | 2.31 | 2.80 | |
| Tornillo de ajuste del acelerador (antiguo 548-251 | ||||
| 121 | 6684698 | 4.29 | 5.19 | |
| Giratorio (antiguo 539-25120-20) | ||||
| 122 | 6684697 | 6.44 | 7.79 | |
| Anillo de parada (antiguo 489-25100-20) | ||||
| 123 | 6684696 | 2.15 | 2.60 | |
| O-RING (antiguo 550-25100-20) | ||||
| 124 | 6684695 | 4.29 | 5.19 | |
| Jet principal #40 (antiguo 599-2000w-40) | ||||
| 125 | 6691845 | 4.45 | 5.38 | |
| Junta de bomba (viejo 577-25100-20) | ||||
| 126 | 6691457 | 7.10 | 8.59 | |
| Diafragma de bomba (antiguo 576-25100-20 & 6696325 | ||||
| 127 | 6684693 | 8.58 | 10.38 | |
| Pantalla de entrada (antiguo 578-25007-20) | ||||
| 128 | 6684700 | 4.29 | 5.19 | |
| Cuerpo de Bomba Comp. (antiguo 575-25152-80) | ||||
| 129 | 6691432 | 34.19 | 41.37 | |
| Ya no disponible, sin reemplazo | ||||
| 130 | 6685220 | |||
| Membrana de medición Comp. (antiguo 474-25001-80/6 | ||||
| 131 | 6690827 | 11.71 | 14.17 | |
| Cubierta del diafragma (antiguo 476-25004-20) | ||||
| 132 | 6685222 | 4.45 | 5.38 | |
| Tornillo de fijación (antiguo 548-25101-20) | ||||
| 133 | 6691312 | 1.15 | 1.39 | |
| Placa Final A (antiguo 300-31249-20) | ||||
| 151 | 6688640 | 34.19 | 41.37 | |
| O-ring G140 (antiguo 999-67140-010) | ||||
| 152 | 6695688 | 4.45 | 5.38 | |
| Mango A (antiguo 090-31249-20) | ||||
| 153 | 6686732 | 19.36 | 23.43 | |
| Tornillo 5x25 (antiguo 990-21050-250) | ||||
| 154 | 6694976 | 1.15 | 1.39 | |
| Arandela | ||||
| 155 | 6689684 | 2.31 | 2.80 | |
| Tuerca de brida | ||||
| 156 | 6695171 | 1.15 | 1.39 | |
| Brida de acoplamiento (antiguo 333-0650a-20) Nuevo | ||||
| 157 | 6689247 | 5.78 | 6.99 | |
| No hay información disponible, no se puede pedir | ||||
| 158 | 6695358 | |||
| Cable del acelerador | ||||
| 159 | 6693909 | 4.45 | 5.38 | |
| Palanca del acelerador, 16 Dia. (old 870-02201-91) | ||||
| 160 | 6693683 | 5.11 | 6.19 | |
| Carcasa A (antiguo 330-31249-20) | ||||
| 171 | 6689180 | 56.26 | 68.08 | |
| Cámara de Voluta A (antiguo 310-31249-20) | ||||
| 172 | 6689002 | 24.20 | 29.28 | |
| Impulsor A (antiguo 031-31249-20) | ||||
| 173 | 6685958 | 24.20 | 29.28 | |
| No hay información disponible, no se puede pedir | ||||
| 174 | 6689132 | |||
| Ensamblaje de sello mecánico A (antiguo 160-31249- | ||||
| 175 | 6687496 | 24.20 | 29.28 | |
| Junta de cámara de voluta A (antiguo 311-31249-20/ | ||||
| 176 | 6689039 | 4.95 | 5.99 | |
| Empaque de placa de succión (antiguo 350-31249-80) | ||||
| 177 | 6689535 | 11.55 | 13.98 | |
| Enchufe de cebado Ass'y (antiguo 360-31249-90/6689 | ||||
| 178 | 6689660 | 13.36 | 16.17 | |
| Perno de brida 8x35 (antiguo 994-51080-350) | ||||
| 179 | 6695480 | 1.15 | 1.39 | |
| Perno de brida 6x16 (antiguo 994-51060-160) | ||||
| 180 | 6695477 | 1.15 | 1.39 | |
| Ensamblaje de Acoplamiento de Agua A (antiguo 050- | ||||
| 181 | 6686258 | 14.06 | 17.02 | |
| Espiga del eje del impulsor A 0.3 (antiguo 034-312 | ||||
| 182 | 6685978 | 2.31 | 2.80 | |
| Cama A (antiguo 080-31249-20) | ||||
| 201 | 6686629 | 28.14 | 34.05 | |
| Caucho de amortiguación A (antiguo 312-31249-20) | ||||
| 202 | 6689060 | 2.31 | 2.80 | |
| Tornillo autoperforante 5x14 (antiguo 993-11051-40 | ||||
| 203 | 6695251 | 1.15 | 1.39 | |
| Banda de alambre 33 (antiguo 132-31223-20/6687219) | ||||
| 204 | 6687218 | 1.15 | 1.39 | |
| Componente de filtro A (antiguo 100-31249-80) | ||||
| 205 | 6686782 | 7.59 | 9.18 | |
| Manguera de succión A 3m (antiguo 180-31251-20) | ||||
| 206 | 6687937 | 62.01 | 75.04 | |
| Llave combinada 13x19 Plus (antiguo 829-20000-80) | ||||
| 501 | 6684979 | 4.29 | 5.19 | |
| Placa de Nombre A25eb (antiguo 906-51751-20) Nuevo | ||||
| 601 | 6695731 | 1.05 | 1.27 | |
| Placa de Nombre A25eb(n) (antiguo 906-51750-20) | ||||
| 602 | 6695730 | 1.15 | 1.39 | |