Aquí encontrará todas las piezas y dibujos técnicos disponibles de 'Hikoki B13R'. Desde aquí podrá pedir todas las piezas deseadas directamente. Para muchas piezas de repuesto, es necesario pasar un pedido al fabricante. Dependiendo de la marca, el plazo de entrega puede variar entre una y cuatro semanas. Toda la información que tenemos está en nuestro sitio web. No podremos aconsejarle sobre lo que necesita hasta que entregue la máquina para su reparación. Tenga en cuenta lo siguiente a la hora de cursar su pedido:
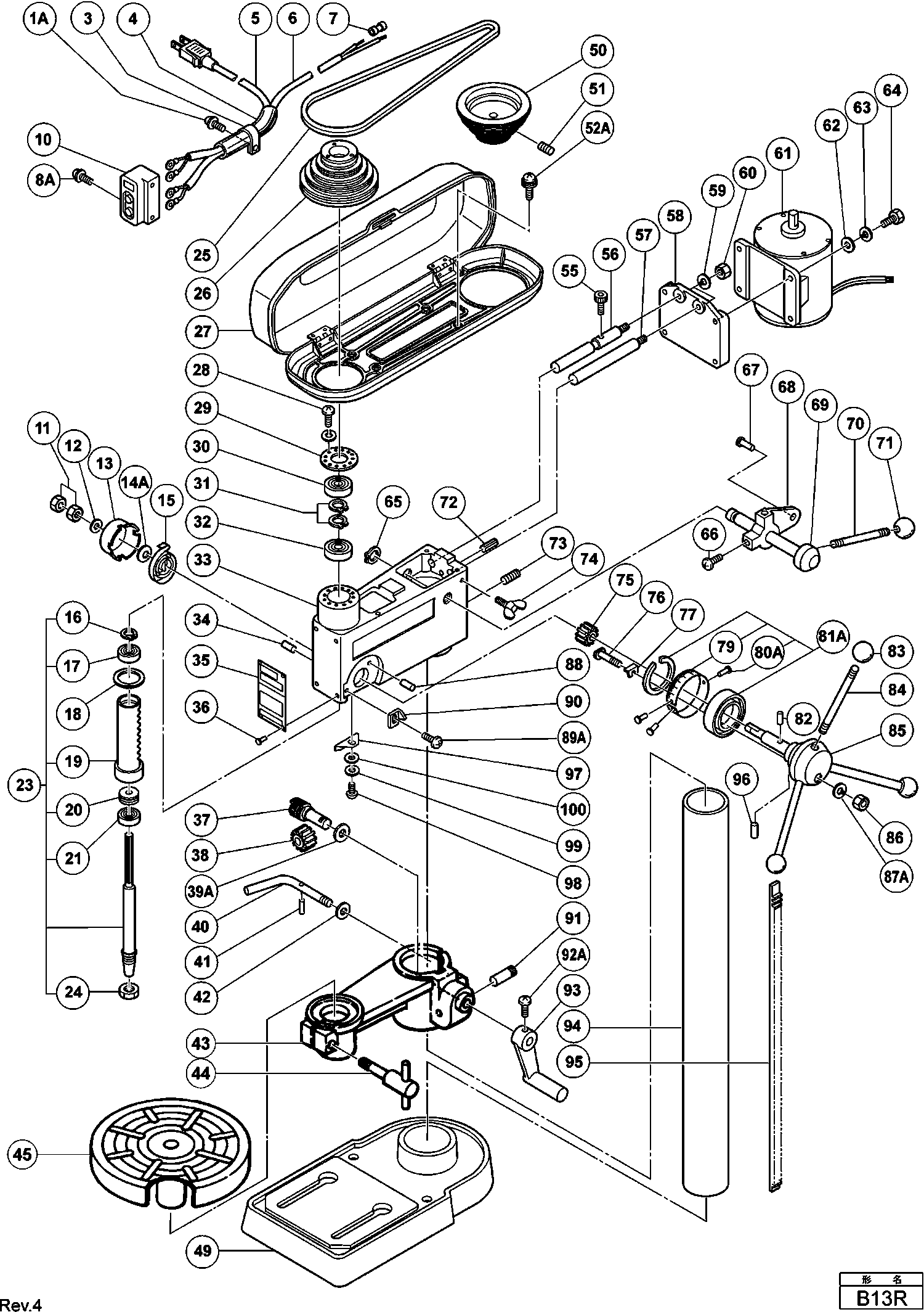
Dibujo técnico de los/las Hikoki B13R
Lista de las piezas de repuesto de Hikoki B13R
| Pos. | Descripción | Precio con el IVA excluido | Precio con el IVA incluido | |
| Los precios mostrados incluyen el IVA | ||||
| Clip de Nylon | ||||
| *3 | 968300 | 1.65 | 2.00 | |
| No hay información disponible, no se puede pedir | ||||
| *5 | 951164 | |||
| No hay información disponible, no se puede pedir | ||||
| *6 | 951117 | |||
| Terminal de soldadura 50091 (10 piezas) | ||||
| *7 | 959140 | 3.30 | 3.99 | |
| Tornillo de máquina (con arandelas) M4x10 (negro) | ||||
| 1A | 304043 | 1.05 | 1.27 | |
| Clip de Nylon | ||||
| 3 | 968300 | 1.65 | 2.00 | |
| No hay información disponible, no se puede pedir | ||||
| 5 | 951164 | |||
| No hay información disponible, no se puede pedir | ||||
| 6 | 951117 | |||
| Terminal de soldadura 50091 (10 piezas) | ||||
| 7 | 959140 | 3.30 | 3.99 | |
| Tornillo de Máquina (con arandelas) M6x12 (negro) | ||||
| 8A | 307232 | 1.05 | 1.27 | |
| Interruptor | ||||
| 10 | 951111 | 29.29 | 35.44 | |
| SCHAKELAAR | ||||
| 10 | 951112 | 26.46 | 32.02 | |
| Tuerca autoblocante M12 (10 pcs) | ||||
| 11 | 949574 | 3.00 | 3.63 | |
| Arandela M12 (Antiguo 949437z, 10 Uds.) | ||||
| 12 | 949437 | 1.95 | 2.36 | |
| VEERKAP | ||||
| 13 | 932350 | 1.00 | 1.21 | |
| RING (D) | ||||
| 14A | 932364 | 1.00 | 1.21 | |
| Muelle | ||||
| 15 | 932351 | 7.05 | 8.53 | |
| Anillo de retención D15 (10 piezas) | ||||
| 16 | 939544 | 2.13 | 2.57 | |
| Rodamiento de bolas 6002 Vv C7mfa | ||||
| 17 | 6002VV | 7.35 | 8.89 | |
| RUBBER RING | ||||
| 18 | 951102 | 1.00 | 1.21 | |
| No hay información disponible, no se puede pedir | ||||
| 20 | 939286 | |||
| Rodamiento de bolas 6203vvcmps2s | ||||
| 21 | 6203VV | 7.80 | 9.44 | |
| AS KOMPLEET (ZIE 951535) | ||||
| 23 | 951121 | 148.61 | 179.82 | |
| NUT (D) | ||||
| 24 | 950067 | 1.26 | 1.52 | |
| V-SNAAR | ||||
| 25 | 973230 | 22.82 | 27.61 | |
| Polea (b) | ||||
| 26 | 951104 | 69.99 | 84.68 | |
| SNAARDEKSEL | ||||
| 27 | 950138 | 37.07 | 44.85 | |
| Tornillo M4X14 | ||||
| 28 | 951122 | 1.05 | 1.27 | |
| Cubierta del cojinete RTS 400 REQ | ||||
| 29 | 951103 | 1.95 | 2.36 | |
| Rodamiento de bolas 6005VV | ||||
| 30 | 6005VV | 9.75 | 11.80 | |
| Arandela de resorte | ||||
| 31 | 965469 | 1.05 | 1.27 | |
| Rodamiento de bolas 6005VV | ||||
| 32 | 6005VV | 9.75 | 11.80 | |
| Cabeza (antiguo 951114) | ||||
| 33 | 951160 | 260.29 | 314.95 | |
| No hay información disponible, no se puede pedir | ||||
| 34 | 975984 | |||
| Remache D2.5x4.8 (10 Piezas) | ||||
| 36 | 949510 | 1.04 | 1.26 | |
| ENGANCHE | ||||
| 37 | 932313 | 7.05 | 8.53 | |
| TANDWIEL | ||||
| 38 | 932112 | 3.18 | 3.85 | |
| No hay información disponible, no se puede pedir | ||||
| 39A | 975081 | |||
| SCHROEF | ||||
| 40 | 950124 | 5.28 | 6.39 | |
| Pasador Rodante D5x25 (10 piezas) | ||||
| 41 | 949681 | 3.60 | 4.36 | |
| Arandela M12 (Antiguo 949437z, 10 Uds.) | ||||
| 42 | 949437 | 1.95 | 2.36 | |
| No hay información disponible, no se puede pedir | ||||
| 43 | 305662 | |||
| No hay información disponible, no se puede pedir | ||||
| 44 | 932382 | |||
| No hay información disponible, no se puede pedir | ||||
| 45 | 932301 | |||
| Placa base KS 60 | ||||
| 49 | 951120 | 179.44 | 217.12 | |
| Polea (a) | ||||
| 50 | 951530 | 38.36 | 46.42 | |
| Tornillo hexagonal de ajuste M6x10 | ||||
| 51 | 968247 | 1.04 | 1.26 | |
| Tornillo de máquina (con arandelas) M6x16 | ||||
| 52A | 300197 | 1.05 | 1.27 | |
| Tornillo Allen M6x12 (antiguo 949657z,10s) | ||||
| 55 | 949657 | 3.00 | 3.63 | |
| No hay información disponible, no se puede pedir | ||||
| 56 | 951161 | |||
| ROD | ||||
| 57 | 951107 | 5.40 | 6.53 | |
| PLAAT | ||||
| 58 | 951106 | 8.04 | 9.73 | |
| Arandela de resorte M12 (10 piezas) | ||||
| 59 | 949463 | 1.65 | 2.00 | |
| Tuerca autoblocante M12 (10 pcs) | ||||
| 60 | 949574 | 3.00 | 3.63 | |
| Anillo M6 (Antiguo 949425z , 10 piezas) | ||||
| 62 | 949425 | 1.05 | 1.27 | |
| Tornillo M6x12 (10 piezas) | ||||
| 64 | 949611 | 1.05 | 1.27 | |
| Arandela de resorte D10 (10 piezas) | ||||
| 65 | 939540 | 1.95 | 2.36 | |
| Tornillo de máquina M6x20 (10 piezas) | ||||
| 66 | 949258 | 1.65 | 2.00 | |
| No hay información disponible, no se puede pedir | ||||
| 67 | 932147 | |||
| No hay información disponible, no se puede pedir | ||||
| 68 | 932158 | |||
| No hay información disponible, no se puede pedir | ||||
| 69 | 951162 | |||
| No hay información disponible, no se puede pedir | ||||
| 70 | 932461 | |||
| No hay información disponible, no se puede pedir | ||||
| 71 | 932462 | |||
| No hay información disponible, no se puede pedir | ||||
| 72 | 949879 | |||
| INBUSSTELSCHROEF M10X10 | ||||
| 73 | 950141 | 1.00 | 1.21 | |
| VLEUGELSCHROEF M8X25 (10 STUKS) | ||||
| 74 | 949413 | 6.54 | 7.91 | |
| TANDWIEL | ||||
| 75 | 932112 | 3.18 | 3.85 | |
| BLOKKINGBOUT | ||||
| 76 | 932348 | 2.34 | 2.83 | |
| No hay información disponible, no se puede pedir | ||||
| 77 | 950087 | |||
| No hay información disponible, no se puede pedir | ||||
| 79 | 950086 | |||
| Remache D2.5x4.8 (10 Piezas) | ||||
| 80A | 949510 | 1.04 | 1.26 | |
| No hay información disponible, no se puede pedir | ||||
| 81A | 333924 | |||
| Pin D4x8 (10 piezas) | ||||
| 82 | 949483 | 2.40 | 2.90 | |
| Palanca | ||||
| 83 | 932344 | 1.35 | 1.63 | |
| No hay información disponible, no se puede pedir | ||||
| 83A | 944772 | |||
| Palanca | ||||
| 84 | 950135 | 5.85 | 7.08 | |
| HANDGREEPHOUDER | ||||
| 85 | 951105 | 64.79 | 78.40 | |
| Tuerca Especial M8 | ||||
| 86 | 932593 | 1.35 | 1.63 | |
| Arandela M8 (10 Piezas) | ||||
| 87A | 949433 | 1.05 | 1.27 | |
| ROL PIN D6X16 (10 STUKS) | ||||
| 88 | 949785 | 1.74 | 2.11 | |
| PIN (OLD 305581) | ||||
| 88 | 951534 | 1.00 | 1.21 | |
| Tornillo de Máquina M5X16 (10 Piezas) | ||||
| 89A | 949239 | 1.05 | 1.27 | |
| INDICATOR (B) | ||||
| 90 | 950088 | 1.00 | 1.21 | |
| TANDWIELAS | ||||
| 91 | 950125 | 1.98 | 2.40 | |
| Tornillo de máquina M6x16 (10 unidades) | ||||
| 92A | 949256 | 1.35 | 1.63 | |
| No hay información disponible, no se puede pedir | ||||
| 93 | 305661 | |||
| TANDHEUGEL | ||||
| 95 | 950121 | 19.91 | 24.09 | |
| Pin de Rodillo D6x40 (10 Unidades) | ||||
| 96 | 949686 | 6.75 | 8.17 | |
| TIRA | ||||
| 97 | 323094 | 3.30 | 3.99 | |
| Tornillo de máquina M5x12 (10 piezas) | ||||
| 98 | 949237 | 1.05 | 1.27 | |
| Arandela de resorte M5 (10 piezas) | ||||
| 99 | 949454 | 1.04 | 1.26 | |
| Arandela de bloqueo M5 (antiguo 949424z , 10 pieza | ||||
| 100 | 949424 | 1.05 | 1.27 | |