Aquí encontrará todas las piezas y dibujos técnicos disponibles de 'Hikoki B23S'. Desde aquí podrá pedir todas las piezas deseadas directamente. Para muchas piezas de repuesto, es necesario pasar un pedido al fabricante. Dependiendo de la marca, el plazo de entrega puede variar entre una y cuatro semanas. Toda la información que tenemos está en nuestro sitio web. No podremos aconsejarle sobre lo que necesita hasta que entregue la máquina para su reparación. Tenga en cuenta lo siguiente a la hora de cursar su pedido:
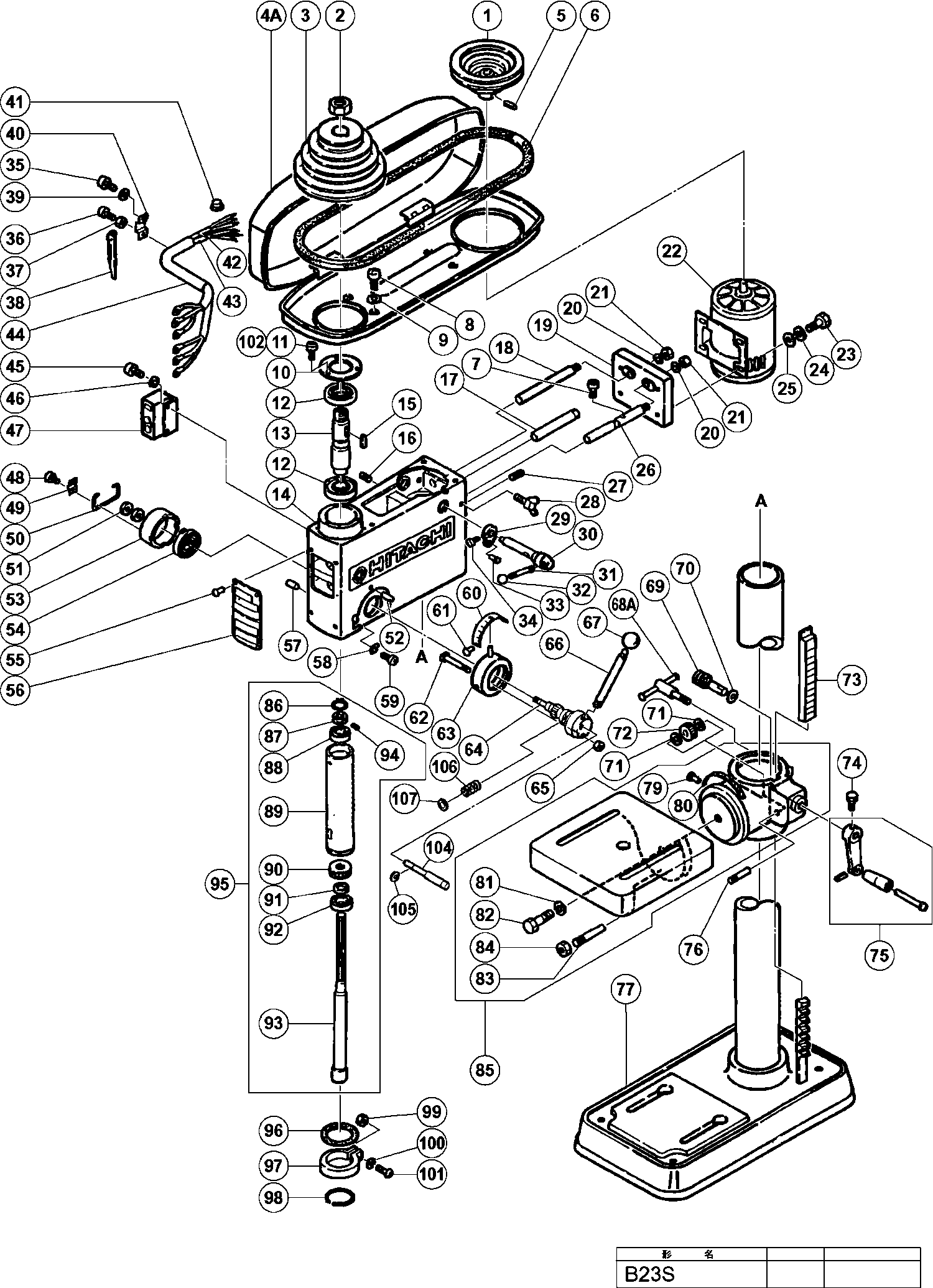
Dibujo técnico de los/las Hikoki B23S
Lista de las piezas de repuesto de Hikoki B23S
| Pos. | Descripción | Precio con el IVA excluido | Precio con el IVA incluido | |
| Los precios mostrados incluyen el IVA | ||||
| No hay información disponible, no se puede pedir | ||||
| *14 | 305650 | |||
| Arandela de resorte M6 (antiguo 949455z, 10 piezas | ||||
| *24 | 949455 | 1.05 | 1.27 | |
| Arandela M6 (10 Piezas) | ||||
| *25 | 949432 | 1.05 | 1.27 | |
| Terminal de soldadura 50091 (10 piezas) | ||||
| *41 | 959140 | 3.30 | 3.99 | |
| No hay información disponible, no se puede pedir | ||||
| *43 | 500243Z | |||
| Polea (a) | ||||
| 1 | 988315 | 52.66 | 63.72 | |
| No hay información disponible, no se puede pedir | ||||
| 2 | 932424 | |||
| PULLY | ||||
| 3 | 932485 | 66.94 | 81.00 | |
| No hay información disponible, no se puede pedir | ||||
| 4A | 932470 | |||
| Tornillo hexagonal de ajuste M6x10 | ||||
| 5 | 968247 | 1.04 | 1.26 | |
| No hay información disponible, no se puede pedir | ||||
| 6 | 932473 | |||
| Tornillo Allen M6x12 (antiguo 949657z,10s) | ||||
| 7 | 949657 | 3.00 | 3.63 | |
| No hay información disponible, no se puede pedir | ||||
| 8 | 949254 | |||
| Arandela de resorte M6 (antiguo 949455z, 10 piezas | ||||
| 9 | 949455 | 1.05 | 1.27 | |
| No hay información disponible, no se puede pedir | ||||
| 10 | 932442 | |||
| Tornillo de máquina M5x8 (10 piezas) | ||||
| 11 | 949235 | 1.05 | 1.27 | |
| Rodamiento de bolas 6207vvcmps2s | ||||
| 12 | 6207VV | 17.46 | 21.13 | |
| No hay información disponible, no se puede pedir | ||||
| 13 | 932423 | |||
| No hay información disponible, no se puede pedir | ||||
| 14 | 988320 | |||
| No hay información disponible, no se puede pedir | ||||
| 15 | 932447 | |||
| No hay información disponible, no se puede pedir | ||||
| 16 | 932445 | |||
| No hay información disponible, no se puede pedir | ||||
| 17 | 949887 | |||
| No hay información disponible, no se puede pedir | ||||
| 18 | 988310 | |||
| No hay información disponible, no se puede pedir | ||||
| 19 | 932591 | |||
| Arandela de resorte M12 (10 piezas) | ||||
| 20 | 949463 | 1.65 | 2.00 | |
| Tuerca autoblocante M12 (10 pcs) | ||||
| 21 | 949574 | 3.00 | 3.63 | |
| BOUT M8X20 (10 STUKS) (OUD 949624Z, | ||||
| 23 | 949624 | 1.50 | 1.82 | |
| BOLT M6X20 (10 PCS) | ||||
| 23 | 949676 | 1.26 | 1.52 | |
| Arandela de resorte M8 (10 piezas) | ||||
| 24 | 949457 | 1.05 | 1.27 | |
| Arandela de resorte M6 (antiguo 949455z, 10 piezas | ||||
| 24 | 949455 | 1.05 | 1.27 | |
| Arandela M6 (10 Piezas) | ||||
| 25 | 949432 | 1.05 | 1.27 | |
| Arandela M8 (10 Piezas) | ||||
| 25 | 949433 | 1.05 | 1.27 | |
| No hay información disponible, no se puede pedir | ||||
| 26 | 932489 | |||
| INBUSBOUT M10X18 *TD5-5-4* | ||||
| 27 | 932446 | 1.00 | 1.21 | |
| No hay información disponible, no se puede pedir | ||||
| 28 | 988325 | |||
| No hay información disponible, no se puede pedir | ||||
| 29 | 932148 | |||
| No hay información disponible, no se puede pedir | ||||
| 30 | 988321 | |||
| No hay información disponible, no se puede pedir | ||||
| 31 | 932461 | |||
| No hay información disponible, no se puede pedir | ||||
| 32 | 932462 | |||
| No hay información disponible, no se puede pedir | ||||
| 33 | 932147 | |||
| Tornillo de máquina M6x20 (10 piezas) | ||||
| 34 | 949258 | 1.65 | 2.00 | |
| No hay información disponible, no se puede pedir | ||||
| 35 | 949254 | |||
| Tornillo de máquina M6x22 (10 unidades) | ||||
| 36 | 949259 | 1.65 | 2.00 | |
| Tuerca M6 (10pcs) | ||||
| 37 | 949556 | 1.05 | 1.27 | |
| No hay información disponible, no se puede pedir | ||||
| 38 | 932482 | |||
| Arandela de resorte M6 (antiguo 949455z, 10 piezas | ||||
| 39 | 949455 | 1.05 | 1.27 | |
| No hay información disponible, no se puede pedir | ||||
| 40 | 932479 | |||
| Terminal de soldadura 50092 (10 piezas) | ||||
| 41 | 959141 | 3.75 | 4.54 | |
| Terminal de soldadura 50091 (10 piezas) | ||||
| 41 | 959140 | 3.30 | 3.99 | |
| No hay información disponible, no se puede pedir | ||||
| 42 | 988312 | |||
| No hay información disponible, no se puede pedir | ||||
| 43 | 951164 | |||
| No hay información disponible, no se puede pedir | ||||
| 45 | 949254 | |||
| Arandela de resorte M6 (antiguo 949455z, 10 piezas | ||||
| 46 | 949455 | 1.05 | 1.27 | |
| Interruptor | ||||
| 47 | 951111 | 29.29 | 35.44 | |
| SCHAKELAAR | ||||
| 47 | 951112 | 26.46 | 32.02 | |
| Tornillo de máquina M4x6 (10 piezas) | ||||
| 48 | 949214 | 1.05 | 1.27 | |
| No hay información disponible, no se puede pedir | ||||
| 49 | 932459 | |||
| No hay información disponible, no se puede pedir | ||||
| 50 | 932483 | |||
| No hay información disponible, no se puede pedir | ||||
| 51 | 949575 | |||
| No hay información disponible, no se puede pedir | ||||
| 52 | 932444 | |||
| No hay información disponible, no se puede pedir | ||||
| 53 | 932457 | |||
| Resorte (a) | ||||
| 54 | 932458 | 9.30 | 11.25 | |
| Remache D2.5x4.8 (10 Piezas) | ||||
| 55 | 949510 | 1.04 | 1.26 | |
| No hay información disponible, no se puede pedir | ||||
| 57 | 932592 | |||
| No hay información disponible, no se puede pedir | ||||
| 57A | 312021 | |||
| INDICADOR | ||||
| 58 | 932456 | 1.04 | 1.26 | |
| No hay información disponible, no se puede pedir | ||||
| 59 | 949254 | |||
| SCHAAL | ||||
| 60 | 932455 | 1.00 | 1.21 | |
| Remache D2.5x4.8 (10 Piezas) | ||||
| 61 | 949510 | 1.04 | 1.26 | |
| No hay información disponible, no se puede pedir | ||||
| 62 | 988319 | |||
| No hay información disponible, no se puede pedir | ||||
| 63 | 932454 | |||
| No hay información disponible, no se puede pedir | ||||
| 64 | 988316 | |||
| Tuerca Especial M8 | ||||
| 65 | 932593 | 1.35 | 1.63 | |
| No hay información disponible, no se puede pedir | ||||
| 66 | 988317 | |||
| No hay información disponible, no se puede pedir | ||||
| 67 | 988318 | |||
| No hay información disponible, no se puede pedir | ||||
| 68A | 998156 | |||
| ENGANCHE | ||||
| 69 | 932313 | 7.05 | 8.53 | |
| SLUITRING | ||||
| 70 | 932314 | 1.00 | 1.21 | |
| RING | ||||
| 71 | 932317 | 1.00 | 1.21 | |
| No hay información disponible, no se puede pedir | ||||
| 72 | 932316 | |||
| No hay información disponible, no se puede pedir | ||||
| 73 | 988313 | |||
| BOLT M6X14 (10 PCS) (OLD 949612Z) | ||||
| 74 | 949612 | 1.00 | 1.21 | |
| No hay información disponible, no se puede pedir | ||||
| 75 | 932595 | |||
| No hay información disponible, no se puede pedir | ||||
| 76 | 932315 | |||
| No hay información disponible, no se puede pedir | ||||
| 77 | 932598 | |||
| Remache D2.5x4.8 (10 Piezas) | ||||
| 79 | 949510 | 1.04 | 1.26 | |
| No hay información disponible, no se puede pedir | ||||
| 80 | 932426 | |||
| VEERRING M16 (10STUKS) | ||||
| 81 | 949464 | 1.38 | 1.67 | |
| BOUT | ||||
| 82 | 932322 | 1.62 | 1.96 | |
| KONUS PIN | ||||
| 83 | 932425 | 1.74 | 2.11 | |
| Tuerca M8 (10 Piezas) | ||||
| 84 | 949558 | 1.05 | 1.27 | |
| No hay información disponible, no se puede pedir | ||||
| 85 | 932422 | |||
| Anillo de retención tipo C | ||||
| 86 | 948310 | 1.35 | 1.63 | |
| No hay información disponible, no se puede pedir | ||||
| 87 | 932416 | |||
| Rodamiento de bolas 6204vvcmps2s | ||||
| 88 | 6204VV | 9.15 | 11.07 | |
| No hay información disponible, no se puede pedir | ||||
| 90 | 939431 | |||
| DISTANCE WASHER (B) | ||||
| 91 | 932434 | 1.00 | 1.21 | |
| Rodamiento de bolas 6005VV | ||||
| 92 | 6005VV | 9.75 | 11.80 | |
| No hay información disponible, no se puede pedir | ||||
| 94 | 932418 | |||
| No hay información disponible, no se puede pedir | ||||
| 95 | 988314 | |||
| PAKKING | ||||
| 96 | 932437 | 1.74 | 2.11 | |
| STOPPERHOUDER | ||||
| 97 | 932438 | 4.20 | 5.08 | |
| RING | ||||
| 98 | 932439 | 1.00 | 1.21 | |
| Tuerca M6 (10pcs) | ||||
| 99 | 949556 | 1.05 | 1.27 | |
| Arandela de resorte M6 (antiguo 949455z, 10 piezas | ||||
| 100 | 949455 | 1.05 | 1.27 | |
| Tornillo de máquina M6x30 (10 piezas) | ||||
| 101 | 949262 | 1.80 | 2.18 | |
| Arandela de resorte M5 (10 piezas) | ||||
| 102 | 949454 | 1.04 | 1.26 | |
| No hay información disponible, no se puede pedir | ||||
| 104 | 988410 | |||
| Arandela | ||||
| 105 | 673489 | 1.04 | 1.26 | |
| No hay información disponible, no se puede pedir | ||||
| 106 | 988810 | |||
| Anillo M4 (10 piezas) | ||||
| 107 | 949423 | 1.05 | 1.27 | |
| No hay información disponible, no se puede pedir | ||||
| 901 | 950266 | |||
| No hay información disponible, no se puede pedir | ||||
| 902 | 950267 | |||
| No hay información disponible, no se puede pedir | ||||
| 903 | 950262 | |||
| No hay información disponible, no se puede pedir | ||||
| 904 | 950265 | |||
| No hay información disponible, no se puede pedir | ||||
| 905 | 930733 | |||
| No hay información disponible, no se puede pedir | ||||
| 906 | 930904 | |||