Aquí encontrará todas las piezas y dibujos técnicos disponibles de 'Hikoki C10FCE2'. Desde aquí podrá pedir todas las piezas deseadas directamente. Para muchas piezas de repuesto, es necesario pasar un pedido al fabricante. Dependiendo de la marca, el plazo de entrega puede variar entre una y cuatro semanas. Toda la información que tenemos está en nuestro sitio web. No podremos aconsejarle sobre lo que necesita hasta que entregue la máquina para su reparación. Tenga en cuenta lo siguiente a la hora de cursar su pedido:
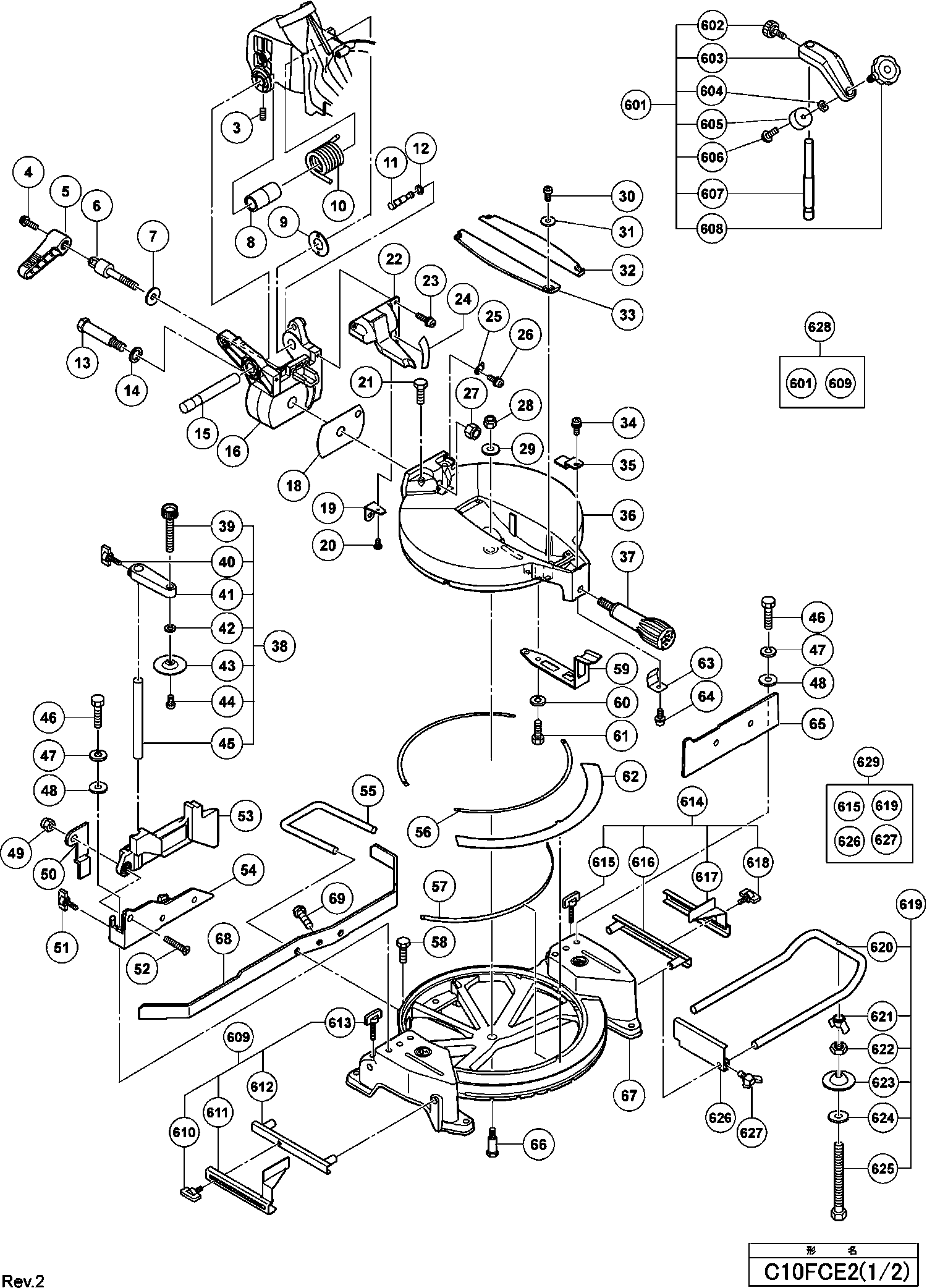
Dibujo técnico de los/las Hikoki C10FCE2
Lista de las piezas de repuesto de Hikoki C10FCE2
| Pos. | Descripción | Precio con el IVA excluido | Precio con el IVA incluido | |
| Los precios mostrados incluyen el IVA | ||||
| Brida (D) | ||||
| *101 | 308789 | 15.84 | 19.16 | |
| Arandela (a) | ||||
| *101 | 318961 | 3.00 | 3.63 | |
| Arandela (b) Ds9dva/ds12dva/ds14dv Ds14dva/ds14dvb | ||||
| *101 | 318962 | 3.00 | 3.63 | |
| No hay información disponible, no se puede pedir | ||||
| *102 | 319107 | |||
| No hay información disponible, no se puede pedir | ||||
| *102A | 318963 | |||
| Anillo de llenado D25.4 | ||||
| *103 | 976819 | 4.80 | 5.81 | |
| Caja de engranajes | ||||
| *123 | 326702 | 45.65 | 55.24 | |
| Varilla de conexión | ||||
| *142 | 323980 | 12.45 | 15.06 | |
| Varilla de conexión | ||||
| *142A | 336357 | 7.20 | 8.71 | |
| ENLACE (A) | ||||
| *142B | 375674 | 4.50 | 5.44 | |
| SNOER 2.5M 2 X 1.0 H05VV-F W/PLUG 13A/250V (OLD 50 | ||||
| *154 | 500423Z | 12.87 | 15.57 | |
| Cordón 2,5m 2 X 1.0 H05vv-f (Antiguo 500395z) | ||||
| *154 | 500447Z | 6.60 | 7.99 | |
| No hay información disponible, no se puede pedir | ||||
| *159 | 958308Z | |||
| Interruptor | ||||
| *166 | 326700 | 10.20 | 12.34 | |
| Inducido 220-230 Volt | ||||
| *168 | 360695E | 49.50 | 59.90 | |
| ANKER 110-120 VOLT | ||||
| *168 | 360656U | 46.20 | 55.90 | |
| Stator 220v-230v H-90sa Includ.103 Para Nzl,saf | ||||
| *176 | 340687E | 45.65 | 55.24 | |
| Escobilla de carbono (1 par) | ||||
| *182 | 999065 | 7.95 | 9.62 | |
| No hay información disponible, no se puede pedir | ||||
| *504 | 322955M | |||
| Tornillo de cabeza hexagonal M6x10 | ||||
| 3 | 307956 | 1.05 | 1.27 | |
| No hay información disponible, no se puede pedir | ||||
| 4 | 323208 | |||
| MANIJA DE SUJECIÓN (ANTIGUO 322935) | ||||
| 5A | 371742 | 1.20 | 1.45 | |
| Perno (mano izquierda) M10 | ||||
| 6A | 371743 | 2.40 | 2.90 | |
| ARANDELA | ||||
| 7 | 318934 | 1.50 | 1.82 | |
| MANGUITO EXCÉNTRICO | ||||
| 8 | 322889 | 1.05 | 1.27 | |
| Anillo de guía (d) | ||||
| 9 | 322965 | 1.05 | 1.27 | |
| Muelle | ||||
| 10 | 322890 | 4.20 | 5.08 | |
| Pasador de tope incl.94 | ||||
| 11 | 302518 | 4.50 | 5.44 | |
| Anillo O (p-6) | ||||
| 12 | 984528 | 1.05 | 1.27 | |
| Eje (d) | ||||
| 13A | 371740 | 2.10 | 2.54 | |
| Arandela M16 | ||||
| 14 | 322934 | 1.05 | 1.27 | |
| Eje (c) C10fch | ||||
| 15 | 322888 | 5.10 | 6.17 | |
| Bisagra C10fch | ||||
| 16 | 322932 | 13.75 | 16.64 | |
| Casquillo de guía (b) | ||||
| 18 | 322937 | 1.05 | 1.27 | |
| Soporte de guía de polvo C10fch | ||||
| 19 | 322963 | 1.05 | 1.27 | |
| Tornillo de máquina M4x8 (10 piezas) | ||||
| 20 | 949215 | 1.05 | 1.27 | |
| NYLOCK BOUT M8X25 | ||||
| 21 | 303409 | 1.00 | 1.21 | |
| Guía de polvo | ||||
| 22 | 322891 | 4.20 | 5.08 | |
| Tornillo M5 X 16 | ||||
| 23 | 987512 | 1.04 | 1.26 | |
| Escala | ||||
| 24 | 322892 | 1.05 | 1.27 | |
| Indicador (b) | ||||
| 25 | 322893 | 1.05 | 1.27 | |
| Tornillo de máquina (con arandelas) M4x10 (negro) | ||||
| 26 | 304043 | 1.05 | 1.27 | |
| Tuerca de nylon M12 | ||||
| 27 | 680418 | 3.30 | 3.99 | |
| No hay información disponible, no se puede pedir | ||||
| 28 | 975348 | |||
| No hay información disponible, no se puede pedir | ||||
| 29 | 318929 | |||
| Tornillo de máquina M4x12 (10 piezas) | ||||
| 30 | 949217 | 1.05 | 1.27 | |
| Arandela M4 (antiguo 949429z) | ||||
| 31 | 949429 | 1.05 | 1.27 | |
| Inserción de Mesa (a) C12fch | ||||
| 32 | 322929 | 1.05 | 1.27 | |
| Inserción de Mesa (b) C12fch | ||||
| 33 | 322930 | 1.05 | 1.27 | |
| Tornillo de máquina (con arandelas) M4x10 (negro) | ||||
| 34 | 304043 | 1.05 | 1.27 | |
| Indicador (a) | ||||
| 35 | 322904 | 1.05 | 1.27 | |
| MESA ROTATORIA | ||||
| 36 | 326695 | 45.65 | 55.24 | |
| No hay información disponible, no se puede pedir | ||||
| 37 | 322898 | |||
| MANGO LATERAL (ANTIGUO 322283/322898) | ||||
| 37A | 376050 | 1.20 | 1.45 | |
| No hay información disponible, no se puede pedir | ||||
| 38 | 322952 | |||
| Perno del mando M10x66 | ||||
| 39 | 302522 | 9.60 | 11.62 | |
| Tornillo de Ala M6x15 | ||||
| 40 | 301806 | 1.05 | 1.27 | |
| Arandela M6 (10 Piezas) | ||||
| 42 | 949432 | 1.05 | 1.27 | |
| Placa de sujeción CS 50 EB | ||||
| 43 | 302532 | 2.40 | 2.90 | |
| Tornillo de máquina M4x10 (10 piezas) (ANTIGUO 949 | ||||
| 44 | 949216 | 1.05 | 1.27 | |
| No hay información disponible, no se puede pedir | ||||
| 45 | 322954 | |||
| Tornillo M8x35 (10 Piezas) | ||||
| 46 | 949678 | 2.55 | 3.09 | |
| Arandela de resorte M8 (10 piezas) | ||||
| 47 | 949457 | 1.05 | 1.27 | |
| Arandela M8 (10 Piezas) | ||||
| 48 | 949433 | 1.05 | 1.27 | |
| Tuerca de nylon M6 | ||||
| 49 | 963837 | 1.05 | 1.27 | |
| TIRA | ||||
| 50 | 326711 | 1.65 | 2.00 | |
| Tornillo de Ala M6x15 | ||||
| 51 | 301806 | 1.05 | 1.27 | |
| Tornillo Hd M6x25 (10 Piezas) | ||||
| 52 | 949342 | 1.65 | 2.00 | |
| No hay información disponible, no se puede pedir | ||||
| 53 | 326704 | |||
| Mordaza (b) | ||||
| 54 | 326698 | 7.95 | 9.62 | |
| TOPE DE LONGITUD | ||||
| 55 | 326705 | 3.15 | 3.81 | |
| Revestimiento (a) | ||||
| 56 | 322901 | 1.05 | 1.27 | |
| Forro (c) C10fch | ||||
| 57 | 322964 | 1.05 | 1.27 | |
| Tornillo M6x12 (10 piezas) | ||||
| 58 | 949611 | 1.05 | 1.27 | |
| Diafragma | ||||
| 59 | 322903 | 2.10 | 2.54 | |
| Arandela de resorte M8 (10 piezas) | ||||
| 60 | 949457 | 1.05 | 1.27 | |
| Tornillo Allen M8x16 Hd(10 piezas)(antiguo 944949) | ||||
| 61 | 949655 | 3.90 | 4.72 | |
| Escala (a) | ||||
| 62 | 326826 | 3.30 | 3.99 | |
| Distanciador | ||||
| 63 | 326696 | 1.05 | 1.27 | |
| Tornillo de máquina (con arandela) M4x8 (negro) | ||||
| 64 | 317200 | 1.65 | 2.00 | |
| Valla (a) C12fch | ||||
| 65 | 326697 | 11.70 | 14.16 | |
| Eje (b) | ||||
| 66A | 371738 | 1.35 | 1.63 | |
| Placa base KS 60 | ||||
| 67 | 326694 | 49.50 | 59.90 | |
| Soporte (b) | ||||
| 68 | 336353 | 7.20 | 8.71 | |
| Tornillo M6x12 (10 piezas) | ||||
| 69 | 949611 | 1.05 | 1.27 | |
| Tornillo con rosca izquierda M7x17,5 (antiguo 9962 | ||||
| 100 | 998335 | 1.05 | 1.27 | |
| No hay información disponible, no se puede pedir | ||||
| 102 | 319107 | |||
| No hay información disponible, no se puede pedir | ||||
| 102A | 318963 | |||
| No hay información disponible, no se puede pedir | ||||
| 103 | 974663Z | |||
| Montaje del husillo | ||||
| 104 | 323133 | 22.83 | 27.62 | |
| Tornillo de placa de bloqueo de sello M4x10 | ||||
| 105 | 990430 | 1.04 | 1.26 | |
| CUBIERTA | ||||
| 106 | 322919 | 1.05 | 1.27 | |
| Rodamiento de bolas 6003 Vv | ||||
| 107 | 6003VV | 7.65 | 9.26 | |
| Soporte De Cojinete | ||||
| 108 | 322918 | 4.65 | 5.63 | |
| Eje y conjunto de engranajes | ||||
| 109 | 322917 | 11.70 | 14.16 | |
| No hay información disponible, no se puede pedir | ||||
| 110 | 982027 | |||
| RODAMIENTO DE AGUJAS | ||||
| 110A | 373278 | 1.04 | 1.26 | |
| Tornillo M5 X 16 | ||||
| 111 | 987512 | 1.04 | 1.26 | |
| Tornillo M5x10 (antiguo 956634, 10 piezas) | ||||
| 115 | 949819 | 2.55 | 3.09 | |
| Cojín C18dmr | ||||
| 116 | 961729 | 1.05 | 1.27 | |
| Tornillo de cabeza cruzada M6x16 (10 unidades) | ||||
| 117 | 949340 | 1.35 | 1.63 | |
| Tornillo de máquina M4x12 (10 piezas) | ||||
| 118 | 949217 | 1.05 | 1.27 | |
| Arandela M4 (antiguo 949429z) | ||||
| 119 | 949429 | 1.05 | 1.27 | |
| No hay información disponible, no se puede pedir | ||||
| 120 | 322920 | |||
| Manija TSC 55 | ||||
| 121 | 326708 | 5.40 | 6.53 | |
| No hay información disponible, no se puede pedir | ||||
| 122 | 323208 | |||
| Caja de engranajes | ||||
| 123B | 336354 | 51.43 | 62.22 | |
| Muelle | ||||
| 124 | 323987 | 1.05 | 1.27 | |
| Eje de palanca | ||||
| 125 | 323990 | 2.10 | 2.54 | |
| Placa de Bloqueo | ||||
| 126 | 323979 | 3.15 | 3.81 | |
| Portador de manija | ||||
| 127 | 323982 | 2.10 | 2.54 | |
| Tuerca de Nylon M5 | ||||
| 128 | 877371 | 1.05 | 1.27 | |
| Tornillo de máquina M5x10 (10 piezas) | ||||
| 129 | 949236 | 1.05 | 1.27 | |
| Tornillo M6 | ||||
| 132 | 322950 | 1.05 | 1.27 | |
| Arandela M7 | ||||
| 133 | 322948 | 1.05 | 1.27 | |
| Tornillo de Ala M6x15 | ||||
| 134 | 301806 | 1.05 | 1.27 | |
| Tornillo M6 | ||||
| 135 | 322950 | 1.05 | 1.27 | |
| Etiqueta TSC 55 FESTOOL | ||||
| 136 | 323986 | 4.20 | 5.08 | |
| Placa de parada Para Europa, AUS, NZL | ||||
| 137 | 323985 | 2.10 | 2.54 | |
| Arandela de resorte M5 (10 piezas) | ||||
| 138 | 949454 | 1.04 | 1.26 | |
| Tornillo de máquina M4x8 (10 piezas) | ||||
| 139 | 949215 | 1.05 | 1.27 | |
| Arandela M4 (antiguo 949429z) | ||||
| 140 | 949429 | 1.05 | 1.27 | |
| CUBIERTA PROTECTORA | ||||
| 141 | 326707 | 22.83 | 27.62 | |
| CUBIERTA PROTECTORA | ||||
| 141A | 336356 | 20.63 | 24.96 | |
| CUBIERTA PROTECTORA | ||||
| 141B | 336356 | 20.63 | 24.96 | |
| Varilla de conexión | ||||
| 142 | 323980 | 12.45 | 15.06 | |
| Varilla de conexión | ||||
| 142A | 336357 | 7.20 | 8.71 | |
| Tornillo de Máquina M4x12 (negro) con Arandela | ||||
| 144 | 935196 | 1.04 | 1.26 | |
| Tornillo Especial (c) M5 | ||||
| 145 | 322947 | 1.05 | 1.27 | |
| ARANDELA | ||||
| 146 | 322938 | 1.05 | 1.27 | |
| Resorte De Retorno (a) | ||||
| 147 | 323984 | 1.05 | 1.27 | |
| Etiqueta TSC 55 FESTOOL | ||||
| 148 | 323989 | 3.15 | 3.81 | |
| Émbolo | ||||
| 149 | 323988 | 2.10 | 2.54 | |
| Tornillo de rosca (con brida) D4x25 (negro) | ||||
| 151 | 307028 | 1.05 | 1.27 | |
| Tornillo de roscado D4x20 con brida (negro) | ||||
| 152 | 301653 | 1.04 | 1.26 | |
| Conjunto de asas | ||||
| 153 | 326703 | 17.19 | 20.80 | |
| MANIJA DEL INTERRUPTOR | ||||
| 153A | 375673 | 10.95 | 13.25 | |
| SNOER 2.5M 2 X 1.0 H05VV-F W/PLUG 13A/250V (OLD 50 | ||||
| 154 | 500423Z | 12.87 | 15.57 | |
| Cordón 2,5m 2 X 1.0 H05vv-f (Antiguo 500395z) | ||||
| 154 | 500447Z | 6.60 | 7.99 | |
| Armadura de cable D10.7 | ||||
| 155 | 940778 | 2.10 | 2.54 | |
| No hay información disponible, no se puede pedir | ||||
| 162 | 984750 | |||
| Tira de sujeción (antiguo 994566) | ||||
| 163 | 937631 | 1.04 | 1.26 | |
| Interruptor | ||||
| 166 | 326700 | 10.20 | 12.34 | |
| INTERRUPTOR (TIPO FASTON 3P) SIN BLOQUEO | ||||
| 166A | 375672 | 10.50 | 12.70 | |
| Anillo de goma (1) | ||||
| 167 | 303792 | 1.05 | 1.27 | |
| Inducido 220-230 Volt | ||||
| 168 | 360695E | 49.50 | 59.90 | |
| ANKER 110-120 VOLT | ||||
| 168 | 360656U | 46.20 | 55.90 | |
| Cojinete de bolas 6202vvcmps2s | ||||
| 169 | 6202VV | 7.05 | 8.53 | |
| ARANDELA | ||||
| 170 | 980700 | 1.04 | 1.26 | |
| Arandela | ||||
| 171 | 302428 | 1.04 | 1.26 | |
| Cojinete de bolas 6000 Vv, Cm9by, C8fse, G23ss | ||||
| 172 | 6000VV | 6.15 | 7.44 | |
| Palanca de bloqueo | ||||
| 173 | 322916 | 1.05 | 1.27 | |
| Guía de ventilador | ||||
| 174 | 322915 | 2.25 | 2.72 | |
| Tornillo de rosca de cabeza hexagonal D5x50 | ||||
| 175 | 953121 | 1.04 | 1.26 | |
| Stator 220v-230v H-90sa Includ.103 Para Nzl,saf | ||||
| 176 | 340687E | 45.65 | 55.24 | |
| Punto de contacto del Portaescobillas | ||||
| 177 | 937623 | 1.04 | 1.26 | |
| Tornillo de máquina (con arandelas) M5x40 (negro) | ||||
| 178 | 322123 | 1.65 | 2.00 | |
| CARCASA | ||||
| 179 | 322914 | 22.83 | 27.62 | |
| Tornillo de ajuste hexagonal M5x8 | ||||
| 180 | 938477 | 1.05 | 1.27 | |
| Portaescobillas (antiguo 938241z) | ||||
| 181 | 938241 | 6.45 | 7.80 | |
| Escobilla de carbono (1 par) | ||||
| 182 | 999065 | 7.95 | 9.62 | |
| Tapa del cepillo | ||||
| 183 | 945161 | 1.20 | 1.45 | |
| Varilla de conexión | ||||
| 184 | 322949 | 3.15 | 3.81 | |
| Tornillo de máquina (con arandelas) M4x10 (negro) | ||||
| 194 | 304043 | 1.05 | 1.27 | |
| GUARDIA | ||||
| 195 | 336358 | 1.05 | 1.27 | |
| GATILLO | ||||
| 197 | 375116 | 1.04 | 1.26 | |
| No hay información disponible, no se puede pedir | ||||
| 501 | 940543 | |||
| Tornillo Hexagonal M10x35 (10 unidades) | ||||
| 502 | 949695 | 3.30 | 3.99 | |
| No hay información disponible, no se puede pedir | ||||
| 503 | 974663Z | |||
| No hay información disponible, no se puede pedir | ||||
| 504 | 322955 | |||
| No hay información disponible, no se puede pedir | ||||
| 601 | 322957 | |||
| Botón M6 X 11 | ||||
| 602 | 998836 | 1.65 | 2.00 | |
| No hay información disponible, no se puede pedir | ||||
| 604 | 306985 | |||
| Goma de la base | ||||
| 605 | 964851 | 1.05 | 1.27 | |
| Tornillo de máquina (con arandelas) M4x10 (negro) | ||||
| 606 | 304043 | 1.05 | 1.27 | |
| Eje de la mordaza | ||||
| 607 | 318967 | 3.00 | 3.63 | |
| No hay información disponible, no se puede pedir | ||||
| 608 | 321551 | |||
| No hay información disponible, no se puede pedir | ||||
| 609 | 322713 | |||
| Tornillo de Ala M6x15 | ||||
| 610 | 301806 | 1.05 | 1.27 | |
| No hay información disponible, no se puede pedir | ||||
| 612 | 321390 | |||
| Tornillo de ala M6x52 | ||||
| 613 | 316030 | 14.70 | 17.79 | |
| No hay información disponible, no se puede pedir | ||||
| 614 | 322714 | |||
| Tornillo de ala M6x52 | ||||
| 615 | 316030 | 14.70 | 17.79 | |
| No hay información disponible, no se puede pedir | ||||
| 616 | 321390 | |||
| Tornillo de Ala M6x15 | ||||
| 618 | 301806 | 1.05 | 1.27 | |
| Asamblea de Soporte Incluyendo 620-625 | ||||
| 619 | 322956 | 20.49 | 24.79 | |
| No hay información disponible, no se puede pedir | ||||
| 620 | 321549 | |||
| Tuerca mariposa M6 (10 piezas) | ||||
| 621 | 949313 | 4.65 | 5.63 | |
| Tuerca M6 (10pcs) | ||||
| 622 | 949556 | 1.05 | 1.27 | |
| KLEMPLAAT | ||||
| 623 | 322047 | 1.38 | 1.67 | |
| Anillo M6 (Antiguo 949425z , 10 piezas) | ||||
| 624 | 949425 | 1.05 | 1.27 | |
| No hay información disponible, no se puede pedir | ||||
| 625 | 323134 | |||
| Tope | ||||
| 626 | 974561 | 7.05 | 8.53 | |
| Tornillo de mariposa M6x20 | ||||
| 627 | 949404 | 7.65 | 9.26 | |
| No hay información disponible, no se puede pedir | ||||
| 628 | 322712 | |||
| No hay información disponible, no se puede pedir | ||||
| 629 | 322710 | |||