Aquí encontrará todas las piezas y dibujos técnicos disponibles de 'Hikoki C10FCG'. Desde aquí podrá pedir todas las piezas deseadas directamente. Para muchas piezas de repuesto, es necesario pasar un pedido al fabricante. Dependiendo de la marca, el plazo de entrega puede variar entre una y cuatro semanas. Toda la información que tenemos está en nuestro sitio web. No podremos aconsejarle sobre lo que necesita hasta que entregue la máquina para su reparación. Tenga en cuenta lo siguiente a la hora de cursar su pedido:
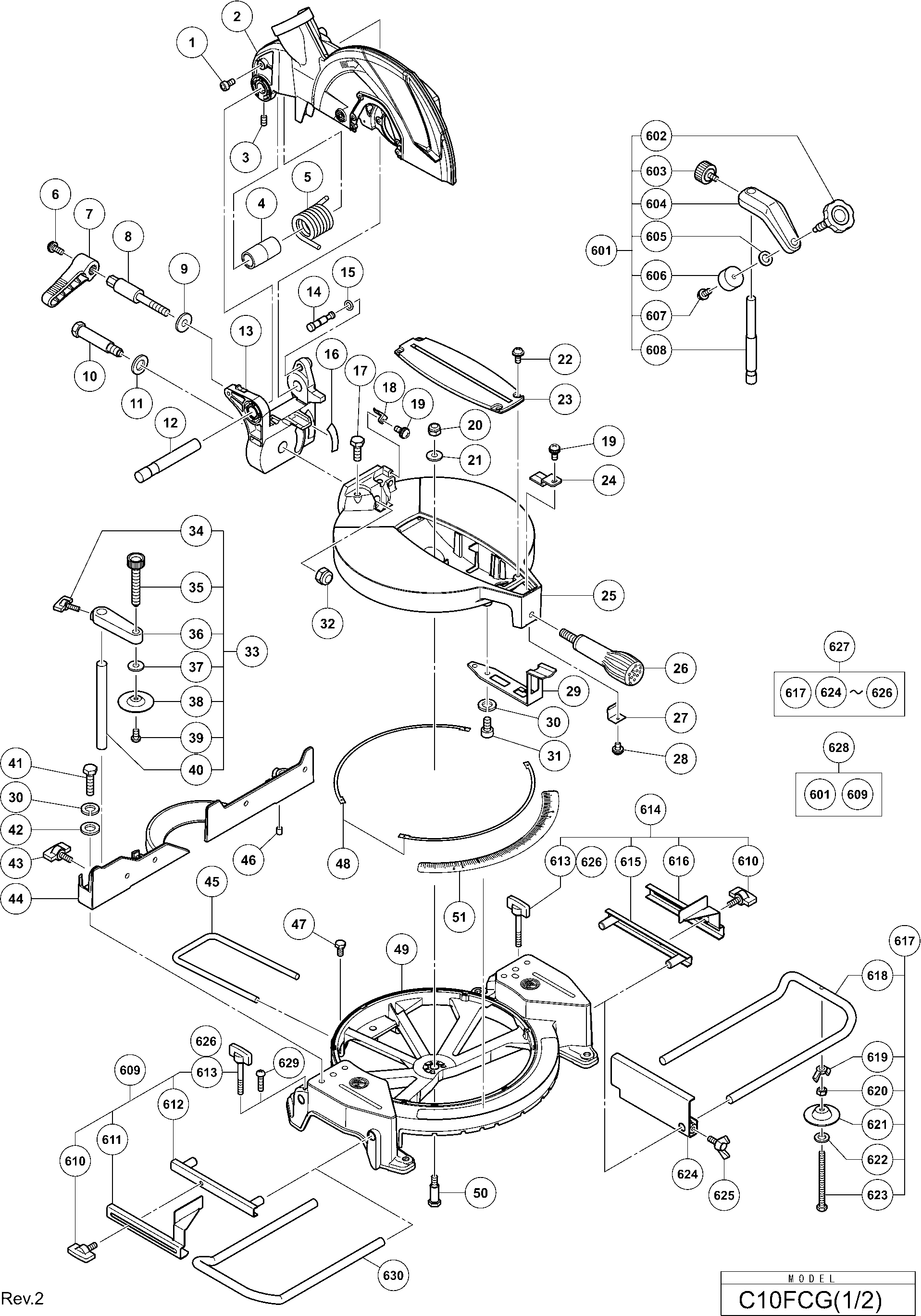
Dibujo técnico de los/las Hikoki C10FCG
Lista de las piezas de repuesto de Hikoki C10FCG
| Pos. | Descripción | Precio con el IVA excluido | Precio con el IVA incluido | |
| Los precios mostrados incluyen el IVA | ||||
| No hay información disponible, no se puede pedir | ||||
| *501 | 322955M | |||
| Tornillo M5x10 (antiguo 956634, 10 piezas) | ||||
| 1 | 949819 | 2.55 | 3.09 | |
| No hay información disponible, no se puede pedir | ||||
| 2 | 371727 | |||
| No hay información disponible, no se puede pedir | ||||
| 2A | 371727M | |||
| Tornillo de cabeza hexagonal M6x10 | ||||
| 3 | 307956 | 1.05 | 1.27 | |
| MANGUITO EXCÉNTRICO | ||||
| 4 | 322889 | 1.05 | 1.27 | |
| Muelle | ||||
| 5 | 322890 | 4.20 | 5.08 | |
| No hay información disponible, no se puede pedir | ||||
| 6 | 323208 | |||
| MANIJA DE SUJECIÓN (ANTIGUO 322935) | ||||
| 7 | 371742 | 1.20 | 1.45 | |
| Perno (mano izquierda) M10 | ||||
| 8 | 371743 | 2.40 | 2.90 | |
| ARANDELA | ||||
| 9 | 318934 | 1.50 | 1.82 | |
| Eje (d) | ||||
| 10 | 371740 | 2.10 | 2.54 | |
| Arandela M16 | ||||
| 11 | 322934 | 1.05 | 1.27 | |
| Eje (c) C10fch | ||||
| 12 | 322888 | 5.10 | 6.17 | |
| No hay información disponible, no se puede pedir | ||||
| 13 | 371732 | |||
| Pasador de tope incl.94 | ||||
| 14 | 302518 | 4.50 | 5.44 | |
| Anillo O (p-6) | ||||
| 15 | 984528 | 1.05 | 1.27 | |
| No hay información disponible, no se puede pedir | ||||
| 16 | 371733 | |||
| NYLOCK BOUT M8X25 | ||||
| 17 | 303409 | 1.00 | 1.21 | |
| INDICADOR | ||||
| 18 | 321329 | 1.65 | 2.00 | |
| Tornillo de máquina (con arandelas) M4x10 (negro) | ||||
| 19 | 304043 | 1.05 | 1.27 | |
| NYLON MOER M8 | ||||
| 20 | 371739 | 1.00 | 1.21 | |
| No hay información disponible, no se puede pedir | ||||
| 21 | 318929 | |||
| Tornillo de Máquina M4x12 (negro) con Arandela | ||||
| 22 | 333781 | 1.20 | 1.45 | |
| No hay información disponible, no se puede pedir | ||||
| 23 | 371729 | |||
| Indicador (a) | ||||
| 24 | 322904 | 1.05 | 1.27 | |
| No hay información disponible, no se puede pedir | ||||
| 25 | 371719 | |||
| No hay información disponible, no se puede pedir | ||||
| 26 | 322898 | |||
| MANGO LATERAL (ANTIGUO 322283/322898) | ||||
| 26A | 376050 | 1.20 | 1.45 | |
| Distanciador | ||||
| 27 | 326696 | 1.05 | 1.27 | |
| Tornillo de máquina (con arandela) M4x8 (negro) | ||||
| 28 | 317200 | 1.65 | 2.00 | |
| Diafragma | ||||
| 29 | 322903 | 2.10 | 2.54 | |
| Arandela de resorte M8 (10 piezas) | ||||
| 30 | 949457 | 1.05 | 1.27 | |
| Tornillo Allen M8x16 Hd(10 piezas)(antiguo 944949) | ||||
| 31 | 949655 | 3.90 | 4.72 | |
| NYLON MOER M12 | ||||
| 32 | 371741 | 1.00 | 1.21 | |
| No hay información disponible, no se puede pedir | ||||
| 33 | 322952 | |||
| Tornillo de Ala M6x15 | ||||
| 34 | 301806 | 1.05 | 1.27 | |
| Perno del mando M10x66 | ||||
| 35 | 302522 | 9.60 | 11.62 | |
| Arandela M6 (10 Piezas) | ||||
| 37 | 949432 | 1.05 | 1.27 | |
| Placa de sujeción CS 50 EB | ||||
| 38 | 302532 | 2.40 | 2.90 | |
| Tornillo de máquina M4x10 (10 piezas) (ANTIGUO 949 | ||||
| 39 | 949216 | 1.05 | 1.27 | |
| No hay información disponible, no se puede pedir | ||||
| 40 | 322954 | |||
| Tornillo M8x35 (10 Piezas) | ||||
| 41 | 949678 | 2.55 | 3.09 | |
| Arandela M8 (10 Piezas) | ||||
| 42 | 949433 | 1.05 | 1.27 | |
| Tornillo de Ala M6x15 | ||||
| 43 | 301806 | 1.05 | 1.27 | |
| No hay información disponible, no se puede pedir | ||||
| 44 | 371721 | |||
| No hay información disponible, no se puede pedir | ||||
| 44A | 375117 | |||
| TOPE DE LONGITUD | ||||
| 45 | 326705 | 3.15 | 3.81 | |
| BOLÍGRAFO DE GOMA | ||||
| 46 | 931701 | 1.05 | 1.27 | |
| Tornillo M6x12 (10 piezas) | ||||
| 47 | 949611 | 1.05 | 1.27 | |
| Tornillo M6x10 (10 piezas) | ||||
| 47A | 949610 | 1.20 | 1.45 | |
| No hay información disponible, no se puede pedir | ||||
| 48 | 371720 | |||
| CONJUNTO DE BASE (ANTIGUO 371718) | ||||
| 49 | 372289 | 44.00 | 53.24 | |
| CONJUNTO DE BASE (ANTIGUO 371718) | ||||
| 49A | 372289 | 44.00 | 53.24 | |
| Eje (b) | ||||
| 50 | 371738 | 1.35 | 1.63 | |
| ESCALA (A) | ||||
| 51 | 372290 | 4.05 | 4.90 | |
| No hay información disponible, no se puede pedir | ||||
| 52 | 326704 | |||
| Tuerca de nylon M6 | ||||
| 53 | 963837 | 1.05 | 1.27 | |
| TIRA | ||||
| 54 | 326711 | 1.65 | 2.00 | |
| Tornillo Hd M6x25 (10 Piezas) | ||||
| 55 | 949342 | 1.65 | 2.00 | |
| TORNILLO HEXAGONAL IZQUIERDO M7 | ||||
| 71 | 371730 | 1.04 | 1.26 | |
| No hay información disponible, no se puede pedir | ||||
| 72 | 371731 | |||
| No hay información disponible, no se puede pedir | ||||
| 73 | 318963 | |||
| Brida (D) | ||||
| 74 | 308789 | 15.84 | 19.16 | |
| No hay información disponible, no se puede pedir | ||||
| 75 | 371725 | |||
| Tornillo de placa de bloqueo de sello M4x10 | ||||
| 76 | 990430 | 1.04 | 1.26 | |
| CUBIERTA | ||||
| 77 | 322919 | 1.05 | 1.27 | |
| Rodamiento de bolas 6003 Vv | ||||
| 78 | 6003VV | 7.65 | 9.26 | |
| Soporte De Cojinete | ||||
| 79 | 322918 | 4.65 | 5.63 | |
| No hay información disponible, no se puede pedir | ||||
| 80 | 371726 | |||
| Rodamiento de bolas 608vvmc2eps2l | ||||
| 81 | 608VVM | 5.70 | 6.90 | |
| Tornillo M5 X 16 | ||||
| 82 | 987512 | 1.04 | 1.26 | |
| Manija TSC 55 | ||||
| 83 | 326708 | 5.40 | 6.53 | |
| Tornillo M6 | ||||
| 84 | 322950 | 1.05 | 1.27 | |
| Arandela M7 | ||||
| 85 | 322948 | 1.05 | 1.27 | |
| No hay información disponible, no se puede pedir | ||||
| 86 | 371734 | |||
| Tornillo de cabeza cruzada M6x16 (10 unidades) | ||||
| 87 | 949340 | 1.35 | 1.63 | |
| Cojín C18dmr | ||||
| 88 | 961729 | 1.05 | 1.27 | |
| No hay información disponible, no se puede pedir | ||||
| 89 | 371735 | |||
| Tornillo Especial (c) M5 | ||||
| 90 | 322947 | 1.05 | 1.27 | |
| ARANDELA | ||||
| 91 | 322938 | 1.05 | 1.27 | |
| SPACER (B) | ||||
| 92 | 371745 | 1.00 | 1.21 | |
| Arandela de resorte M5 (10 piezas) | ||||
| 93 | 949454 | 1.04 | 1.26 | |
| Tornillo de máquina (con arandela) M4x8 (negro) | ||||
| 94 | 315500 | 1.35 | 1.63 | |
| Tornillo de máquina (con arandela) M4x8 (negro) | ||||
| 95 | 323211 | 1.05 | 1.27 | |
| No hay información disponible, no se puede pedir | ||||
| 96 | 371736 | |||
| No hay información disponible, no se puede pedir | ||||
| 97 | 500242Z | |||
| No hay información disponible, no se puede pedir | ||||
| 98 | 371728 | |||
| Tornillo de rosca (con brida) D4x25 (negro) | ||||
| 99 | 307028 | 1.05 | 1.27 | |
| No hay información disponible, no se puede pedir | ||||
| 100 | 984750 | |||
| Tira de sujeción (antiguo 994566) | ||||
| 101 | 937631 | 1.04 | 1.26 | |
| Tornillo de roscado D4x20 con brida (negro) | ||||
| 102 | 301653 | 1.04 | 1.26 | |
| Casquillo del cable D10.1 | ||||
| 103 | 938051 | 1.04 | 1.26 | |
| Terminal de soldadura 50092 (10 piezas) | ||||
| 104 | 959141 | 3.75 | 4.54 | |
| No hay información disponible, no se puede pedir | ||||
| 105 | 371723 | |||
| No hay información disponible, no se puede pedir | ||||
| 106 | 361063 | |||
| Rodamiento de bolas 6002dducmps2s | ||||
| 107 | 6002DD | 7.05 | 8.53 | |
| Rodamiento de bolas 6002 Vv C7mfa | ||||
| 107A | 6002VV | 7.35 | 8.89 | |
| Palanca de bloqueo | ||||
| 108 | 322916 | 1.05 | 1.27 | |
| Rodamiento de bolas 608vvmc2eps2l | ||||
| 109 | 608VVM | 5.70 | 6.90 | |
| No hay información disponible, no se puede pedir | ||||
| 110 | 371724 | |||
| Punto de contacto del Portaescobillas | ||||
| 111 | 930703 | 2.40 | 2.90 | |
| No hay información disponible, no se puede pedir | ||||
| 112 | 340969 | |||
| No hay información disponible, no se puede pedir | ||||
| 113 | 371737 | |||
| No hay información disponible, no se puede pedir | ||||
| 113A | 375114 | |||
| No hay información disponible, no se puede pedir | ||||
| 114 | 326699 | |||
| INTERRUPTOR (TIPO FASTON 3P) SIN BLOQUEO | ||||
| 114A | 375672 | 10.50 | 12.70 | |
| No hay información disponible, no se puede pedir | ||||
| 115 | 371722 | |||
| No hay información disponible, no se puede pedir | ||||
| 115A | 371722 | |||
| Tornillo de ajuste hexagonal M5x8 | ||||
| 116 | 938477 | 1.05 | 1.27 | |
| Soporte de Cepillo de Carbono | ||||
| 117 | 958900 | 6.45 | 7.80 | |
| Escobilla de carbono (1 par) | ||||
| 118 | 999043 | 4.50 | 5.44 | |
| Tapa del cepillo | ||||
| 119 | 945161 | 1.20 | 1.45 | |
| Tornillo de máquina (con arandelas) M5x45 (negro) | ||||
| 120 | 302434 | 1.04 | 1.26 | |
| GATILLO | ||||
| 121 | 375116 | 1.04 | 1.26 | |
| No hay información disponible, no se puede pedir | ||||
| 501 | 322955 | |||
| No hay información disponible, no se puede pedir | ||||
| 502 | 944459 | |||
| Tornillo Hexagonal M10x35 (10 unidades) | ||||
| 503 | 949695 | 3.30 | 3.99 | |
| No hay información disponible, no se puede pedir | ||||
| 601 | 322957 | |||
| No hay información disponible, no se puede pedir | ||||
| 602 | 321551 | |||
| Botón M6 X 11 | ||||
| 603 | 998836 | 1.65 | 2.00 | |
| No hay información disponible, no se puede pedir | ||||
| 605 | 306985 | |||
| Goma de la base | ||||
| 606 | 964851 | 1.05 | 1.27 | |
| Tornillo de máquina (con arandelas) M4x10 (negro) | ||||
| 607 | 304043 | 1.05 | 1.27 | |
| Eje de la mordaza | ||||
| 608 | 318967 | 3.00 | 3.63 | |
| No hay información disponible, no se puede pedir | ||||
| 609 | 322713 | |||
| Tornillo de Ala M6x15 | ||||
| 610 | 301806 | 1.05 | 1.27 | |
| No hay información disponible, no se puede pedir | ||||
| 612 | 321390 | |||
| Tornillo de ala M6x52 | ||||
| 613 | 316030 | 14.70 | 17.79 | |
| No hay información disponible, no se puede pedir | ||||
| 614 | 322714 | |||
| No hay información disponible, no se puede pedir | ||||
| 615 | 321390 | |||
| Asamblea de Soporte Incluyendo 620-625 | ||||
| 617 | 322956 | 20.49 | 24.79 | |
| No hay información disponible, no se puede pedir | ||||
| 618 | 321549 | |||
| Tuerca mariposa M6 (10 piezas) | ||||
| 619 | 949313 | 4.65 | 5.63 | |
| Tuerca M6 (10pcs) | ||||
| 620 | 949556 | 1.05 | 1.27 | |
| KLEMPLAAT | ||||
| 621 | 322047 | 1.38 | 1.67 | |
| Anillo M6 (Antiguo 949425z , 10 piezas) | ||||
| 622 | 949425 | 1.05 | 1.27 | |
| No hay información disponible, no se puede pedir | ||||
| 623 | 323134 | |||
| Tope | ||||
| 624 | 974561 | 7.05 | 8.53 | |
| Tornillo de mariposa M6x20 | ||||
| 625 | 949404 | 7.65 | 9.26 | |
| No hay información disponible, no se puede pedir | ||||
| 626 | 323682 | |||
| No hay información disponible, no se puede pedir | ||||
| 627 | 322710 | |||
| No hay información disponible, no se puede pedir | ||||
| 628 | 322712 | |||
| Tornillo de máquina M6x20 (10 piezas) | ||||
| 629 | 949258 | 1.65 | 2.00 | |
| HOUDER | ||||
| 630 | 974562 | 9.36 | 11.33 | |