Aquí encontrará todas las piezas y dibujos técnicos disponibles de 'Hikoki C12RSH2'. Desde aquí podrá pedir todas las piezas deseadas directamente. Para muchas piezas de repuesto, es necesario pasar un pedido al fabricante. Dependiendo de la marca, el plazo de entrega puede variar entre una y cuatro semanas. Toda la información que tenemos está en nuestro sitio web. No podremos aconsejarle sobre lo que necesita hasta que entregue la máquina para su reparación. Tenga en cuenta lo siguiente a la hora de cursar su pedido:
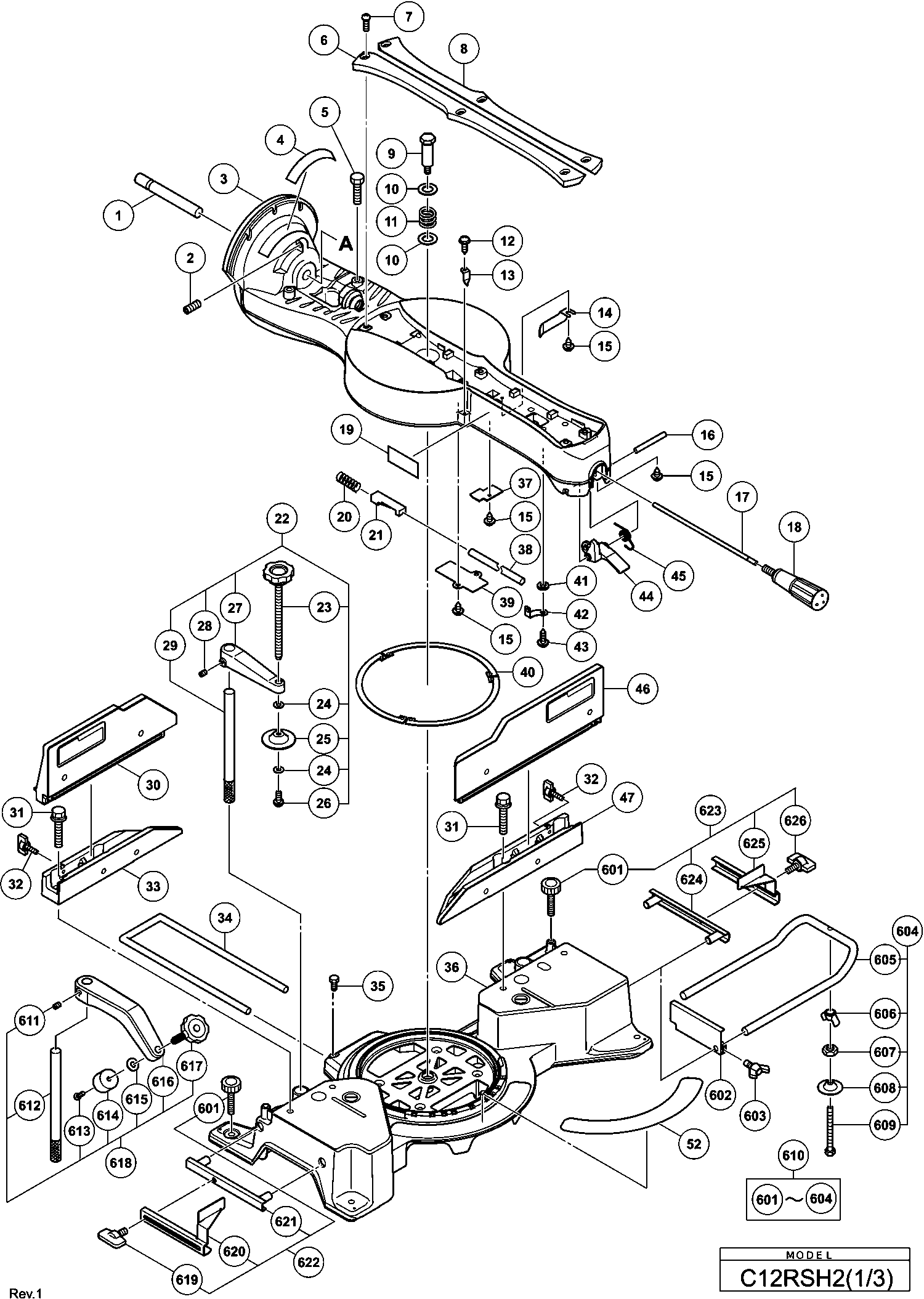
Dibujo técnico de los/las Hikoki C12RSH2
Lista de las piezas de repuesto de Hikoki C12RSH2
| Pos. | Descripción | Precio con el IVA excluido | Precio con el IVA incluido | |
| Los precios mostrados incluyen el IVA | ||||
| Varilla de conexión | ||||
| *114 | 328522 | 13.05 | 15.79 | |
| LINK (OLD 324376) | ||||
| *114 | 381242 | 9.30 | 11.25 | |
| Ensamblaje de fuente de alimentación conmutada | ||||
| *142A | 371121 | 18.98 | 22.96 | |
| No hay información disponible, no se puede pedir | ||||
| *143 | 984750 | |||
| SNOER 10.7 (USE 714500=2X1 5M) | ||||
| *144 | 500247Z | 6.18 | 7.48 | |
| Terminal de soldadura 50092 (10 piezas) | ||||
| *153 | 959141 | 3.75 | 4.54 | |
| Escobilla de carbono (1 par) | ||||
| *159 | 999065 | 7.95 | 9.62 | |
| Tornillo de ajuste hexagonal M5x8 | ||||
| *161 | 938477 | 1.05 | 1.27 | |
| CAJA DE ENGRANAJES (VIEJO 339640) | ||||
| *164C | 373191 | 81.95 | 99.16 | |
| STATOR ASS'Y (A) 110 VOLT | ||||
| *165 | 340924D | 54.67 | 66.15 | |
| Ensamblaje de estator (b) 220v-240v Incluye.166 | ||||
| *165 | 340925E | 47.58 | 57.57 | |
| ARMADURA 230V | ||||
| *169 | 361021C | 40.84 | 49.41 | |
| ARMATURE ASS'Y 110-120 VOLT | ||||
| *169 | 361021B | 34.70 | 41.99 | |
| Tornillo de máquina M5x20 (negro) | ||||
| *177 | 995096 | 1.05 | 1.27 | |
| Tornillo de la máquina M5x10 (negro) | ||||
| *191 | 336342 | 1.04 | 1.26 | |
| No hay información disponible, no se puede pedir | ||||
| *198 | 339650 | |||
| WASHER (B) (OLD 323652) | ||||
| *201 | 339652 | 1.80 | 2.18 | |
| No hay información disponible, no se puede pedir | ||||
| *202 | 328326 | |||
| No hay información disponible, no se puede pedir | ||||
| *203 | 324452 | |||
| Muelle de retorno | ||||
| *206 | 328188 | 1.50 | 1.82 | |
| Interruptor | ||||
| *212 | 324424 | 6.45 | 7.80 | |
| No hay información disponible, no se puede pedir | ||||
| *213 | 339637 | |||
| No hay información disponible, no se puede pedir | ||||
| *214 | 339646 | |||
| No hay información disponible, no se puede pedir | ||||
| *502 | 322955M | |||
| Base de goma | ||||
| *51 | 323606 | 1.05 | 1.27 | |
| Clip de Nylon | ||||
| *81 | 948614 | 1.05 | 1.27 | |
| No hay información disponible, no se puede pedir | ||||
| *82 | 339733 | |||
| Eje (c) D16 | ||||
| 1 | 339629 | 1.04 | 1.26 | |
| Tornillo de Ajuste Hexagonal con Nylock M8x16 | ||||
| 2 | 324612 | 1.65 | 2.00 | |
| Mesa giratoria | ||||
| 3 | 339633 | 87.86 | 106.31 | |
| Escala | ||||
| 4 | 324416 | 3.15 | 3.81 | |
| NYLOCK BOUT M8X25 | ||||
| 5 | 303409 | 1.00 | 1.21 | |
| Guía de hoja de sierra | ||||
| 6 | 324411 | 3.00 | 3.63 | |
| Tornillo Máquina M5x16 (negro) | ||||
| 7 | 302317 | 1.05 | 1.27 | |
| Guía de hoja de sierra | ||||
| 8 | 324410 | 3.00 | 3.63 | |
| Eje (b) | ||||
| 9 | 324401 | 7.20 | 8.71 | |
| Arandela M16 | ||||
| 10 | 955818 | 1.05 | 1.27 | |
| VEER | ||||
| 11 | 324402 | 2.70 | 3.27 | |
| Tornillo de máquina M4x12 (10 piezas) | ||||
| 12 | 949217 | 1.05 | 1.27 | |
| INDICADOR | ||||
| 13 | 321329 | 1.65 | 2.00 | |
| Espaciador (a) C8fshe, C8fse | ||||
| 14 | 321342 | 1.65 | 2.00 | |
| Tornillo de máquina M4x8 (10 piezas) | ||||
| 15 | 949215 | 1.05 | 1.27 | |
| Eje de palanca | ||||
| 16 | 321339 | 1.80 | 2.18 | |
| Eje (a) C10fsh (hasta 08.2008) | ||||
| 17 | 334378 | 1.80 | 2.18 | |
| No hay información disponible, no se puede pedir | ||||
| 18 | 322283 | |||
| MANGO LATERAL (ANTIGUO 322283/322898) | ||||
| 18A | 376050 | 1.20 | 1.45 | |
| Muelle (e) | ||||
| 20 | 321417 | 3.45 | 4.17 | |
| Tope | ||||
| 21 | 322280 | 4.95 | 5.99 | |
| No hay información disponible, no se puede pedir | ||||
| 22 | 339624 | |||
| No hay información disponible, no se puede pedir | ||||
| 23 | 339625 | |||
| Arandela | ||||
| 24 | 996722 | 1.05 | 1.27 | |
| KLEMPLAAT | ||||
| 25 | 322047 | 1.38 | 1.67 | |
| Tornillo de Máquina M5x12 Negro | ||||
| 26 | 996247 | 1.05 | 1.27 | |
| Tornillo de cabeza hexagonal M6x10 | ||||
| 28 | 307956 | 1.05 | 1.27 | |
| No hay información disponible, no se puede pedir | ||||
| 29 | 339626 | |||
| No hay información disponible, no se puede pedir | ||||
| 30 | 339657 | |||
| Tornillo (con arandelas) M8x35 (negro) | ||||
| 31 | 307221 | 1.04 | 1.26 | |
| Tornillo de Ala M6x22 | ||||
| 32 | 322959 | 1.05 | 1.27 | |
| No hay información disponible, no se puede pedir | ||||
| 33 | 339628 | |||
| Soporte | ||||
| 34 | 998834 | 9.30 | 11.25 | |
| HOLDER (OLD 998834) | ||||
| 34A | 376730 | 1.26 | 1.52 | |
| Tornillo M6x10 (10 piezas) | ||||
| 35 | 949610 | 1.20 | 1.45 | |
| No hay información disponible, no se puede pedir | ||||
| 36 | 339631 | |||
| CUBIERTA | ||||
| 37 | 324395 | 1.50 | 1.82 | |
| Eje (c) (hasta 08.2008) | ||||
| 38 | 324396 | 3.00 | 3.63 | |
| Cubierta del Pasador | ||||
| 39 | 321336 | 1.65 | 2.00 | |
| Guía para la mesa giratoria C8fc | ||||
| 40 | 324400 | 1.50 | 1.82 | |
| Arandela M5 (antiguo 949431z, 10 piezas) | ||||
| 41 | 949431 | 1.04 | 1.26 | |
| Soporte | ||||
| 42 | 321331 | 1.65 | 2.00 | |
| Tornillo de máquina M5x20 (negro) | ||||
| 43 | 995096 | 1.05 | 1.27 | |
| Palanca C8fshe, C8fse | ||||
| 44 | 321338 | 1.65 | 2.00 | |
| Muelle | ||||
| 45 | 321340 | 1.80 | 2.18 | |
| No hay información disponible, no se puede pedir | ||||
| 46 | 339656 | |||
| No hay información disponible, no se puede pedir | ||||
| 47 | 339627 | |||
| Base de goma | ||||
| 51 | 323606 | 1.05 | 1.27 | |
| No hay información disponible, no se puede pedir | ||||
| 52 | 370011 | |||
| Arandela M4 (antiguo 949429z) | ||||
| 53 | 949429 | 1.05 | 1.27 | |
| Tornillo de Máquina M4x12 (negro) con Arandela | ||||
| 54 | 935196 | 1.04 | 1.26 | |
| Clip de Nylon | ||||
| 81 | 948614 | 1.05 | 1.27 | |
| No hay información disponible, no se puede pedir | ||||
| 82 | 339732 | |||
| INBUSSTELSCHROEF M8X10 | ||||
| 83 | 961554 | 1.00 | 1.21 | |
| No hay información disponible, no se puede pedir | ||||
| 84 | 339621 | |||
| No hay información disponible, no se puede pedir | ||||
| 85 | 339620 | |||
| No hay información disponible, no se puede pedir | ||||
| 86 | 339619 | |||
| No hay información disponible, no se puede pedir | ||||
| 87 | 339618 | |||
| No hay información disponible, no se puede pedir | ||||
| 88 | 339622 | |||
| No hay información disponible, no se puede pedir | ||||
| 89 | 339623 | |||
| Pasador De Configuración Hasta 11.2014 | ||||
| 90 | 324420 | 6.00 | 7.26 | |
| Tornillo de cabeza hexagonal M6x10 | ||||
| 94 | 307956 | 1.05 | 1.27 | |
| Perno TURBO II | ||||
| 98 | 324421 | 1.65 | 2.00 | |
| Tornillo de Máquina (con Arandelas) M5x16 (Negro) | ||||
| 99 | 307294 | 1.05 | 1.27 | |
| MANGUITO ROSCADO | ||||
| 100 | 324415 | 6.45 | 7.80 | |
| BOTÓN M6X25 | ||||
| 101 | 324418 | 3.00 | 3.63 | |
| Resorte (viej 996224) | ||||
| 102 | 947859 | 1.04 | 1.26 | |
| Soporte | ||||
| 103A | 334458 | 8.85 | 10.71 | |
| COJINETE | ||||
| 104 | 324414 | 19.11 | 23.13 | |
| CUBIERTA | ||||
| 105 | 320183 | 3.30 | 3.99 | |
| Pasador de tope incl.94 | ||||
| 106 | 324419 | 5.40 | 6.53 | |
| Anillo de junta (p-9) | ||||
| 107 | 872645 | 1.65 | 2.00 | |
| Pasador De Pivote | ||||
| 108 | 324387 | 2.10 | 2.54 | |
| Bisagra (a) | ||||
| 109 | 324467 | 64.63 | 78.20 | |
| No hay información disponible, no se puede pedir | ||||
| 110 | 312672 | |||
| Base de goma | ||||
| 110A | 323606 | 1.05 | 1.27 | |
| REGULADOR | ||||
| 111 | 319270 | 5.85 | 7.08 | |
| Tornillo de máquina M5x12 (10 piezas) | ||||
| 112 | 949237 | 1.05 | 1.27 | |
| MANGUITO ROSCADO | ||||
| 113 | 303854 | 1.05 | 1.27 | |
| LINK (OLD 324376) | ||||
| 114 | 381242 | 9.30 | 11.25 | |
| Muelle | ||||
| 115 | 319267 | 1.50 | 1.82 | |
| Placa (b) | ||||
| 116 | 319268 | 1.65 | 2.00 | |
| Muelle de embrague | ||||
| 117 | 305179 | 1.05 | 1.27 | |
| Marcador Láser | ||||
| 118 | 329863 | 43.18 | 52.24 | |
| Tornillo de fijación hexagonal M5x6 | ||||
| 119 | 319541 | 1.50 | 1.82 | |
| Cubierta (a) | ||||
| 120 | 319271 | 15.54 | 18.80 | |
| Placa (a) | ||||
| 121 | 322291 | 3.30 | 3.99 | |
| Tornillo de embrague | ||||
| 123 | 305180 | 4.50 | 5.44 | |
| ARANDELA AJUSTABLE | ||||
| 124 | 962614 | 1.04 | 1.26 | |
| Soporte (b) | ||||
| 125 | 319269 | 7.80 | 9.44 | |
| No hay información disponible, no se puede pedir | ||||
| 141 | 339644 | |||
| Ensamblaje de fuente de alimentación conmutada | ||||
| 142A | 371121 | 18.98 | 22.96 | |
| No hay información disponible, no se puede pedir | ||||
| 143 | 984750 | |||
| SNOER 10.7 (USE 714500=2X1 5M) | ||||
| 144 | 500247Z | 6.18 | 7.48 | |
| Casquillo del cable D10.1 | ||||
| 145 | 938051 | 1.04 | 1.26 | |
| Tira de sujeción (antiguo 994566) | ||||
| 146 | 937631 | 1.04 | 1.26 | |
| Casquillo del cable | ||||
| 147 | 319349 | 1.50 | 1.82 | |
| Tornillo de roscado D4x20 con brida (negro) | ||||
| 148 | 301653 | 1.04 | 1.26 | |
| Interruptor | ||||
| 149 | 319503 | 12.60 | 15.25 | |
| Tornillo Máquina M5x25 (negro) | ||||
| 150 | 880734 | 1.04 | 1.26 | |
| Tornillo de roscado (con brida) D5x25 (negro) | ||||
| 151 | 305558 | 1.04 | 1.26 | |
| Tubo termorretráctil | ||||
| 152 | 324518 | 12.15 | 14.70 | |
| Terminal de soldadura 50092 (10 piezas) | ||||
| 153 | 959141 | 3.75 | 4.54 | |
| Cable interno | ||||
| 154 | 324458 | 1.65 | 2.00 | |
| No hay información disponible, no se puede pedir | ||||
| 157 | 339643 | |||
| Tapa del cepillo | ||||
| 158 | 945161 | 1.20 | 1.45 | |
| Escobilla de carbono (1 par) | ||||
| 159 | 999065 | 7.95 | 9.62 | |
| Portaescobillas (antiguo 938241z) | ||||
| 160 | 938241 | 6.45 | 7.80 | |
| Tornillo de ajuste hexagonal M5x8 | ||||
| 161 | 938477 | 1.05 | 1.27 | |
| MANGUITO EXCÉNTRICO | ||||
| 162 | 324388 | 4.80 | 5.81 | |
| Muelle | ||||
| 163 | 310898 | 13.75 | 16.64 | |
| CAJA DE ENGRANAJES (VIEJO 339640) | ||||
| 164A | 373191 | 81.95 | 99.16 | |
| No hay información disponible, no se puede pedir | ||||
| 164D | 378855 | |||
| STATOR ASS'Y (A) 110 VOLT | ||||
| 165 | 340924D | 54.67 | 66.15 | |
| Ensamblaje de estator (b) 220v-240v Incluye.166 | ||||
| 165 | 340925E | 47.58 | 57.57 | |
| Punto de contacto del Portaescobillas | ||||
| 166 | 937623 | 1.04 | 1.26 | |
| No hay información disponible, no se puede pedir | ||||
| 167 | 339734 | |||
| No hay información disponible, no se puede pedir | ||||
| 168 | 339642 | |||
| ARMADURA 230V | ||||
| 169 | 361021C | 40.84 | 49.41 | |
| ARMATURE ASS'Y 110-120 VOLT | ||||
| 169 | 361021B | 34.70 | 41.99 | |
| Cojinete de bolas 6000 Vv, Cm9by, C8fse, G23ss | ||||
| 170 | 6000VV | 6.15 | 7.44 | |
| Rodamiento de bolas 6201vvcmps2s | ||||
| 171 | 6201VV | 6.45 | 7.80 | |
| No hay información disponible, no se puede pedir | ||||
| 172 | 339641 | |||
| Tornillo M4x10 (10 piezas) | ||||
| 173 | 949322 | 1.05 | 1.27 | |
| Polea (a) | ||||
| 174 | 324443 | 4.20 | 5.08 | |
| POELIE (A) (OUD 324443) | ||||
| 174 | 378182 | 1.68 | 2.03 | |
| Rodillo de aguja | ||||
| 175 | 983545 | 1.05 | 1.27 | |
| Soporte De Cojinete | ||||
| 176 | 325259 | 3.15 | 3.81 | |
| Tornillo de máquina M5x20 (negro) | ||||
| 177 | 995096 | 1.05 | 1.27 | |
| Correa | ||||
| 178 | 324427 | 26.26 | 31.78 | |
| No hay información disponible, no se puede pedir | ||||
| 179 | 307811 | |||
| Anillo de distancia AU 43 FF | ||||
| 180 | 302757 | 1.04 | 1.26 | |
| Muelle | ||||
| 182 | 322457 | 1.50 | 1.82 | |
| Tornillo de máquina M4x16 | ||||
| 183 | 954878 | 1.05 | 1.27 | |
| No hay información disponible, no se puede pedir | ||||
| 184 | 339651 | |||
| Tornillo de máquina M5x20 (negro) | ||||
| 185 | 995096 | 1.05 | 1.27 | |
| MUELLE DE RETENCIÓN OSC 18 | ||||
| 186 | 988821 | 3.60 | 4.36 | |
| Pasador de tope incl.94 | ||||
| 187 | 307732 | 4.50 | 5.44 | |
| BOTÓN | ||||
| 188 | 961468 | 1.35 | 1.63 | |
| Cerradura de sellado Hd. Tornillo Allen M5x10 | ||||
| 189 | 877839 | 1.05 | 1.27 | |
| Tornillo de Máquina M4x12 (negro) con Arandela | ||||
| 190 | 935196 | 1.04 | 1.26 | |
| Tornillo de máquina M6x25 (10 piezas) | ||||
| 192 | 949260 | 1.35 | 1.63 | |
| Rodamiento de bolas 606zzmc3ps2s | ||||
| 193 | 606ZZM | 15.40 | 18.63 | |
| Arandela de resorte M6 (antiguo 949455z, 10 piezas | ||||
| 194 | 949455 | 1.05 | 1.27 | |
| Anillo M6 (Antiguo 949425z , 10 piezas) | ||||
| 195 | 949425 | 1.05 | 1.27 | |
| No hay información disponible, no se puede pedir | ||||
| 196 | 339649 | |||
| No hay información disponible, no se puede pedir | ||||
| 197 | 339648 | |||
| No hay información disponible, no se puede pedir | ||||
| 199 | 339653 | |||
| Perno (a) M10 | ||||
| 200 | 988101 | 1.95 | 2.36 | |
| WASHER (B) (OLD 323652) | ||||
| 201 | 339652 | 1.80 | 2.18 | |
| No hay información disponible, no se puede pedir | ||||
| 202 | 328326 | |||
| No hay información disponible, no se puede pedir | ||||
| 203 | 324452 | |||
| CUBIERTA | ||||
| 204 | 307731 | 2.55 | 3.09 | |
| No hay información disponible, no se puede pedir | ||||
| 205 | 339654 | |||
| Muelle de retorno | ||||
| 206 | 328188 | 1.50 | 1.82 | |
| Montaje del husillo | ||||
| 207 | 324438 | 36.99 | 44.75 | |
| RODAMIENTO DE BOLAS 6003VVCM (RETENEDOR DE NYLON) | ||||
| 208 | 327694 | 5.25 | 6.35 | |
| Soporte De Cojinete | ||||
| 209 | 324439 | 10.20 | 12.34 | |
| Rodamiento de bolas 608vvmc2eps2l | ||||
| 210 | 608VVM | 5.70 | 6.90 | |
| MACHINESCHROEF M5X20 | ||||
| 211 | 333963 | 1.68 | 2.03 | |
| Interruptor | ||||
| 212 | 324424 | 6.45 | 7.80 | |
| No hay información disponible, no se puede pedir | ||||
| 213 | 339637 | |||
| No hay información disponible, no se puede pedir | ||||
| 214 | 339646 | |||
| No hay información disponible, no se puede pedir | ||||
| 215 | 373165 | |||
| Tornillo de máquina M5x20 (negro) | ||||
| 216 | 995096 | 1.05 | 1.27 | |
| No hay información disponible, no se puede pedir | ||||
| 501 | 333732 | |||
| No hay información disponible, no se puede pedir | ||||
| 502 | 322955 | |||
| Arandela (c) | ||||
| 503 | 328520 | 9.45 | 11.43 | |
| Botón M6 x 32 | ||||
| 601 | 960017 | 1.65 | 2.00 | |
| Tope | ||||
| 602 | 974561 | 7.05 | 8.53 | |
| Tornillo de mariposa M6x20 | ||||
| 603 | 949404 | 7.65 | 9.26 | |
| Asamblea de Soporte Incluyendo 620-625 | ||||
| 604 | 324464 | 40.84 | 49.41 | |
| No hay información disponible, no se puede pedir | ||||
| 605 | 321549 | |||
| Tuerca mariposa M6 (10 piezas) | ||||
| 606 | 949313 | 4.65 | 5.63 | |
| Tuerca M6 (10pcs) | ||||
| 607 | 949556 | 1.05 | 1.27 | |
| KLEMPLAAT | ||||
| 608 | 322047 | 1.38 | 1.67 | |
| Tornillo | ||||
| 609 | 324412 | 13.95 | 16.88 | |
| No hay información disponible, no se puede pedir | ||||
| 610 | 324369 | |||
| Tornillo de cabeza hexagonal M6x10 | ||||
| 611 | 307956 | 1.05 | 1.27 | |
| No hay información disponible, no se puede pedir | ||||
| 612 | 339626 | |||
| Tornillo de máquina (con arandelas) M4x10 (negro) | ||||
| 613 | 304043 | 1.05 | 1.27 | |
| Goma de la base | ||||
| 614 | 964851 | 1.05 | 1.27 | |
| Anillo (h) | ||||
| 615 | 322677 | 1.65 | 2.00 | |
| No hay información disponible, no se puede pedir | ||||
| 616 | 339661 | |||
| No hay información disponible, no se puede pedir | ||||
| 617 | 339662 | |||
| No hay información disponible, no se puede pedir | ||||
| 618 | 339660 | |||
| Tornillo de Ala M6x15 | ||||
| 619 | 301806 | 1.05 | 1.27 | |
| No hay información disponible, no se puede pedir | ||||
| 621 | 321390 | |||
| No hay información disponible, no se puede pedir | ||||
| 622 | 339730 | |||
| No hay información disponible, no se puede pedir | ||||
| 623 | 339731 | |||
| No hay información disponible, no se puede pedir | ||||
| 624 | 321390 | |||
| Tornillo de Ala M6x15 | ||||
| 626 | 301806 | 1.05 | 1.27 | |