Aquí encontrará todas las piezas y dibujos técnicos disponibles de 'Hikoki C18DBL'. Desde aquí podrá pedir todas las piezas deseadas directamente. Para muchas piezas de repuesto, es necesario pasar un pedido al fabricante. Dependiendo de la marca, el plazo de entrega puede variar entre una y cuatro semanas. Toda la información que tenemos está en nuestro sitio web. No podremos aconsejarle sobre lo que necesita hasta que entregue la máquina para su reparación. Tenga en cuenta lo siguiente a la hora de cursar su pedido:
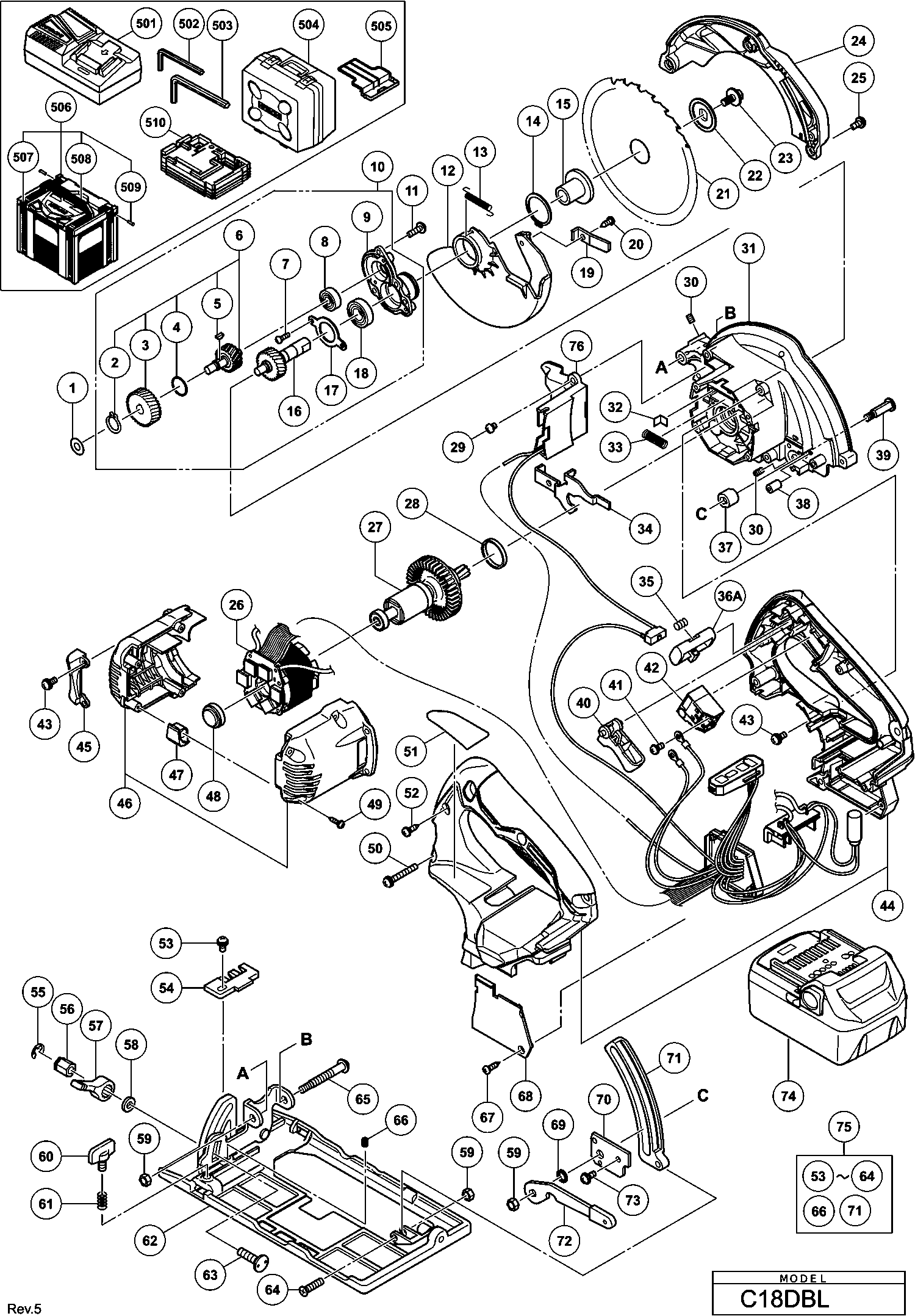
Dibujo técnico de los/las Hikoki C18DBL
Lista de las piezas de repuesto de Hikoki C18DBL
| Pos. | Descripción | Precio con el IVA excluido | Precio con el IVA incluido | |
| Los precios mostrados incluyen el IVA | ||||
| Tornillo de fijación hexagonal M5x6 | ||||
| *30 | 319541 | 1.50 | 1.82 | |
| No hay información disponible, no se puede pedir | ||||
| *504A | 370338 | |||
| Tapa protectora para batería | ||||
| *505 | 329897 | 1.80 | 2.18 | |
| No hay información disponible, no se puede pedir | ||||
| *602 | 329063 | |||
| Arandela (a) | ||||
| 1 | 329975 | 6.45 | 7.80 | |
| Arandela de resorte D10 (10 piezas) | ||||
| 2 | 939540 | 1.95 | 2.36 | |
| Primera Engranaje | ||||
| 3 | 334144 | 9.00 | 10.89 | |
| Anillo O (s-14) | ||||
| 4 | 876319 | 1.65 | 2.00 | |
| Chaveta de Woodruff G12s2/g13sd | ||||
| 5 | 302047 | 1.05 | 1.27 | |
| Segunda Ass'y del eje Incluye.2-5 | ||||
| 6 | 334226 | 26.95 | 32.61 | |
| Tornillo de máquina M3x8 (10 piezas) | ||||
| 7 | 949203 | 1.05 | 1.27 | |
| Rodamiento de bolas 606zzmc3ps2s | ||||
| 8 | 606ZZM | 15.40 | 18.63 | |
| Soporte De Cojinete | ||||
| 9 | 333672 | 12.75 | 15.43 | |
| Porta rodamiento Ass'y Incld.6-9,16-18 | ||||
| 10 | 334228 | 64.08 | 77.53 | |
| Tornillo de la máquina M4x12 | ||||
| 11 | 951039 | 1.05 | 1.27 | |
| No hay información disponible, no se puede pedir | ||||
| 12 | 336552 | |||
| Guarda inferior | ||||
| 12A | 374244 | 2.70 | 3.27 | |
| Muelle | ||||
| 13 | 333677 | 1.80 | 2.18 | |
| Arandela de resorte | ||||
| 14 | 939548 | 4.65 | 5.63 | |
| Arandela (a) | ||||
| 15 | 333665 | 10.35 | 12.52 | |
| Eje del engranaje | ||||
| 16 | 334227 | 18.29 | 22.13 | |
| Cubierta del cojinete RTS 400 REQ | ||||
| 17 | 333673 | 1.80 | 2.18 | |
| No hay información disponible, no se puede pedir | ||||
| 18 | 6900VV | |||
| BOTÓN | ||||
| 19 | 333894 | 1.80 | 2.18 | |
| Tornillo autoperforante D4x10 (negro) | ||||
| 20 | 302090 | 1.05 | 1.27 | |
| No hay información disponible, no se puede pedir | ||||
| 21 | 336832 | |||
| Arandela (b) Ds9dva/ds12dva/ds14dv Ds14dva/ds14dvb | ||||
| 22 | 333666 | 6.75 | 8.17 | |
| Tornillo hexagonal (con brida) M5x14 | ||||
| 23 | 333893 | 1.80 | 2.18 | |
| No hay información disponible, no se puede pedir | ||||
| 24 | 336648 | |||
| CUBIERTA DE SIERRA (ANTIGUA 336648) | ||||
| 24B | 375360 | 4.65 | 5.63 | |
| Tornillo de Máquina M4x12 (negro) con Arandela | ||||
| 25 | 333781 | 1.20 | 1.45 | |
| CAMPO | ||||
| 26 | 340872 | 101.75 | 123.12 | |
| ROTOR | ||||
| 27 | 336547 | 43.45 | 52.57 | |
| Anillo de Goma (a) | ||||
| 28 | 328453 | 1.80 | 2.18 | |
| Tornillo de máquina M4x6 (10 piezas) | ||||
| 29 | 949214 | 1.05 | 1.27 | |
| Tornillo de fijación hexagonal M5x6 | ||||
| 30 | 319541 | 1.50 | 1.82 | |
| Cubierta de engranaje | ||||
| 31 | 336646 | 20.35 | 24.62 | |
| Gancho de resorte | ||||
| 32 | 334137 | 1.80 | 2.18 | |
| Muelle | ||||
| 33 | 334225 | 1.80 | 2.18 | |
| Bloqueo | ||||
| 34 | 336555 | 2.85 | 3.45 | |
| Muelle | ||||
| 35 | 336650 | 1.05 | 1.27 | |
| BOTÓN | ||||
| 36B | 339247 | 1.04 | 1.26 | |
| LEVA | ||||
| 37 | 333681 | 3.45 | 4.17 | |
| Manga de bloqueo | ||||
| 38 | 333682 | 3.45 | 4.17 | |
| ÁRBOL DE LEVAS | ||||
| 39 | 333680 | 5.10 | 6.17 | |
| PERILLA DE BLOQUEO | ||||
| 40 | 336545 | 1.04 | 1.26 | |
| Tornillo de máquina (con arandela) M3.5x6 | ||||
| 41 | 307887 | 1.04 | 1.26 | |
| Interruptor | ||||
| 42 | 332552 | 10.65 | 12.89 | |
| Tornillo de Máquina (con arandelas) M4x14 (negro) | ||||
| 43 | 305691 | 1.05 | 1.27 | |
| Manija TSC 55 | ||||
| 44 | 336550 | 14.70 | 17.79 | |
| Guía de flujo (c) | ||||
| 45 | 333669 | 1.80 | 2.18 | |
| Caja de carcasa DUO 110 - Conjunto | ||||
| 46 | 336548 | 5.25 | 6.35 | |
| Caja de carcasa DUO 110 - Conjunto | ||||
| 46A | 336548 | 5.25 | 6.35 | |
| Cojín | ||||
| 47 | 336554 | 1.04 | 1.26 | |
| Anillo de goma (1) | ||||
| 48 | 328201 | 1.05 | 1.27 | |
| Tornillo de rosca (con brida) D3x20 | ||||
| 49 | 332929 | 1.80 | 2.18 | |
| Tornillo de máquina (con arandelas) M4x35 (negro) | ||||
| 50 | 334141 | 1.80 | 2.18 | |
| No hay información disponible, no se puede pedir | ||||
| 52 | 307811 | |||
| Tornillo de máquina (con arandela) M4x8 (negro) | ||||
| 53 | 317200 | 1.65 | 2.00 | |
| PIEZA DE GUÍA | ||||
| 54 | 320394 | 1.80 | 2.18 | |
| Arandela de resorte | ||||
| 55 | 942827 | 1.04 | 1.26 | |
| Tuerca M6 | ||||
| 56 | 333660 | 1.80 | 2.18 | |
| Palanca KA 65 | ||||
| 57 | 333659 | 1.80 | 2.18 | |
| Anillo M6 (Antiguo 949425z , 10 piezas) | ||||
| 58 | 949425 | 1.05 | 1.27 | |
| Tuerca en U M5 | ||||
| 59 | 308387 | 1.05 | 1.27 | |
| NYLON MOER M5 | ||||
| 59A | 377291 | 1.00 | 1.21 | |
| Tornillo de ala M6x18 Excepto para Usa,can | ||||
| 60 | 307898 | 1.65 | 2.00 | |
| Muelle | ||||
| 61 | 324876 | 1.80 | 2.18 | |
| Placa base KS 60 | ||||
| 62 | 336833 | 27.23 | 32.94 | |
| Perno (cuadrado) M6x22 | ||||
| 63 | 314623 | 1.80 | 2.18 | |
| Perno Especial | ||||
| 64 | 333664 | 1.80 | 2.18 | |
| Tornillo ajustador (a) (hasta 09.2008) | ||||
| 65 | 325236 | 5.10 | 6.17 | |
| Tornillo de fijación (con cierre de sello) M6x8 | ||||
| 66 | 308109 | 1.04 | 1.26 | |
| Tornillo autoperforante D3x12 (negro) | ||||
| 67 | 334333 | 1.80 | 2.18 | |
| Cubierta del controlador | ||||
| 68 | 336553 | 1.35 | 1.63 | |
| Arandela ondulada 8 | ||||
| 69 | 334242 | 1.73 | 2.09 | |
| Placa de cubierta | ||||
| 70 | 333678 | 3.45 | 4.17 | |
| Brazo de conexión | ||||
| 71 | 333661 | 7.35 | 8.89 | |
| Deslizar * | ||||
| 72 | 336556 | 1.80 | 2.18 | |
| Tornillo de máquina M4x8 negro | ||||
| 73 | 325079 | 1.65 | 2.00 | |
| No hay información disponible, no se puede pedir | ||||
| 74 | 335790 | |||
| Placa base KS 60 | ||||
| 75 | 336647 | 38.50 | 46.58 | |
| Led. Conjunto de microinterruptores | ||||
| 76 | 338982 | 13.35 | 16.15 | |
| Rodamiento de bolas 625dd | ||||
| 77 | 333826 | 5.10 | 6.17 | |
| RODAMIENTO DE BOLAS | ||||
| 78 | 371033 | 3.15 | 3.81 | |
| No hay información disponible, no se puede pedir | ||||
| 502 | 990666 | |||
| No hay información disponible, no se puede pedir | ||||
| 503 | 944458 | |||
| No hay información disponible, no se puede pedir | ||||
| 504A | 370338 | |||
| Tapa protectora para batería | ||||
| 505 | 329897 | 1.80 | 2.18 | |
| No hay información disponible, no se puede pedir | ||||
| 506 | 337528 | |||
| No hay información disponible, no se puede pedir | ||||
| 506A | 337108 | |||
| No hay información disponible, no se puede pedir | ||||
| 507 | 336472 | |||
| No hay información disponible, no se puede pedir | ||||
| 508 | 336473 | |||
| No hay información disponible, no se puede pedir | ||||
| 509 | 336474 | |||
| No hay información disponible, no se puede pedir | ||||
| 510 | 339727 | |||
| No hay información disponible, no se puede pedir | ||||
| 510A | 375025 | |||
| No hay información disponible, no se puede pedir | ||||
| 510B | 339727 | |||
| No hay información disponible, no se puede pedir | ||||
| 601 | 302756 | |||
| No hay información disponible, no se puede pedir | ||||
| 602 | 329063 | |||
| No hay información disponible, no se puede pedir | ||||
| 603 | 381222 | |||