Aquí encontrará todas las piezas y dibujos técnicos disponibles de 'Hikoki C5YC'. Desde aquí podrá pedir todas las piezas deseadas directamente. Para muchas piezas de repuesto, es necesario pasar un pedido al fabricante. Dependiendo de la marca, el plazo de entrega puede variar entre una y cuatro semanas. Toda la información que tenemos está en nuestro sitio web. No podremos aconsejarle sobre lo que necesita hasta que entregue la máquina para su reparación. Tenga en cuenta lo siguiente a la hora de cursar su pedido:
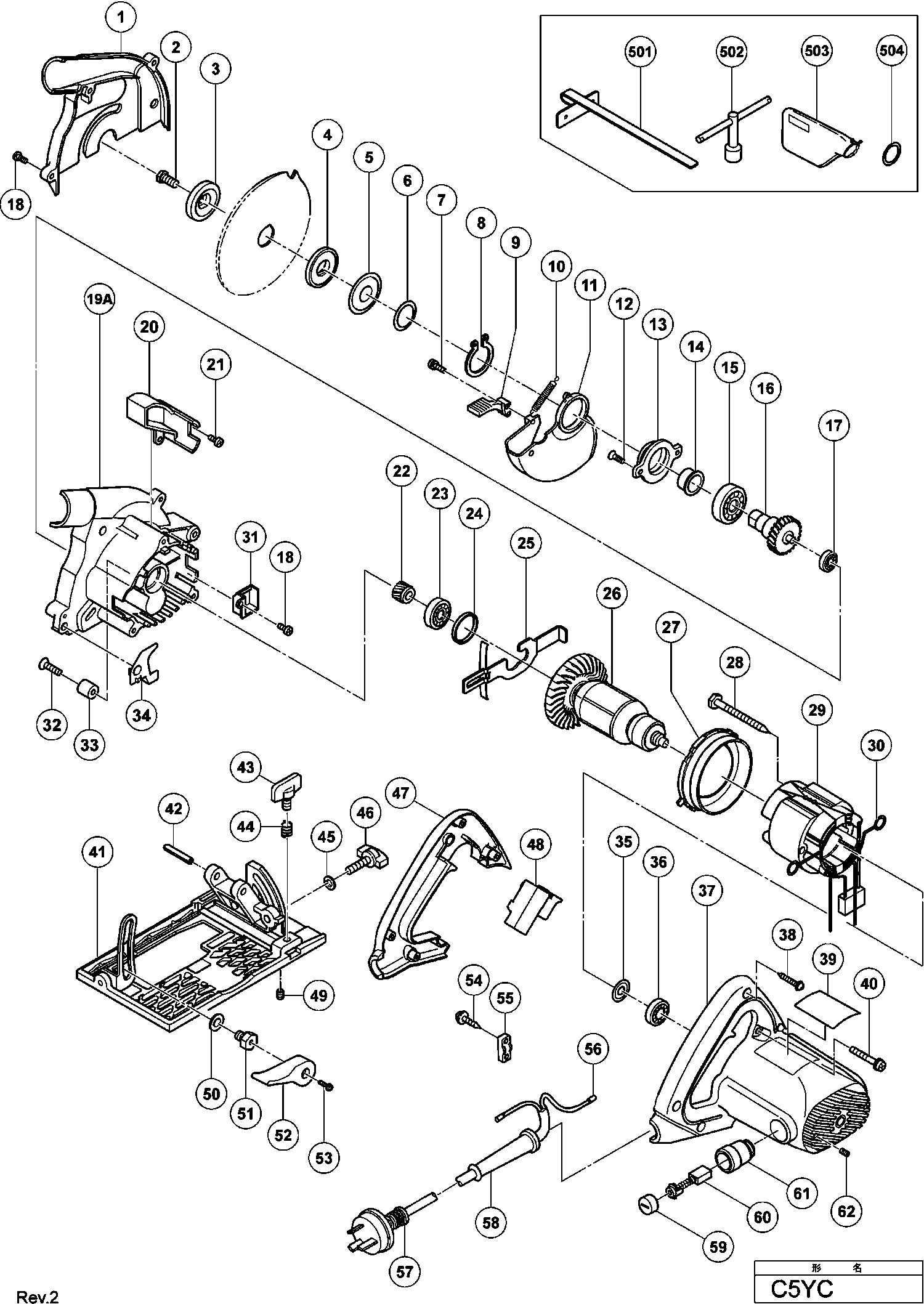
Dibujo técnico de los/las Hikoki C5YC
Lista de las piezas de repuesto de Hikoki C5YC
| Pos. | Descripción | Precio con el IVA excluido | Precio con el IVA incluido | |
| Los precios mostrados incluyen el IVA | ||||
| No hay información disponible, no se puede pedir | ||||
| 1 | 321699 | |||
| Tornillo con rosca izquierda M7x17,5 (antiguo 9962 | ||||
| 2 | 998335 | 1.05 | 1.27 | |
| No hay información disponible, no se puede pedir | ||||
| 3 | 321919 | |||
| No hay información disponible, no se puede pedir | ||||
| 3A | 956878 | |||
| No hay información disponible, no se puede pedir | ||||
| 4 | 320443 | |||
| No hay información disponible, no se puede pedir | ||||
| 5 | 320442 | |||
| Anillo O (1ap-20) | ||||
| 6 | 944486 | 1.05 | 1.27 | |
| Tornillo de Máquina (con arandelas) M4x14 (negro) | ||||
| 7 | 305691 | 1.05 | 1.27 | |
| Anillo de retención tipo C | ||||
| 8 | 948310 | 1.35 | 1.63 | |
| No hay información disponible, no se puede pedir | ||||
| 9 | 321696 | |||
| No hay información disponible, no se puede pedir | ||||
| 10 | 324714 | |||
| No hay información disponible, no se puede pedir | ||||
| 11 | 324716 | |||
| Tornillo de cabeza plana Seal Lock M4x14 | ||||
| 12 | 320437 | 1.80 | 2.18 | |
| No hay información disponible, no se puede pedir | ||||
| 13 | 320436 | |||
| No hay información disponible, no se puede pedir | ||||
| 14 | 320444 | |||
| No hay información disponible, no se puede pedir | ||||
| 15 | 6904DD | |||
| No hay información disponible, no se puede pedir | ||||
| 16 | 321697 | |||
| Rodamiento de bolas 606zzmc3ps2s | ||||
| 17 | 606ZZM | 15.40 | 18.63 | |
| Tornillo de máquina (con arandela) M4x8 (negro) | ||||
| 18 | 323211 | 1.05 | 1.27 | |
| No hay información disponible, no se puede pedir | ||||
| 19A | 336403 | |||
| No hay información disponible, no se puede pedir | ||||
| 20 | 321703 | |||
| Tornillo de máquina M4x10 (10 piezas) (ANTIGUO 949 | ||||
| 21 | 949216 | 1.05 | 1.27 | |
| No hay información disponible, no se puede pedir | ||||
| 22 | 321708 | |||
| Rodamiento de bolas 629vvmc2eps2l | ||||
| 23 | 629VVM | 5.85 | 7.08 | |
| Anillo de goma (antiguo 994299) | ||||
| 24 | 957754 | 1.20 | 1.45 | |
| Palanca de bloqueo | ||||
| 25 | 307918 | 5.25 | 6.35 | |
| No hay información disponible, no se puede pedir | ||||
| 26 | 360714E | |||
| No hay información disponible, no se puede pedir | ||||
| 27 | 317758 | |||
| Tornillo de rosca de cabeza hexagonal D5x50 | ||||
| 28 | 953121 | 1.04 | 1.26 | |
| No hay información disponible, no se puede pedir | ||||
| 29 | 340628E | |||
| Punto de contacto del Portaescobillas | ||||
| 30 | 930703 | 2.40 | 2.90 | |
| No hay información disponible, no se puede pedir | ||||
| 31 | 321709 | |||
| Tornillo M5x20 (10 piezas) | ||||
| 32 | 949793 | 1.35 | 1.63 | |
| Cojín C18dmr | ||||
| 33 | 310842 | 1.05 | 1.27 | |
| No hay información disponible, no se puede pedir | ||||
| 34 | 324715 | |||
| Arandela (a) | ||||
| 35 | 982631 | 1.04 | 1.26 | |
| Rodamiento de bolas 608vvmc2eps2l | ||||
| 36 | 608VVM | 5.70 | 6.90 | |
| No hay información disponible, no se puede pedir | ||||
| 37 | 324713 | |||
| Tornillo de roscado D4x20 con brida (negro) | ||||
| 38 | 301653 | 1.04 | 1.26 | |
| MACHINE SCREW M5X35 BLACK (W/WASHERS) | ||||
| 40 | 885266 | 1.50 | 1.82 | |
| No hay información disponible, no se puede pedir | ||||
| 41 | 321698 | |||
| ROLL PIN D6X45 (10 PCS.) NEW | ||||
| 42 | 949523 | 6.06 | 7.33 | |
| Tornillo de ala M6x18 Excepto para Usa,can | ||||
| 43 | 307898 | 1.65 | 2.00 | |
| Resorte (viej 996224) | ||||
| 44 | 947859 | 1.04 | 1.26 | |
| ARANDELA M6 | ||||
| 45 | 948167 | 1.04 | 1.26 | |
| TORNILLO DE ALA (A) | ||||
| 46 | 307937 | 1.05 | 1.27 | |
| No hay información disponible, no se puede pedir | ||||
| 47 | 324717 | |||
| No hay información disponible, no se puede pedir | ||||
| 48 | 963756Z | |||
| Tornillo de ajuste M6x6 | ||||
| 49 | 302469 | 1.05 | 1.27 | |
| Arandela M8 (10 Piezas) | ||||
| 50 | 949433 | 1.05 | 1.27 | |
| No hay información disponible, no se puede pedir | ||||
| 51 | 320440 | |||
| No hay información disponible, no se puede pedir | ||||
| 52 | 318643 | |||
| Tornillo Máquina (con arandelas) M4x12 (negro) | ||||
| 53 | 307081 | 1.05 | 1.27 | |
| No hay información disponible, no se puede pedir | ||||
| 54 | 984750 | |||
| Tira de sujeción (antiguo 994566) | ||||
| 55 | 937631 | 1.04 | 1.26 | |
| Casquillo roscado para cable | ||||
| 56 | 981373 | 1.05 | 1.27 | |
| No hay información disponible, no se puede pedir | ||||
| 57 | 500439Z | |||
| No hay información disponible, no se puede pedir | ||||
| 58 | 953327 | |||
| Cubierta del cepillo | ||||
| 59 | 935829 | 1.05 | 1.27 | |
| Escobilla de carbono (1 par) | ||||
| 60 | 999043 | 4.50 | 5.44 | |
| Soporte de Cepillo de Carbono | ||||
| 61 | 957774 | 6.45 | 7.80 | |
| Tornillo de ajuste hexagonal M5x8 | ||||
| 62 | 938477 | 1.05 | 1.27 | |
| No hay información disponible, no se puede pedir | ||||
| 501 | 302756 | |||
| No hay información disponible, no se puede pedir | ||||
| 502 | 940543 | |||
| No hay información disponible, no se puede pedir | ||||
| 503 | 961523 | |||
| No hay información disponible, no se puede pedir | ||||
| 504 | 324718 | |||