Aquí encontrará todas las piezas y dibujos técnicos disponibles de 'Hikoki C6MFA'. Desde aquí podrá pedir todas las piezas deseadas directamente. Para muchas piezas de repuesto, es necesario pasar un pedido al fabricante. Dependiendo de la marca, el plazo de entrega puede variar entre una y cuatro semanas. Toda la información que tenemos está en nuestro sitio web. No podremos aconsejarle sobre lo que necesita hasta que entregue la máquina para su reparación. Tenga en cuenta lo siguiente a la hora de cursar su pedido:
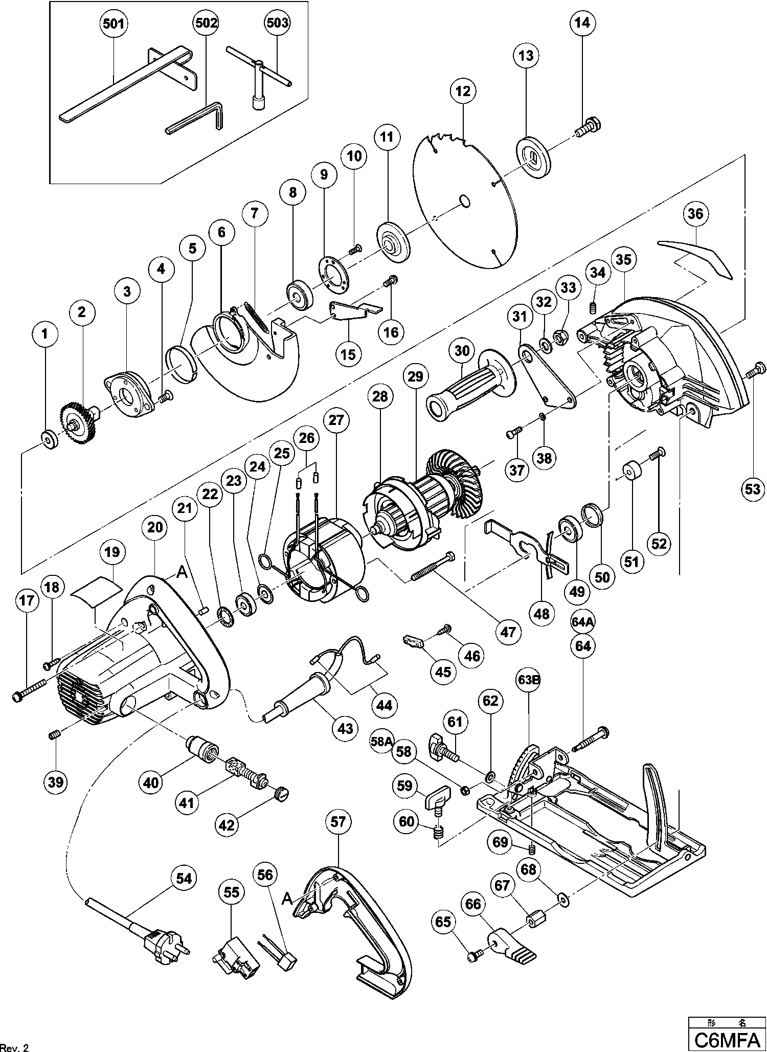
Dibujo técnico de los/las Hikoki C6MFA
Lista de las piezas de repuesto de Hikoki C6MFA
| Pos. | Descripción | Precio con el IVA excluido | Precio con el IVA incluido | |
| Los precios mostrados incluyen el IVA | ||||
| Metal | ||||
| 1 | 963803 | 1.50 | 1.82 | |
| No hay información disponible, no se puede pedir | ||||
| 2 | 322088 | |||
| Soporte De Cojinete | ||||
| 3 | 308361 | 3.30 | 3.99 | |
| TORNILLO DE BLOQUEO DE SELLO M5X12 | ||||
| 4 | 305568 | 1.05 | 1.27 | |
| ARANDELA | ||||
| 5 | 318192 | 1.65 | 2.00 | |
| No hay información disponible, no se puede pedir | ||||
| 6 | 323937 | |||
| No hay información disponible, no se puede pedir | ||||
| 7 | 302442 | |||
| Rodamiento de bolas 6002 Vv C7mfa | ||||
| 8 | 6002VV | 7.35 | 8.89 | |
| Cubierta del cojinete RTS 400 REQ | ||||
| 9 | 308362 | 2.40 | 2.90 | |
| Tornillo Plano de Bloqueo de Sello M3x12 | ||||
| 10 | 308773 | 1.05 | 1.27 | |
| Arandela (a) | ||||
| 11 | 322099 | 7.35 | 8.89 | |
| Arandela (a) | ||||
| 11 | 323928 | 3.15 | 3.81 | |
| No hay información disponible, no se puede pedir | ||||
| 12 | 323892 | |||
| No hay información disponible, no se puede pedir | ||||
| 13 | 323924 | |||
| Tornillo M7x17.5 con arandela | ||||
| 14 | 957749 | 1.05 | 1.27 | |
| No hay información disponible, no se puede pedir | ||||
| 15 | 302464 | |||
| Tornillo de máquina (con arandelas) M4x10 (negro) | ||||
| 16 | 304043 | 1.05 | 1.27 | |
| Tornillo de máquina (con arandelas) M5x45 (negro) | ||||
| 17 | 302434 | 1.04 | 1.26 | |
| Tornillo de roscado D4x20 con brida (negro) | ||||
| 18 | 301653 | 1.04 | 1.26 | |
| CARCASA | ||||
| 20 | 323930 | 31.49 | 38.10 | |
| Carcasa Ass'y (verde) Inclu.39,40 | ||||
| 20 | 323929 | 26.68 | 32.28 | |
| BOLÍGRAFO DE GOMA | ||||
| 21 | 931701 | 1.05 | 1.27 | |
| Arandela de empuje | ||||
| 22 | 316394 | 3.30 | 3.99 | |
| Rodamiento de bolas 608vvmc2eps2l | ||||
| 23 | 608VVM | 5.70 | 6.90 | |
| Arandela (a) | ||||
| 24 | 982631 | 1.04 | 1.26 | |
| Punto de contacto del Portaescobillas | ||||
| 25 | 930703 | 2.40 | 2.90 | |
| Casquillo roscado para cable | ||||
| 26 | 981373 | 1.05 | 1.27 | |
| Estator 230V | ||||
| 27 | 340614E | 24.75 | 29.95 | |
| Guía de ventilador | ||||
| 28 | 322002 | 1.35 | 1.63 | |
| ARMADURA 230V | ||||
| 29 | 360694E | 41.80 | 50.58 | |
| ANKER 110 VOLT | ||||
| 29 | 360694C | 39.05 | 47.25 | |
| No hay información disponible, no se puede pedir | ||||
| 30 | 323925 | |||
| TIRA | ||||
| 31 | 323926 | 2.10 | 2.54 | |
| Arandela M10 (10 piezas) | ||||
| 32 | 949458 | 1.05 | 1.27 | |
| Tuerca de tapa m10 | ||||
| 33 | 323927 | 1.65 | 2.00 | |
| Tornillo de fijación hexagonal M5x6 | ||||
| 34 | 962782 | 1.04 | 1.26 | |
| No hay información disponible, no se puede pedir | ||||
| 35 | 323935 | |||
| Tornillo de máquina M5x12 (10 piezas) | ||||
| 37 | 949237 | 1.05 | 1.27 | |
| Arandela de resorte M5 (10 piezas) | ||||
| 38 | 949454 | 1.04 | 1.26 | |
| Tornillo de ajuste hexagonal M5x8 | ||||
| 39 | 938477 | 1.05 | 1.27 | |
| PORTACEPILLOS | ||||
| 40 | 957051 | 5.25 | 6.35 | |
| Escobilla de carbono (1 par) | ||||
| 41 | 999043 | 4.50 | 5.44 | |
| Cubierta del cepillo | ||||
| 42 | 935829 | 1.05 | 1.27 | |
| No hay información disponible, no se puede pedir | ||||
| 43 | 953327 | |||
| Casquillo roscado para cable | ||||
| 44 | 981373 | 1.05 | 1.27 | |
| Tira de sujeción (antiguo 994566) | ||||
| 45 | 937631 | 1.04 | 1.26 | |
| No hay información disponible, no se puede pedir | ||||
| 46 | 984750 | |||
| Tornillo de corte D5x55 | ||||
| 47 | 953174 | 1.04 | 1.26 | |
| Palanca de bloqueo | ||||
| 48 | 307918 | 5.25 | 6.35 | |
| Cojinete de bolas 6000 Vv, Cm9by, C8fse, G23ss | ||||
| 49 | 6000VV | 6.15 | 7.44 | |
| Anillo de goma (1) | ||||
| 50 | 318647 | 1.65 | 2.00 | |
| Cojín C18dmr | ||||
| 51 | 961729 | 1.05 | 1.27 | |
| Tornillo (10 piezas) | ||||
| 52 | 949794 | 1.65 | 2.00 | |
| Tuerca | ||||
| 53 | 942808 | 1.05 | 1.27 | |
| Cable 3M 2 X 1,0 H05vv-f con enchufe 16a CEE | ||||
| 54 | 500461Z | 17.88 | 21.63 | |
| SNOER 10.7 (USE 714500=2X1 5M) | ||||
| 54 | 500247Z | 6.18 | 7.48 | |
| No hay información disponible, no se puede pedir | ||||
| 55 | 963756Z | |||
| Condensador (antiguo 987178) | ||||
| 56 | 930039 | 1.95 | 2.36 | |
| Cubierta del Mango (verde) | ||||
| 57 | 323931 | 5.70 | 6.90 | |
| Cubierta del mango (verde negro apagado) Para Fra | ||||
| 57 | 323932 | 5.70 | 6.90 | |
| Manguito de bloqueo Cm12y | ||||
| 58 | 315253 | 7.35 | 8.89 | |
| Tuerca en U M5 | ||||
| 58A | 308387 | 1.05 | 1.27 | |
| Tornillo de ala M6x18 Excepto para Usa,can | ||||
| 59 | 307898 | 1.65 | 2.00 | |
| Muelle | ||||
| 60 | 941056 | 1.05 | 1.27 | |
| TORNILLO DE ALA (A) | ||||
| 61 | 307937 | 1.05 | 1.27 | |
| ARANDELA M6 | ||||
| 62 | 948167 | 1.04 | 1.26 | |
| No hay información disponible, no se puede pedir | ||||
| 63B | 330841 | |||
| Tornillo ajustador (a) (hasta 09.2008) | ||||
| 64 | 315183 | 4.80 | 5.81 | |
| Tornillo ajustador (a) (hasta 09.2008) | ||||
| 64A | 322096 | 1.95 | 2.36 | |
| Tornillo de bloqueo (con arandelas sp) M6x14 | ||||
| 65 | 322260 | 1.50 | 1.82 | |
| Palanca de Bloqueo | ||||
| 66 | 323923 | 1.05 | 1.27 | |
| TUERCA DE BLOQUEO | ||||
| 67 | 323922 | 2.10 | 2.54 | |
| ARANDELA | ||||
| 68 | 320975 | 1.05 | 1.27 | |
| Tornillo de fijación (con cierre de sello) M6x8 | ||||
| 69 | 308109 | 1.04 | 1.26 | |
| No hay información disponible, no se puede pedir | ||||
| 501 | 302756 | |||
| No hay información disponible, no se puede pedir | ||||
| 502 | 990666 | |||
| No hay información disponible, no se puede pedir | ||||
| 503 | 940543 | |||
| No hay información disponible, no se puede pedir | ||||
| 601 | 302981 | |||
| HANGER | ||||
| 602 | 954619 | 3.30 | 3.99 | |