Aquí encontrará todas las piezas y dibujos técnicos disponibles de 'Hikoki C6SE'. Desde aquí podrá pedir todas las piezas deseadas directamente. Para muchas piezas de repuesto, es necesario pasar un pedido al fabricante. Dependiendo de la marca, el plazo de entrega puede variar entre una y cuatro semanas. Toda la información que tenemos está en nuestro sitio web. No podremos aconsejarle sobre lo que necesita hasta que entregue la máquina para su reparación. Tenga en cuenta lo siguiente a la hora de cursar su pedido:
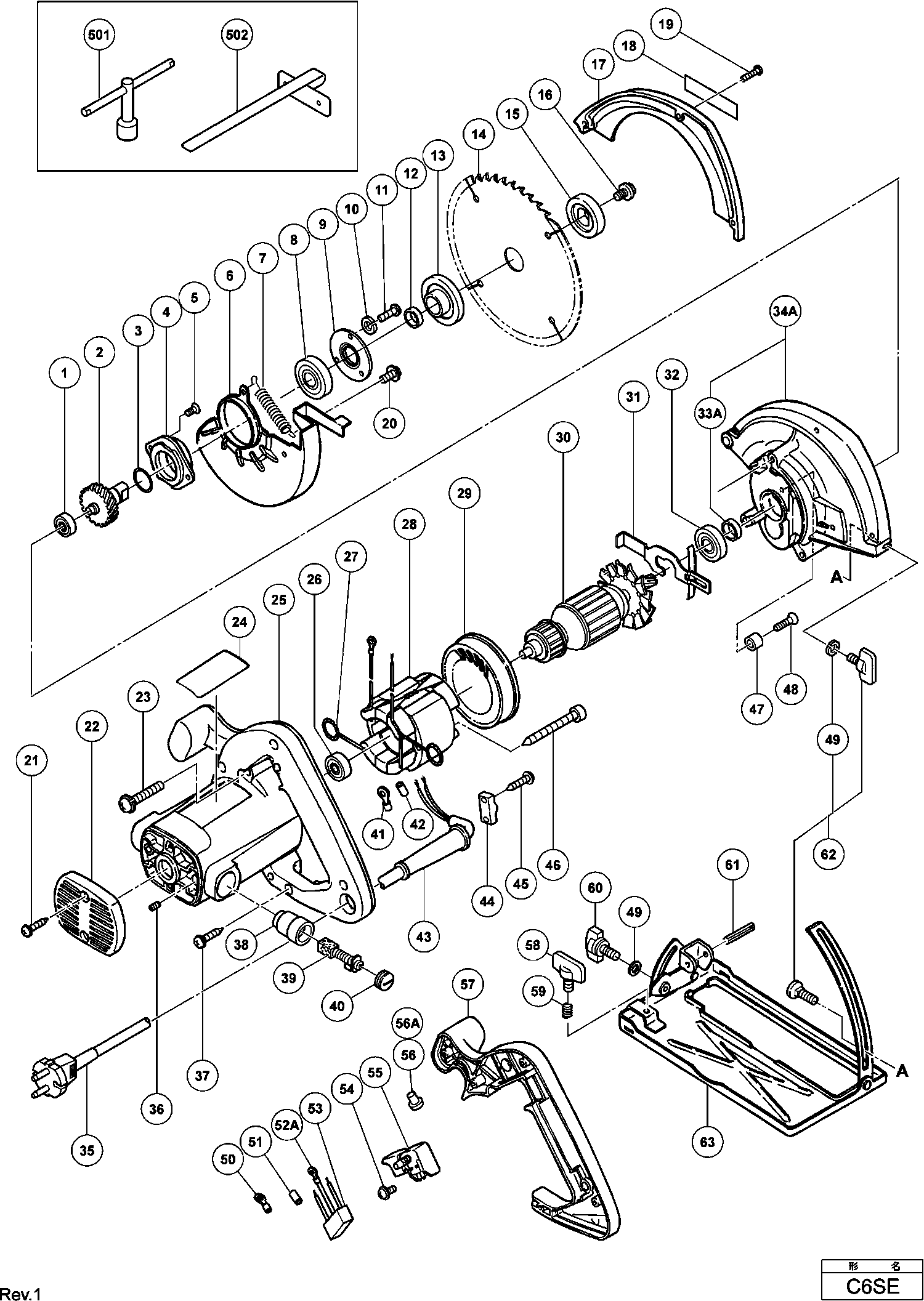
Dibujo técnico de los/las Hikoki C6SE
Lista de las piezas de repuesto de Hikoki C6SE
| Pos. | Descripción | Precio con el IVA excluido | Precio con el IVA incluido | |
| Los precios mostrados incluyen el IVA | ||||
| Rodamiento de bolas 606zzmc3ps2s | ||||
| 1 | 606ZZM | 15.40 | 18.63 | |
| No hay información disponible, no se puede pedir | ||||
| 2 | 317932 | |||
| Anillo O (p-16) | ||||
| 3 | 873095 | 1.04 | 1.26 | |
| Soporte De Cojinete | ||||
| 4 | 941048 | 6.90 | 8.35 | |
| Tornillo de placa de bloqueo de sello M4x10 | ||||
| 5 | 990430 | 1.04 | 1.26 | |
| No hay información disponible, no se puede pedir | ||||
| 6 | 317930 | |||
| Muelle de retorno | ||||
| 7 | 957062 | 1.04 | 1.26 | |
| Cojinete de bolas 6202vvcmps2s | ||||
| 8 | 6202VV | 7.05 | 8.53 | |
| LAGERKAP | ||||
| 9 | 941049 | 1.62 | 1.96 | |
| Arandela de resorte M3 (10 piezas) | ||||
| 10 | 949451 | 1.05 | 1.27 | |
| Tornillo de máquina M3x8 (10 piezas) | ||||
| 11 | 949203 | 1.05 | 1.27 | |
| Casquillo Espaciador | ||||
| 12 | 961366 | 1.04 | 1.26 | |
| Arandela | ||||
| 13 | 993598 | 2.70 | 3.27 | |
| No hay información disponible, no se puede pedir | ||||
| 14 | 317937 | |||
| ARANDELA | ||||
| 15 | 957064 | 4.50 | 5.44 | |
| Tornillo M7x17.5 con arandela | ||||
| 16 | 957749 | 1.05 | 1.27 | |
| No hay información disponible, no se puede pedir | ||||
| 17 | 317933 | |||
| Tornillo de máquina M4x16 (10 piezas) | ||||
| 19 | 949219 | 1.20 | 1.45 | |
| Tornillo de máquina M4x8 | ||||
| 20 | 986723 | 1.05 | 1.27 | |
| Tornillo de roscado D4x20 con brida (negro) | ||||
| 21 | 301653 | 1.04 | 1.26 | |
| ACHTER DEKSEL | ||||
| 22 | 961732 | 1.74 | 2.11 | |
| Tornillo de máquina (con arandelas) M5x45 (negro) | ||||
| 23 | 302434 | 1.04 | 1.26 | |
| No hay información disponible, no se puede pedir | ||||
| 25 | 317936 | |||
| Rodamiento de bolas 608vvmc2eps2l | ||||
| 26 | 608VVM | 5.70 | 6.90 | |
| Punto de contacto del Portaescobillas | ||||
| 27 | 930703 | 2.40 | 2.90 | |
| No hay información disponible, no se puede pedir | ||||
| 28 | 340447H | |||
| No hay información disponible, no se puede pedir | ||||
| 29 | 987980 | |||
| No hay información disponible, no se puede pedir | ||||
| 30 | 360500F | |||
| SCHAKELBLOKKERING | ||||
| 31 | 987981 | 3.48 | 4.21 | |
| Cojinete de bolas 6000 Vv, Cm9by, C8fse, G23ss | ||||
| 32 | 6000VV | 6.15 | 7.44 | |
| Anillo de goma (1) | ||||
| 33A | 318647 | 1.65 | 2.00 | |
| Cubierta del engranaje Ass'y Incl.3,17 | ||||
| 34A | 317931 | 14.99 | 18.13 | |
| SNOER 2.5M 2 X 1.0 H05VV-F W/PLUG 13A/250V (OLD 50 | ||||
| 35 | 500423Z | 12.87 | 15.57 | |
| Tornillo de ajuste hexagonal M5x8 | ||||
| 36 | 938477 | 1.05 | 1.27 | |
| Tornillo de rosca (con brida) D4x25 (negro) | ||||
| 37 | 307028 | 1.05 | 1.27 | |
| PORTACEPILLOS | ||||
| 38 | 957051 | 5.25 | 6.35 | |
| Escobilla de carbono (1 par) | ||||
| 39 | 999043 | 4.50 | 5.44 | |
| Cubierta del cepillo | ||||
| 40 | 935829 | 1.05 | 1.27 | |
| Terminal de Conexión | ||||
| 41 | 980063 | 1.04 | 1.26 | |
| Casquillo roscado para cable | ||||
| 42 | 981373 | 1.05 | 1.27 | |
| Protector de cable D8.8 | ||||
| 43 | 380090 | 1.04 | 1.26 | |
| Casquillo del cable D10.1 | ||||
| 43 | 938051 | 1.04 | 1.26 | |
| Tira de sujeción (antiguo 994566) | ||||
| 44 | 937631 | 1.04 | 1.26 | |
| No hay información disponible, no se puede pedir | ||||
| 45 | 984750 | |||
| Tornillo de corte D5x55 | ||||
| 46 | 953174 | 1.04 | 1.26 | |
| Cojín C18dmr | ||||
| 47 | 961729 | 1.05 | 1.27 | |
| Tornillo (10 piezas) | ||||
| 48 | 949794 | 1.65 | 2.00 | |
| ARANDELA M6 | ||||
| 49 | 948167 | 1.04 | 1.26 | |
| Terminal de Conexión | ||||
| 50 | 980063 | 1.04 | 1.26 | |
| Terminal Div.tipos | ||||
| 50 | 311741 | 1.04 | 1.26 | |
| Casquillo roscado para cable | ||||
| 51 | 981373 | 1.05 | 1.27 | |
| Pestaña de contacto | ||||
| 52A | 938108 | 1.20 | 1.45 | |
| Condensador (antiguo 930030/991313) | ||||
| 53 | 994273 | 4.29 | 5.19 | |
| Tornillo de máquina (con arandela) M3.5x6 | ||||
| 54 | 305499 | 1.05 | 1.27 | |
| Interruptor | ||||
| 55 | 957747 | 14.03 | 16.97 | |
| Interruptor | ||||
| 55 | 963756Z | 13.20 | 15.97 | |
| Interruptor | ||||
| 55 | 302470 | 10.95 | 13.25 | |
| Terminal de soldadura 50091 (10 piezas) | ||||
| 56 | 959140 | 3.30 | 3.99 | |
| Terminal de soldadura 50092 (10 piezas) | ||||
| 56A | 959141 | 3.75 | 4.54 | |
| No hay información disponible, no se puede pedir | ||||
| 57 | 302320 | |||
| Tornillo de Ala M6x15 | ||||
| 58 | 301806 | 1.05 | 1.27 | |
| Resorte (viej 996224) | ||||
| 59 | 947859 | 1.04 | 1.26 | |
| Perno de mariposa M6x17 | ||||
| 60 | 302459 | 1.05 | 1.27 | |
| ROL PIN D6X30 (10 STUKS) | ||||
| 61 | 949515 | 3.48 | 4.21 | |
| Ensamblaje de perno (cuadrado) M6x22 Includ.89 | ||||
| 62 | 314620 | 6.45 | 7.80 | |
| No hay información disponible, no se puede pedir | ||||
| 63 | 317934 | |||
| No hay información disponible, no se puede pedir | ||||
| 501 | 940543 | |||
| No hay información disponible, no se puede pedir | ||||
| 502 | 316106 | |||
| No hay información disponible, no se puede pedir | ||||
| 601 | 949172 | |||
| No hay información disponible, no se puede pedir | ||||
| 602 | 879096 | |||
| No hay información disponible, no se puede pedir | ||||
| 603 | 879097 | |||
| No hay información disponible, no se puede pedir | ||||
| 604 | 879098 | |||
| No hay información disponible, no se puede pedir | ||||
| 605 | 939156 | |||
| No hay información disponible, no se puede pedir | ||||
| 606 | 961734 | |||