Aquí encontrará todas las piezas y dibujos técnicos disponibles de 'Hikoki C6SS'. Desde aquí podrá pedir todas las piezas deseadas directamente. Para muchas piezas de repuesto, es necesario pasar un pedido al fabricante. Dependiendo de la marca, el plazo de entrega puede variar entre una y cuatro semanas. Toda la información que tenemos está en nuestro sitio web. No podremos aconsejarle sobre lo que necesita hasta que entregue la máquina para su reparación. Tenga en cuenta lo siguiente a la hora de cursar su pedido:
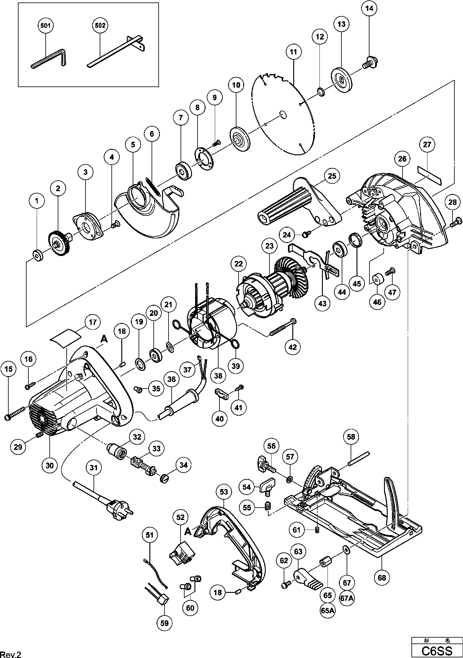
Dibujo técnico de los/las Hikoki C6SS
Lista de las piezas de repuesto de Hikoki C6SS
| Pos. | Descripción | Precio con el IVA excluido | Precio con el IVA incluido | |
| Los precios mostrados incluyen el IVA | ||||
| Arandela (a1) para Chi,pan,mex | ||||
| *10 | 317466 | 9.00 | 10.89 | |
| Arandela (a) | ||||
| *10 | 322099 | 7.35 | 8.89 | |
| Arandela (a) | ||||
| *10 | 323928 | 3.15 | 3.81 | |
| No hay información disponible, no se puede pedir | ||||
| *11 | 331658 | |||
| Brida De Fijación | ||||
| *13 | 324563 | 4.20 | 5.08 | |
| ARMADURA 230V | ||||
| *23 | 360883E | 53.63 | 64.89 | |
| AS EN TANDWIELSET (OUD 322088) | ||||
| *2A | 373459 | 5.82 | 7.04 | |
| Cordón | ||||
| *31 | 500240Z | 13.18 | 15.94 | |
| Cordón 2,5m 2 X 1.0 H05vv-f (Antiguo 500395z) | ||||
| *31 | 500447Z | 6.60 | 7.99 | |
| Estator 230V | ||||
| *38 | 340614E | 24.75 | 29.95 | |
| Ya no disponible, sin reemplazo | ||||
| *51 | 331269 | |||
| Interruptor | ||||
| *52 | 331259 | 20.35 | 24.62 | |
| Tornillo alado (a) M6x15 | ||||
| *56 | 308364 | 1.05 | 1.27 | |
| TORNILLO DE ALA (A) | ||||
| *56 | 307937 | 1.05 | 1.27 | |
| No hay información disponible, no se puede pedir | ||||
| *61A | 381655 | |||
| No hay información disponible, no se puede pedir | ||||
| *68 | 331263 | |||
| Metal | ||||
| 1 | 963803 | 1.50 | 1.82 | |
| No hay información disponible, no se puede pedir | ||||
| 2 | 331705 | |||
| Soporte De Cojinete | ||||
| 3 | 308361 | 3.30 | 3.99 | |
| TORNILLO DE BLOQUEO DE SELLO M5X12 | ||||
| 4 | 305568 | 1.05 | 1.27 | |
| Guarda inferior (desde 04.2007 para Aus,nzl) | ||||
| 5 | 331266 | 10.05 | 12.16 | |
| Muelle de retorno | ||||
| 6 | 331268 | 1.05 | 1.27 | |
| Rodamiento de bolas 6002 Vv C7mfa | ||||
| 7 | 6002VV | 7.35 | 8.89 | |
| Cubierta del cojinete RTS 400 REQ | ||||
| 8 | 308362 | 2.40 | 2.90 | |
| Tornillo Plano de Bloqueo de Sello M3x12 | ||||
| 9 | 308773 | 1.05 | 1.27 | |
| Arandela (a1) para Chi,pan,mex | ||||
| 10 | 317466 | 9.00 | 10.89 | |
| Arandela (a) | ||||
| 10 | 322099 | 7.35 | 8.89 | |
| Arandela (a) | ||||
| 10 | 323928 | 3.15 | 3.81 | |
| No hay información disponible, no se puede pedir | ||||
| 11 | 331658 | |||
| Anillo D15.9/i.d.14.5 | ||||
| 12 | 990100 | 1.65 | 2.00 | |
| Brida De Fijación | ||||
| 13 | 324563 | 4.20 | 5.08 | |
| ARANDELA (B) (ANTIGUO 323924) | ||||
| 13A | 375604 | 1.04 | 1.26 | |
| Tornillo Ø7x17,5 | ||||
| 14 | 325541 | 3.75 | 4.54 | |
| Tornillo de máquina (con arandelas) M5x45 (negro) | ||||
| 15 | 302434 | 1.04 | 1.26 | |
| Tornillo Autoperforante (con Brida) D4x23 (negro) | ||||
| 16 | 328643 | 1.05 | 1.27 | |
| BOLÍGRAFO DE GOMA | ||||
| 18 | 931701 | 1.05 | 1.27 | |
| Arandela de empuje | ||||
| 19 | 331264 | 1.05 | 1.27 | |
| Rodamiento de bolas 608vvmc2eps2l | ||||
| 20 | 608VVM | 5.70 | 6.90 | |
| Arandela (a) | ||||
| 21 | 982631 | 1.04 | 1.26 | |
| Guía de ventilador | ||||
| 22 | 322002 | 1.35 | 1.63 | |
| ARMADURA 230V | ||||
| 23 | 360883E | 53.63 | 64.89 | |
| No hay información disponible, no se puede pedir | ||||
| 24 | 887021 | |||
| MANGO LATERAL | ||||
| 25 | 330973 | 4.20 | 5.08 | |
| Cubierta interior | ||||
| 26 | 331265 | 24.68 | 29.86 | |
| Tuerca | ||||
| 28 | 942808 | 1.05 | 1.27 | |
| Tornillo de ajuste hexagonal M5x8 | ||||
| 29 | 938477 | 1.05 | 1.27 | |
| Caja de carcasa DUO 110 - Conjunto | ||||
| 30 | 331260 | 14.30 | 17.30 | |
| Cordón | ||||
| 31 | 500240Z | 13.18 | 15.94 | |
| Cordón 2,5m 2 X 1.0 H05vv-f (Antiguo 500395z) | ||||
| 31 | 500447Z | 6.60 | 7.99 | |
| PORTACEPILLOS | ||||
| 32 | 957051 | 5.25 | 6.35 | |
| Escobilla de carbono (1 par) | ||||
| 33 | 999043 | 4.50 | 5.44 | |
| Cubierta del cepillo | ||||
| 34 | 935829 | 1.05 | 1.27 | |
| Terminal de soldadura 50091 (10 piezas) | ||||
| 35 | 959140 | 3.30 | 3.99 | |
| No hay información disponible, no se puede pedir | ||||
| 36 | 953327 | |||
| Terminal Div.tipos | ||||
| 37 | 331707 | 1.88 | 2.27 | |
| Estator 230V | ||||
| 38 | 340614E | 24.75 | 29.95 | |
| Punto de contacto del Portaescobillas | ||||
| 39 | 930703 | 2.40 | 2.90 | |
| Tira de sujeción (antiguo 994566) | ||||
| 40 | 937631 | 1.04 | 1.26 | |
| No hay información disponible, no se puede pedir | ||||
| 41 | 984750 | |||
| Tornillo de corte D5x55 | ||||
| 42 | 953174 | 1.04 | 1.26 | |
| Palanca de bloqueo | ||||
| 43 | 307918 | 5.25 | 6.35 | |
| Cojinete de bolas 6000 Vv, Cm9by, C8fse, G23ss | ||||
| 44 | 6000VV | 6.15 | 7.44 | |
| Anillo de goma (1) | ||||
| 45 | 318647 | 1.65 | 2.00 | |
| Cojín C18dmr | ||||
| 46 | 961729 | 1.05 | 1.27 | |
| Tornillo (10 piezas) | ||||
| 47 | 949794 | 1.65 | 2.00 | |
| Ya no disponible, sin reemplazo | ||||
| 51 | 331269 | |||
| Interruptor | ||||
| 52 | 331259 | 20.35 | 24.62 | |
| Cubierta del Mango | ||||
| 53 | 331261 | 4.20 | 5.08 | |
| Tornillo de ala M6x18 Excepto para Usa,can | ||||
| 54 | 307898 | 1.65 | 2.00 | |
| Muelle | ||||
| 55 | 941056 | 1.05 | 1.27 | |
| TORNILLO DE ALA (A) | ||||
| 56 | 307937 | 1.05 | 1.27 | |
| Tornillo alado (a) M6x15 | ||||
| 56 | 308364 | 1.05 | 1.27 | |
| ARANDELA M6 | ||||
| 57 | 948167 | 1.04 | 1.26 | |
| PASADOR DE RODILLO D6X50 (10 PIEZAS) | ||||
| 58 | 949750 | 7.35 | 8.89 | |
| Condensador (antiguo 987178) | ||||
| 59 | 930039 | 1.95 | 2.36 | |
| Terminal de soldadura 50092 (10 piezas) | ||||
| 60 | 959141 | 3.75 | 4.54 | |
| Tornillo de fijación (con cierre de sello) M6x8 | ||||
| 61 | 308109 | 1.04 | 1.26 | |
| Tornillo de bloqueo (con arandelas sp) M6x14 | ||||
| 62 | 322260 | 1.50 | 1.82 | |
| Palanca de Bloqueo | ||||
| 63 | 323923 | 1.05 | 1.27 | |
| TUERCA DE BLOQUEO | ||||
| 65 | 328048 | 1.05 | 1.27 | |
| TUERCA DE BLOQUEO | ||||
| 65A | 331267 | 2.10 | 2.54 | |
| Arandela (c) | ||||
| 67 | 329933 | 1.88 | 2.27 | |
| ARANDELA | ||||
| 67A | 320975 | 1.05 | 1.27 | |
| Placa base KS 60 | ||||
| 68 | 331262 | 28.60 | 34.61 | |
| No hay información disponible, no se puede pedir | ||||
| 501 | 944459 | |||
| No hay información disponible, no se puede pedir | ||||
| 502 | 302756 | |||
| No hay información disponible, no se puede pedir | ||||
| 601 | 302981 | |||
| Arandela (a) | ||||
| 602 | 322099 | 7.35 | 8.89 | |