Aquí encontrará todas las piezas y dibujos técnicos disponibles de 'Hikoki C6U3'. Desde aquí podrá pedir todas las piezas deseadas directamente. Para muchas piezas de repuesto, es necesario pasar un pedido al fabricante. Dependiendo de la marca, el plazo de entrega puede variar entre una y cuatro semanas. Toda la información que tenemos está en nuestro sitio web. No podremos aconsejarle sobre lo que necesita hasta que entregue la máquina para su reparación. Tenga en cuenta lo siguiente a la hora de cursar su pedido:
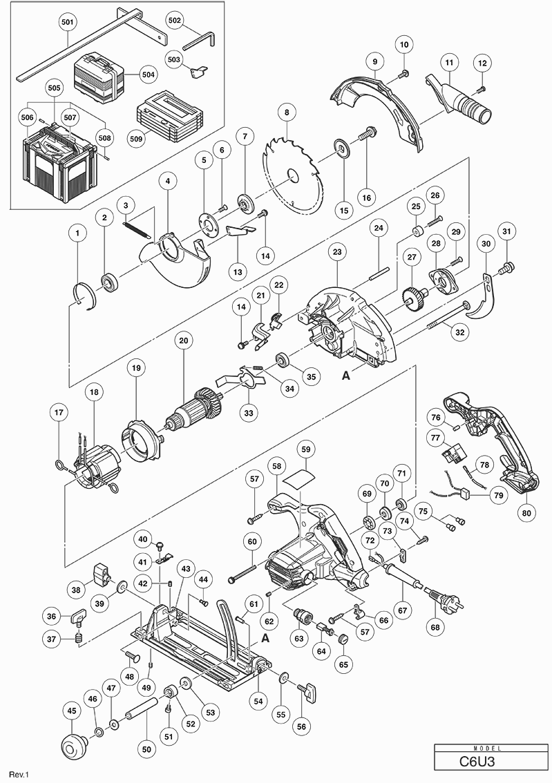
Dibujo técnico de los/las Hikoki C6U3
Lista de las piezas de repuesto de Hikoki C6U3
| Pos. | Descripción | Precio con el IVA excluido | Precio con el IVA incluido | |
| Los precios mostrados incluyen el IVA | ||||
| No hay información disponible, no se puede pedir | ||||
| *68 | 500390Z | |||
| Guía para la mesa giratoria C8fc | ||||
| 1 | 998887 | 9.30 | 11.25 | |
| RODAMIENTO DE BOLAS 6003VVCM (RETENEDOR DE NYLON) | ||||
| 2 | 327694 | 5.25 | 6.35 | |
| Muelle de retorno | ||||
| 3 | 370374 | 1.04 | 1.26 | |
| Guarda inferior | ||||
| 4 | 370357 | 11.10 | 13.43 | |
| Cubierta del cojinete RTS 400 REQ | ||||
| 5 | 302435 | 1.35 | 1.63 | |
| Tornillo de placa de bloqueo de sello M4x10 | ||||
| 6 | 990430 | 1.04 | 1.26 | |
| Arandela (a) | ||||
| 7 | 370272 | 2.25 | 2.72 | |
| No hay información disponible, no se puede pedir | ||||
| 8 | 324678 | |||
| Cubierta de sierra | ||||
| 9 | 370355 | 10.50 | 12.70 | |
| Cubierta de sierra | ||||
| 9A | 370355 | 10.50 | 12.70 | |
| Tornillo de la máquina M4x12 | ||||
| 10 | 951039 | 1.05 | 1.27 | |
| No hay información disponible, no se puede pedir | ||||
| 11 | 997247 | |||
| Tornillo de Máquina M4x12 (negro) con Arandela | ||||
| 12 | 935196 | 1.04 | 1.26 | |
| Palanca | ||||
| 13 | 370542 | 1.04 | 1.26 | |
| Tornillo de Máquina M4x12 (negro) con Arandela | ||||
| 14 | 935196 | 1.04 | 1.26 | |
| Arandela (b) Ds9dva/ds12dva/ds14dv Ds14dva/ds14dvb | ||||
| 15 | 370279 | 2.25 | 2.72 | |
| Tornillo de cabeza hexagonal M8x15.5 C9bu2 | ||||
| 16 | 324662 | 1.95 | 2.36 | |
| Punto de contacto del Portaescobillas | ||||
| 17 | 930703 | 2.40 | 2.90 | |
| Stator 220v-230v H-90sa Includ.103 Para Nzl,saf | ||||
| 18 | 340945E | 28.60 | 34.61 | |
| Guía del ventilador | ||||
| 19 | 370342 | 1.20 | 1.45 | |
| ARMADURA 230V | ||||
| 20 | 361037E | 34.79 | 42.09 | |
| Guía de flujo (b) | ||||
| 21 | 370346 | 1.04 | 1.26 | |
| Guía de flujo (a) | ||||
| 22 | 370345 | 1.04 | 1.26 | |
| Cubierta del engranaje | ||||
| 23 | 370351 | 21.18 | 25.62 | |
| Pin de Rodillo D6x40 (10 Unidades) | ||||
| 24 | 949686 | 6.75 | 8.17 | |
| Cojín C18dmr | ||||
| 25 | 961729 | 1.05 | 1.27 | |
| Tornillo (10 piezas) | ||||
| 26 | 949794 | 1.65 | 2.00 | |
| Set de husillo y engranaje | ||||
| 27 | 370372 | 11.40 | 13.79 | |
| SOPORTE DE COJINETE | ||||
| 28 | 302433 | 2.55 | 3.09 | |
| Placa de cerradura de sellado Tornillo M5x14 | ||||
| 29 | 992013 | 1.05 | 1.27 | |
| Cuchillo abridor | ||||
| 30 | 370366 | 3.60 | 4.36 | |
| Tornillo de cabeza hexagonal M8 | ||||
| 31 | 370287 | 1.05 | 1.27 | |
| No hay información disponible, no se puede pedir | ||||
| 32 | 370663 | |||
| DIAGONAL BOLT M8 ASS'Y (OLD 370663) | ||||
| 32A | 378200 | 2.64 | 3.19 | |
| Palanca de bloqueo | ||||
| 33 | 370363 | 1.20 | 1.45 | |
| Resorte (a) Dh18vb | ||||
| 34 | 330982 | 1.05 | 1.27 | |
| Rodamiento de bolas 6001vvcmps2l | ||||
| 35 | 6001VV | 6.60 | 7.99 | |
| Tornillo de Ala M6x15 | ||||
| 36 | 301806 | 1.05 | 1.27 | |
| Resorte (viej 996224) | ||||
| 37 | 947859 | 1.04 | 1.26 | |
| Tuerca de alas M8 | ||||
| 38 | 324658 | 3.00 | 3.63 | |
| Arandela M8 (10 Piezas) | ||||
| 39 | 949433 | 1.05 | 1.27 | |
| Tornillo de máquina M4 | ||||
| 40 | 331003 | 1.95 | 2.36 | |
| ABRAZADERA DE CABLE | ||||
| 41 | 324659 | 1.95 | 2.36 | |
| Tornillo de fijación hexagonal M5x6 | ||||
| 42 | 319541 | 1.50 | 1.82 | |
| Placa de bisel | ||||
| 43 | 370367 | 1.80 | 2.18 | |
| Pasador de Paso D6x13 | ||||
| 44 | 320163 | 1.50 | 1.82 | |
| BOTÓN | ||||
| 45 | 324660 | 4.35 | 5.26 | |
| O-RING (P-7) (OUD 676531) | ||||
| 46 | 889335 | 1.00 | 1.21 | |
| Arandela M8 (10 Piezas) | ||||
| 47 | 949433 | 1.05 | 1.27 | |
| Perno (cuadrado) M8x30 | ||||
| 48 | 302457 | 1.04 | 1.26 | |
| Tornillo de ajuste M6x6 | ||||
| 49 | 302469 | 1.05 | 1.27 | |
| NYLOCK SET SCREW M6 NEW | ||||
| 49A | 379529 | 1.00 | 1.21 | |
| Manga (a) | ||||
| 50 | 370267 | 4.20 | 5.08 | |
| Perno hexagonal de bloqueo M4x6 | ||||
| 51 | 370278 | 1.04 | 1.26 | |
| Manga (b) | ||||
| 52 | 370268 | 3.00 | 3.63 | |
| Arandela (1) | ||||
| 53 | 370376 | 1.04 | 1.26 | |
| Ass'y de base Incl.57 | ||||
| 54 | 370360 | 17.46 | 21.13 | |
| Anillo M6 (Antiguo 949425z , 10 piezas) | ||||
| 55 | 949425 | 1.05 | 1.27 | |
| Perno de mariposa M6x17 | ||||
| 56 | 302459 | 1.05 | 1.27 | |
| Tornillo de roscado D4x20 con brida (negro) | ||||
| 57 | 301653 | 1.04 | 1.26 | |
| Ensamblado de la carcasa incl. 86,87 | ||||
| 58 | 370339 | 23.65 | 28.62 | |
| Ensamblado de la carcasa incl. 86,87 | ||||
| 58A | 370339 | 23.65 | 28.62 | |
| Tornillo Máquina M5x50 | ||||
| 60 | 997841 | 1.05 | 1.27 | |
| Remache D6x17 | ||||
| 61 | 308480 | 1.05 | 1.27 | |
| Tornillo de ajuste hexagonal M5x8 | ||||
| 62 | 938477 | 1.05 | 1.27 | |
| Soporte de Cepillo de Carbono | ||||
| 63 | 958900 | 6.45 | 7.80 | |
| Escobilla de carbono (1 par) | ||||
| 64 | 999043 | 4.50 | 5.44 | |
| Tapa del cepillo | ||||
| 65 | 945161 | 1.20 | 1.45 | |
| Soporte de cable | ||||
| 66 | 370269 | 1.04 | 1.26 | |
| No hay información disponible, no se puede pedir | ||||
| 67 | 953327 | |||
| No hay información disponible, no se puede pedir | ||||
| 68 | 500390Z | |||
| Casquillo de goma | ||||
| 69 | 331006 | 1.95 | 2.36 | |
| COJINETE | ||||
| 70 | 322089 | 4.80 | 5.81 | |
| Rodamiento de bolas 608vv | ||||
| 71 | 333945 | 1.80 | 2.18 | |
| Terminal Div.tipos | ||||
| 72 | 331707 | 1.88 | 2.27 | |
| Tira de sujeción (antiguo 994566) | ||||
| 73 | 937631 | 1.04 | 1.26 | |
| No hay información disponible, no se puede pedir | ||||
| 74 | 984750 | |||
| Terminal de soldadura 50092 (10 piezas) | ||||
| 75 | 959141 | 3.75 | 4.54 | |
| BOLÍGRAFO DE GOMA | ||||
| 76 | 931701 | 1.05 | 1.27 | |
| Interruptor | ||||
| 77 | 334474 | 10.05 | 12.16 | |
| No hay información disponible, no se puede pedir | ||||
| 78 | 370661 | |||
| Condensador (antiguo 987178) | ||||
| 79 | 930039 | 1.95 | 2.36 | |
| Cubierta de la empuñadura | ||||
| 80 | 370341 | 9.15 | 11.07 | |
| PLACA (C) | ||||
| 81 | 371212 | 1.05 | 1.27 | |
| Tornillo de Máquina M4x12 (negro) con Arandela | ||||
| 82 | 935196 | 1.04 | 1.26 | |
| GUÍA | ||||
| 501 | 370587 | 3.45 | 4.17 | |
| No hay información disponible, no se puede pedir | ||||
| 502 | 872422 | |||
| PALANCA | ||||
| 503 | 370264 | 1.04 | 1.26 | |
| No hay información disponible, no se puede pedir | ||||
| 504 | 370664 | |||
| No hay información disponible, no se puede pedir | ||||
| 505 | 337528 | |||
| No hay información disponible, no se puede pedir | ||||
| 506 | 336472 | |||
| No hay información disponible, no se puede pedir | ||||
| 507 | 336473 | |||
| No hay información disponible, no se puede pedir | ||||
| 508 | 336474 | |||
| No hay información disponible, no se puede pedir | ||||
| 509 | 370590 | |||
| No hay información disponible, no se puede pedir | ||||
| 509A | 376125 | |||
| Guía de 350 mm | ||||
| 601 | 330998 | 14.65 | 17.73 | |
| Adaptador de Carril Guía Sui | ||||
| 602 | 330968 | 8.33 | 10.07 | |
| Placa de Carril Guía Sui | ||||
| 603 | 330978 | 4.20 | 5.08 | |
| No hay información disponible, no se puede pedir | ||||
| 604 | 330979 | |||
| No hay información disponible, no se puede pedir | ||||
| 605 | 330980 | |||
| Tornillo de ala M6x12 | ||||
| 606 | 307947 | 1.35 | 1.63 | |
| Tornillo de Máquina M5x12 Negro | ||||
| 607 | 331761 | 1.65 | 2.00 | |