Aquí encontrará todas las piezas y dibujos técnicos disponibles de 'Hikoki C7BMR'. Desde aquí podrá pedir todas las piezas deseadas directamente. Para muchas piezas de repuesto, es necesario pasar un pedido al fabricante. Dependiendo de la marca, el plazo de entrega puede variar entre una y cuatro semanas. Toda la información que tenemos está en nuestro sitio web. No podremos aconsejarle sobre lo que necesita hasta que entregue la máquina para su reparación. Tenga en cuenta lo siguiente a la hora de cursar su pedido:
Dibujo técnico de los/las Hikoki C7BMR
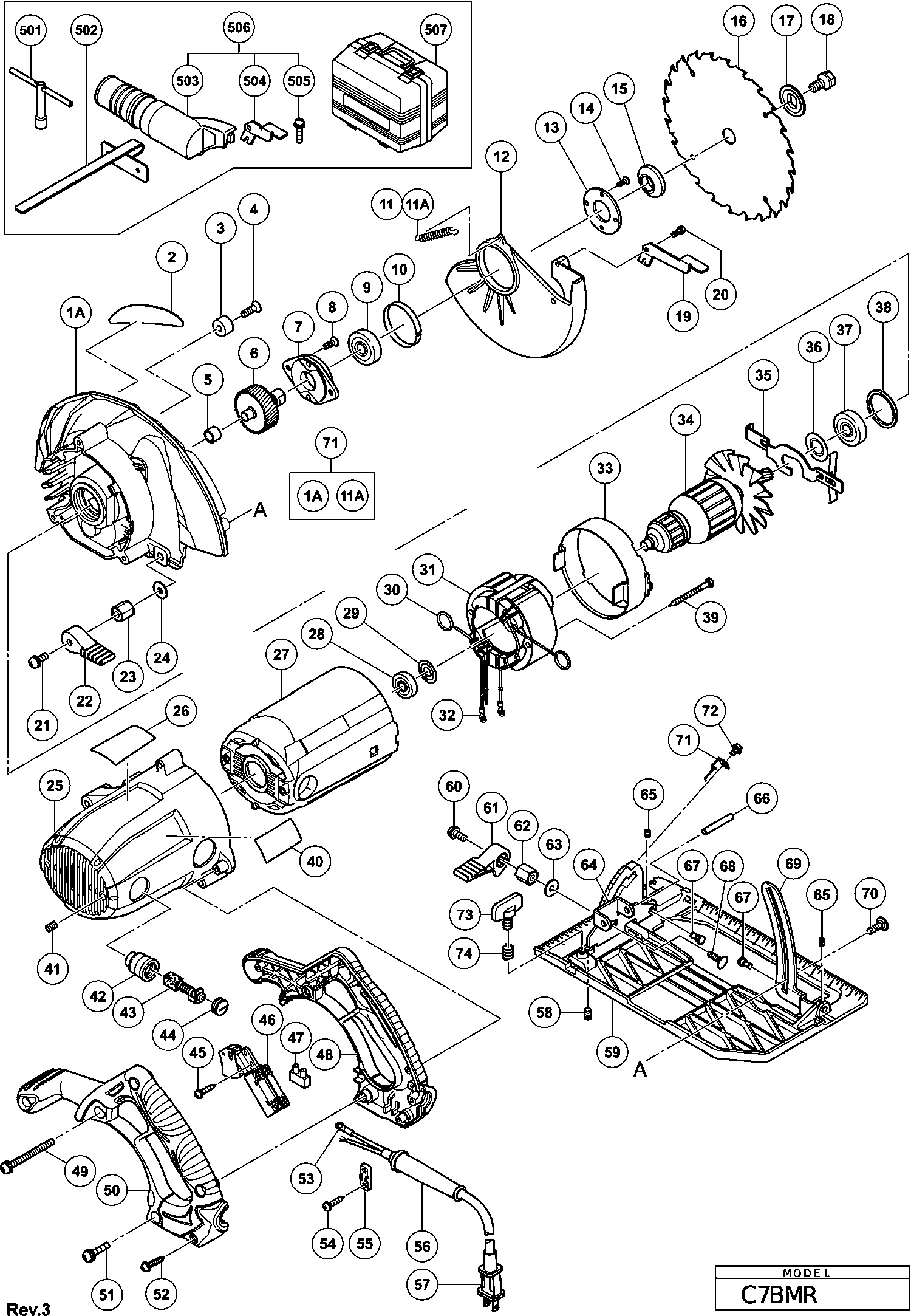
Lista de las piezas de repuesto de Hikoki C7BMR
| Pos. | Descripción | Precio con el IVA excluido | Precio con el IVA incluido | |
| Los precios mostrados incluyen el IVA | ||||
| No hay información disponible, no se puede pedir | ||||
| 1A | 337255 | |||
| Cojín C18dmr | ||||
| 3 | 961729 | 1.05 | 1.27 | |
| Tornillo (10 piezas) | ||||
| 4 | 949794 | 1.65 | 2.00 | |
| Rodamiento de agujas HK1010 (antiguo 982027z) | ||||
| 5 | 982027 | 6.75 | 8.17 | |
| Eje y conjunto de engranajes | ||||
| 6 | 320960 | 16.58 | 20.06 | |
| SOPORTE DE COJINETE | ||||
| 7 | 302433 | 2.55 | 3.09 | |
| Placa de cerradura de sellado Tornillo M5x14 | ||||
| 8 | 992013 | 1.05 | 1.27 | |
| Rodamiento de bolas 6003 Vv | ||||
| 9 | 6003VV | 7.65 | 9.26 | |
| Manguito (antiguo 961807Z) | ||||
| 10 | 961807 | 2.15 | 2.60 | |
| Muelle de retorno | ||||
| 11 | 328049 | 1.20 | 1.45 | |
| Muelle de retorno desde 2.2014 | ||||
| 11A | 337063 | 5.55 | 6.72 | |
| No hay información disponible, no se puede pedir | ||||
| 12 | 328044 | |||
| Cubierta del cojinete RTS 400 REQ | ||||
| 13 | 302435 | 1.35 | 1.63 | |
| Tornillo de placa de bloqueo de sello M4x10 | ||||
| 14 | 990430 | 1.04 | 1.26 | |
| Arandela (a2) | ||||
| 15 | 320970 | 3.15 | 3.81 | |
| No hay información disponible, no se puede pedir | ||||
| 16 | 327761 | |||
| No hay información disponible, no se puede pedir | ||||
| 17 | 320953 | |||
| Tornillo (con brida) M8x15.5 | ||||
| 18 | 320971 | 1.05 | 1.27 | |
| Palanca | ||||
| 19 | 328045 | 1.20 | 1.45 | |
| Tornillo de Máquina M4x12 (negro) con Arandela | ||||
| 20 | 935196 | 1.04 | 1.26 | |
| No hay información disponible, no se puede pedir | ||||
| 21 | 328504 | |||
| No hay información disponible, no se puede pedir | ||||
| 22 | 328503 | |||
| TUERCA DE BLOQUEO | ||||
| 23 | 328048 | 1.05 | 1.27 | |
| ARANDELA | ||||
| 24 | 320975 | 1.05 | 1.27 | |
| No hay información disponible, no se puede pedir | ||||
| 25 | 328506 | |||
| No hay información disponible, no se puede pedir | ||||
| 27 | 328501 | |||
| Cojinete de bolas 6000 Vv, Cm9by, C8fse, G23ss | ||||
| 28 | 6000VV | 6.15 | 7.44 | |
| Arandela | ||||
| 29 | 302428 | 1.04 | 1.26 | |
| Punto de contacto del Portaescobillas | ||||
| 30 | 937623 | 1.04 | 1.26 | |
| No hay información disponible, no se puede pedir | ||||
| 31 | 340527C | |||
| Terminal M4.0 (10 piezas) | ||||
| 32 | 930804 | 3.00 | 3.63 | |
| No hay información disponible, no se puede pedir | ||||
| 33 | 328046 | |||
| ANKER 110-120 VOLT | ||||
| 34 | 360577U | 109.01 | 131.90 | |
| Palanca de bloqueo | ||||
| 35 | 320959 | 2.55 | 3.09 | |
| ARANDELA | ||||
| 36 | 980700 | 1.04 | 1.26 | |
| Cojinete de bolas 6202vvcmps2s | ||||
| 37 | 6202VV | 7.05 | 8.53 | |
| Anillo de goma (1) | ||||
| 38 | 303792 | 1.05 | 1.27 | |
| Tornillo de rosca de cabeza hexagonal D5x50 | ||||
| 39 | 953121 | 1.04 | 1.26 | |
| No hay información disponible, no se puede pedir | ||||
| 41 | 303292 | |||
| Portaescobillas (antiguo 938241z) | ||||
| 42 | 938241 | 6.45 | 7.80 | |
| Escobilla de carbono (1 par) | ||||
| 43 | 999038 | 9.30 | 11.25 | |
| Tapa del cepillo | ||||
| 44 | 945161 | 1.20 | 1.45 | |
| Tornillo autorroscante (con brida) D4x10 (negro) | ||||
| 45 | 311945 | 1.05 | 1.27 | |
| Interruptor | ||||
| 46 | 320950 | 32.18 | 38.93 | |
| Bloque de Terminal | ||||
| 47 | 938307 | 2.13 | 2.57 | |
| No hay información disponible, no se puede pedir | ||||
| 48 | 328507 | |||
| Tornillo Máquina M5x50 | ||||
| 49 | 997841 | 1.05 | 1.27 | |
| No hay información disponible, no se puede pedir | ||||
| 50 | 328042 | |||
| Tornillo Máquina M5x25 (negro) | ||||
| 51 | 880734 | 1.04 | 1.26 | |
| Tornillo de roscado D4x20 con brida (negro) | ||||
| 52 | 301653 | 1.04 | 1.26 | |
| Terminal M4.0 (10 piezas) | ||||
| 53 | 930804 | 3.00 | 3.63 | |
| No hay información disponible, no se puede pedir | ||||
| 54 | 984750 | |||
| Tira de sujeción (antiguo 994566) | ||||
| 55 | 937631 | 1.04 | 1.26 | |
| Casquillo del cable D10.1 | ||||
| 56 | 938051 | 1.04 | 1.26 | |
| No hay información disponible, no se puede pedir | ||||
| 57 | 500453Z | |||
| Tornillo de fijación (con cierre de sello) M6x8 | ||||
| 58 | 308109 | 1.04 | 1.26 | |
| No hay información disponible, no se puede pedir | ||||
| 59 | 328047 | |||
| Tornillo de bloqueo (con arandelas sp) M6x14 | ||||
| 60 | 322260 | 1.50 | 1.82 | |
| No hay información disponible, no se puede pedir | ||||
| 61 | 328502 | |||
| TUERCA DE BLOQUEO | ||||
| 62 | 328048 | 1.05 | 1.27 | |
| ARANDELA | ||||
| 63 | 320975 | 1.05 | 1.27 | |
| Placa de bisel | ||||
| 64 | 320962 | 2.70 | 3.27 | |
| Tornillo de fijación hexagonal M5x6 | ||||
| 65 | 319541 | 1.50 | 1.82 | |
| Pin de Rodillo D6x40 (10 Unidades) | ||||
| 66 | 949686 | 6.75 | 8.17 | |
| Pasador de Paso D6x13 | ||||
| 67 | 320163 | 1.50 | 1.82 | |
| Tuerca | ||||
| 68 | 942808 | 1.05 | 1.27 | |
| Enlace | ||||
| 69 | 320963 | 3.15 | 3.81 | |
| Tuerca | ||||
| 70 | 942808 | 1.05 | 1.27 | |
| No hay información disponible, no se puede pedir | ||||
| 71 | 337256 | |||
| No hay información disponible, no se puede pedir | ||||
| 501 | 940543 | |||
| No hay información disponible, no se puede pedir | ||||
| 601 | 302691 | |||